The Application of the Modified Prim’s Algorithm to Restore the Power System Using Renewable Energy Sources
Abstract
:1. Introduction
2. The Presentation of the Problem
3. The Motivation and the Article’s Contribution
- (1)
- The new resuscitation algorithm for power systems based on a modification of Prim’s algorithm has been developed.
- (2)
- The prepared logic is adapted to work with a power system that has renewable energy sources in its topology.
- (3)
- For the developed algorithm, the authors have prepared a new method for determining the weights, which represent the power flows in the grid.
4. The Restoration Algorithm—The Assumptions and the Control Logic
4.1. Generation Capacity of Power Plants
4.2. Power System Components’ Current and Voltage Limits
4.3. A New Approach to Weights’ Calculations for Power System Representation as a Graph
- (1)
- The DC grid is the considered topology, hence in Formula (13) .
- (2)
- There are no active power losses in the considered grid, hence in Formula (13) p3 = 0.
4.4. Assumptions for the Logic of the Modified Prim’s Algorithm
- (1)
- Adaptation of Prim’s algorithm to multi-source topologies.
- (2)
- Implementation of logical conditions responsible for the selection of the source for which a new supply line (edge) is to be connected at a given moment.
4.5. The New Power System Restoration Logic Applying the Modified Prim’s Algorithm
| Algorithm 1.Algorithm dedicated to the restoration of the power system based on the modified Prim’s algorithm. |
| BEGIN |
| DO ) THEN END IF END FOR Algorithm 1 Algorithm 2 Algorithm 3 END WHILE Algorithm 4 END WHILE END |
| Algorithm 2.Algorithm responsible for weight’s calculations. |
| BEGIN VARIABLES: , , , , , , , , , , |
| |
| FOR TO DO Calculate , IF THEN FOR TO DO IF OR THEN END IF END FOR IF THEN FOR AND TO DO IF THEN END IF END FOR IF THEN ELSE END IF ELSE END IF ELSE END IF IF THEN ELSE END IF END FOR FOR TO DO IF THEN END IF IF THEN END IF IF THEN END IF END FOR FOR TO DO IF THEN ELSE END IF END FOR END |
| Algorithm 3.The modified Prim’s algorithm. |
| BEGIN |
| |
| FOR TO DO IF THEN END IF END FOR IF THEN -th transmission line by updating T ELSE END IF END |
| Algorithm 4.Algorithm responsible for the verification of a possible connection to Algorithm 2 already not energized by transmission lines. |
| BEGIN , , |
| |
| DO DO THEN END IF END FOR THEN END IF END FOR THEN ELSE DO Calculate for END FOR DO THEN THEN THEN END IF END FOR THEN THEN THEN DO Calculate for = END FOR DO IF THEN END IF END FOR END IF END IF END |
| Algorithm 5.Algorithm responsible for connection transmission lines not energized by Algorithm 4. |
| BEGIN |
| |
| Calculate THEN FOR DO FOR TO DO and IF AND THEN ELSE END IF END FOR IF THEN Calculate FOR IF OR THEN END IF END FOR END IF IF THEN Calculate FOR TO DO IF AND THEN END IF END FOR END IF IF THEN Connect the -th transmission line by updating T END IF IF OR THEN ELSE IF THEN Calculate END IF END FOR END IF END |
5. The Test of the Logic Based on the Modified Prim’s Algorithm
5.1. Power System Test Benchmarks
5.1.1. Modified IEEE 39-Bus System
- (1)
- Transmission lines L06–07, L16–19, L16–24, L21–22, L22–23, L23–24 are redefined from single lines to two parallel lines with type and length according to the standard from [30]. The purpose of the change is to increase the transmission capacity of the mentioned lines in case of switching off, e.g., in line L21–22, a part of the energized lines (L16–24, L22–23, L23–24) is overloaded (transmitted current is higher than the rated value for a transmission line).
- (2)
- A renewable energy source in the form of wind power plants with the rated apparent power of 600 MVA, a power factor of 0.85 and a nominal voltage of 345 kVA are connected to the following busbars: BB14, BB17, and BB28.
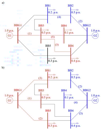
5.1.2. Power System Test Topology Designed by the Authors
- (1)
- All supply lines have the cross-section equal to 240 mm2, their rated current is 425 A, resistance per unit , reactance per unit , and susceptance per unit .
- (2)
- Power losses in transformers are omitted and are thus not included in the grid topology.
- (3)
- The rated apparent power of each renewable source is 8 MVA.
- (4)
- The renewable energy sources in the test power system are wind turbines with the rated apparent power equal to 5 MVA each.
5.2. Results
- ○
- the maximum load of the restored power system calculated by the modified Prim’s algorithm (before the start of the Algorithm 4):
- ○
- the minimum real power loss of the restored power system calculated by the modified Prim’s algorithm (before the start of the Algorithm 4):
- ○
- the maximum load of the restored power system by Algorithm 1:
5.3. Dicussion
6. Conclusions
- (1)
- The use of multi-parameter weights modeling power lines allows the loads to be powered in different orders of connection.
- (2)
- (3)
- The algorithm is fully adapted to the power grid, which has many sources that generate electricity, including topologies equipped with renewable energy sources.
Author Contributions
Funding
Institutional Review Board Statement
Informed Consent Statement
Conflicts of Interest
Nomenclature
| -th power source capacity coefficient | |
| -th power source capacity coefficient | |
| Maximal value in | |
| Maximal power angle of synchronous generator guaranteeing its stability | |
| A reducer efficiency | |
| The air density | |
| Total real power losses of grid topology or | |
| Total real power losses for topology created before start of the Algorithm 4 | |
| Total real power losses for topology created after the execution of the Algorithm 1 | |
| Reactive power losses for grid topology or | |
| Total area sept by a wind turbine generator blades | |
| Minimum real power in a set | |
| Minimum real power in a set | |
| Binary variable which represents status of the defined condition | |
| Maximum real power in set { | |
| Reverse value of minimum reactive power in set { | |
| Reverse value of minimum real power loss in set { | |
| A wind turbine power coefficient | |
| A variable identifying whether all power lines have been connected | |
| -axis component of the steady-state internal electro-motive force proportional to the field winding self-flux linkages | |
| Index of the term from | |
| Number of edges, which can be connected to a grid topology and do not create cycle subgraphs in a topology | |
| Number of edges, which can be connected to a grid topology and do not create cycle subgraphs in a topology for -th source | |
| Number of all terms in | |
| Binary variable which represents status of the defined condition | |
| Maximum value of generator stator current | |
| Power source number for which a weight or a capacity factor are calculated | |
| Number of all non-renewable power sources | |
| -index for which the algorithm is executed | |
| Index of the term in | |
| Index of the term in for which is calculated | |
| Index of the term in | |
| Index of the term for which is identified in | |
| Index of the term in | |
| Index of the term in | |
| Index of the term for which is proceeded identification process of the and | |
| Edge/transmission line number for which the weight is calculated | |
| Index for which was identified the maximal value of term in | |
| Maximum load of restored power system by Algorithm 1 | |
| Maximum load of restored power system calculated by the modified Prim’s algorithm (before start of the Algorithm 4) | |
| Minimum real power loss of restored power system calculated by the modified Prim’s algorithm (before start of the Algorithm 4) | |
| Index of a term from | |
| Number of terms in | |
| Index of a term from | |
| Counter of already connected lines (edges) | |
| Index of Edge/transmission line which is not energized | |
| Effective number of all possible to connection lines (edges) | |
| Number of terms in | |
| Number of all not energized transmission lines (edges) | |
| Number of all possible to connection lines (edges) | |
| Number of all possible to connection lines (edges) creating cycle graphs in a considered topology | |
| The complexity of the algorithm | |
| Impact coefficient of total real and total reactive power on calculated weight of an edge | |
| Impact coefficient of real power on weight | |
| Impact coefficient of reactive power on weight | |
| Impact coefficient of real power losses on weight | |
| Total real power output of a synchronous generator | |
| Minimal power generated by turbine | |
| Maximal power generated by turbine | |
| Real power at the receiving end of -th transmission line | |
| Real power sum of all loads present in the considered grid | |
| Total real power for topology created before start of the Algorithm 4 | |
| Total real power for topology created after the execution of the algorithm 1 | |
| Total real power of loads for topology | |
| Total real power for topology | |
| Total real power for -th non-renewable power source | |
| Total real power of topology | |
| A wind generator rated power | |
| Rated real power output of -th non-renewable power source | |
| Rated real power output of an energy source | |
| Output power of a wind generator | |
| Total reactive power output of a synchronous generator | |
| Reactive power at the receiving end of -th transmission line | |
| Total reactive power for topology created before start of the Algorithm 4 | |
| Total reactive power of loads for topology | |
| Total reactive power for topology | |
| Total reactive power for -th non-renewable power source | |
| Rated reactive power output of -th non-renewable power source | |
| Total apparent power output of a synchronous generator | |
| Total apparent power for topology created before start of the Algorithm 4 | |
| Simulation time before start of the Algorithm 4 | |
| Total simulation time of the Algorithm 1 | |
| Power grid topology considered before connection of -th transmission line to non-renewable power source | |
| Topology considered before connection of -th transmission line to a microgrid created for -th non-renewable power source | |
| Power grid topology considered after connection of -th transmission line to to non-renewable power source | |
| Power grid topology considered after connection of -th transmission line to to non-renewable power source | |
| Topology considered after connection of -th transmission line to a microgrid created for -th non-renewable power source | |
| The wind speed | |
| Output voltage of a synchronous generator | |
| Index of the term from | |
| Cut-in speed of a wind turbine | |
| Cut-out speed of a wind turbine | |
| Number of all terms in | |
| Rated speed of a wind turbine | |
| Binary variable which represents status of the defined condition | |
| Weight element bounded with real power, with not included losses, calculated for k-th graph edge for | |
| Weight element bounded with reactive power, with not included losses, calculated for k-th graph edge for | |
| Weight element bounded with real power, with not included losses, calculated for -th graph edge for | |
| Weight element bounded with reactive power, with included losses, calculated for -th graph edge for | |
| Weight element bounded with real power losses calculated for -th graph edge for | |
| Weight calculated for -th graph edge for topology | |
| Maximal value of weight in | |
| Binary variable which represents status of the defined condition | |
| total -axis synchronous reactance between a generator and an infinite busbar | |
| Binary variable which represents status of the defined condition | |
| Matrix of calculated values of for indexes for which were obtained the same minimal values of retained in | |
| Active power losses matrix for -th source for all values of k which create | |
| Reactive power losses matrix for -th source for all values of k which create | |
| Adjacency matrix of calculated for transmission lines rated currents | |
| Adjacency matrix of transmission lines rated currents | |
| Adjacency matrix of currents transmitted by lines for considered grid topology | |
| Matrix of all indexes of non-renewable power sources | |
| Matrix of indexes of non-renewable power sources for which it is not possible to create | |
| Matrix of indexes of non-renewable power sources for which it is possible to create | |
| Matrix of all indexes for which was identified a minimal value of | |
| Matrix of indexes for which are proceeded calculations | |
| An adjacency matrix that identifies the type of the edge (transmission line), i.e., an edge which may be connected to a renewable source or an edge which may be connected to a renewable source/a load | |
| Matrix of calculated values of for indexes which are in | |
| Adjacency matrix of reactive powers’ loads connected grid to nodes | |
| Total reactive power matrix for -th source for all values of k which create | |
| Adjacency matrix of active powers’ loads connected grid to nodes | |
| Total active power matrix for -th source for all values of k which create | |
| Adjacency matrix/Topology matrix of connected transmission lines being result of algorithm computation | |
| Adjacency matrix of busbars calculated voltages | |
| Adjacency matrix of busbars rated voltages | |
| Voltage nodal matrix for considered topology | |
| Adjacency matrix of weights for lines, which can be connected to topology and do not lead to creation of a cycle subgraph in the structure | |
| Matrix of calculated weights | |
| Matrix of calculated weights | |
| Matrix of calculated weights | |
| Bus impedance matrix of power system |
References
- Quiros-Tortos, J.; Panteli, M.; Wall, P.; Tereija, V. Sectionalising methodology for paraller system restoration based on graph theory. IET Gener. Transm. Distrib. 2015, 9, 1216–1225. [Google Scholar] [CrossRef]
- Golshani, A.; Sun, W.; Sun, K. Advanced power system partitioning method for fast and reliable restoration: Toward self healing grid. IET Gener. Transm. Distrib. 2018, 12, 45–52. [Google Scholar] [CrossRef]
- Liserre, M.; Reveendran, V.; Andresen, M. Graph-Theory-Based Modeling and Control for System-Level Optimization of Smart Transformers. IEEE Trans. Ind. Electron. 2020, 67, 8910–8920. [Google Scholar] [CrossRef]
- Elgenedy, M.A.; Massoud, A.M.; Ahmed, S. Smart grid self-healing: Functions, applications, and developments. In Proceedings of the 2015 First Workshop on Smart Grid and Renewable Energy (SGRE), Doha, Quatar, 22–23 March 2015. [Google Scholar]
- Zhao, Y.; Lin, Z.; Ding, Y.; Liu, Y.; Sun, L.; Yan, Y. A Model Predictive Control Based Generator Start-Up Optimization Strategy for Restoration with Microgrids as Black-Start Resources. IEEE Trans. Power Syst. 2018, 33, 7189–7203. [Google Scholar] [CrossRef]
- Wang, Z.; Wang, J. Self-Healing Resilient Distribution Systems Based on Sectionalization Into Microgrids. IEEE Trans. Power Syst. 2015, 30, 3139–3149. [Google Scholar] [CrossRef]
- Li, J. Reconfiguration of Power Network Based on Graph-Theoretic Algorithms. Ph.D. Thesis, Iowa State University, Ames, IA, USA, 2010. Available online: https://lib.dr.iastate.edu/etd/11671 (accessed on 20 February 2022).
- Eriksson, M.; Armendariz, M.; Vasilenko, O.; Saleem, A.; Nordström, L. Multi-Agent Based Distribution Automation Solution for Self-Healing Grids. IEEE Trans. Ind. Electron. 2015, 62, 2620–2628. [Google Scholar] [CrossRef]
- Changcheng, L.; Jinghan, H.; Pei, Z.; Xu, Y. A Novel Sectionizing Method for Power System Parallel Restoration Based on Minimum Spanning Tree. Energies 2017, 10, 948. [Google Scholar]
- Ou, T.; Lu, K.; Huang, C. Improvement of transient stability in a hybrid power multi-system using a designed NIDC (Novel Intelligent Damping Controller). Energies 2017, 10, 488. [Google Scholar] [CrossRef] [Green Version]
- Łukaszewski, A.; Nogal, Ł.; Robak, S. Weight Calculation Alternative Methods in Prim’s Algorithm Dedicated for Power System Restoration Strategies. Energies 2020, 13, 6063. [Google Scholar] [CrossRef]
- Weijia, L.; Junpeng, Z.; Chung, C.Y.; Lei, S. Availability Assessment Based Case-Sensitive Power System Restoration Strategy. IEEE Trans. Power Syst. 2020, 35, 1432–1445. [Google Scholar]
- Tianqiao, Z.; Jianhui, W. Learning Sequential Distribution System Restoration via Graph-Reinforcement Learning. IEEE Trans. Power Syst. 2022, 37, 1601–1611. [Google Scholar]
- Hafez, A.A.; Omran, W.A.; Hegazy, Y.G. A decentralized technique for autonomous service restoration in active radial distribution networks. IEEE Trans. Smart Grid 2018, 9, 1911–1919. [Google Scholar] [CrossRef]
- Alnujaimi, A.; Abido, M.; Almuhaini, M. Distribution power system reliability assessment considering cold load pickup events. IEEE Trans. Power Syst. 2018, 33, 4197–4206. [Google Scholar] [CrossRef]
- Xiao, J.; Li, Y.; Tan, Y.; Chen, C.; Cao, Y.; Lee, K.Y. A robust mixed-integer second-order cone programming for service restoration of distribution network. In Proceedings of the 2018 IEEE Power & Energy Society General Meeting (PESGM), Portland, OR, USA, 5–10 August 2018; pp. 1–5. [Google Scholar]
- Zhao, J.; Wang, H.; Liu, Y.; Wu, Q.; Wang, Z.; Liu, Y. Coordinated restoration of transmission and distribution system using decentralized scheme. IEEE Trans. Power Syst. 2019, 34, 3428–3442. [Google Scholar] [CrossRef]
- Poudel, S.; Dubey, A. Critical load restoration using distributed energy resources for resilient power distribution system. IEEE Trans. Power Syst. 2019, 34, 52–63. [Google Scholar] [CrossRef] [Green Version]
- Jiang, Y.; Liu, C.; Xu, Y. Smart Distribution Systems. Energies 2016, 9, 297. [Google Scholar] [CrossRef] [Green Version]
- Jian, X.; Boyu, X.; Siyang, L.; Zhiyong, Y.; Deping, K.; Yuanzhang, S.; Xiong, L.; Xiaotao, P. Load Shedding and Restoration for Intentional Island with Renewable Distributed Generation. J. Mod. Power Syst. Clean Energy 2021, 9, 612–624. [Google Scholar]
- Kai, Z.; Mohy-ud-din, G.; Agalgaonkar, A.P.; Muttaqi, K.M. Distribution System Restoration with Renewable Resources for Reliability Improvement Under System Uncertainties. IEEE Trans. Ind. Electron. 2019, 67, 8438–8449. [Google Scholar]
- Li, H.; Abinet, T.E.; Zhang, J.; Zheng, D. Optimal energy management for industrial microgrids with high-penetration renewables. Prot. Control. Mod. Power. Syst. 2017, 2, 12. [Google Scholar] [CrossRef] [Green Version]
- Xu, Z.; Yang, P.; Zeng, Z.; Peng, J.; Zhao, Z. Black start strategy for PV-ESS multi-microgrids with three-phase/single-phase architecture. Energies 2016, 9, 372. [Google Scholar] [CrossRef] [Green Version]
- Xi, Z.; Bo, Z.; Yonggang, L.; Jiaomin, L. Co-Optimization of Supply and Demand Resources for Load Restoration of Distribution System Under Extreme Weather. IEEE Access. 2021, 9, 122907–122923. [Google Scholar]
- Biswas, R.S.; Pal, A.; Werho, T.; Vittal, V. A Graph Theoretic Approach to Power System Vulnerability Identification. IEEE Trans. Power Syst. 2021, 36, 923–935. [Google Scholar] [CrossRef]
- Chen, B.; Chen, C.; Wang, J.; Butler-Purry, K.L. Sequential Service Restoration for Unbalanced Distribution Systems and Microgrids. IEEE Trans. Power Syst. 2018, 33, 1507–1520. [Google Scholar] [CrossRef]
- Lei, S.; Wang, J.; Hou, Y. Remote-Controlled Switch Allocation Enabling Prompt Restoration of Distribution Systems. IEEE Trans. Power Syst. 2018, 33, 3129–3142. [Google Scholar] [CrossRef]
- Yu, Q.; Jiang, Z.; Liu, Y.; Li, L.; Long, G. Optimization of an Offshore Oilfield Multi-Platform Interconnected Power System Structure. IEEE Access. 2021, 9, 5128–5139. [Google Scholar] [CrossRef]
- Arefifar, S.A.; Mohamed, Y.A.-R.I.; El-Fouly, T.H.M. Comprehensive Operational Planning Framework for Self-Healing Control Actions in Smart Distribution Grids. IEEE Trans. Power Syst. 2013, 28, 4192–4200. [Google Scholar] [CrossRef]
- Golshani, A.; Sun, W.; Zhou, Q.; Zheng, Q.P.; Tong, J. Two-Stage Adaptive Restoration Decision Support System for a Self-Healing Power Grid. IEEE Trans. Ind. Inform. 2017, 13, 2802–2812. [Google Scholar] [CrossRef]
- Li, Z.; Shahidehpour, M.; Aminifar, F.; Alabdulwahab, A.; Al-Turki, Y. Networked microgrids for enhancing the power system resilence. Proc. IEEE 2017, 105, 1289–1310. [Google Scholar] [CrossRef]
- Eissa, M.; Ali, A.; Abdel-Latif, K.; Al-Kady, A. A frequency control technique based on decision tree concept by managing thermostatically controllable loads at smart grids. Int. J. Electr. Power Energy Syst. 2019, 108, 40–51. [Google Scholar] [CrossRef]
- Jayawardene, I.; Herath, P.; Venayagamoorthy, G.K. A Graph Theory-Based Clustering Method for Power System Networks. In Proceedings of the 2020 Clemson University Power Systems Conference (PSC), Clemson, SC, USA, 10–13 March 2020. [Google Scholar]
- Wilson, R.J. Introduction to Graph Theory, 5th ed.; Pearson Education Limited: Edinburgh, UK, 2010; pp. 8–79. [Google Scholar]
- Cormen, T.H.; Leiserson, C.E.; Rivest, R.L.; Stein, C. Section 23.2: The algorithms of Kruscal and Prim. In Introduction to Algorithms, 3rd ed.; MIT Press: Cambridge, MA, USA, 2009; pp. 631–638. [Google Scholar]
- Wang, Z.; Wang, J. A delay-adaptive control scheme for enhancing smart grid stability and resilence. Int. J. Electr. Power Energy Syst. 2019, 110, 477–486. [Google Scholar] [CrossRef]
- Lin, H.; Chen, C.; Wang, J.; Qi, J.; Jin, D.; Kalbarczyk, Z.T.; Iyer, R.K. Self-Healing Attack-Resilient PMU Network for Power System Operation. IEEE Trans. Smart Grid 2018, 9, 1551–1565. [Google Scholar] [CrossRef]
- Shi, J.; Oren, S.S. Stochastic Unit Commitment with Topology Control Recourse for Power Systems with Large-Scale Renewable Integration. IEEE Trans. Power Syst. 2018, 33, 3315–3324. [Google Scholar] [CrossRef]
- Machowski, J.; Bialek, J.W.; Bumby, J.R. Power System Dynamics: Stabilty and Control, 2nd ed.; John Wiley & Sons, Ltd.: Hoboken, NJ, USA, 2008; pp. 89–99. [Google Scholar]
- Bin, L.; Pan, H.; He, L.; Lian, J. An Importance Analysis–Based Weight Evaluation Framework for Identifying Key Components of Multi-Configuration Off-Grid Wind Power Generation Systems under Stochastic Data Inputs. Energies 2019, 12, 4372. [Google Scholar] [CrossRef] [Green Version]
- Liu, W.-J.; Chi, M.; Liu, Z.-W.; Guan, Z.-H.; Chen, J.; Xiao, J.-W. Distributed optimal active power dispatch with energy storage units and power flow limits in smart grids. Int. J. Electr. Power Energy Syst. 2019, 105, 420–428. [Google Scholar] [CrossRef]
- Arif, A.; Ma, S.; Wang, Z.; Wang, J.; Ryan, S.M.; Chen, C. Optimizing Service Restoration in Distribution Systems With Uncertain Repair Time and Demand. IEEE Trans. Power Syst. 2018, 33, 6828–6838. [Google Scholar] [CrossRef] [Green Version]
- Shi, T.; Mei, F.; Lu, J.; Lu, J.; Pan, Y.; Zhou, C.; Wu, J.; Zheng, J. Phase Space Reconstruction Algorithm and Deep Learning-Based Very Short-Term Bus Load Forecasting. Energies 2019, 12, 4349. [Google Scholar] [CrossRef] [Green Version]
- Vazinram, F.; Effatnejad, R.; Hedayati, M.; Hajihosseini, P. Decentralised self-healing model for gas and electricity distribution network. IET Gener. Transm. Distrib. 2019, 13, 4451–4463. [Google Scholar] [CrossRef]
- Łukaszewski, A.; Nogal, Ł. Multi-sourced power system restoration strategy based on modified Prim’s algorithm. Bull. Pol. Acad. Sci. Tech. Sci. 2021, 69, e137942. [Google Scholar]
- Athay, T.; Podmore, R.; Virmani, S. A Practical Method for the Direct Analysis of Transient Stability. IEEE Trans Power Appar. Syst. 1979, 2, 573–584. [Google Scholar] [CrossRef]
- Ali, M.; Adnan, M.; Tariq, M. Optimum control strategies for short term load forecasting in smart grids. Int. J. Electr. Power Energy Syst. 2019, 113, 792–806. [Google Scholar] [CrossRef]
- Dietmannsberger, M.; Wang, X.; Blaabjerg, F.; Schulz, D. Restoration of Low-Voltage Distribution Systems with Inverter-Interfaced DG Units. IEEE Trans. Ind. Appl. 2017, 54, 5377–5386. [Google Scholar] [CrossRef] [Green Version]









| Tag of Line | Length of Line (km) | Tag of Line | Length of Line (km) | Tag of Line | Length of Line (km) |
|---|---|---|---|---|---|
| L1 | 9 | L11 | 21 | L21 | 7 |
| L2 | 16 | L12 | 14 | L22 | 18 |
| L3 | 13 | L13 | 10 | L23 | 8 |
| L4 | 22 | L14 | 18 | L24 | 12 |
| L5 | 19 | L15 | 13 | L25 | 15 |
| L6 | 16 | L16 | 8 | L26 | 11 |
| L7 | 11 | L17 | 12 | L27 | 12 |
| L8 | 6 | L18 | 7 | L28 | 7 |
| L9 | 17 | L19 | 9 | L29 | 18 |
| L10 | 12 | L20 | 15 |
| Tag of Load | Active Power of Load (MW) | Reactive Power of Load (MVar) | Tag of Load | Active Power of Load (MW) | Reactive Power of Load (MVar) |
|---|---|---|---|---|---|
| LB1 | 0.65 | 0.25 | LB10 | 1.55 | 0.65 |
| LB2 | 0.75 | 0.45 | LB11 | 1.95 | 1.25 |
| LB3 | 2.10 | 0.85 | LB12 | 0.75 | 0.35 |
| LB4 | 2.15 | 0.95 | LB13 | 0.65 | 0.35 |
| LB5 | 0.70 | 0.55 | LB14 | 0.85 | 0.55 |
| LB6 | 0.55 | 0.35 | LB15 | 0.45 | 0.25 |
| LB7 | 3.10 | 1.95 | LB16 | 0.75 | 0.45 |
| LB8 | 0.75 | 0.45 | LB17 | 0.25 | 0.15 |
| LB9 | 0.95 | 0.35 | - | - | - |
| The Algorithm Presented in the Paper | Sp (MVA) | Pp (MW) | Qp (MVar) | ∆Pp (MW) | MLRPA (−) | MRPLPA (−) | tPA (ms) | MLRA (−) | tA (ms) | ||
|---|---|---|---|---|---|---|---|---|---|---|---|
| p1 | p2 | p3 | |||||||||
| 0.333 | 0.333 | 0.333 | 4873.65 | 4212.86 | 767.38 | 18.76 | 0.688 | 27,.272 | 351 | 1.000 | 505 |
| 0.500 | 0.250 | 0.250 | 4873.65 | 4212.86 | 767.38 | 18.76 | 0.688 | 27.272 | 365 | 1.000 | 511 |
| 0.250 | 0.500 | 0.250 | 4873.65 | 4212.86 | 767.38 | 18.76 | 0.688 | 27.272 | 399 | 1.000 | 525 |
| 0.250 | 0.250 | 0.500 | 4873.65 | 4212.86 | 767.38 | 18.76 | 0.688 | 27.272 | 349 | 1.000 | 501 |
| 0.166 | 0.333 | 0.501 | 4873.65 | 4212.86 | 767.38 | 18.76 | 0.688 | 27.272 | 366 | 1.000 | 515 |
| 0.166 | 0.501 | 0.333 | 4873.65 | 4212.86 | 767.38 | 18.76 | 0.688 | 27.272 | 355 | 1.000 | 522 |
| 0.333 | 0.166 | 0.501 | 4873.65 | 4212.86 | 767.38 | 18.76 | 0.688 | 27.272 | 382 | 1.000 | 499 |
| 0.501 | 0.166 | 0.333 | 4873.65 | 4212.86 | 767.38 | 18.76 | 0.688 | 27.272 | 376 | 1.000 | 511 |
| 0.333 | 0.501 | 0.166 | 4873.65 | 4212.86 | 767.38 | 18.76 | 0.688 | 27.272 | 368 | 1.000 | 524 |
| 0.501 | 0.333 | 0.166 | 4873.65 | 4212.86 | 767.38 | 18.76 | 0.688 | 27.272 | 370 | 1.000 | 506 |
| 1.000 | 0.000 | 0.000 | 5179.64 | 5082.07 | 1000.59 | 21.77 | 0.830 | 26.230 | 377 | 1.000 | 513 |
| 0.000 | 1.000 | 0.000 | 4873.65 | 4212.86 | 767.38 | 18.76 | 0.688 | 27.272 | 352 | 1.000 | 507 |
| 0.000 | 0.000 | 1.000 | 4873.65 | 4212.86 | 767.38 | 18.76 | 0.688 | 27.272 | 378 | 1.000 | 512 |
| The algorithm from the paper [8] | 5179.64 | 5082.07 | 1000.59 | 21.77 | 0.830 | 26.230 | 380 | - | - | ||
| The algorithm from the paper [45] | 4158.29 | 4095.19 | 721.66 | 26.09 | 0.666 | 39.174 | 371 | - | - | ||
| The Algorithm Presented in the Paper | Sp (MVA) | Pp (MW) | Qp (MVar) | ∆Pp (MW) | MLRPA (−) | MRPLPA (−) | tPA (ms) | MLRA (−) | tA (ms) | ||
|---|---|---|---|---|---|---|---|---|---|---|---|
| p1 | p2 | p3 | |||||||||
| 0.333 | 0.333 | 0.333 | 19.39 | 19.39 | 0.18 | 0.49 | 1.00 | 0.49 | 291 | 1.00 | 322 |
| 0.500 | 0.250 | 0.250 | 19.34 | 19.34 | −0.33 | 0.44 | 1.00 | 0.44 | 288 | 1.00 | 319 |
| 0.250 | 0.500 | 0.250 | 19.34 | 19.34 | −0.33 | 0.44 | 1.00 | 0.44 | 284 | 1.00 | 335 |
| 0.250 | 0.250 | 0.500 | 19.34 | 19.34 | −0.33 | 0.44 | 1.00 | 0.44 | 292 | 1.00 | 333 |
| 0.166 | 0.333 | 0.501 | 19.34 | 19.34 | −0.33 | 0.44 | 1.00 | 0.44 | 284 | 1.00 | 331 |
| 0.166 | 0.501 | 0.333 | 19.34 | 19.34 | −0.33 | 0.44 | 1.00 | 0.44 | 290 | 1.00 | 325 |
| 0.333 | 0.166 | 0.501 | 19.34 | 19.34 | −0.33 | 0.44 | 1.00 | 0.44 | 284 | 1.00 | 321 |
| 0.501 | 0.166 | 0.333 | 19.34 | 19.34 | −0.33 | 0.44 | 1.00 | 0.44 | 283 | 1.00 | 330 |
| 0.333 | 0.501 | 0.166 | 19.34 | 19.34 | −0.33 | 0.44 | 1.00 | 0.44 | 285 | 1.00 | 318 |
| 0.501 | 0.333 | 0.166 | 19.34 | 19.34 | −0.33 | 0.44 | 1.00 | 0.44 | 292 | 1.00 | 325 |
| 1.000 | 0.000 | 0.000 | 19.34 | 19.34 | −0.33 | 0.44 | 1.00 | 0.44 | 287 | 1.00 | 321 |
| 0.000 | 1.000 | 0.000 | 19.53 | 19.52 | −0.48 | 0.62 | 1.00 | 0.62 | 293 | 1.00 | 326 |
| 0.000 | 0.000 | 1.000 | 19.35 | 19.35 | 0.23 | 0.45 | 1.00 | 0.45 | 288 | 1.00 | 317 |
| The algorithm from the paper [8] | 14.12 | 14.65 | 1.46 | 0.40 | 0.73 | 0.55 | 202 | - | - | ||
| The algorithm from the paper [45] | 12.48 | 12.34 | 1.86 | 0.19 | 0.65 | 0.29 | 210 | - | - | ||
Publisher’s Note: MDPI stays neutral with regard to jurisdictional claims in published maps and institutional affiliations. |
© 2022 by the authors. Licensee MDPI, Basel, Switzerland. This article is an open access article distributed under the terms and conditions of the Creative Commons Attribution (CC BY) license (https://creativecommons.org/licenses/by/4.0/).
Share and Cite
Łukaszewski, A.; Nogal, Ł.; Januszewski, M. The Application of the Modified Prim’s Algorithm to Restore the Power System Using Renewable Energy Sources. Symmetry 2022, 14, 1012. https://doi.org/10.3390/sym14051012
Łukaszewski A, Nogal Ł, Januszewski M. The Application of the Modified Prim’s Algorithm to Restore the Power System Using Renewable Energy Sources. Symmetry. 2022; 14(5):1012. https://doi.org/10.3390/sym14051012
Chicago/Turabian StyleŁukaszewski, Artur, Łukasz Nogal, and Marcin Januszewski. 2022. "The Application of the Modified Prim’s Algorithm to Restore the Power System Using Renewable Energy Sources" Symmetry 14, no. 5: 1012. https://doi.org/10.3390/sym14051012
APA StyleŁukaszewski, A., Nogal, Ł., & Januszewski, M. (2022). The Application of the Modified Prim’s Algorithm to Restore the Power System Using Renewable Energy Sources. Symmetry, 14(5), 1012. https://doi.org/10.3390/sym14051012

