Predicting Hydraulic Conductivity for Flexible Wall Conditions Using Rigid Wall Permeameter
Abstract
1. Introduction
2. Materials
2.1. Al-Qatif Clay
2.2. Local Red Sand
3. Testing Methodology
3.1. Index Properties
3.2. Compaction Tests
3.3. Compressibility and Swell Tests
3.4. Hydraulic Conductivity
3.4.1. Rigid Wall Constant Head Tests
3.4.2. Rigid Wall Falling Head Tests
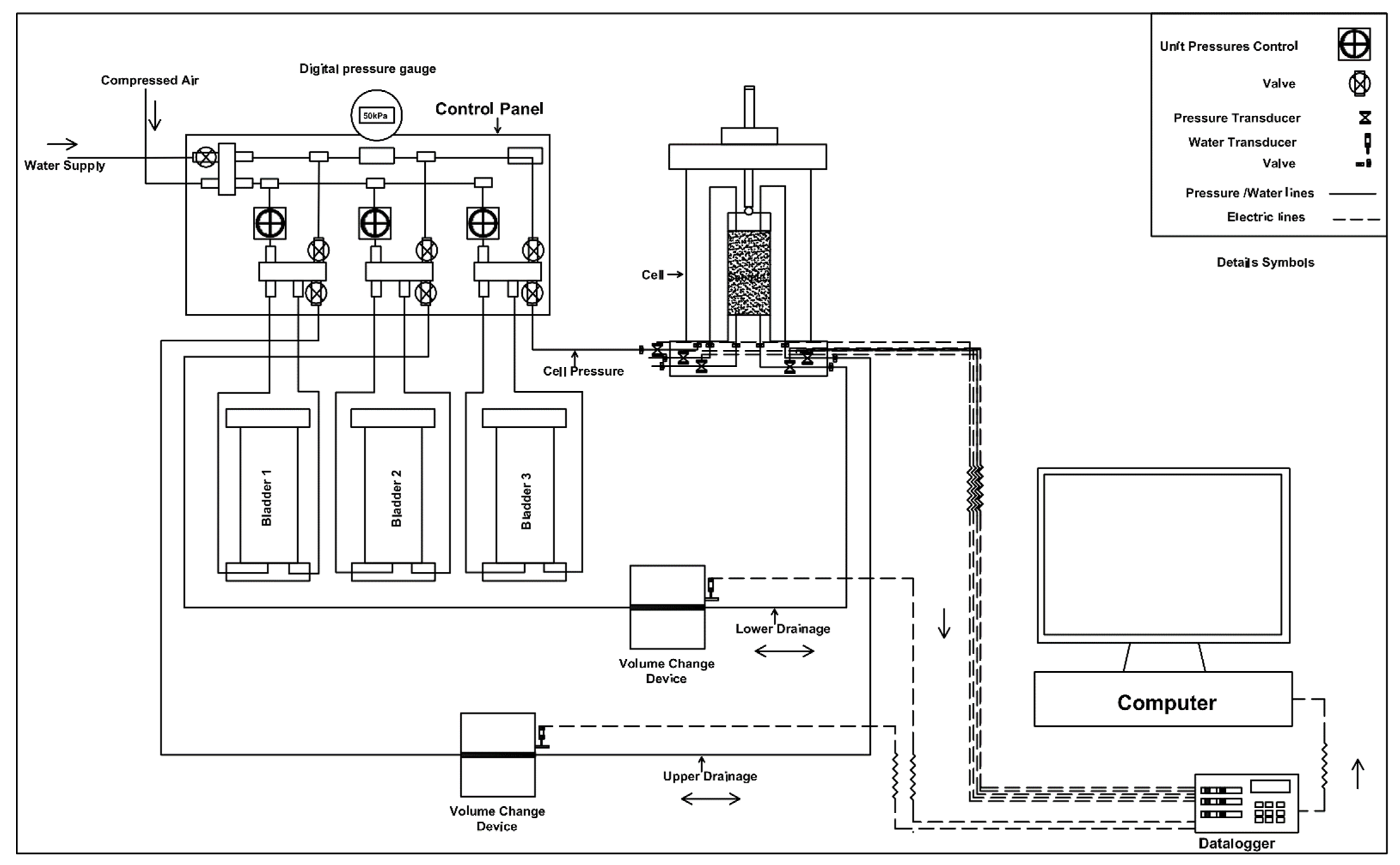
3.4.3. Flexible Wall Constant Head Tests
3.4.4. Indirect Permeability Determination
4. Results and Discussion
4.1. Properties of the Mixtures
4.2. Swelling Consolidation Behavior
4.3. Hydraulic Conductivity
5. Microstructure Investigation
6. Conclusions
Author Contributions
Funding
Data Availability Statement
Acknowledgments
Conflicts of Interest
References
- Shafiee, A. Permeability of compacted granule-clay mixtures. Eng. Geol. 2008, 97, 199–208. [Google Scholar] [CrossRef]
- Mitchell, J.K.; Soga, K. Fundamentals of Soil Behavior; John Wiley & Sons. Inc.: New York, NY, USA, 1976; p. 422. [Google Scholar]
- Dixon, D.A.; Gray, M.N.; Thomas, A.W. A study of the compaction properties of potential clay—Sand buffer mixtures for use in nuclear fuel waste disposal. Eng. Geol. 1985, 21, 247–255. [Google Scholar] [CrossRef]
- Kraus, J.F.; Benson, C.H.; Erickson, A.E.; Chamberlain, E.J. Freeze-thaw cycling and hydraulic conductivity of bentonitic barriers. J. Geotech. Geoenvironment. Eng. 1997, 123, 229–238. [Google Scholar] [CrossRef]
- Lundgren, T.A. Some bentonite sealants in soil mixed blankets. In Proceedings of the 10th International Conference on Soil Mechanics and Foundation Engineering, Stockholm, Sweden, 15–19 June 1981; Volume 2, pp. 349–354. [Google Scholar]
- Abeele, W.V. The influence of bentonite on the permeability of sandy silts. Nucl. Chem. Waste Manag. 1986, 6, 81–88. [Google Scholar] [CrossRef]
- Peirce, J.J.; Sallfors, G.; Peterson, E. Clay liner construction and quality control. J. Environ. Eng. 1986, 112, 13–24. [Google Scholar] [CrossRef]
- Chapuis, R.P. Sand-bentonite liners: Predicting permeability from laboratory tests. Can. Geotech. J. 1990, 27, 47–57. [Google Scholar] [CrossRef]
- Kenney, T.C.; Van Veen, W.A.; Swallow, M.A.; Sungaila, M.A. Hydraulic conductivity of compacted bentonite—Sand mixtures. Can. Geotech. J. 1992, 29, 364–374. [Google Scholar] [CrossRef]
- Gipson, A.H. Permeability testing on clayey soil and silty sand-bentonite mixture using acid liquor. In Hydraulic Barriers in Soil and Rock; ASTM International: West Conshohocken, PA, USA, 1985. [Google Scholar]
- Mollins, L.H.; Stewart, D.I.; Cousens, T.W. Predicting the properties of Bentonite Sand Mixtures. Clay Miner. 1996, 31, 243–252. [Google Scholar] [CrossRef]
- Gleason, M.H.; Daniel, D.E.; Eykholt, G.R. Calcium and Sodium Bentonite for Hydraulic Containment Applications. J. Geotech. Geoenvironment. Eng. 1997, 123, 438–445. [Google Scholar] [CrossRef]
- Komine, H. Simplified evaluation on hydraulic conductivities of sand-bentonite mixture backfill. Appl. Clay Sci. 2004, 26, 13–19. [Google Scholar] [CrossRef]
- Chalermyanont, T.; Arrykul, S. Compacted sand-bentonite mixtures for hydraulic containment liners. Songklanakarin J. Sci. Technol. 2005, 27, 313–323. [Google Scholar]
- Al-Rawas, A.A.; Mohamedzein, Y.E.A.; Al-Shabibi, A.S.; Al-Katheiri, S. Sand-attapulgite clay mixtures as a landfill liner. Geotech. Geol. Eng. 2006, 24, 1365–1383. [Google Scholar] [CrossRef]
- Ameta, N.K.; Wayal, A.S. Effect of bentonite on permeability of dune sand. Ejge 2008, 13, 1–7. [Google Scholar]
- Imaizumi, S.; Wataru, M.; Takahashi, N.; Doi, Y. Estimation of critical ratio of bentonite addition to tuff sand. J. Mater. Cycles Waste Manag. 2009, 11, 299–304. [Google Scholar] [CrossRef]
- Akgün, H. Geotechnical characterization and performance assessment of bentonite/sand mixtures for underground waste repository sealing. Appl. Clay Sci. 2010, 49, 394–399. [Google Scholar] [CrossRef]
- Daniel, D.E.; Anderson, D.C.; Boynton, S.S. Fixed-wall versus flexible-wall permeameters. In Hydraulic Barriers in Soil and Rock; ASTM International: West Conshohocken, PA, USA, 1985. [Google Scholar]
- Kaoser, S.; Barrington, S.; Elektorowicz, M.; Ayadat, T. The influence of hydraulic gradient and rate of erosion on hydraulic conductivity of sand-bentonite mixtures. Soil Sediment Contam. 2006, 15, 481–496. [Google Scholar] [CrossRef]
- Shaker, A.A.; Elkady, T.Y. Hydraulic performance of sand–clay mixtures: Soil fabric perspective. Géotechnique Lett. 2015, 5, 198–204. [Google Scholar] [CrossRef]
- Tavenas, F.; Jean, P.; Leblond, P.; Leroueil, S. The permeability of natural soft clays. Part II: Permeability characteristics. Can. Geotech. J. 1983, 20, 645–660. [Google Scholar] [CrossRef]
- Dafalla, M.; Shaker, A.A.; Elkady, T.; Al-Shamrani, M.; Dhowian, A. Effects of confining pressure and effective stress on hydraulic conductivity of sand-clay mixtures. Arab. J. Geosci. 2015, 8, 9993–10001. [Google Scholar] [CrossRef]
- Gueddouda, M.K.; Lamara, M.; Abou-bekr, N.; Taibi, S. Hydraulic behaviour of dune sand-bentonite mixtures under confining stress. Geomech. Eng. 2010, 2, 213–227. [Google Scholar] [CrossRef][Green Version]
- Dafalla, M.A. The Compressibility and Swell of Mixtures for Sand-Clay Liners. Adv. Mater. Sci. Eng. 2017, 2017, 3181794. [Google Scholar] [CrossRef]
- Shaker, A.A.; Elkady, T.Y. Investigation of the hydraulic efficiency of sand-natural expansive clay mixtures. Int. J. GEOMATE 2016, 11, 2410–2415. [Google Scholar] [CrossRef]
- Shaker, A.A.; Dafalla, M. Effect of state of compaction on the hydraulic conductivity of sand-clay mixtures. J. GeoEng. 2017, 12, 13–19. [Google Scholar] [CrossRef]
- Tavakoli, H.R.; Shafiee, A.; Jafari, M.K. Hydraulic conductivity of compacted composite clays. Int. J. Civ. Struct. Eng. 2010, 1, 288–304. [Google Scholar]
- Dafalla, M.A. Efficiency of Sand Clay Liners in Controlling Subsurface Water Flow. Eng. Geol. Soc. Territ. 2015, 3, 497–499. [Google Scholar] [CrossRef]
- Anderson, C.; Sivakumar, V. Permeability of Natural Clay Liners: Effect of Accelerated Permeability Testing on Soil Structure. In Proceedings of the 12th International Conference of International Association for Computer Methods and Advances in Geomechanics (IACMAG), Goa, India, 1–6 October 2008; pp. 1443–1450. [Google Scholar]
- Tong, S.; Shackelford, C.D. Standardized hydraulic conductivity testing of compacted sand-bentonite mixtures. Geotech. Test. J. 2016, 39, 1015–1029. [Google Scholar] [CrossRef]
- Shaker, A.A.; Al-Shamrani, M.A.; Moghal, A.A.B.; Vydehi, K.V. Effect of confining conditions on the hydraulic conductivity behavior of fiber-reinforced lime blended semiarid soil. Materials 2021, 14, 3120. [Google Scholar] [CrossRef]
- Zhang, T.; Wang, S. Explanation of the influence of sodium chloride solution on volume deformation and permeability of normally consolidated clays. Materials 2019, 12, 1671. [Google Scholar] [CrossRef]
- Sun, D.; Cui, H.; Sun, W. Swelling of compacted sand-bentonite mixtures. Appl. Clay Sci. 2009, 43, 485–492. [Google Scholar] [CrossRef]
- Shaker, A.A.; Elkady, T.Y.; Dhowian, A. Swell and Compressibility of Sand-Expansive Clay Mixtures. In Soil Behavior and Geomechanics; GSP 236: Shanghai, China, 2014; pp. 15–24. [Google Scholar]













| Property | Range |
|---|---|
| Material passing sieve # 200 | >90% |
| Liquid Limit, LL (%) | 130–150 |
| Plastic Limit, PL (%) | 60–70 |
| Plasticity Index, PI (%) | 70–80 |
| Maximum dry density, γdmax (kN/m3) | 11.5–12 |
| Optimum Moisture Content, OMC (%) | 32–40 |
| Swell percent (%) | 16–18 |
| Swelling pressure (kN/m2) | 500–800 |
| K+ (%) | K2O (%) | Al3+ (%) | Al2O3 (%) | Si (%) | SiO2 (%) | Ca2+ (%) | CaO (%) |
|---|---|---|---|---|---|---|---|
| 1.8 | 2.2 | 3.3 | 6.3 | 8.1 | 17.3 | 0.7 | 0.9 |
| Clay Content (%) | Liquid Limit, LL (%) | Plastic Limit, PL (%) | Specific Gravity, Gs |
|---|---|---|---|
| 0 | NA | NA | 2.66 |
| 10 | NA | NA | 2.67 |
| 20 | 29 | 17.6 | 2.67 |
| 30 | 36 | 18.5 | 2.68 |
| Material | Optimum Moisture Content (OMC) (%) | Maximum Dry Density, γdmax (kN/m3) |
|---|---|---|
| Sand | 10.5 | 16.22 |
| Sand + 10% Al-Qatif Clay | 11 | 17.85 |
| Sand + 20% Al-Qatif Clay | 13 | 18.15 |
| Sand + 30% Al-Qatif Clay | 13.5 | 18.03 |
Publisher’s Note: MDPI stays neutral with regard to jurisdictional claims in published maps and institutional affiliations. |
© 2022 by the authors. Licensee MDPI, Basel, Switzerland. This article is an open access article distributed under the terms and conditions of the Creative Commons Attribution (CC BY) license (https://creativecommons.org/licenses/by/4.0/).
Share and Cite
Shaker, A.A.; Dafalla, M.; Al-Mahbashi, A.M.; Al-Shamrani, M.A. Predicting Hydraulic Conductivity for Flexible Wall Conditions Using Rigid Wall Permeameter. Water 2022, 14, 286. https://doi.org/10.3390/w14030286
Shaker AA, Dafalla M, Al-Mahbashi AM, Al-Shamrani MA. Predicting Hydraulic Conductivity for Flexible Wall Conditions Using Rigid Wall Permeameter. Water. 2022; 14(3):286. https://doi.org/10.3390/w14030286
Chicago/Turabian StyleShaker, Abdullah A., Muawia Dafalla, Ahmed M. Al-Mahbashi, and Mosleh A. Al-Shamrani. 2022. "Predicting Hydraulic Conductivity for Flexible Wall Conditions Using Rigid Wall Permeameter" Water 14, no. 3: 286. https://doi.org/10.3390/w14030286
APA StyleShaker, A. A., Dafalla, M., Al-Mahbashi, A. M., & Al-Shamrani, M. A. (2022). Predicting Hydraulic Conductivity for Flexible Wall Conditions Using Rigid Wall Permeameter. Water, 14(3), 286. https://doi.org/10.3390/w14030286

