Abstract
The discharge of wastewater from aquaculture ponds causes a certain degree of damage to the environment. It is necessary to continuously improve the treatment efficiency of wastewater treatment devices. The purpose of this study is to obtain an optimal ratio of wastewater circulation devices in order to obtain the best operating parameters and to reduce the discharge of polluted water. We constructed an experimental wastewater circulation device consisting of three units. The primary unit contained modified attapulgite (Al@TCAP-N), volcanic stone, and activated carbon for precipitation. The secondary and tertiary units used biological methods to enhance removal rates of nitrogen and phosphorus. Water quality indicators of total phosphorus (TP), total nitrogen (TN), ammonia (NH3-N), permanganate (CODMn), and total suspended solids (TSS) were detected. Water quality was tested under different matching ratios for three units of different hydraulic retention time (HRT) and load Results showed that the removal rate of TP, TN, NH3-N, and TSS reached 20–60%, 20%, 30–70%, and 10–80%, respectively. The average reduction efficiencies of secondary module chlorella and filler on TP, TN, NH3-N, CODMn, and TSS were 56.88%, 30.09%, 0.43%, 46.15%, and 53.70%, respectively. The best removal rate can be achieved when the matching ratio of each unit becomes 2:1:1 and the hydraulic retention time is maintained within 2 h in the high-concentration load. Finally, the average removal rates of TP, TN, NH3-N, and TSS reached 58.87%, 15.96%, 33.99%, and 28.89%, respectively. The second unit obtained the enhanced removal effect in this wastewater treatment system when adding microorganisms and activated sludge.
1. Introduction
With the rapid development of the aquaculture industry in China, the intensive and large-scale cultivation model brings about a high amount of wastewater, specifically reaching 40 billion tons per year [], enriched with nitrogen, phosphorus, and organic matter [] from feed residues, as well as even fish excreta or residual bodies []. In 2020, the area of freshwater aquaculture ponds exceeded 50.4 thousand ha, with a total output of 32.4 million tonnes []. According to calculations, the emitted permanganate (CODMn), total nitrogen (TN), ammonia (NH3-N), and total phosphorus (TP) from aquaculture was 666, 99.1, 22.3, and 16.1 thousand tons, respectively, accounting for only 3.11%, 3.26%, 2.31%, and 5.10% of total national agricultural emissions, respectively []. The discharge of a large amount of aquaculture wastewater has led to the aggravation of water resource pollution and the decline of water quality, which has been a worldwide problem especially in developing countries. About 25% of feed nitrogen is converted to fish biomass [], and unused feed exists as a pollutant in water bodies. The recirculating aquaculture system (RAS) is an intensive aquaculture facility model []. Some currently emerging mainstream treatment methods include physical precipitation, filtration and adsorption, microbial remediation, phytoremediation, etc. Our previous experiments constructed an experimental wastewater circulation device consisting of three units, and they confirmed that modified attapulgite (Al@TCAP-N) [,], volcanic stone, and activated carbon (mix ratio of 1:1:1) had good water treatment effect in the primary unit []. The question is whether the combined biological (botanical and microbial) method enhanced the removal rate of nitrogen and phosphorus in the secondary and tertiary units.
Al@TCAP can effectively reduce ammonia nitrogen (NH3-N) and total phosphorous (TP) in water []. Phytoremediation and bioremediation are eco-friendly methods of wastewater treatment to reduce anthropogenic water contamination. Water hyacinth Eichhornia crassipes roots provide a large underwater surface area to promote the absorption of various nutrients and various nitrification-associated reactions. Many conventional wastewater treatment plants use an activated sludge process containing mixed living microorganisms, either to alert pathogenic prevention or to enhance the removal rate via aquatic plants, immobilized biofilm, microorganisms, or the combined method of all three. Through this calculation, with combined ammonia removal efficiencies of several nitrifying bacteria, the removal rate of NH3-N reached 71% []. The biological purification method uses microorganisms to convert dissolved organic matter into harmless substances, and commercial micro-ecological products include effective microorganisms (EM), Bacillus, Streptococcus, Lactobacillus, and photosynthetic bacteria [].
In the Jiangsu province of China, the wastewater treatment system named “two dams and three districts” and constructed for water purification, wastewater went through the procedure as “river channel/drainage ecological ditch-primary settlement area I-overflow dam-nitrification/denitrification area II-subsurfaceflow dam-aeration and reoxygenation area III” to enhance removal of suspended solids, nitrogen, and phosphorus. Total nitrogen and phosphorus can be reduced by submerged macrophytes [,] and emergent aquatic plants (TN/TP over 80%) [], root-associated bacteria [], aerobic granules (70% attributed to precipitation within the granules) [], and autoclaved aerated concrete particles []. Brachiaria-based constructed wetland (total nitrogen 75.6–84.6% and phosphate 55.2–85.6%) [] integrated anammox, endogenous partial-denitrification, and denitrifying dephosphatation in a sequencing batch reactor with granular sludge (nitrogen and phosphorus removal of 93.9% and 94.2%, Anammox pathways contributed 82.9% of overall nitrogen removal, 8.4% of anammox bacteria, and 1.5% glycogen-accumulating with 1.1% co-existing phosphorus-accumulating organisms [] could enhance removal efficiency, especially in the sediment [,]. The main purpose of this study is to obtain relatively good operating parameters of the wastewater circulation device. The method of “primary precipitation-secondary remediation-third strengthening unit” was used to study the mechanism of the combined treating method, and simultaneously, the enhanced [] removal effect of wastewater treatment system was evaluated.
2. Materials and Methods
2.1. Experimental Design and Sampling
The wastewater used in the experiment came from the ponds of FFRC-CAFS. The nitrogen removal modified attapulgite (Al@TCAP-N) used in the experiment was provided by the Nanjing Institute of Geography and Limnology, CAS. Volcanic stone was purchased from Guangzhou Huadi Aquarium Supplies Co. Ltd (Guangzhou, China). Activated carbon (Φ 0.3 cm, 1.5 cm long) was provided by Sinopharm Shanghai Chemical Reagent Co.Ltd (Shanghai, China). Activated sludge was provided by Hynix Semiconductor (Wuxi) Co.Ltd (Wuxi, China). EM bacteria (Bacillus: Lactobacillus = 6:4), chlorella (Chlorella pyrenoidosa), biological economical microbial formulation package (mainly lactic acid bacteria, yeast and nitrifying bacteria, ratio as 6:2:1), duckweed (Lemna minor), and water hyacinth (Eichhornia crassipes) were obtained from our laboratory. The experiment was carried out from September to October 2020 in a self-designed wastewater circulation device for aquaculture in the unit (Wuxi, Jiangsu Province, 31°30′ N, 120°14′ E).
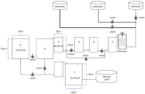
The device was divided into three units. The first unit (A) contained four rectangular plastic cylinders (40 cm × 40 cm × 25 cm). Activated carbon, volcanic stone, and Al@TCAP-N (ratio = 1:1:1) were wrapped in a net bag and placed at the bottom of the device. The second (B) and third (C) units were two cylinders (70 cm × 70 cm × 50 cm) and one (70 cm × 70 cm × 50 cm) square plastic cylinder, respectively, which were mainly used for strengthening treatment. The device combined the three modules through plastic pipes and adjusted the relevant parameters by controlling switches for the different designed experiments (Figure 1). Water samples were collected at 0.5 m below the water level with a 500 mL plastic bottle and were stored in the refrigerator for 3 repetitions.

Figure 1.
The self-designed wastewater circulation device.
2.2. Water Quality Detection and Optimization
Water quality indexes were determined according to the national standards of the People’s Republic of China, GB11894-89 (potassium persulfate oxidation-ultraviolet spectrophotometry method), GB11893-89 (ammonium molybdate spectrophotometry method), and GB11892-89 (acid potassium permanganate method) for TN, TP, and CODMn, respectively, while NH3-N and TSS were determined by neutral reagent photometric method and gravimetric methods.
Tilapia aquaculture wastewater was added into the secondary unit, and we added different types of purification material into it. The control and six experimental groups were set up, which were named as plant group a (duckweed and water hyacinth TN, TP, CODMn, NH3-N, and TSS), group b (drug package), group c (packing), group d (activated sludge), group e (EM bacteria) and group f (chlorella). The detection indexes contained TN, TP, CODMn, NH3-N, and TSS. In order to determine the better effect, plants (water hyacinth), microorganisms, activated sludge, chlorella, a biological drug package, and fillers were selected and used as the materials. To find the most appropriate material-matching scheme, and screening from the above experiments, several effective purification materials were combined and matched. After data analysis, the fillers and chlorella were used as fixed additives. Then, the collocation experiment was carried out in the second unit under the same conditions of the first and third units. Three groups were set up to study the effect of their combined wastewater treatment, with group X shortening for EM bacteria and activated sludge, group Y shortening for EM bacteria and plants, and group Z shortening for plants and activated sludge.
2.3. Influencing Factors with Different Loads, Hydraulic Residence Times (HRTs) and Ratios
Different wastewater treatment methods were simulated for the whole experimental device, and the second and third units were run separately as controls to obtain the most reasonable wastewater treatment scheme. The effects of different concentration loads, hydraulic retention times (1, 2, and 3 h), and different unit ratios (1:1:1, 2:1:1, and 2:2:1) on the treatment effect of aquaculture wastewater were studied. With respect to the load tests with different concentrations, the hydraulic residence time (2 h), and ratio (2:1:1) were kept unchanged. Water was taken as the initial background value at the beginning of the experiment, which was divided into three groups: group G with high concentration load, group H with medium concentration load, and group I with low concentration load. With respect to the different hydraulic residence time tests, the high concentration load and ratio 2:1:1 were kept unchanged. The experiment was divided into three groups: group J, 1 h after operation; group K, 2 h after operation; and group L, 3 h after operation. With respect to the different unit ratio test, hydraulic residence time (2 h) and high concentration load were kept unchanged. The experiment was divided into three groups: group M 1:1:1 after operation, group N 2:1:1 after operation, and group O 2:2:1 after operation.
2.4. Data Analysis
For all parameters, data were compared using a one-way analysis of variance at the end of each bioassay. A mean comparison was performed using Fisher’s least significant difference test and the Duncan multiple range test with a significance level of p < 0.05. The data were calculated using SPSS 25.0 software, and the relevant graphs were drawn in Origin 9.4. The removal rate of detected water quality indicators was calculated through the removal rate of each indicator to draw the relevant chart. The removal rate of each water quality index was calculated using the following equation: % Removal rate = (C0−Ch)/C0 × 100, C0 = pre-treatment water quality indicators, and Ch = treatment of water quality indicators.
3. Results
3.1. Screening, Collocation, and Optimization of Secondary Unit Purification Materials
Other materials, with the exception of the biological drug package, had good removal effects on various indicators of water quality, and the treatment effect of chlorella and packing was good and stable (Figure 2a). Finally, chlorella and fillers have been used as fixed treatment materials. The one-way removal effect of plants and sludge was good (Figure 2b), and the combination and matching experiment of plants, activated sludge and EM bacteria was conducted, and results showed that the combination of plants and sludge had a relatively good treatment effect on various water quality indicators in wastewater (Figure 2b).

Figure 2.
Removal rate for each water quality index in different treatments. (a) Six purification materials, (b) the single treatment of three purification materials, and (c) the three combined materials.
3.2. Influencing Factors of Different Loads, Hydraulic Residence Times, and Ratios
With a high concentration load, the removal rate of TP, TN, and NH3-N in the wastewater reached 60%, 20%, and 30%, respectively. Suspended matter could also be removed well, but the CODMn treatment effect was unsatisfactory (Figure 3). With medium concentration, the effects of all water quality indexes decreased, with TP, TN, NH3-N at about 10%, 20%, and 10%, respectively. Suspended solids also had some removal effect, but the removal rate of CODMn reached 30%. With low concentration, the removal rates of TP, TN, and NH3-N reached 20%, 15–50%, and 15–40%, respectively, but the removal rates of CODMn and suspended matter decreased.

Figure 3.
Removal rate of wastewater from three pollution concentration loads in the treatment unit. (a) TP, (b) NH3-N, (c) TN, (d) TSS, (e) CODMn.
After hydraulic retention for 1 h, the removal rates of TP, TN, NH3-N, and TSS in wastewater by this system reached 30%, 20%, 25%, and 40–80%, respectively (Figure 4). The removal rate of TP, TN, NH3-N, and TSS in wastewater by this system reached 50%, 20%, 30%, and 60–80% in 2 h hydraulic retention time. When hydraulic retention time reached 3 h, the removal rates of TP, TN, NH3-N, and TSS in wastewater reached 20–50%, 25%, 25–40%, and 40–60%. In summary, it could be found that the removal rate of CODMn at each stage had a certain effect, and with the increase in hydraulic retention time, the removal rates of various water quality indicators in wastewater of this system showed an increasing trend, enhancing the treatment effects of purification materials on wastewater to a certain extent. However, too long of a hydraulic retention time (3 h) had a poor effect on the removal ration of CODMn.

Figure 4.
Removal rate of aquaculture wastewater by wastewater treatment device under residence time of different water bodies. (a) TP, (b) NH3-N, (c) TN, (d) TSS, (e) CODMn.
Wastewater treatment effects under different unit ratios were analyzed. When the ratio of each unit at all levels was 1:1:1, removal rates of TP, TN, NH3-N, and TSS reached 20–50%, 20%, 25–40%, and 40–60%, respectively (Figure 5). When the ratio was 2:1:1, removal rates of TP, TN, NH3-N, and TSS reached 20–60%, 20%, 30–70%, and 10–80%. When the ratio was 2:2:1, the removal rates of TP, TN, NH3-N, and TSS reached 30–50%, 25%, 30–40%, and 10–60%, respectively. The CODMn of each unit changed with each ratio, and when the ratio was 2:1:1, comprehensive removal rates of various indicators of wastewater of each unit were better.

Figure 5.
Removal rate of aquaculture wastewater from wastewater treatment device under three kinds of units. (a) TP, (b) NH3-N, (c) TN, (d) TSS, (e) CODMn.
4. Discussion
In our early experiments, the first unit of the circulating device and its materials were studied in detail []. Here, we mainly discuss the specific effects of the second unit of the circulating device and its materials selection. A variety of purification materials, such as microalgae [], aquatic plants, and activated sludge are selected. Chlorella has a good effect of reducing pollutants in wastewater and is very effective in removing nitrogen and phosphorus in wastewater [,] by using those as essential nutrients for growth [] up to 50% []. These waste substances can be developed to become important food sources for algae with high economic significance [,]. The removal efficiency of using Chlorella vulgaris for NH3-N, NO3−-N, and PO43−-P reached as high as 95%, 53%, and 89%, whereas the maximum removal rates were 3.41 mg/L·day, 0.20 mg/L·day and 0.8 mg/L·day, respectively [].
Activated sludge-containing microorganisms and aquatic plants can have a good symbiotic relationship with one another through adaptive survival []. The effect of mixed use is much better than that of single use of one of them as a purification material []. Plant roots usually secrete organic carbon, and microorganisms can use organic carbon as carbon source [], while symbiotic bacteria-based using two aquatic plants gain good removal efficiency []. Based on this observation, we added plants and sludge to strengthen the treatment effect of this second unit. Ammonia nitrogen in water is mainly removed by microbial nitrification, and dissolved oxygen (DO) provided by plant roots is the key to the nitrification process. Plants provide attachment and expand surface area for microorganisms underwater and absorb various nutrients TP and TN or NH3-N in water. Purification was effective for total nitrogen (82–83%, the main factor DO), ammonium nitrogen (77–79%), total phosphorus, and phosphates (83–84%, the key process sediment adsorption), while NO2-N and N-NO3 removal efficiency was very low [,]. Ammonium (NH3-N) is one of the main sources of inorganic nitrogen absorbed by higher plant roots [], followed by a good effect on the removal of phosphate in wastewater. Duckweed as a purification material plays a very important role in both low and high nutrient levels, especially in the process of nitrogen absorption []. In addition, for phytoremediation, it is worth noting that management of ponds should be strengthened, and that dead plants should be fished out in time to prevent absorbed nutrients such as nitrogen and phosphorus from being released into the water []. When Chlorella and fillers were stable, the combination of plants and sludge enhanced the pollutant removal effect and achieved good experimental results. After growing in monocultures for 46 days, Ipomoea aquatica (90.6% and 8.8%) and Salvinia natans (67.3% and 14.2%) obtained the highest TP removal efficiency in lightly and highly polluted wastewater, respectively. The combination of S. natans and Eleocharis plantagineiformis effectively removed TP and TN from lightly polluted water, suggesting that this combination is suitable for phytoremediation of eutrophic wastewater [].
HRT is one of the key factors in the formation of a microbial community []. Under different HTR, the treatment effect of aquaculture wastewater will have different results []. Similarly, there will be some differences in the treatment effect of wastewater at different concentrations and modules. The experimental results show that wastewater circulation device has a good treatment effect on the three wastewater concentration gradients, and that the removal rate effect of high concentration wastewater is higher than those of the low concentration group and the medium concentration group. By comparing the removal rate of wastewater under the three module ratios, the results show that module ratio-M and module ratio-O will slightly strengthen the removal rate of TN, NH3-N, and TSS as compared with module ratio-N, but that module ratio-N will greatly increase the removal rate of TP. Finally, when comparing the treatment effects of different HRT, the results show that HRT has better removal effects than 1 h and 3 h periods. The experiment simulates and analyzes the discharge of aquaculture wastewater in the actual aquaculture process, integrates the better treatment methods in actual production, and improves wastewater treatment efficiency in actual production to a certain extent. The materials used in the first-level module are inexpensive and could be reused through simple cleaning in these wastewater purification modes, while the secondary module is green and environmentally friendly but occupies a larger pond area and is applied for effective management. It is good to see that the tertiary module can be removed when concerning operation and management costs, only based on our current limited data. The effective removal rate of constructed wetland (revealed by the higher values and to be practical in the filed culture) needs to be further studied [].
The improvement of pollutant removal in wastewater mainly depends on the biological mechanisms of plants and microorganisms. Phytoremediation is generally regarded as an alternative method responsible for ecology and replacing physical methods can be harmful to the environment, so it has become an ideal wastewater remediation method due to its low cost, environmental friendliness, and security []. Some biological processes other than plant absorption [] are also primary methods of pollutant removal. Aerobic granules reduce infrastructure and operation costs (25%), energy requirements (30%), and space requirements (75%) of wastewater treatment []. Better nutrient removal with optimal costs are an A2O process [], anaerobic/oxic/anoxic (AOA) strategy (total inorganic nitrogen 90.4%, higher activity of ammonia oxidation bacteria, Nitrosomonas and Ca. Brocadia) [], laboratory-scale synchronous combined with anammox process, sequencing-batch reactors, the contributions of simultaneous partial nitrification denitrification, denitrification, and anammox to ammonia removal were 15.0%, 45.0%, and 40.0%, respectively, a short sludge retention time (SRT 12 d) could achieve synergy between ammonia-oxidizing bacteria and phosphorus-accumulating organisms []. Anaerobic–aerobic–anoxic sequencing batch reactor system (6 h, average removal efficiencies for COD, TN, and TP of 96.81%, 96.32%, and 94.33%, respectively) [], Brachiaria-based constructed wetland [], algal-bacterial symbiosis system (total nitrogen 65.8% and phosphorus 89.3%, the chlorophyll-a increased to 3.59 mg/g at stable stage, was 4.07 times higher than that in suspension) [].
Biochar modification (using straw and modified by nanostructured material) has amplified the issue in the recent years. Wheat straw (≥5 g straw kg−1) amendment to sandy soil has the potential to remove nutrients from wastewater and gain removal efficiency []. A total of 0–1.2 g/L Fe3O4@SiO2 nanoparticles promote the removal performance of TN, TP, The relative abundance of Alphaproteobacteria, Betaproteobacteria, and Gammaproteobacteria increased to 27.05%, 7.21%, and 14.77%, respectively, by more than two times, while at the genus level, 0.3 g/L Fe3O4@SiO2 NPs enriched norank_f_Nitrosomonadaceae, norank_f_Xanthomonadaceae, Amaricoccus, and Shinella. The gene copy number of ammonium-oxidizing, nitrite-oxidizing, and denitrifying bacteria population remarkably increased, whereas the number of phosphorus-accumulating organisms slightly increased. Nitrogen removal primarily occurred through a biological mechanism, while most phosphorus in wastewater may be removed by the combination of physicochemical and biological methods []. The reuse and recovery test showed that removal efficiencies of fresh alum by acidification for TSS, COD, TP, TN were 85%, 65%, 80%, and 33%, respectively. Struvite precipitation effectively removed increased phosphorus solubilized by acidification [].
5. Conclusions
The results showed that average reduction efficiencies of secondary module chlorella and fillers on TP, TN, NH3-N, CODMn, and TSS were 56.88%, 30.09%, 0.43%, 46.15%, and 53.70%, respectively. On the basis of fixing chlorella and filler reduction nutrient salts, the combination of plant and activated sludge treatment has a good effect on the removal of wastewater water-quality indicators. The optimal operating mode of the device is obtained under high concentration load (TP 5.5 mg/L, TN 15.7 mg/L), the ratio of each module is 2:1:1, and the removal rate is best when the hydraulic residence time is within 2 h. Finally, the average removal rate of TP, TN, NH3-N, and TSS can reach 58.87%, 15.96%, 33.99%, and 28.89%, respectively. The second unit obtained an enhanced removal effect when adding microorganisms and activated sludge, while the third unit could be adjusted according to cost and labor management.
Author Contributions
T.Y., Y.Z., G.X. and J.Y. conceived and designed the experiments; T.Y. and Y.Z. analyzed the data; T.L., X.W., J.G., Z.N., L.S. and J.Y. contributed reagents/materials/analysis tools; Y.Z. contributed to figures preparation; Y.Z. and T.Y. prepared and wrote the manuscript. All authors have read and agreed to the published version of the manuscript.
Funding
The work was supported by the open project of Agriculture Ministry Key Laboratory of Healthy Freshwater Aquaculture (ZJK202102), Central Public-interest Scientific Institution Basal Research Fund, Freshwater Fisheries Research Center CAFS (NO. 2021JBFM19), and the China Agriculture Research System of MOF and MARA (No. CARS-46).
Institutional Review Board Statement
Not applicable.
Informed Consent Statement
Not applicable.
Data Availability Statement
Not applicable.
Conflicts of Interest
The authors declare that there are no conflict of interest.
References
- Bian, Z.; Cao, F.; Zhu, J.; Li, H. Plant uptake-assisted round-the-clock photocatalysis for complete purification of aquaculture wastewater using sunlight. Environ. Sci. Technol. 2015, 49, 2418–2424. [Google Scholar] [CrossRef] [PubMed]
- Bhuyar, P.; Farez, F.; Pragas Maniam, G.; Govindan, N. Removal of nitrogen and phosphorus from agro-industrial wastewater by using microalgae collected from coastal region of peninsular Malaysia. Afr. J. Biomed. Res. 2021, 3, 58–66. [Google Scholar] [CrossRef]
- Fei, X.; Sun, S.; He, S.; Huang, J.; Zhou, W. Application of a novel two-stage biofiltration system for simulated brackish aquaculture wastewater treatment. Environ. Sci. Pollut. Res. 2022, 27, 636–646. [Google Scholar] [CrossRef] [PubMed]
- Fisheries and Fisheries Administration Bureau. Ministry of Agriculture and Rural Affairs. 2021 China Fishery Statistics Yearbook; China Agriculture Press: Beijing, China, 2021; pp. 1–30. [Google Scholar]
- Ministry of Environmental Protection, Bureau of Statistics, Ministry of Agriculture. Communiqué of the Second National Survey of Pollution Sources; Ministry of Environmental Protection of the People’s Republic of China: Beijing, China, 2020; Volume 48, pp. 8–10. [Google Scholar]
- Deng, M.; Zhao, X.; Senbati, Y.; Song, K.; He, X. Nitrogen removal by heterotrophic nitrifying and aerobic denitrifying bacterium Pseudomonas sp. DM02: Removal performance, mechanism and immobilized application for real aquaculture wastewater treatment. Bioresour. Technol. 2021, 322, 124555. [Google Scholar] [CrossRef] [PubMed]
- Xiao, R.; Wei, Y.; An, D.; Li, D.; Ta, X.; Wu, Y.; Ren, Q. A review on the research status and development trend of equipment in water treatment processes of recirculating aquaculture systems. Rev. Aquac. 2019, 11, 863–895. [Google Scholar] [CrossRef]
- Yin, H.; Yan, X.; Gu, X. Evaluation of thermally-modified calcium-rich attapulgite as a low-cost substrate for rapid phosphorus removal in constructed wetlands. Water Res. 2017, 115, 329–338. [Google Scholar] [CrossRef]
- Yin, H.; Yang, P.; Kong, M.; Li, W. Preparation of the lanthanum-aluminum-amended attapulgite composite as a novel inactivation material to immobilize phosphorus in lake sediment. Environ. Sci. Technol. 2020, 54, 11602–11610. [Google Scholar] [CrossRef]
- Wang, Y.Q.; Zheng, Y.; Qian, X.Y.; Yang, X.X.; Chen, J.Z.; Wu, W. Selection of the purification material and its operating parameters for primary precipitation units. J. Agro Environ. Sci. 2020, 39, 2621–2630. [Google Scholar] [CrossRef]
- Sangnoi, Y.; Chankaew, S.; O-Thong, S. Indigenous Halomonas spp., the potential nitrifying bacteria for saline ammonium waste water treatment. Pak. J. Biol. Sci. 2017, 20, 52–58. [Google Scholar] [CrossRef] [Green Version]
- Kuebutornye, F.K.; Abarike, E.D.; Lu, Y. A review on the application of Bacillus as probiotics in aquaculture. Fish Shellfish Immunol. 2019, 87, 820–828. [Google Scholar] [CrossRef]
- Li, Y.; Wang, L.; Chao, C.; Yu, H.; Yu, D.; Liu, C. Submerged macrophytes successfully restored a subtropical aquacultural lake by controlling its internal phosphorus loading. Environ. Pollut. 2021, 268, 115949. [Google Scholar] [CrossRef] [PubMed]
- Yan, Z.; Wang, Q.; Li, Y.; Wu, L.; Wang, J.; Xing, B.; Yu, D.; Wang, L.; Liu, C. Combined effects of warming and nutrient enrichment on water properties, growth, reproductive strategies and nutrient stoichiometry of Potamogeton crispus. Environ. Exp. Bot. 2021, 190, 104572. [Google Scholar] [CrossRef]
- Xu, J.; Liu, J.; Hu, J.; Wang, H.; Sheng, L.; Dong, X.; Jiang, X. Nitrogen and phosphorus removal in simulated wastewater by two aquatic plants. Environ. Sci. Pollut. Res. 2021, 28, 63237–63249. [Google Scholar] [CrossRef] [PubMed]
- Tenzin, J.; Hirunpunth, R.; Satjarak, A.; Peerakietkhajorn, S. Bacteria associated with Echinodorus cordifolius and Lepironia articulata enhance nitrogen and phosphorus removal from wastewater. Bull. Environ. Contam. Toxicol. 2021, 106, 377–384. [Google Scholar] [CrossRef]
- Sarma, S.J.; Tay, J.H. Carbon, nitrogen and phosphorus removal mechanisms of aerobic granules. Crit. Rev. Biotechnol. 2018, 38, 1077–1088. [Google Scholar] [CrossRef]
- Bao, T.; Yu, Z.M.; Damtie, M.M.; Wu, K.; Jin, J.; Zhang, Y.; Wei, X.L.; Frost, R.L. Use of autoclaved aerated concrete particles for simultaneous removal of nitrogen and phosphorus as filter media from domestic wastewater. Environ. Technol. 2019, 41, 3032–3042. [Google Scholar] [CrossRef]
- Nandakumar, S.; Pipil, H.; Ray, S.; Haritash, A.K. Removal of phosphorous and nitrogen from wastewater in Brachiaria-based constructed wetland. Chemosphere 2019, 233, 216–222. [Google Scholar] [CrossRef]
- Ji, J.; Peng, Y.; Wang, B.; Li, X.; Zhang, Q. A novel SNPR process for advanced nitrogen and phosphorus removal from mainstream wastewater based on anammox, endogenous partial-denitrification and denitrifying dephosphatation. Water Res. 2020, 170, 115363. [Google Scholar] [CrossRef]
- Li, Y.; Wang, L.; Yan, Z.; Chao, C.; Yu, H.; Yu, D.; Liu, C. Effectiveness of dredging on internal phosphorus loading in a typical aquacultural lake. Sci. Total Environ. 2020, 744, 140883. [Google Scholar] [CrossRef]
- Chao, C.; Wang, L.; Li, Y.; Yan, Z.; Liu, H.; Yu, D.; Liu, C. Response of sediment and water microbial communities to submerged vegetations restoration in a shallow eutrophic lake. Sci. Total Environ. 2021, 801, 149701. [Google Scholar] [CrossRef]
- Shen, S.; Li, X.; Cheng, F.; Zha, X.; Lu, X. Recent developments of substrates for nitrogen and phosphorus removal in CWs treating municipal wastewater. Environ. Sci. Pollut. Res. 2020, 27, 29837–29855. [Google Scholar] [CrossRef] [PubMed]
- Han, W.; Mao, Y.; Wei, Y.; Shang, P.; Zhou, X. Bioremediation of aquaculture wastewater with algal-bacterial biofilm combined with the production of selenium rich biofertilizer. Water 2020, 12, 2071. [Google Scholar] [CrossRef]
- Hawrot-Paw, M.; Koniuszy, A.; Gałczyńska, M.; Zając, G.; Szyszlak-Bargłowicz, J. Production of microalgal biomass using aquaculture wastewater as growth medium. Water 2019, 12, 106. [Google Scholar] [CrossRef] [Green Version]
- Andreotti, V.; Solimeno, A.; Rossi, S.; Ficara, E.; Marazzi, F.; Mezzanotte, V.; García, J. Bioremediation of aquaculture wastewater with the microalgae Tetraselmis suecica: Semi-continuous experiments, simulation and photo-respirometric tests. Sci. Total Environ. 2020, 738, 139859. [Google Scholar] [CrossRef] [PubMed]
- Srimongkol, P.; Thongchul, N.; Phunpruch, S.; Karnchanatat, A. Ability of marine cyanobacterium Synechococcus sp. VDW to remove ammonium from brackish aquaculture wastewater. Agric. Water Manag. 2019, 212, 155–161. [Google Scholar] [CrossRef]
- Marinho-Soriano, E.; Nunes, S.O.; Carneiro, M.A.A.; Pereira, D.C. Nutrients’ removal from aquaculture wastewater using the macroalgae Gracilaria birdiae. Biomass Bioenerg. 2009, 33, 327–331. [Google Scholar] [CrossRef]
- Saengsawang, B.; Bhuyar, P.; Manmai, N.; Ponnusamy, V.K.; Ramaraj, R.; Unpaprom, Y. The optimization of oil extraction from macroalgae, Rhizoclonium sp. by chemical methods for efficient conversion into biodiesel. Fuel 2020, 274, 117841. [Google Scholar] [CrossRef]
- Bhuyar, P.; Trejo, M.; Dussadee, N.; Unpaprom, Y.; Ramaraj, R.; Whangchai, K. Microalgae cultivation in wastewater effluent from tilapia culture pond for enhanced bioethanol production. Water Sci. Technol. 2021, 84, 2686–2694. [Google Scholar] [CrossRef]
- Praveen, P.; Loh, K.C. Nitrogen and phosphorus removal from tertiary wastewater in an osmotic membrane photobioreactor. Bioresour. Technol. 2016, 206, 180–187. [Google Scholar] [CrossRef]
- Cheng, H.Y.; Long, J.X.; Liu, Z. Aquaculture wastewater treatment with immobilized microorganisms-aquatic plants strengthened purification system. IOP Conf. Ser. Environ. Earth Sci. IOP Publ. 2018, 192, 012061. [Google Scholar] [CrossRef]
- Shao, Y.; Zhong, H.; Wang, L.; Elbashier, M. Purification effect of the aquaculture wastewater and sediment by microbial nanospheres with different material ratios and dosing methods. Sustainability 2020, 12, 1462. [Google Scholar] [CrossRef] [Green Version]
- Zhao, Z.; Zhang, X.; Wang, Z.; Song, X.; Cheng, M.; Cheng, M.; Zhang, Y. Enhancing the pollutant removal performance and biological mechanisms by adding ferrous ions into aquaculture wastewater in constructed wetland. Bioresour. Technol. 2019, 293, 122003. [Google Scholar] [CrossRef]
- Bawiec, A. Efficiency of nitrogen and phosphorus compounds removal in hydroponic wastewater treatment plant. Environ. Technol. 2019, 40, 2062–2072. [Google Scholar] [CrossRef] [PubMed]
- Wang, L.S.; Li, X.; Li, Y.Y.; Zhang, M.Y.; Wu, J.S. Nitrogen and phosphorus removal in surface flow constructed wetland planted with Myriophyllum elatinoides treating swine wastewater in subtropical central china. Environ. Sci. 2021, 42, 1433–1442. [Google Scholar] [CrossRef]
- Mohd Nizam, N.U.; Mohd Hanafiah, M.; Mohd Noor, I.; Abd Karim, H.I. Efficiency of five selected aquatic plants in phytoremediation of aquaculture wastewater. Appl. Surf. Sci. 2020, 10, 2712. [Google Scholar] [CrossRef] [Green Version]
- Shen, M.; Yin, Z.; Xia, D.; Zhao, Q.; Kang, Y. Combination of heterotrophic nitrifying bacterium and duckweed (Lemna gibba L.) enhances ammonium nitrogen removal efficiency in aquaculture water via mutual growth promotion. J. Gen. Appl. Microbiol. 2019, 65, 151–160. [Google Scholar] [CrossRef] [Green Version]
- Sun, J.; Li, N.; Yang, P.; Zhang, Y.; Yuan, Y.; Lu, X.; Zhang, H. Simultaneous antibiotic degradation, nitrogen removal and power generation in a microalgae-bacteria powered biofuel cell designed for aquaculture wastewater treatment and energy recovery. Int. J. Hydrogen Energy 2020, 45, 10871–10881. [Google Scholar] [CrossRef]
- Su, F.; Li, Z.; Li, Y.; Xu, L.; Li, Y.; Li, S.; Chen, H.; Zhuang, P.; Wang, F. Removal of total nitrogen and phosphorus using single or combinations of aquatic plants. Int. J. Environ. Res. Public Health 2019, 16, 4663. [Google Scholar] [CrossRef] [Green Version]
- Deng, Y.L.; Ruan, Y.J.; Zhu, S.M.; Guo, X.S.; Han, Z.Y.; Ye, Z.Y.; Liu, G.; Shi, M.M. The impact of DO and salinity on microbial community in poly (butylene succinate) denitrification reactors for recirculating aquaculture system wastewater treatment. AMB Express 2017, 7, 1–11. [Google Scholar] [CrossRef] [Green Version]
- Gao, Y.; Guo, L.; Shao, M.; Hu, F.; Wang, G.; Zhao, Y.; Gao, M.; Jin, C.; She, Z. Heterotrophic denitrification strategy for marine recirculating aquaculture wastewater treatment using mariculture solid wastes fermentation liquid as carbon source: Optimization of COD/NO3−-N ratio and hydraulic retention time. Bioresour. Technol. 2020, 304, 122982. [Google Scholar] [CrossRef]
- Nicholaus, R.; Lukwambe, B.; Zhao, L.; Yang, W.; Zhu, J.; Zheng, Z. Bioturbation of blood clam Tegillarca granosa on benthic nutrient fluxes and microbial community in an aquaculture wastewater treatment system. Int. Biodeter. Biodegr. 2019, 142, 73–82. [Google Scholar] [CrossRef]
- Han, P.; Lu, Q.; Fan, L.; Zhou, W. A review on the use of microalgae for sustainable aquaculture. Appl. Surf. Sci. 2019, 9, 2377. [Google Scholar] [CrossRef] [Green Version]
- Sheik, A.G.; Seepana, M.M.; Ambati, S.R. Supervisory control configurations design for nitrogen and phosphorus removal in wastewater treatment plants. Water Environ. Res. 2021, 93, 1289–1302. [Google Scholar] [CrossRef]
- Deng, L.; Peng, Y.; Li, J.; Gao, R.; Li, W.; Du, R. Enhanced simultaneous nitrogen and phosphorus removal from low COD/TIN domestic wastewater through nitritation-denitritation coupling improved anammox process with an optimal Anaerobic/Oxic/Anoxic strategy. Bioresour. Technol. 2021, 322, 124526. [Google Scholar] [CrossRef] [PubMed]
- Yuan, C.; Wang, B.; Peng, Y.; Li, X.; Zhang, Q. Simultaneous enhanced biological phosphorus removal and semi-nitritation (EBPR-SN) followed by anammox process treating municipal wastewater at seasonal temperatures: From summer to winter. Sci. Total Environ. 2021, 757, 144048. [Google Scholar] [CrossRef] [PubMed]
- Liu, S.; Daigger, G.T.; Liu, B.; Zhao, W.; Liu, J. Enhanced performance of simultaneous carbon, nitrogen and phosphorus removal from municipal wastewater in an anaerobic-aerobic-anoxic sequencing batch reactor (AOA-SBR) system by alternating the cycle times. Bioresour. Technol. 2020, 301, 122750. [Google Scholar] [CrossRef] [PubMed]
- Tang, C.C.; Tian, Y.; Liang, H.; Zuo, W.; Wang, Z.W.; Zhang, J.; He, Z.W. Enhanced nitrogen and phosphorus removal from domestic wastewater via algae-assisted sequencing batch biofilm reactor. Bioresour. Technol. 2018, 250, 185–190. [Google Scholar] [CrossRef] [PubMed]
- Le, T.H.X.; Mosley, L.; Marschner, P. Nitrogen and phosphorus removal from wastewater by sand with wheat straw. Environ. Sci. Pollut. Res. 2019, 26, 11212–11223. [Google Scholar] [CrossRef]
- Xin, X.; Yang, H.; Guan, L.; Liu, S.; Liu, J. Responses of nitrogen and phosphorus removal performance and microbial community to Fe3O4@SiO2 nanoparticles in a sequencing batch reactor. Appl. Biochem. Biotechnol. 2021, 193, 544–559. [Google Scholar] [CrossRef]
- Chakraborty, T.; Gabriel, M.; Amiri, A.S.; Santoro, D.; Walton, J.; Smith, S.; Ray, M.B.; Nakhla, G. Carbon and phosphorus removal from primary municipal wastewater using recovered aluminum. Environ. Sci. Technol. 2017, 51, 12302–12309. [Google Scholar] [CrossRef]
Publisher’s Note: MDPI stays neutral with regard to jurisdictional claims in published maps and institutional affiliations. |
© 2022 by the authors. Licensee MDPI, Basel, Switzerland. This article is an open access article distributed under the terms and conditions of the Creative Commons Attribution (CC BY) license (https://creativecommons.org/licenses/by/4.0/).