Electrocoagulation as a Promising Defluoridation Technology from Water: A Review of State of the Art of Removal Mechanisms and Performance Trends
Abstract
1. Introduction
2. EC Fundamentals
2.1. Definition of Concepts
2.2. Theory and Principles of EC
2.3. Pros and Cons of EC
3. Fluoride Removal Mechanisms
4. Adsorption Kinetics
5. Factors Influencing the EC Process Efficiency in Defluoridation
5.1. Solution Characteristics
5.1.1. Initial Fluoride Concentration
5.1.2. Initial pH
5.1.3. The Presence of Co-Existing Ions
5.1.4. Electrolyte Conductivity
5.2. Operational Parameters
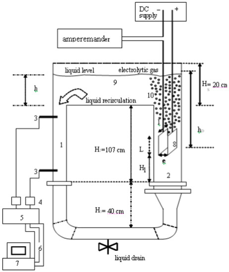
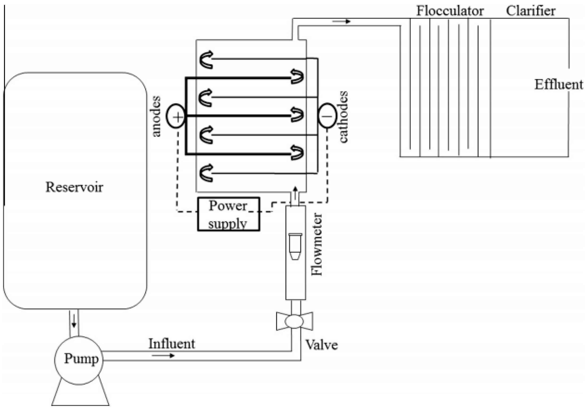
5.2.1. Reactor Configuration and Operation Time
Batch Reactor/Electrolysis Time
Continuous Reactor/Flow Rate and Retention Time
5.2.2. Electrodes
Material
Distance
Connection Type
5.2.3. Electrical Characteristics
Current Type
Voltage Value
Current Intensity
Charge Loading
Current Density
5.3. Interaction of Parameters
6. Residual Aluminium Concentration in the EC Treated Effluent
7. Techno-Economic Side of EC Process for Fluoride Removal
7.1. Energy Consumption
7.2. Operating Cost
7.3. Optimization (Costs to Defluoridation Water by EC)
8. Scaling-Up of EC Defluoridation Plants in Regions around the World
9. Integrated EC Processes for Fluoride Removal
9.1. Combined EC and Adsorption Treatment System
9.2. Combined EC and Precipitation or Chemical Coagulation Treatment System
9.3. Combined Electrocoagulation/Electro Flotation (EC/EF) Treatment Systems
10. Conclusions and Outlook
Author Contributions
Funding
Institutional Review Board Statement
Informed Consent Statement
Data Availability Statement
Acknowledgments
Conflicts of Interest
References
- Yadav, K.K.; Kumar, S.; Pham, Q.B.; Gupta, N.; Rezania, S.; Kamyab, H.; Yadav, S.; Vymazal, J.; Kumar, V.; Tri, D.Q. Fluoride contamination, health problems and remediation methods in Asian groundwater: A comprehensive review. Ecotoxicol. Environ. Saf. 2019, 182, 109362. [Google Scholar] [CrossRef]
- Rasool, A.; Farooqi, A.; Xiao, T.; Ali, W.; Noor, S.; Abiola, O.; Ali, S.; Nasim, W. A review of global outlook on fluoride contamination in groundwater with prominence on the Pakistan current situation. Environ. Geochem. Health 2018, 40, 1265–1281. [Google Scholar] [CrossRef]
- Alkurdi, S.S.; Al-Juboori, R.A.; Bundschuh, J.; Hamawand, I. Bone char as a green sorbent for removing health threatening fluoride from drinking water. Environ. Int. 2019, 127, 704–719. [Google Scholar] [CrossRef]
- Ali, S.; Thakur, S.K.; Sarkar, A.; Shekhar, S. Worldwide contamination of water by fluoride. Environ. Chem. Lett. 2016, 14, 291–315. [Google Scholar] [CrossRef]
- WHO. Guidelines for Drinking-Water Quality: Recommendations (Vol. 1); World Health Organization: Geneva, Switzerland, 2004; Available online: https://apps.who.int/iris/handle/10665/42852 (accessed on 15 February 2021).
- Petrone, P.; Guarino, F.M.; Giustino, S.; Gombos, F. Ancient and recent evidence of endemic fluorosis in the Naples area. J. Geochem. Explor. 2013, 131, 14–27. [Google Scholar] [CrossRef]
- Kagne, S.; Jagtap, S.; Dhawade, P.; Kamble, S.; Devotta, S.; Rayalu, S. Hydrated cement: A promising adsorbent for the removal of fluoride from aqueous solution. J. Hazard. Mater. 2008, 154, 88–95. [Google Scholar] [CrossRef]
- Alabdulaaly, A.I.; Al-Zarah, A.I.; Khan, M.A. Occurrence of fluoride in ground waters of Saudi Arabia. Appl. Water Sci. 2013, 3, 589–595. [Google Scholar] [CrossRef]
- Yuan, L.; Fei, W.; Jia, F.; Jun-Ping, L.; Qi, L.; Fang-Ru, N.; Xu-Dong, L.; Shu-Lian, X. Health risk in children to fluoride exposure in a typical endemic fluorosis area on Loess Plateau, north China, in the last decade. Chemosphere 2020, 243, 125451. [Google Scholar] [CrossRef] [PubMed]
- López-Guzmán, M.; Alarcón-Herrera, M.; Irigoyen-Campuzano, J.; Torres-Castañón, L.; Reynoso-Cuevas, L. Simultaneous removal of fluoride and arsenic from well water by electrocoagulation. Sci. Total Environ. 2019, 678, 181–187. [Google Scholar] [CrossRef]
- Loganathan, P.; Vigneswaran, S.; Kandasamy, J.; Naidu, R. Defluoridation of drinking water using adsorption processes. J. Hazard. Mater. 2013, 248, 1–19. [Google Scholar] [CrossRef]
- Mourabet, M.; El Rhilassi, A.; El Boujaady, H.; Bennani-Ziatni, M.; El Hamri, R.; Taitai, A. Removal of fluoride from aqueous solution by adsorption on hydroxyapatite (HAp) using response surface methodology. J. Saudi Chem. Soc. 2015, 19, 603–615. [Google Scholar] [CrossRef]
- Wang, Y.; Chen, N.; Wei, W.; Cui, J.; Wei, Z. Enhanced adsorption of fluoride from aqueous solution onto nanosized hydroxyapatite by low-molecular-weight organic acids. Desalination 2011, 276, 161–168. [Google Scholar] [CrossRef]
- Huang, H.; Liu, J.; Zhang, P.; Zhang, D.; Gao, F. Investigation on the simultaneous removal of fluoride, ammonia nitrogen and phosphate from semiconductor wastewater using chemical precipitation. Chem. Eng. J. 2017, 307, 696–706. [Google Scholar] [CrossRef]
- Wang, L.; Zhang, Y.; Sun, N.; Sun, W.; Hu, Y.; Tang, H. Precipitation Methods Using Calcium-Containing Ores for Fluoride Removal in Wastewater. Minerals 2019, 9, 511. [Google Scholar] [CrossRef]
- Akafu, T.; Chimdi, A.; Gomoro, K. Removal of Fluoride from Drinking Water by Sorption Using Diatomite Modified with Aluminum Hydroxide. J. Anal. Methods Chem. 2019, 2019. [Google Scholar] [CrossRef] [PubMed]
- Tripathy, S.S.; Bersillon, J.-L.; Gopal, K. Removal of fluoride from drinking water by adsorption onto alum-impregnated activated alumina. Sep. Purif. Technol. 2006, 50, 310–317. [Google Scholar] [CrossRef]
- Meenakshi, S.; Viswanathan, N. Identification of selective ion-exchange resin for fluoride sorption. J. Colloid Interface Sci. 2007, 308, 438–450. [Google Scholar] [CrossRef]
- Onyango, M.S.; Kojima, Y.; Aoyi, O.; Bernardo, E.C.; Matsuda, H. Adsorption equilibrium modeling and solution chemistry dependence of fluoride removal from water by trivalent-cation-exchanged zeolite F-9. J. Colloid Interface Sci. 2004, 279, 341–350. [Google Scholar] [CrossRef] [PubMed]
- Amor, Z.; Bariou, B.; Mameri, N.; Taky, M.; Nicolas, S.; Elmidaoui, A. Fluoride removal from brackish water by electrodialysis. Desalination 2001, 133, 215–223. [Google Scholar] [CrossRef]
- Arahman, N.; Mulyati, S.; Lubis, M.R.; Takagi, R.; Matsuyama, H. The removal of fluoride from water based on applied current and membrane types in electrodialyis. J. Fluor. Chem. 2016, 191, 97–102. [Google Scholar] [CrossRef]
- Sharma, P.P.; Yadav, V.; Maru, P.D.; Makwana, B.S.; Sharma, S.; Kulshrestha, V. Mitigation of fluoride from brackish water via electrodialysis: An environmentally friendly process. ChemistrySelect 2018, 3, 779–784. [Google Scholar] [CrossRef]
- Cui, H.; Qian, Y.; An, H.; Sun, C.; Zhai, J.; Li, Q. Electrochemical removal of fluoride from water by PAOA-modified carbon felt electrodes in a continuous flow reactor. Water Res. 2012, 46, 3943–3950. [Google Scholar] [CrossRef]
- Zhao, X.; Zhang, B.; Liu, H.; Qu, J. Simultaneous removal of arsenite and fluoride via an integrated electro-oxidation and electrocoagulation process. Chemosphere 2011, 83, 726–729. [Google Scholar] [CrossRef] [PubMed]
- Abdulhadi, B.; Kot, P.; Hashim, K.; Shaw, A.; Muradov, M.; Al-Khaddar, R. Continuous-flow electrocoagulation (EC) process for iron removal from water: Experimental, statistical and economic study. Sci. Total Environ. 2020, 143417. [Google Scholar] [CrossRef] [PubMed]
- Hashim, K.S.; AlKhaddar, R.; Shaw, A.; Kot, P.; Al-Jumeily, D.; Alwash, R.; Aljefery, M.H. Electrocoagulation as an eco-friendly River water treatment method. In Advances in Water Resources Engineering and Management; Springer: Singapore, 2020; pp. 219–235. [Google Scholar] [CrossRef]
- Tahreen, A.; Jami, M.S.; Ali, F. Role of electrocoagulation in wastewater treatment: A developmental review. J. Water Process Eng. 2020, 37, 101440. [Google Scholar] [CrossRef]
- Moussa, D.T.; El-Naas, M.H.; Nasser, M.; Al-Marri, M.J. A comprehensive review of electrocoagulation for water treatment: Potentials and challenges. J. Environ. Manag. 2017, 186, 24–41. [Google Scholar] [CrossRef]
- Yasri, N.; Hu, J.; Kibria, M.G.; Roberts, E.P.L. Electrocoagulation Separation Processes. In Multidisciplinary Advances in Efficient Separation Processes; American Chemical Society: Washington, DC, USA, 2020; Volume 1348, pp. 167–203. [Google Scholar] [CrossRef]
- Kabdaşlı, I.; Arslan-Alaton, I.; Ölmez-Hancı, T.; Tünay, O. Electrocoagulation applications for industrial wastewaters: A critical review. Environ. Technol. Rev. 2012, 1, 2–45. [Google Scholar] [CrossRef]
- Garcia-Segura, S.; Eiband, M.M.S.G.; de Melo, J.V.; Martínez-Huitle, C.A. Electrocoagulation and advanced electrocoagulation processes: A general review about the fundamentals, emerging applications and its association with other technologies. J. Electroanal. Chem. 2017, 801, 267–299. [Google Scholar] [CrossRef]
- Liu, H.; Zhao, X.; Qu, J. Electrocoagulation in water treatment. In Electrochemistry for the Environment; Springer: Singapore, 2010; pp. 245–262. [Google Scholar] [CrossRef]
- Mao, X.; Hong, S.; Zhu, H.; Lin, H.; Wei, L.; Gan, F. Alternating pulse current in electrocoagulation for wastewater treatment to prevent the passivation of al electrode. J. Wuhan Univ. Technol. Mater. Sci. Ed. 2008, 23, 239–241. [Google Scholar] [CrossRef]
- Karamati-Niaragh, E.; Moghaddam, M.R.A.; Emamjomeh, M.M.; Nazlabadi, E. Evaluation of direct and alternating current on nitrate removal using a continuous electrocoagulation process: Economical and environmental approaches through RSM. J. Environ. Manag. 2019, 230, 245–254. [Google Scholar] [CrossRef]
- Elsahwi, E.S.; Ruda, H.E.; Dawson, F.P. Principles and Design of an Integrated Magnetics Structure for Electrochemical Applications. IEEE Trans. Ind. Appl. 2020. [Google Scholar] [CrossRef]
- Alimohammadi, M.; Mesdaghinia, A.; Shayesteh, M.; Mansoorian, H.; Khanjani, N. The efficiency of the electrocoagulation process in reducing fluoride: Application of inductive alternating current and polarity inverter. Int. J. Environ. Sci. Technol. 2019, 16, 8239–8254. [Google Scholar] [CrossRef]
- Amarasooriya, A.; Kawakami, T. Electrolysis removal of fluoride by magnesium ion-assisted sacrificial iron electrode and the effect of coexisting ions. J. Environ. Chem. Eng. 2019, 7, 103084. [Google Scholar] [CrossRef]
- Bazrafshan, E.; Ownagh, K.A.; Mahvi, A.H. Application of electrocoagulation process using iron and aluminum electrodes for fluoride removal from aqueous environment. J. Chem. 2012, 9, 2297–2308. [Google Scholar] [CrossRef]
- Kabdasli, I.; Konuk, K.; Tunay, O. Defluoridation of drinking water by electrocoagulation with stainless steel electrodes. Fresenius Environ. Bull. 2017, 26, 345–351. [Google Scholar]
- Ün, Ü.T.; Koparal, A.S.; Öğütveren, Ü.B.; Durucan, A. Electrochemical process for the treatment of drinking water. Fresenius Environ. Bull. 2010, 19, 1906–1910. [Google Scholar]
- Behbahani, M.; Moghaddam, M.A.; Arami, M. Techno-economical evaluation of fluoride removal by electrocoagulation process: Optimization through response surface methodology. Desalination 2011, 271, 209–218. [Google Scholar] [CrossRef]
- Mena, V.; Betancor-Abreu, A.; González, S.; Delgado, S.; Souto, R.; Santana, J. Fluoride removal from natural volcanic underground water by an electrocoagulation process: Parametric and cost evaluations. J. Environ. Manag. 2019, 246, 472–483. [Google Scholar] [CrossRef]
- Rebhun, M.; Lurie, M. Control of organic matter by coagulation and floc separation. Water Sci. Technol. 1993, 27, 1–20. [Google Scholar] [CrossRef]
- Thakur, L.S.; Mondal, P. Simultaneous arsenic and fluoride removal from synthetic and real groundwater by electrocoagulation process: Parametric and cost evaluation. J. Environ. Manag. 2017, 190, 102–112. [Google Scholar] [CrossRef]
- Wang, X.; Xu, H.; Wang, D. Mechanism of fluoride removal by AlCl3 and Al13: The role of aluminum speciation. J. Hazard. Mater. 2020, 122987. [Google Scholar] [CrossRef]
- Emamjomeh, M.M.; Sivakumar, M.; Varyani, A.S. Analysis and the understanding of fluoride removal mechanisms by an electrocoagulation/flotation (ECF) process. Desalination 2011, 275, 102–106. [Google Scholar] [CrossRef]
- Grich, N.B.; Attour, A.; Mostefa, M.L.P.; Guesmi, S.; Tlili, M.; Lapicque, F. Fluoride removal from water by electrocoagulation: Effect of the type of water and the experimental parameters. Electrochim. Acta 2019, 316, 257–265. [Google Scholar] [CrossRef]
- Emamjomeh, M.M.; Sivakumar, M. Fluoride removal by a continuous flow electrocoagulation reactor. J. Environ. Manag. 2009, 90, 1204–1212. [Google Scholar] [CrossRef]
- Kim, K.-J.; Baek, K.; Ji, S.; Cheong, Y.; Yim, G.; Jang, A. Study on electrocoagulation parameters (current density, pH, and electrode distance) for removal of fluoride from groundwater. Environ. Earth Sci. 2016, 75, 45. [Google Scholar] [CrossRef]
- Zhu, J.; Zhao, H.; Ni, J. Fluoride distribution in electrocoagulation defluoridation process. Sep. Purif. Technol. 2007, 56, 184–191. [Google Scholar] [CrossRef]
- Taşbatan, M.; Tünay, O.; Kabdaşli, N.I.; Ölmez_Hanci, T. Flouride Removal By Electrocoagulation Process Using Aluminium Electrodes At Acidic pH Range. J. Selcuk Univ. Nat. Appl. Sci. 2013, 1, 769–779. [Google Scholar]
- Sinha, R.; Mathur, S.; Brighu, U. Aluminium removal from water after defluoridation with the electrocoagulation process. Environ. Technol. 2015, 36, 2724–2731. [Google Scholar] [CrossRef]
- Ya, V.; Chen, Y.-C.; Chou, Y.-H.; Choo, K.-H.; Liu, J.-C.; Ma Montero-Ocampo, C.; Villafañe, J.M. Effect of dissolved species on the fluoride electro-removal from groundwater. ECS Trans. 2010, 28, 57. [Google Scholar] [CrossRef]
- Ya, V.; Chen, Y.-C.; Chou, Y.-H.; Choo, K.-H.; Liu, J.-C.; Mameda, N.; Li, C.-W. Cryolite (Na3AlF6) crystallization for fluoride recovery using an electrolytic process equipped with a sacrificial aluminum anode. J. Hazard. Mater. 2019, 368, 90–96. [Google Scholar] [CrossRef]
- Govindan, K.; Raja, M.; Maheshwari, S.U.; Noel, M.; Oren, Y. Comparison and understanding of fluoride removal mechanism in Ca2+, Mg2+ and Al3+ ion assisted electrocoagulation process using Fe and Al electrodes. J. Environ. Chem. Eng. 2015, 3, 1784–1793. [Google Scholar] [CrossRef]
- Un, U.T.; Koparal, A.S.; Ogutveren, U.B. Fluoride removal from water and wastewater with a bach cylindrical electrode using electrocoagulation. Chem. Eng. J. 2013, 223, 110–115. [Google Scholar] [CrossRef]
- Zuo, Q.; Chen, X.; Li, W.; Chen, G. Combined electrocoagulation and electroflotation for removal of fluoride from drinking water. J. Hazard. Mater. 2008, 159, 452–457. [Google Scholar] [CrossRef]
- Das, D.; Nandi, B.K. Simultaneous removal of fluoride and Fe (II) ions from drinking water by electrocoagulation. J. Environ. Chem. Eng. 2020, 8, 103643. [Google Scholar] [CrossRef]
- Sandoval, M.A.; Fuentes, R.; Nava, J.L.; Rodríguez, I. Fluoride removal from drinking water by electrocoagulation in a continuous filter press reactor coupled to a flocculator and clarifier. Sep. Purif. Technol. 2014, 134, 163–170. [Google Scholar] [CrossRef]
- Castañeda, L.F.; Coreño, O.; Nava, J.L.; Carreño, G. Removal of fluoride and hydrated silica from underground water by electrocoagulation in a flow channel reactor. Chemosphere 2020, 244, 125417. [Google Scholar] [CrossRef] [PubMed]
- Chibania, A.; Barhoumia, A.; Nciba, S.; Bouguerraa, W.; Elalouia, E. Fluoride removal from synthetic groundwater by electrocoagulation process: Parametric and energy evaluation. Desalination Water Treat. 2019, 157, 100–109. [Google Scholar] [CrossRef]
- Ghosh, D.; Medhi, C.; Purkait, M. Techno-economic analysis for the electrocoagulation of fluoride-contaminated drinking water. Toxicol. Environ. Chem. 2011, 93, 424–437. [Google Scholar] [CrossRef]
- Guzmán, A.; Nava, J.L.; Coreño, O.; Rodríguez, I.; Gutiérrez, S. Arsenic and fluoride removal from groundwater by electrocoagulation using a continuous filter-press reactor. Chemosphere 2016, 144, 2113–2120. [Google Scholar] [CrossRef]
- Sandoval, M.A.; Fuentes, R.; Thiam, A.; Salazar, R. Arsenic and fluoride removal by electrocoagulation process: A general review. Sci. Total Environ. 2020, 142108. [Google Scholar] [CrossRef]
- Shen, F.; Chen, X.; Gao, P.; Chen, G. Electrochemical removal of fluoride ions from industrial wastewater. Chem. Eng. Sci. 2003, 58, 987–993. [Google Scholar] [CrossRef]
- Silva, J.F.; Graça, N.S.; Ribeiro, A.M.; Rodrigues, A.E. Electrocoagulation process for the removal of co-existent fluoride, arsenic and iron from contaminated drinking water. Sep. Purif. Technol. 2018, 197, 237–243. [Google Scholar] [CrossRef]
- Thakur, L.S.; Goyal, H.; Mondal, P. Simultaneous removal of arsenic and fluoride from synthetic solution through continuous electrocoagulation: Operating cost and sludge utilization. J. Environ. Chem. Eng. 2019, 7, 102829. [Google Scholar] [CrossRef]
- Hu, C.-Y.; Lo, S.-L.; Kuan, W.-H. Simulation the kinetics of fluoride removal by electrocoagulation (EC) process using aluminum electrodes. J. Hazard. Mater. 2007, 145, 180–185. [Google Scholar] [CrossRef] [PubMed]
- Mameri, N.; Yeddou, A.; Lounici, H.; Belhocine, D.; Grib, H.; Bariou, B. Defluoridation of septentrional Sahara water of North Africa by electrocoagulation process using bipolar aluminium electrodes. Water Res. 1998, 32, 1604–1612. [Google Scholar] [CrossRef]
- Emamjomeh, M.M.; Sivakumar, M. An empirical model for defluoridation by batch monopolar electrocoagulation/flotation (ECF) process. J. Hazard. Mater. 2006, 131, 118–125. [Google Scholar] [CrossRef] [PubMed]
- Vasudevan, S.; Kannan, B.S.; Lakshmi, J.; Mohanraj, S.; Sozhan, G. Effects of alternating and direct current in electrocoagulation process on the removal of fluoride from water. J. Chem. Technol. Biotechnol. 2011, 86, 428–436. [Google Scholar] [CrossRef]
- Essadki, A.H.; Gourich, B.; Azzi, M.; Vial, C.; Delmas, H. Kinetic study of defluoridation of drinking water by electrocoagulation/electroflotation in a stirred tank reactor and in an external-loop airlift reactor. Chem. Eng. J. 2010, 164, 106–114. [Google Scholar] [CrossRef]
- Bennajah, M.; Maalmi, M.; Darmane, Y.; Touhami, M.E. Defluoridation of drinking water by electrocoagulation/electroflotation: Kinetic study. J. Urban Environ. Eng. 2010, 4, 37–45. [Google Scholar] [CrossRef]
- Betancor-Abreu, A.; Mena, V.; González, S.; Delgado, S.; Souto, R.; Santana, J. Design and optimization of an electrocoagulation reactor for fluoride remediation in underground water sources for human consumption. J. Water Process Eng. 2019, 31, 100865. [Google Scholar] [CrossRef]
- Hakizimana, J.N.; Gourich, B.; Chafi, M.; Stiriba, Y.; Vial, C.; Drogui, P.; Naja, J. Electrocoagulation process in water treatment: A review of electrocoagulation modeling approaches. Desalination 2017, 404, 1–21. [Google Scholar] [CrossRef]
- Changmai, M.; Pasawan, M.; Purkait, M. A hybrid method for the removal of fluoride from drinking water: Parametric study and cost estimation. Sep. Purif. Technol. 2018, 206, 140–148. [Google Scholar] [CrossRef]
- Hashim, K.S.; Shaw, A.; Al Khaddar, R.; Pedrola, M.O.; Phipps, D. Defluoridation of drinking water using a new flow column-electrocoagulation reactor (FCER)-Experimental, statistical, and economic approach. J. Environ. Manag. 2017, 197, 80–88. [Google Scholar] [CrossRef] [PubMed]
- Oulebsir, A.; Chaabane, T.; Zaidi, S.; Omine, K.; Alonzo, V.; Darchen, A.; Msagati, T.; Sivasankar, V. Preparation of mesoporous alumina electro-generated by electrocoagulation in NaCl electrolyte and application in fluoride removal with consistent regenerations. Arab. J. Chem. 2020, 13, 271–289. [Google Scholar] [CrossRef]
- Hu, C.; Lo, S.; Kuan, W. Effects of co-existing anions on fluoride removal in electrocoagulation (EC) process using aluminum electrodes. Water Res. 2003, 37, 4513–4523. [Google Scholar] [CrossRef]
- Thakur, L.S.; Mondal, P. Techno-economic evaluation of simultaneous arsenic and fluoride removal from synthetic groundwater by electrocoagulation process: Optimization through response surface methodology. Desalination Water Treat. 2016, 57, 28847–28863. [Google Scholar] [CrossRef]
- Reynolds, T.D.; Richards, P.A.C. Unit Operations and Processes in Environmental Engineering; PWS Publishing Company: Boston, MA, USA, 1995. [Google Scholar]
- Graça, N.S.; Ribeiro, A.M.; Rodrigues, A.E. Removal of fluoride from water by a continuous electrocoagulation process. Ind. Eng. Chem. Res. 2019, 58, 5314–5321. [Google Scholar] [CrossRef]
- Ghosh, D.; Medhi, C.; Purkait, M. Treatment of fluoride containing drinking water by electrocoagulation using monopolar and bipolar electrode connections. Chemosphere 2008, 73, 1393–1400. [Google Scholar] [CrossRef]
- Pulkka, S.; Martikainen, M.; Bhatnagar, A.; Sillanpää, M. Electrochemical methods for the removal of anionic contaminants from water—A review. Sep. Purif. Technol. 2014, 132, 252–271. [Google Scholar] [CrossRef]
- Ghanizadeh, G.; Shariatineghab, G.; Salem, M.; Khalagi, K. Taguchi experimental design for electrocoagulation process using alternating and direct current on fluoride removal from water. Desalination Water Treat. 2016, 57, 12675–12683. [Google Scholar] [CrossRef]
- Hu, C.-Y.; Lo, S.-L.; Kuan, W.-H.; Lee, Y.-D. Treatment of high fluoride-content wastewater by continuous electrocoagulation–flotation system with bipolar aluminum electrodes. Sep. Purif. Technol. 2008, 60, 1–5. [Google Scholar] [CrossRef]
- Rosales, M.; Coreño, O.; Nava, J.L. Removal of hydrated silica, fluoride and arsenic from groundwater by electrocoagulation using a continuous reactor with a twelve-cell stack. Chemosphere 2018, 211, 149–155. [Google Scholar] [CrossRef]
- WHO. Aluminium in Drinking-Water: Background Document for Development of WHO Guidelines for Drinking-Water Quality; World Health Organization: Geneva, Switzerland, 2003; Available online: https://apps.who.int/iris/handle/10665/75362 (accessed on 15 February 2021).
- Mouedhen, G.; Feki, M.; Wery, M.D.P.; Ayedi, H.F. Behavior of aluminum electrodes in electrocoagulation process. J. Hazard. Mater. 2008, 150, 124–135. [Google Scholar] [CrossRef]
- Koparal, A.S.; Öğütveren, Ü.B. Removal of nitrate from water by electroreduction and electrocoagulation. J. Hazard. Mater. 2002, 89, 83–94. [Google Scholar] [CrossRef]
- Yilmaz, A.E.; Boncukcuoğlu, R.; Kocakerim, M.M. An empirical model for parameters affecting energy consumption in boron removal from boron-containing wastewaters by electrocoagulation. J. Hazard. Mater. 2007, 144, 101–107. [Google Scholar] [CrossRef] [PubMed]
- Yilmaz, A.E.; Boncukcuoğlu, R.; Kocakerim, M.M.; Yilmaz, M.T.; Paluluoğlu, C. Boron removal from geothermal waters by electrocoagulation. J. Hazard. Mater. 2008, 153, 146–151. [Google Scholar] [CrossRef] [PubMed]
- Takdastan, A.; Emami Tabar, S.; Neisi, A.; Eslami, A. Fluoride removal from drinking water by electrocoagulation using iron and aluminum electrodes. Jundishapur J. Health Sci. 2014, 6. [Google Scholar] [CrossRef]
- Bhagawan, D.; Saritha, P.; Shankaraiah, G.; Himabindu, V. Fluoride Removal from Groundwater Using Hybrid Cylindrical Electrocoagulation Reactor. J. Water Chem. Technol. 2019, 41, 164–169. [Google Scholar] [CrossRef]
- Khan, S.U.; Asif, M.; Alam, F.; Khan, N.A.; Farooqi, I.H. Optimizing Fluoride Removal and Energy Consumption in a Batch Reactor Using Electrocoagulation: A Smart Treatment Technology. In Smart Cities—Opportunities and Challenges; Springer: Singapore, 2020; pp. 767–778. [Google Scholar] [CrossRef]
- Lacson, C.F.Z.; Lu, M.-C.; Huang, Y.-H. Fluoride containing water: A global perspective and a pursuit to sustainable water defluoridation management-an overview. J. Clean. Prod. 2020, 124236. [Google Scholar] [CrossRef]
- Gürses, A.; Yalçin, M.; Doğar, C. Electrocoagulation of some reactive dyes: A statistical investigation of some electrochemical variables. Waste Manag. 2002, 22, 491–499. [Google Scholar] [CrossRef]
- Sandoval, M.A.; Fuentes, R.; Nava, J.L.; Coreño, O.; Li, Y.; Hernández, J.H. Simultaneous removal of fluoride and arsenic from groundwater by electrocoagulation using a filter-press flow reactor with a three-cell stack. Sep. Purif. Technol. 2019, 208, 208–216. [Google Scholar] [CrossRef]
- Gwala, P.; Andey, S.; Mhaisalkar, V.; Labhasetwar, P.; Pimpalkar, S.; Kshirsagar, C. Lab scale study on electrocoagulation defluoridation process optimization along with aluminium leaching in the process and comparison with full scale plant operation. Water Sci. Technol. 2011, 63, 2788–2795. [Google Scholar] [CrossRef]
- Luna, J.; Martinez, J.; Montero, C.; Muñiz, C.; Ortiz, J.; Gonzalez, G.; Vazquez, V.; Equihua, F. Defluoridation of groundwater in central Mexico by electrocoagulation. Fluoride 2018, 51, 34–43. [Google Scholar]
- Wali, A.; Saidutta, M. Defluoridation of Fresh Water Using the Process of Electrocoagulation Combined with Adsorption. Int. J. Earth Sci. Eng. 2013, 6, 673–678. [Google Scholar]
- Jalil, S.; Amri, N.; Ajien, A.; Ismail, N.; Ballinger, B. A hybrid electrocoagulation-adsorption process for fluoride removal from semiconductor wastewater. J. Phys. Conf. Ser. 2019, 12056. [Google Scholar] [CrossRef]
- Zhao, H.-Z.; Yang, W.; Zhu, J.; Ni, J.-R. Defluoridation of drinking water by combined electrocoagulation: Effects of the molar ratio of alkalinity and fluoride to Al (III). Chemosphere 2009, 74, 1391–1395. [Google Scholar] [CrossRef] [PubMed]
- Kashi, G.; Nasehi, N. Fluoride removal from drinking water using the combination of electro and chemical coagulation processes. J. Health Field 2017, 2. [Google Scholar] [CrossRef]
- Essadki, A.H.; Gourich, B.; Vial, C.; Delmas, H.; Bennajah, M. Defluoridation of drinking water by electrocoagulation/electroflotation in a stirred tank reactor with a comparative performance to an external-loop airlift reactor. J. Hazard. Mater. 2009, 168, 1325–1333. [Google Scholar] [CrossRef] [PubMed]








| Fluoride Concentration (mg L 1) | Health Effects |
|---|---|
| <0.5 | Increasing dental caries |
| 0.5–1.5 | Improving the bones and teeth strength |
| 1.5–4 | Children’s dental fluorosis (molting in teeth) |
| >4 | Dental and skeletal fluorosis (deformities in the bone) |
| >10 | Incident of crippling fluorosis, thyroid disorder, infertility in women, cancer, and Alzheimer’s syndrome |
| Pros. | Cons |
|---|---|
| Green technology | Electrode passivation |
|
|
| Environmental compatibility | Regular sacrificial anode replacement |
|
|
| Amenability to automation | High electrical energy costs |
|
|
| k (×100) | Fo (mg L−1) | Operation Conditions | Ref | |
|---|---|---|---|---|
| k1 | 3.6–6.1 | 10 | pH 6–8; I/V: 273–683 A m−3; 10 mS m−1; 60 min DC | [70] |
| k1 | 3.35–5.8 | 15 | pH 6–8; I/V: 273–683 A m−3; 10 mS m−1; 60 min DC | [70] |
| k1 | 2.7–5.7 | 25 | pH 6–8; I/V: 273–683 A m−3; 10 mS m−1; 60 min DC | [70] |
| k1 | 3.17–7.21 | 10 | pHo 7; 1.5–12.93 mA cm−2; 60 min; Fe (10 mg L−1); DC | [58] |
| 6.29–3.91 | 3–12 | pHo 6; 0.27 mA cm−2; 30 min; DC | [61] | |
| 0.17995–0.33954 | 5–20 | pHo 7; 10 mA cm−2; 300 min; AC | [71] | |
| 0.16846–0.24659 | 5–20 | pHo 7; 10 mA cm−2; 300 min; DC | ||
| 1.4 | 12 | pHo 7; 1 mA cm−2; 95 min; DC | [44] | |
| 0.6 | 12 | pHo 7; 1 mA cm−2; 95 min; As (550 μg L−1); DC | [44] |
| k (L mol−1) | Γmax | Operation Condition | Ref | |
|---|---|---|---|---|
| kL | 1520 | 0.474 | pHo 5.2; 0.025–0.4 A; Fo 25 mg L−1; Cl− 5 mM | [68] |
| kL | 1520 | 0.549 | pHo 5.2; 0.4 A; Fo 15–25 mg L−1; Cl− 5 mM | [68] |
| kLF | 1600 ± 9.8 | 0.75 ± 13 | pHo 7; 17.1 mA cm−2; Fo 0.33–1.05 mM, 7.5 mS m−1 | [73] |
| kLF | 1675 | 0.9 | pHo 7; 17.1 mA cm−2; Fo 15 mg L−1, 7.5 mS m−1 | [72] |
| Year | Evaluated Factors and Conditions | Cathode-Anode/ Connection Type | Optimum | Efficiency * (%) | Ref |
|---|---|---|---|---|---|
| 2020 | Initial pH (5–9) Current density (1.5–12.93 mA cm−2) Electrolysis time (60 min) NaCl concentration (0.33–0.83 g L−1) Inter-electrode distance (1–2.5 cm) Initial F concentration (0–25 mg L−1) | Al-Al Monopolar | 7 4.31 mA cm−2 60 min 0.33 g L−1 1 cm 10 mg L−1 | 96% | [58] |
| 2020 | Current density (4–7 mA cm−2) Mean linear flow rate (1.2–4.8 cm s−1) | Al-Al | 7 mA cm−2 1.2 cm s−1 | <80% | [60] |
| 2019 | Initial F concentration (5–50 mg L−1) Temperature (25–55 °C) Conductivity (1–6 mS/cm) Initial pH (4–8.5) | Al-Al Monopolar | - | 90% | [47] |
| 2019 | Current density (3–10 mA cm−2) Electrolysis time (5–15 min) Polarity half-period (0.5–2 min) | Al-Al Monopolar | 10 mA cm−2 15 min | 85.9 % | [74] |
| 2019 | Current density (0.5–4.5 mA cm−2) Initial F concentration (5–10 mg L−1) Initial As concentration (40–80 µg L−1) Electrolysis time (5–15 min) | Al-Al & Fe-Fe Monopolar | 4.5 mA cm−2 5 mg L−1 80 µg L−1 15 min | 85.68% | [10] |
| 2019 | Initial F concentration (6.02–8.98 mg L−1) Electrolysis time (5–30 min) Initial pH (1.04–11.20) Current density (3–15 mA cm−2) Voltage reversal (30–120 s) | Al-Al Monopolar | - | <93.91% | [42] |
| 2018 | Initial F concentration (1.78–7.89 mg L−1) Current density (5–15 mA cm−2) Initial pH (3.86–11.28) | Al-Al Bipolar | - | <99.45% | [76] |
| 2017 | Initial F concentration (10–20 mg L−1) Current density (1–3 mA cm−2) Initial pH (4–8) Inter-electrode distance (0.5–1.1 cm) Electrolysis time (0–30 min) | Al-Al (perorated discoind) | 4.31 2 mA cm−2 6 0.5 cm 25 min | 98% | [77] |
| 2016 | Flow rate (0.91–1.82 cm s−1) Current density (4,5,6 mA cm−2) Ions effect (Ca2+, SO42-, Mg2+, PO43-) | Al-Al | - | 76–94% | [63] |
| 2015 | Charge loading (0–1700 CL−1) Electrolysis time (45 min) Current density (2.17–13.2 mA cm−2) Electrode material (Fe and Al) Effect of ions (Ca2+, Mg2+, Al3+) | Fe-Fe Al-Al Monopolar | - | <90% (Fe) <99% (Al) | [55] |
| 2011 | Initial F concentration (25–125 mg L−1) Current density (0–0.0333 A cm−2) Electrolysis time (5–25 min) Initial pH (3–11) | Al-Al Monopolar |
| 90% | [41] |
| 2009 | Current density (12.5–50 A m−2) Flow rate (150–400 mL min−1) Initial F concentration (5–25 mg L−1) Initial pH (4–8) | Al-Al Monopolar | Residence time (20–53 min) | <95% | [48] |
| 2007 | Initial F concentration (3–15 mg L−1) Initial pH (5.5–8) Charge loading (0.52–4.15 Faraday m−3) Current density (4.63–92.59 A m−2) | Al-Al Monopolar | - | <95% | [50] |
Publisher’s Note: MDPI stays neutral with regard to jurisdictional claims in published maps and institutional affiliations. |
© 2021 by the authors. Licensee MDPI, Basel, Switzerland. This article is an open access article distributed under the terms and conditions of the Creative Commons Attribution (CC BY) license (http://creativecommons.org/licenses/by/4.0/).
Share and Cite
Mousazadeh, M.; Alizadeh, S.M.; Frontistis, Z.; Kabdaşlı, I.; Karamati Niaragh, E.; Al Qodah, Z.; Naghdali, Z.; Mahmoud, A.E.D.; Sandoval, M.A.; Butler, E.; et al. Electrocoagulation as a Promising Defluoridation Technology from Water: A Review of State of the Art of Removal Mechanisms and Performance Trends. Water 2021, 13, 656. https://doi.org/10.3390/w13050656
Mousazadeh M, Alizadeh SM, Frontistis Z, Kabdaşlı I, Karamati Niaragh E, Al Qodah Z, Naghdali Z, Mahmoud AED, Sandoval MA, Butler E, et al. Electrocoagulation as a Promising Defluoridation Technology from Water: A Review of State of the Art of Removal Mechanisms and Performance Trends. Water. 2021; 13(5):656. https://doi.org/10.3390/w13050656
Chicago/Turabian StyleMousazadeh, Milad, S. M. Alizadeh, Zacharias Frontistis, Işık Kabdaşlı, Elnaz Karamati Niaragh, Zakaria Al Qodah, Zohreh Naghdali, Alaa El Din Mahmoud, Miguel A. Sandoval, Erick Butler, and et al. 2021. "Electrocoagulation as a Promising Defluoridation Technology from Water: A Review of State of the Art of Removal Mechanisms and Performance Trends" Water 13, no. 5: 656. https://doi.org/10.3390/w13050656
APA StyleMousazadeh, M., Alizadeh, S. M., Frontistis, Z., Kabdaşlı, I., Karamati Niaragh, E., Al Qodah, Z., Naghdali, Z., Mahmoud, A. E. D., Sandoval, M. A., Butler, E., & Emamjomeh, M. M. (2021). Electrocoagulation as a Promising Defluoridation Technology from Water: A Review of State of the Art of Removal Mechanisms and Performance Trends. Water, 13(5), 656. https://doi.org/10.3390/w13050656

