Study on Propellers Distribution and Flow Field in the Oxidation Ditch Based on Two-Phase CFD Model
Abstract
1. Introduction
2. Materials and Methods
2.1. Parameters of Experiments
2.2. Numerical Simulation
2.2.1. Governing Equations
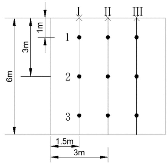
2.2.2. Geometry and Mesh Grid
2.2.3. Boundary Conditions
3. Results and Discussion
3.1. Determination of the Power Consumption
3.2. Distribution of the Propellers
3.2.1. Velocity Distribution near the Bottom
3.2.2. Sludge Concentration Distribution near the Bottom
3.2.3. Sludge Distribution in the Oxidation Ditch
3.3. Analysis of Flow Field Characteristics
3.3.1. Analysis of Sludge Concentration and Average Flow Velocity
3.3.2. Velocity Distribution in Each Section
4. Conclusions
Author Contributions
Funding
Conflicts of Interest
Nomenclature
| OD | oxidation ditch | CFD | computational fluid dynamics |
| UDF | user-defined function | spatial co-ordinate | |
| p | pressure | fluid density | |
| dynamic viscosity | time mean external force tensor | ||
| mean rate of strain tensor | sludge viscosity | ||
| T | absolute temperature | MLSS | mixed liquor suspended solids |
| Vs | sludge sedimentation rate | x | sludge concentration |
| requirement for pushing 1-kg liquid | the overall local resistance factor | ||
| F | discharge area | L | length of the OD |
| Uw | wetted perimeter | U | flow velocity |
| power losses for pushing 1-kg liquid | discharge through the water section of the OD | ||
| net power for pushing 1-kg liquid | efficiency of the propeller |
References
- Yang, Y.; Yang, J.; Zuo, J.; Li, Y.; He, S.; Yang, X.; Zhang, K. Study on two operating conditions of a full-scale oxidation ditch for optimization of energy consumption and effluent quality by using CFD model. Water Res. 2011, 45, 3439–3452. [Google Scholar] [CrossRef]
- Xie, H.; Yang, J.; Hu, Y.; Zhang, H.; Yang, Y.; Zhang, K.; Zhu, X.; Li, Y.; Yang, C. Simulation of flow field and sludge settling in a full-scale oxidation ditch by using a two-phase flow CFD model. Chem. Eng. Sci. 2014, 109, 296–305. [Google Scholar] [CrossRef]
- Zhang, Y.; Zheng, Y.; Fernandez-Rodriguez, E.; Yang, C.; Zhu, Y.; Liu, H.; Jiang, H. Optimization design of submerged propeller in oxidation ditch by computational fluid dynamics and comparison with experiments. Water Sci. Technol. 2016, 74, 681–690. [Google Scholar] [CrossRef]
- Climent, J.; Martínez-Cuenca, R.; Carratalà, P.; González-Ortega, M.; Abellán, M.; Monrós, G.; Chiva, S. A comprehensive hydrodynamic analysis of a full-scale oxidation ditch using Population Balance Modelling in CFD simulation. Chem. Eng. J. 2019, 374, 760–775. [Google Scholar] [CrossRef]
- Zhou, N.; Dang, C.; Zhao, Z.; He, S.; Zheng, M.; Liu, W.; Wang, X. Role of sludge retention time in mitigation of nitrous oxide emission from a pilot-scale oxidation ditch. Bioresour. Technol. 2019, 292, 121961. [Google Scholar] [CrossRef]
- Zhang, M.; Yao, J.; Wang, X.; Hong, Y.; Chen, Y. The microbial community in filamentous bulking sludge with the ultra-low sludge loading and long sludge retention time in oxidation ditch. Sci. Rep. 2019, 9, 1–10. [Google Scholar] [CrossRef]
- Li, X.; Zhang, J.; Zhang, X.; Li, J.; Liu, F.; Chen, Y. Start-up and Nitrogen Removal Performance of CANON and SNAD Processes in a Pilot-scale Oxidation Ditch Reactor. Process Biochem. 2019, 84, 134–142. [Google Scholar] [CrossRef]
- Liu, Y.; Li, D.; Wei, W.; Lv, B.; Wei, J. Dimensional analysis and numerical simulation methods for the influence of impellers on the average velocity of flows in an oxidation ditch. Desalin. Water Treat. 2017, 81, 26–32. [Google Scholar] [CrossRef]
- Zhang, Y.; Zhang, J.; Zheng, Y.; Yang, C.; Zang, W.; Fernandez-Rodriguez, E. Experimental Analysis and Evaluation of the Numerical Prediction of Wake Characteristics of Tidal Stream Turbine. Energies 2017, 10, 2057. [Google Scholar] [CrossRef]
- Behin, J.; Bahrami, S. Modeling an industrial dissolved air flotation tank used for separating oil from wastewater. Chem. Eng. Process 2012, 59, 1–8. [Google Scholar] [CrossRef]
- Lin, X.; Zhang, J.; Zhang, Y.; Zhang, J.; Liu, S. Comparison of Actuator Line Method and Full Rotor Geometry Simulations of the Wake Field of a Tidal Stream Turbine. Water 2019, 11, 560. [Google Scholar] [CrossRef]
- Zhang, C.; Zhang, Q.; Zheng, J.; Demirbilek, Z. Parameterization of nearshore wave front slope. Coast. Eng. 2017, 127, 80–87. [Google Scholar] [CrossRef]
- Luo, L.; Wang, T. Numerical simulation of a combined oxidation ditch flow using 3D k-ε turbulence model. J. Environ. Sci. 2005, 17, 808–812. [Google Scholar]
- Yang, Y.; Wu, Y.; Yang, X.; Zhang, K.; Yang, J. Flow field prediction in full-scale Carrousel oxidation ditch by using computational fluid dynamics. Water Sci. Technol. 2010, 62, 256–265. [Google Scholar] [CrossRef] [PubMed]
- Wu, S.; Zhou, D.; Zheng, Y. Energy configuration optimization of submerged propeller in oxidation ditch based on CFD. IOP Conf. Ser. Earth Environ. Sci. 2012, 15, 072012. [Google Scholar] [CrossRef]
- Hartley, K. Controlling sludge settleability in the oxidation ditch process. Water Res. 2008, 42, 1459–1466. [Google Scholar] [CrossRef]
- Gancarski, P. CFD Modelling of an Oxidation Ditch. Ph.D. Thesis, Cranfield University, Swindon, UK, 2007. [Google Scholar]
- Brannock, M. Computational Fluid Dynamics Tools for the Design of Mixed Anoxic Wastewater Treatment Vessels. Ph.D. Thesis, The University of Queensland, Brisbane, Australia, 2003. [Google Scholar]
- Gunjal, P.; Ranade, V.; Chaudhari, R. Computational study of a single-phase flow in packed beds of spheres. AIChE J. 2005, 51, 365–378. [Google Scholar] [CrossRef]
- Aubin, J.; Fletcher, D.; Xuereb, C. Modeling turbulent flow in stirred tanks with CFD: The influence of the modeling approach, turbulence model and numerical scheme. Exp. Therm. Fluid Sci. 2004, 28, 431–445. [Google Scholar] [CrossRef]
- Wei, J.; Xu, Z. CFD method for the relationship between the radius size of impellers and cross-sectional average velocity of flow in an oxidation ditch. Desalin. Water Treat. 2018, 126, 127–134. [Google Scholar] [CrossRef]
- Firouz, H.; Sarrafzadeh, M.; Zarghami, R. Modelling a multiple reference frame approach in an oxidation ditch of activated sludge wastewater treatment. In Frontiers International Conference on Wastewater Treatment and Modelling; Springer: Cham, Switzerland, 2017; pp. 713–717. [Google Scholar]
- Chen, Y.; Ye, L.; Zhao, F. Bacterial Community Shift during the Startup of a Full-Scale Oxidation Ditch Treating Sewage. J. Microbiol. Biotechnol. 2017, 27, 141–148. [Google Scholar] [CrossRef]
- Fan, L.; Xu, N.; Wang, Z.; Shi, H. PDA experiments and CFD simulation of a lab-scale oxidation ditch with surface aerators. Chem. Eng. Res. Des. 2010, 88, 23–33. [Google Scholar] [CrossRef]
- Zang, W.; Zheng, Y.; Zhang, Y.; Zhang, J.; Fernandez-Rodriguez, E. Experiments on the mean and integral characteristics of tidal turbine wake in the linear waves propagating with the current. Ocean Eng. 2019, 173, 1–11. [Google Scholar] [CrossRef]
- Xue, M.; Lin, P. Numerical study of ring baffle effects on reducing violent liquid sloshing. Comput. Fluids 2011, 52, 116–129. [Google Scholar] [CrossRef]
- Zhang, Y.; Zheng, Y.; Yang, C.; Zhu, Y.; Zhang, X. System design and optimization study of axial flow turbine applied in an overtopping wave energy convertor. Sadhana 2015, 40, 2313–2331. [Google Scholar] [CrossRef][Green Version]
- Xue, M.; Chen, Y.; Zheng, J.; Qian, L.; Yuan, X. Fluid dynamics analysis of sloshing pressure distribution in storage vessels of different shapes. Ocean Eng. 2019, 192, 106582. [Google Scholar] [CrossRef]
- Sánchez, F.; Rey, H.; Viedma, A.; Nicolás-Pérez, F.; Kaiser, A.; Martínez, M. CFD simulation of fluid dynamic and biokinetic processes within activated sludge reactors under intermittent aeration regime. Water Res. 2018, 139, 47–57. [Google Scholar] [CrossRef]
- Leighton, D.; Acrivos, A. The shear-induced migration of particles in concentrated suspensions. J. Fluid Mech. 1987, 181, 415–439. [Google Scholar] [CrossRef]
- Zhang, P.; Wu, Z.; Ao, H. Experimental deduction of the relationship between sludge viscidity, concentration and temperature. Chin. J. Environ. Eng. 2006, 7, 72–74. [Google Scholar]
- Rongsen, D. Theory and Technology of Sewage Treatment in Oxidation Ditch; Chemical Industry Press: Beijing, China, 2006. [Google Scholar]
- Zhang, Y.; Ji, L.; Zheng, Y.; Liu, H.; Xu, X. Nanopatterned metal–organic framework electrodes with improved capacitive deionization properties for highly efficient water desalination. Sep. Purif. Technol. 2020, 234, 116124. [Google Scholar] [CrossRef]
- Zhang, Y.; Hong, S.; Lin, J.; Zheng, Y. Influence of Ultrasonic Excitation Sealing on the Corrosion Resistance of HVOF-Sprayed Nanostructured WC-CoCr Coatings under Different Corrosive Environments. Coatings 2019, 9, 724. [Google Scholar] [CrossRef]














| Mesh Density | Number of Elements (million) | Consumed Power | Consumed Power (kW) |
|---|---|---|---|
| Coarse | 2.5 | 5.2% | 3.717 |
| Medium-coarse | 3.9 | 1.4% | 3.866 |
| Medium | 4.3 | 0.3% | 3.910 |
| Fine | 5.1 | − | 3.921 |
© 2019 by the authors. Licensee MDPI, Basel, Switzerland. This article is an open access article distributed under the terms and conditions of the Creative Commons Attribution (CC BY) license (http://creativecommons.org/licenses/by/4.0/).
Share and Cite
Zhang, Y.; Li, C.; Xu, Y.; Tang, Q.; Zheng, Y.; Liu, H.; Fernandez-Rodriguez, E. Study on Propellers Distribution and Flow Field in the Oxidation Ditch Based on Two-Phase CFD Model. Water 2019, 11, 2506. https://doi.org/10.3390/w11122506
Zhang Y, Li C, Xu Y, Tang Q, Zheng Y, Liu H, Fernandez-Rodriguez E. Study on Propellers Distribution and Flow Field in the Oxidation Ditch Based on Two-Phase CFD Model. Water. 2019; 11(12):2506. https://doi.org/10.3390/w11122506
Chicago/Turabian StyleZhang, Yuquan, Chengyi Li, Yanhe Xu, Qinghong Tang, Yuan Zheng, Huiwen Liu, and E. Fernandez-Rodriguez. 2019. "Study on Propellers Distribution and Flow Field in the Oxidation Ditch Based on Two-Phase CFD Model" Water 11, no. 12: 2506. https://doi.org/10.3390/w11122506
APA StyleZhang, Y., Li, C., Xu, Y., Tang, Q., Zheng, Y., Liu, H., & Fernandez-Rodriguez, E. (2019). Study on Propellers Distribution and Flow Field in the Oxidation Ditch Based on Two-Phase CFD Model. Water, 11(12), 2506. https://doi.org/10.3390/w11122506

