Robust Control of RSOC/Li-ion Battery Hybrid System Based on Modeling and Active Disturbance Rejection Technology
Abstract
1. Introduction
2. Materials and Methods
2.1. Dynamic Power Generation Process of RSOC/Li-Ion Battery Hybrid System
2.2. RSOC/Li-Ion Battery Hybrid System Model
2.2.1. RSOC System Module
- (1)
- A constant gradient of air pressure drop in the direction of the air flow;
- (2)
- The system components are adiabatic from the outside;
- (3)
- The edge effects of the RSOC stack are neglected, and all single cells (consisting of PENs and adjacent metal linkers) have exactly the same dynamic behavior;
- (4)
- The metallic linker has good electrical conductivity, with equal potential at all points;
- (5)
- All heat generated by the electrochemical reaction is released in the PEN of the single cell;
- (6)
- Adiabasis exists between adjacent single-cell bodies;
- (7)
- The RSOC has 100% current efficiency, i.e., the number of electrons produced by the hydrogen electrochemical reaction is theoretical;
- (8)
- In each gas supply subsystem, the hysteresis characteristics of the airflow caused by the gas supply piping and mass flow meter can be replaced by an inertial link and delayed link equivalent.
2.2.2. Li-Ion Battery Module Model Description
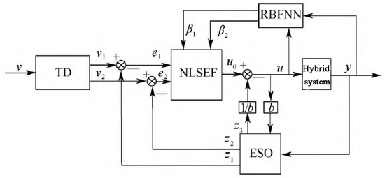
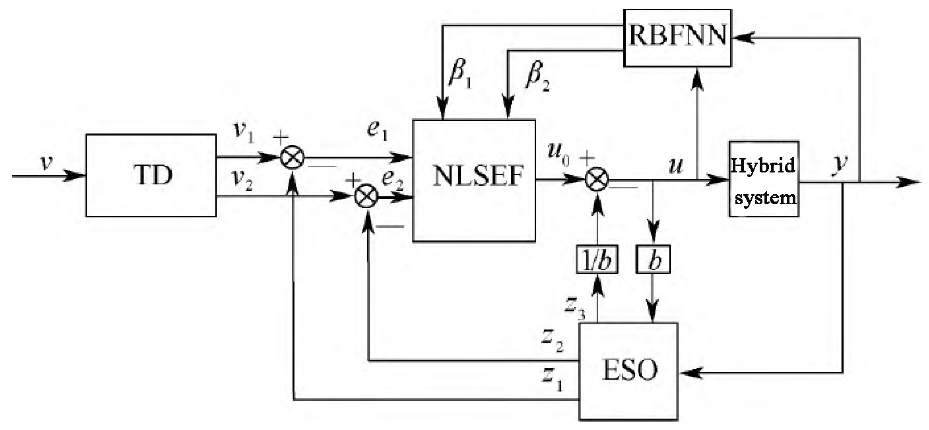
2.3. Control Design Method Based on ADRC
3. Results
3.1. Control of Li-Ion Battery Thermoelectric Characteristics in Dual-Mode Operation
3.1.1. Control Problem
3.1.2. Numerical Results
3.2. Hydrogen Consumption and Hydrogen Production Control in Dual Mode
3.2.1. Control Problem
3.2.2. Numerical Results
4. Discussion
5. Conclusions
Author Contributions
Funding
Institutional Review Board Statement
Informed Consent Statement
Data Availability Statement
Conflicts of Interest
References
- Shi, J.; Zhu, Y.; Feng, Y.; Yang, J.; Xia, C. A Prompt Decarbonization Pathway for Shipping: Green Hydrogen, Ammonia, and Methanol Production and Utilization in Marine Engines. Atmosphere 2023, 14, 584. [Google Scholar] [CrossRef]
- Tang, B.; Xu, Y.; Wang, M. Life cycle assessment of battery electric and internal combustion engine vehicles considering the impact of electricity generation mix: A case study in China. Atmosphere 2022, 13, 252. [Google Scholar] [CrossRef]
- Wu, X.L.; Xu, Y.W.; Li, D.; Zheng, Y.; Li, J.; Sorrentino, M.; Yu, Y.; Wan, X.; Hu, L.; Zou, C.; et al. Afterburner temperature safety assessment for solid oxide fuel cell system based on computational fluid dynamics. J. Power Sources 2021, 496, 229837. [Google Scholar] [CrossRef]
- Yang, D.; Chen, G.; Zhang, L.; Chen, Z.; Zhang, R.; Asghar, M.I.; Geng, S.; Lund, P.D. Low temperature ceramic fuel cells employing lithium compounds: A review. J. Power Sources 2021, 503, 230070. [Google Scholar] [CrossRef]
- Schäfer, F.; Egger, S.; Steiner, D.; Carré, M.; Eichel, A. Control of oxygen-to-carbon ratio and fuel utilization with regard to solid oxide fuel cell systems with anode exhaust gas recirculation: A review. J. Power Sources 2022, 524, 231077. [Google Scholar] [CrossRef]
- Mei, S.; Lu, X.; Zhu, Y.; Wang, S. Thermodynamic assessment of a system configuration strategy for a cogeneration system combining SOFC, thermoelectric generator, and absorption heat pump. Appl. Energy 2021, 302, 117573. [Google Scholar] [CrossRef]
- Tee, J.Z.; Lim, I.L.; Zhou, K.; Anaya-Lara, O. Transient Stability Analysis of Battery with Fuel Cell Driven to Electric Powertrain. In Proceedings of the IECON 2020 the 46th Annual Conference of the IEEE Industrial Electronics Society, Singapore, 18–21 October 2020; pp. 1941–1946. [Google Scholar]
- Cen, J.; Li, Z.; Jiang, F. Experimental investigation on using the electric vehicle air conditioning system for lithium-ion battery thermal management. Energy Sustain. Dev. 2018, 45, 88–95. [Google Scholar] [CrossRef]
- Cui, X.; Hu, T. Robust predictive thermal management strategy for lithium-ion battery based on thermoelectric cooler. Appl. Therm. Eng. 2023, 221, 119833. [Google Scholar] [CrossRef]
- Wu, X.; Gao, D. Fault tolerance control of SOFC systems based on nonlinear model predictive control. Int. J. Hydrogen Energy 2017, 42, 2288–2308. [Google Scholar] [CrossRef]
- Li, Y.; Yang, F.; Chen, D.; Hu, S.; Xu, X. Thermal-physical modeling and parameter identification method for dynamic model with unmeasurable state in 10-kW scale proton exchange membrane fuel cell system. Energy Convers. Manag. 2022, 276, 116580. [Google Scholar] [CrossRef]
- Wu, X.L.; Xu, Y.W.; Zhao, D.Q.; Zhong, X.; Li, D.; Jiang, J.; Deng, Z.; Fu, X.; Li, X. Extended-range electric vehicle-oriented thermoelectric surge control of a solid oxide fuel cell system. Appl. Energy 2020, 263, 114628. [Google Scholar] [CrossRef]
- Qin, X.; Cao, J.; Geng, G.; Li, Y.; Zheng, Y.; Zhang, W.; Yu, B. Solid oxide fuel cell system for automobiles. Int. J. Green Energy 2022. [Google Scholar] [CrossRef]
- Han, Y.; Li, J.; Wang, B. Event-Triggered Active Disturbance Rejection Control for Hybrid Energy Storage System in Electric Vehicle. IEEE Trans. Transp. Electrif. 2022, 9, 75–86. [Google Scholar] [CrossRef]
- Long, B.; Zeng, W.; Rodríguez, J.; Garcia, C.; Guerrero, J.; Chong, K. Stability Enhancement of Battery-Testing DC Microgrid: An ADRC-Based Virtual Inertia Control Approach. IEEE Trans. Smart Grid 2022, 13, 4256–4268. [Google Scholar] [CrossRef]
- Chen, X.; Xu, J.; Liu, Q.; Chen, Y.; Wang, X.; Li, W.; Ding, Y.; Wan, Z. Active disturbance rejection control strategy applied to cathode humidity control in PEMFC system. Energy Convers. Manag. 2020, 224, 113389. [Google Scholar] [CrossRef]
- Wang, P.; Ma, Y.; Li, J.; Gao, Y.; Zhang, Y.; Ma, D. A Novel Control Algorithm of the Air Supply Subsystem: Based on Dynamic Modeling of Proton Exchange Membrane Fuel Cell. Processes 2022, 10, 1499. [Google Scholar] [CrossRef]
- Zhong, S.; Huang, Y.; Guo, L. A parameter formula connecting PID and ADRC. Sci. China Inf. Sci. 2020, 63, 1–13. [Google Scholar] [CrossRef]
- Zhong, S.; Huang, Y.; Guo, L. An ADRC-based PID tuning rule. Int. J. Robust Nonlinear Control. 2022, 32, 9542–9555. [Google Scholar] [CrossRef]
- Xue, W.; Huang, Y. Comparison of the DOB based control, a special kind of PID control and ADRCC. In Proceedings of the 2011 American Control Conference, San Francisco, CA, USA, 29 June–1 July 2011; pp. 4373–4379. [Google Scholar]
- Wu, G.; Sun, L.; Lee, K.Y. Disturbance rejection control of a fuel cell power plant in a grid-connected system. Control. Eng. Pract. 2017, 60, 183–192. [Google Scholar] [CrossRef]
- Curiel-Olivares, G.; Linares-Flores, J.; Guerrero-Castellanos, J.F.; Hernández-Méndez, A. Self-balancing based on active disturbance rejection controller for the two-in-wheeled electric vehicle, experimental results. Mechatronics 2021, 76, 102552. [Google Scholar] [CrossRef]
- Hezzi, A.; Ben Elghali, S.; Bensalem, Y.; Zhou, Z.; Benbouzid, M.; Abdelkrim, M. ADRC-based robust and resilient control of a 5-phase PMSM driven electric vehicle. Machines 2020, 8, 17. [Google Scholar] [CrossRef]
- Liu, C.; Luo, G.; Zhe, C.; Wencong, T.; Cai, Q. A linear ADRC-based robust high-dynamic double-loop servo system for aircraft electro-mechanical actuators. Chin. J. Aeronaut. 2019, 32, 2174–2187. [Google Scholar] [CrossRef]
- Guo, B.; Bacha, S.; Alamir, M. A review on ADRC based PMSM control designs. In Proceedings of the IECON 2017—43rd Annual Conference of the IEEE Industrial Electronics Society, Beijing, China, 29 October–1 November 2017; pp. 1747–1753. [Google Scholar]
- Sahoo, S.; Amirthalakshmi, T.M.; Ramesh, S.; Ramkumar, G.; Arockia Dhanraj, J.; Ranjith, A.; Obaid, S.; Alfarraj, S.; Kumar, S. Artificial Deep Neural Network in Hybrid PV System for Controlling the Power Management. Int. J. Photoenergy 2022, 2022, 9353470. [Google Scholar] [CrossRef]
- Heidary, J.; Gheisarnejad, M.; Khooban, M.H. Stability Enhancement and Energy Management of AC-DC Microgrid based on Active Disturbance Rejection Control. Electr. Power Syst. Res. 2023, 217, 109105. [Google Scholar] [CrossRef]
- Kamran, H.; Mudassir, U.; Ali, A.M.; Kamal, K.; Ratlamwala, T.A.H.; Raza, M.A.; Khan, K. Simulation and modeling of copper-chlorine cycle, molten carbonate fuel cell alongside a heat recovery system named regenerative steam cycle and electric heater with the incorporation of PID controller in MATLAB/SIMULINK. Int. J. Hydrogen Energy 2022, 47, 40462–40475. [Google Scholar] [CrossRef]
- Erixno, O.; Abd Rahim, N.; Ramadhani, F.; Adzman, N.N. Energy management of renewable energy-based combined heat and power systems: A review. Sustain. Energy Technol. Assessments 2022, 51, 101944. [Google Scholar] [CrossRef]
- Xia, Z.; Deng, Z.; Jiang, C.; Zhao, D.; Kupecki, J.; Wu, X.; Xu, Y.; Liu, G.; Fu, X.; Li, X. Modeling and analysis of cross-flow solid oxide electrolysis cell with oxygen electrode/electrolyte interface oxygen pressure characteristics for hydrogen production. J. Power Sources 2022, 529, 231248. [Google Scholar] [CrossRef]
- Xu, Y.; Wu, X.; Zhong, X.; Zhao, D.; Fu, J.; Jiang, J.; Deng, Z.; Fu, X.; Li, X. Development of solid oxide fuel cell and battery hybrid power generation system. Int. J. Hydrogen Energy 2020, 45, 8899–8914. [Google Scholar] [CrossRef]
- Zhang, L.; Jiang, J.; Cheng, H.; Deng, Z.; Li, X. Control strategy for power management, efficiency-optimization and operating-safety of a 5-kW solid oxide fuel cell system. Electrochim. Acta 2015, 177, 237–249. [Google Scholar] [CrossRef]
- Cheng, H.; Jing, S.; Xu, Y.; Deng, Z.; Li, J.; Li, X. Control-oriented modeling analysis and optimization of planar solid oxide fuel cell system. Int. J. Hydrogen Energy 2016, 41, 22285–22304. [Google Scholar] [CrossRef]
- Tansini, A.; Fontaras, G.; Millo, F. A Multipurpose Simulation Approach for Hybrid Electric Vehicles to Support the European CO2 Emissions Framework. Atmosphere 2023, 14, 587. [Google Scholar] [CrossRef]
- Sun, W.; Huo, J.; Fu, Q.; Zhang, Y.; Lin, X. Influence of meteorological factors and chemical processes on the explosive growth of PM2. 5 in Shanghai, China. Atmosphere 2022, 13, 1068. [Google Scholar] [CrossRef]
- Nassef, A.M.; Rezk, H.; Alahmer, A.; Abdelkareem, M.A. Maximization of CO2 Capture Capacity Using Recent RUNge Kutta Optimizer and Fuzzy Model. Atmosphere 2023, 14, 295. [Google Scholar] [CrossRef]
- He, Y.; Chen, G.; Zhang, X.; Zhang, L.; Yang, D.; Asghar, M.I.; Geng, S.; Lund, P.D. Mechanism for major improvement in SOFC electrolyte conductivity when using lithium compounds as anode. Acs Appl. Energy Mater. 2020, 3, 4134–4138. [Google Scholar] [CrossRef]
- Zhang, X.; Wei, Q.S.; Oh, B.S. Cost analysis of off-grid renewable hybrid power generation system on Ui Island, South Korea. Int. J. Hydrogen Energy 2022, 47, 13199–13212. [Google Scholar] [CrossRef]
- Zhang, Z.; Zhou, J.; Zong, Z.; Chen, Q.; Zhang, P.; Wu, K. Development and modelling of a novel electricity-hydrogen energy system based on reversible solid oxide cells and power to gas technology. Int. J. Hydrogen Energy 2019, 44, 28305–28315. [Google Scholar] [CrossRef]
- Cao, H.; Li, X.; Deng, Z.; Jiang, J.; Yang, J.; Li, J.; Qin, Y. Dynamic modeling and experimental validation for the electrical coupling in a 5-cell solid oxide fuel cell stack in the perspective of thermal coupling. Int. J. Hydrogen Energy 2011, 36, 4409–4418. [Google Scholar] [CrossRef]
- Gao, L.; Liu, S.; Dougal, R.A. Dynamic lithium-ion battery model for system simulation. IEEE Trans. Compon. Packag. Technol. 2002, 25, 495–505. [Google Scholar]
- Rahn, C.D.; Wang, C.Y. Battery Systems Engineering; John Wiley & Sons: Hoboken, NJ, USA, 2013. [Google Scholar]
- Liu, S.; Zhang, Y.L.; Xue, W.; Shi, G.; Zhu, M.; Li, D. Frequency response-based decoupling tuning for feedforward compensation ADRC of distributed parameter systems. Control. Eng. Pract. 2022, 126, 105265. [Google Scholar] [CrossRef]
- Zhan, B.; Zhang, L.; Liu, Y.; Gao, J. Model predictive and compensated ADRC for permanent magnet synchronous linear motors. Isa Trans. 2022. in Press. [Google Scholar] [CrossRef]
- Chen, W.; Wang, S.; Li, J.; Lin, C.; Yang, Y.; Ren, A.; Li, W.; Zhao, X.; Zhang, W.; Guo, W.; et al. An ADRC-based triple-loop control strategy of ship-mounted Stewart platform for six-DOF wave compensation. Mech. Mach. Theory 2023, 184, 105289. [Google Scholar] [CrossRef]
- Han, J. From PID to active disturbance rejection control. IEEE Trans. Ind. Electron. 2009, 56, 900–906. [Google Scholar] [CrossRef]
- Tan, W.; Chang, S.; Zhou, R. Load frequency control of power systems with non-linearities. IET Gener. Transm. Distrib. 2017, 11, 4307–4313. [Google Scholar] [CrossRef]
- Li, D.; Li, C.; Gao, Z.; Jin, Q. On active disturbance rejection in temperature regulation of the proton exchange membrane fuel cells. J. Power Sources 2015, 283, 452–463. [Google Scholar] [CrossRef]
- Li, G.; Fu, H.; Madonski, R.; Czeczot, J.; Nowak, P.; Lakomy, K.; Sun, L. Feed-forward offset-free model predictive temperature control for proton exchange membrane fuel cell: An experimental study. Isa Trans. 2022, 128, 159–170. [Google Scholar] [CrossRef]
- Chen, S.C.; Wan, C.C.; Wang, Y.Y. Thermal analysis of lithium-ion batteries. J. Power Sources 2005, 140, 111–124. [Google Scholar] [CrossRef]
- Xue, T.; Wu, X.; Zhao, D.; Xu, Y.; Jiang, J.; Deng, Z.; Fu, X.; Li, X. Fault-tolerant control for steam fluctuation in SOFC system with reforming units. Int. J. Hydrogen Energy 2019, 44, 23360–23376. [Google Scholar] [CrossRef]
- Ran, P.; Zhou, X.; Wang, Y.; Fan, Q.; Xin, D.; Li, Z. Thermodynamic and exergetic analysis of a novel multi-generation system based on SOFC, micro-gas turbine, s-CO2 and lithium bromide absorption refrigerator. Appl. Therm. Eng. 2023, 219, 119585. [Google Scholar] [CrossRef]







| Model Name | Mechanism Equation |
|---|---|
| Flow rate model | |
| Molar fraction model | |
| Temperature model | |
| Fluid molar enthalpy | |
| Solid unit temperature model | |
| RSOC thermal model | |
| Air supply module time-delay model | |
| Nernst equation model |
| Parameter Name | Parameter Value |
|---|---|
| Anode convection coefficient (kW/m2 K) | 0.05 |
| Cathode convection coefficient (kW/m2 K) | 0.05 |
| PEN conduction coefficient (kW/m K) | |
| IC conduction coefficient (kW/m K) | |
| PEN density (kg/m3) | 5900 |
| IC density (kg/m3) | 9000 |
| PEN specific heat capacity (kJ/(kg K)) | 0.5 |
| IC specific heat capacity (kJ/(kg K)) | 0.62 |
| The porosity | 0.4 |
| Pore size (up) | 0.5 |
| The activation energy of anode (J/mol) | |
| The activation energy of cathode (J/mol) | |
| Limitation current density (A/m2) | 10,000 |
| The node of a single cell | 5 |
| The number of cells in stack | 13 |
| The width of a single cell (m) | 0.10 |
| The length of a single cell (m) | 0.10 |
| The area percent of gas though the cell | 0.95 |
| The thickness of PEN (m) | |
| The thickness of IC (m) | |
| The highness of anode channel (m) | |
| The highness of cathode channel (m) | |
| The pressure difference in anode channel (pa) | |
| The pressure difference in cathode channel (pa) |
| Parameter No. | ADRC | PID | ||
|---|---|---|---|---|
| 1 | 0.04 | 1 | ||
| 2 | 0.06 | 1 | ||
| 3 | 0.005 | Filter coefficient | 100 | |
| 4 | Order | 2 | P | 0.5 |
| 5 | Time domain | continuous | I | 1 |
| 6 | D | 1 | ||
Disclaimer/Publisher’s Note: The statements, opinions and data contained in all publications are solely those of the individual author(s) and contributor(s) and not of MDPI and/or the editor(s). MDPI and/or the editor(s) disclaim responsibility for any injury to people or property resulting from any ideas, methods, instructions or products referred to in the content. |
© 2023 by the authors. Licensee MDPI, Basel, Switzerland. This article is an open access article distributed under the terms and conditions of the Creative Commons Attribution (CC BY) license (https://creativecommons.org/licenses/by/4.0/).
Share and Cite
Wu, X.; Li, Y.; Gao, Z.; Xu, Y.; Peng, J.; Xia, Z.; Hu, L.; Hu, J.; Wang, Z.; Li, X. Robust Control of RSOC/Li-ion Battery Hybrid System Based on Modeling and Active Disturbance Rejection Technology. Atmosphere 2023, 14, 947. https://doi.org/10.3390/atmos14060947
Wu X, Li Y, Gao Z, Xu Y, Peng J, Xia Z, Hu L, Hu J, Wang Z, Li X. Robust Control of RSOC/Li-ion Battery Hybrid System Based on Modeling and Active Disturbance Rejection Technology. Atmosphere. 2023; 14(6):947. https://doi.org/10.3390/atmos14060947
Chicago/Turabian StyleWu, Xiaolong, Yu Li, Zilin Gao, Yuanwu Xu, Jingxuan Peng, Zhiping Xia, Lingyan Hu, Jiangong Hu, Zhuo Wang, and Xi Li. 2023. "Robust Control of RSOC/Li-ion Battery Hybrid System Based on Modeling and Active Disturbance Rejection Technology" Atmosphere 14, no. 6: 947. https://doi.org/10.3390/atmos14060947
APA StyleWu, X., Li, Y., Gao, Z., Xu, Y., Peng, J., Xia, Z., Hu, L., Hu, J., Wang, Z., & Li, X. (2023). Robust Control of RSOC/Li-ion Battery Hybrid System Based on Modeling and Active Disturbance Rejection Technology. Atmosphere, 14(6), 947. https://doi.org/10.3390/atmos14060947

