Emission of PM2.5-Bound Polycyclic Aromatic Hydrocarbons from Biomass and Coal Combustion in China
Abstract
:1. Introduction
2. Materials and Methods
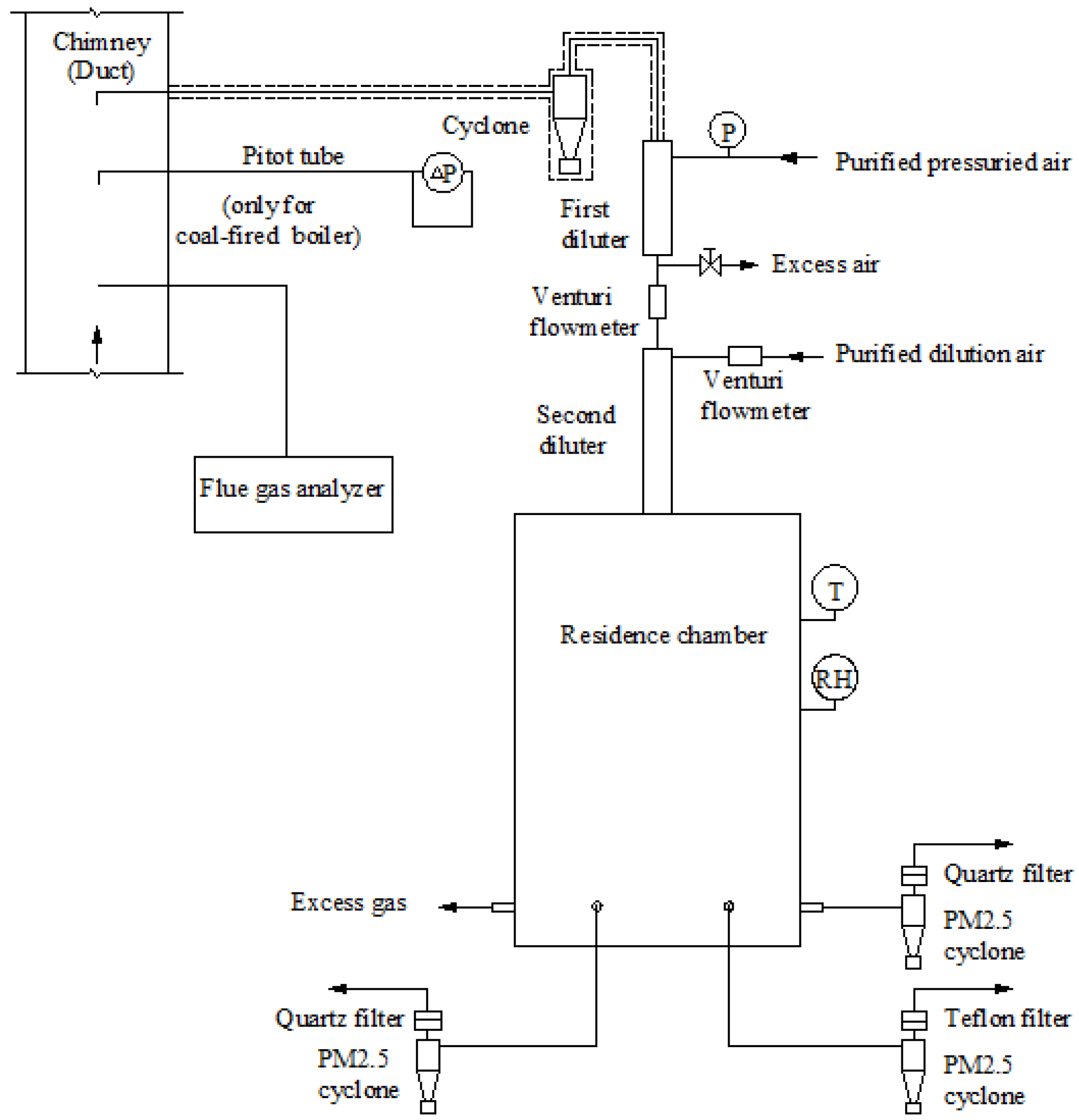
2.1. Combustion Sources and Sampling
2.2. Analysis Methods
2.3. Calculation of EFs of PAHs
2.4. Health Risk Assessment Method
3. Results and Discussion
3.1. Emission Factors of PM2.5-Bound PAHs
3.2. PAHs Composition Profiles
3.3. Health Risk Assessment
4. Conclusions
Supplementary Materials
Author Contributions
Funding
Institutional Review Board Statement
Informed Consent Statement
Data Availability Statement
Conflicts of Interest
References
- Mastral, A.M.; Callen, M.S. A review an polycyclic aromatic hydrocarbon (PAH) emissions from energy generation. Environ. Sci. Technol. 2000, 34, 3051–3057. [Google Scholar] [CrossRef]
- Ravindra, K.; Sokhi, R.; Van Grieken, R. Atmospheric polycyclic aromatic hydrocarbons: Source attribution, emission factors and regulation. Atmos. Environ. 2008, 42, 2895–2921. [Google Scholar] [CrossRef] [Green Version]
- Zhang, Y.X.; Tao, S.; Shen, H.Z.; Ma, J.M. Inhalation exposure to ambient polycyclic aromatic hydrocarbons and lung cancer risk of Chinese population. Proc. Natl. Acad. Sci. USA 2009, 106, 21063–21067. [Google Scholar] [CrossRef] [PubMed] [Green Version]
- Han, J.; Liang, Y.S.; Zhao, B.; Wang, Y.; Xing, F.T.; Qin, L.B. Polycyclic aromatic hydrocarbon (PAHs) geographical distribution in China and their source, risk assessment analysis. Environ. Pollut. 2019, 251, 312–327. [Google Scholar] [CrossRef]
- Kim, K.H.; Jahan, S.A.; Kabir, E.; Brown, R.J.C. A review of airborne polycyclic aromatic hydrocarbons (PAHs) and their human health effects. Environ. Int. 2013, 60, 71–80. [Google Scholar] [CrossRef]
- Shen, H.Z.; Huang, Y.; Wang, R.; Zhu, D.; Li, W.; Shen, G.F.; Wang, B.; Zhang, Y.Y.; Chen, Y.C.; Lu, Y.; et al. Global Atmospheric Emissions of Polycyclic Aromatic Hydrocarbons from 1960 to 2008 and Future Predictions. Environ. Sci. Technol. 2013, 47, 6415–6424. [Google Scholar] [CrossRef] [Green Version]
- Xu, S.S.; Liu, W.X.; Tao, S. Emission of polycyclic aromatic hydrocarbons in China. Environ. Sci. Technol. 2006, 40, 702–708. [Google Scholar] [CrossRef] [PubMed]
- Zhang, Y.; Lin, Y.; Cai, J.; Liu, Y.; Hong, L.; Qin, M.; Zhao, Y.; Ma, J.; Wang, X.; Zhu, T.; et al. Atmospheric PAHs in North China: Spatial distribution and sources. Sci. Total Environ. 2016, 565, 994–1000. [Google Scholar] [CrossRef]
- Li, M.; Liu, H.; Geng, G.; Hong, C.; Liu, F.; Song, Y.; Tong, D.; Zheng, B.; Cui, H.; Man, H.; et al. Anthropogenic emission inventories in China: A review. Natl. Sci. Rev. 2017, 4, 834–866. [Google Scholar] [CrossRef]
- Shen, G.F.; Tao, S.; Chen, Y.C.; Zhang, Y.Y.; Wei, S.Y.; Xue, M.; Wang, B.; Wang, R.; Lu, Y.; Li, W.; et al. Emission Characteristics for Polycyclic Aromatic Hydrocarbons from Solid Fuels Burned in Domestic Stoves in Rural China. Environ. Sci. Technol. 2013, 47, 14485–14494. [Google Scholar] [CrossRef]
- Chen, Y.J.; Sheng, G.Y.; Bi, X.H.; Feng, Y.L.; Mai, B.X.; Fu, J.M. Emission factors for carbonaceous particles and polycyclic aromatic hydrocarbons from residential coal combustion in China. Environ. Sci. Technol. 2005, 39, 1861–1867. [Google Scholar] [CrossRef] [PubMed]
- Chen, Y.J.; Zhi, G.R.; Feng, Y.L.; Tian, C.G.; Bi, X.H.; Li, J.; Zhang, G. Increase in polycyclic aromatic hydrocarbon (PAH) emissions due to briquetting: A challenge to the coal briquetting policy. Environ. Pollut. 2015, 204, 58–63. [Google Scholar] [CrossRef] [PubMed]
- Shen, G.F.; Chen, Y.C.; Xue, C.Y.; Lin, N.; Huang, Y.; Shen, H.Z.; Wang, Y.L.; Li, T.C.; Zhang, Y.Y.; Su, S.; et al. Pollutant Emissions from Improved Coal- and Wood-Fuelled Cookstoves in Rural Households. Environ. Sci. Technol. 2015, 49, 6590–6598. [Google Scholar] [CrossRef] [PubMed]
- Shen, G.F.; Tao, S.; Wei, S.Y.; Chen, Y.C.; Zhang, Y.Y.; Shen, H.Z.; Huang, Y.; Zhu, D.; Yuan, C.Y.; Wang, H.C.; et al. Field Measurement of Emission Factors of PM, EC, OC, Parent, Nitro-, and Oxy- Polycyclic Aromatic Hydrocarbons for Residential Briquette, Coal Cake, and Wood in Rural Shanxi, China. Environ. Sci. Technol. 2013, 47, 2998–3005. [Google Scholar] [CrossRef] [Green Version]
- Wei, S.Y.; Shen, G.F.; Zhang, Y.Y.; Xue, M.; Xie, H.; Lin, P.C.; Chen, Y.C.; Wang, X.L.; Tao, S. Field measurement on the emissions of PM, OC, EC and PAHs from indoor crop straw burning in rural China. Environ. Pollut. 2014, 184, 18–24. [Google Scholar] [CrossRef] [Green Version]
- Du, W.; Wang, J.Z.; Zhuo, S.J.; Zhong, Q.R.; Wang, W.; Chen, Y.C.; Wang, Z.L.; Mao, K.; Huang, Y.; Shen, G.F.; et al. Emissions of particulate PAHs from solid fuel combustion in indoor cookstoves. Sci. Total Environ. 2021, 771, 145411. [Google Scholar] [CrossRef]
- Sun, J.; Shen, Z.X.; Zeng, Y.L.; Niu, X.Y.; Wang, J.H.; Cao, J.J.; Gong, X.S.; Xu, H.M.; Wang, T.B.; Liu, H.X.; et al. Characterization and cytotoxicity of PAHs in PM2.5 emitted from residential solid fuel burning in the Guanzhong Plain, China. Environ. Pollut. 2018, 241, 359–368. [Google Scholar]
- Zhang, Y.; Shen, Z.X.; Sun, J.; Zhang, L.M.; Zhang, B.; Zou, H.J.; Zhang, T.; Ho, S.S.H.; Chang, X.J.; Xu, H.M.; et al. Parent, alkylated, oxygenated and nitrated polycyclic aromatic hydrocarbons in PM2.5 emitted from residential biomass burning and coal combustion: A novel database of 14 heating scenarios. Environ. Pollut. 2021, 268, 115881. [Google Scholar] [CrossRef]
- Wang, R.W.; Liu, G.J.; Sun, R.Y.; Yousaf, B.; Wang, J.Z.; Liu, R.Q.; Zhang, H. Emission characteristics for gaseous- and size-segregated particulate PAHs in coal combustion flue gas from circulating fluidized bed (CFB) boiler. Environ. Pollut. 2018, 238, 581–589. [Google Scholar] [CrossRef]
- Yin, X.F.; Yang, W.T.; Xue, H.M. PAHs Emission Characteristics and Assessment from the Coal Combustion Process in the Large Capacity Power Plant Boilers. In Advanced Materials Research; Trans Tech Publications Ltd.: Bäch SZ, Switzerland, 2013; Volume 726–731, pp. 1908–1916. [Google Scholar]
- Chen, Y.C.; Du, W.; Zhuo, S.J.; Liu, W.J.; Liu, Y.L.; Shen, G.F.; Wu, S.P.; Li, J.J.; Zhou, B.H.; Wang, G.H.; et al. Stack and fugitive emissions of major air pollutants from typical brick kilns in China. Environ. Pollut. 2017, 224, 421–429. [Google Scholar] [CrossRef] [PubMed]
- US EPA. Air Emissions Factors and Quantification. Available online: https://www.epa.gov/air-emissions-factors-and-quantification (accessed on 15 August 2021).
- Li, A.; Jang, J.K.; Scheff, P.A. Application of EPA CMB8.2 model for source apportionment of sediment PAHs in Lake Calumet, Chicago. Environ. Sci. Technol. 2003, 37, 2958–2965. [Google Scholar] [CrossRef]
- Hanedar, A.; Alp, K.; Kaynak, B.; Baek, J.; Avsar, E.; Odman, M.T. Concentrations and sources of PAHs at three stations in Istanbul, Turkey. Atmos. Res. 2011, 99, 391–399. [Google Scholar] [CrossRef]
- Gu, S.H.; Kralovec, A.C.; Christensen, E.R.; Van Camp, R.P. Source apportionment of PAHs in dated sediments from the Black River, Ohio. Water Res. 2003, 37, 2149–2161. [Google Scholar] [CrossRef]
- Bao, K.S.; Zaccone, C.; Tao, Y.Q.; Wang, J.; Shen, J.; Zhang, Y.F. Source apportionment of priority PAHs in 11 lake sediment cores from Songnen Plain, Northeast China. Water Res. 2020, 168, 115158. [Google Scholar] [CrossRef] [PubMed]
- Cattaneo, A.; Fermo, P.; Urso, P.; Grazia-Perrone, M.; Piazzalunga, A.; Tarlassi, J.; Carrer, P.; Cavallo, D.M. Particulate-bound polycyclic aromatic hydrocarbon sources and determinants in residential homes. Environ. Pollut. 2016, 218, 16–25. [Google Scholar] [CrossRef]
- Teixeira, E.C.; Agudelo-Castaneda, D.M.; Mattiuzi, C.D. Contribution of polycyclic aromatic hydrocarbon (PAH) sources to the urban environment: A comparison of receptor models. Sci. Total Environ. 2015, 538, 212–219. [Google Scholar] [CrossRef] [PubMed]
- Li, G.L.; Lang, Y.H.; Yang, W.; Peng, P.; Wang, X.M. Source contributions of PAHs and toxicity in reed wetland soils of Liaohe estuary using a CMB-TEQ method. Sci. Total Environ. 2014, 490, 199–204. [Google Scholar] [CrossRef]
- Li, X.G.; Wang, S.X.; Duan, L.; Hao, J.; Li, C.; Chen, Y.S.; Yang, L. Particulate and trace gas emissions from open burning of wheat straw and corn stover in China. Environ. Sci. Technol. 2007, 41, 6052–6058. [Google Scholar] [CrossRef]
- Li, X.H.; Wang, S.X.; Duan, L.; Hao, J.M. Characterization of non-methane hydrocarbons emitted from open burning of wheat straw and corn stover in China. Environ. Res. Lett. 2009, 4, 044015. [Google Scholar] [CrossRef]
- Li, X.H.; Duan, L.; Wang, S.X.; Duan, J.C.; Guo, X.M.; Yi, H.H.; Hu, J.N.; Li, C.; Hao, J.M. Emission characteristics of particulate matter from rural household biofuel combustion in China. Energy Fuels 2007, 21, 845–851. [Google Scholar] [CrossRef]
- Li, X.H.; Wang, S.X.; Duan, L.; Hao, J.M.; Nie, Y.F. Carbonaceous Aerosol Emissions from Household Biofuel Combustion in China. Environ. Sci. Technol. 2009, 43, 6076–6081. [Google Scholar] [CrossRef]
- Li, X.H.; Wang, S.X.; Duan, L.; Hao, J.M.; Long, Z.W. Design of a Compact Dilution Sampler for Stationary Combustion Sources. J. Air Waste Manag. Assoc. 2011, 61, 1124–1130. [Google Scholar] [CrossRef] [Green Version]
- Chen, Y.; Li, X.H.; Zhu, T.L.; Han, Y.J.; Lv, D. PM2.5-bound PAHs in three indoor and one outdoor air in Beijing: Concentration, source and health risk assessment. Sci. Total Environ. 2017, 586, 255–264. [Google Scholar] [CrossRef]
- Zhang, J.; Smith, K.R.; Ma, Y.; Ye, S.; Jiang, F.; Qi, W.; Liu, P.; Khalil, M.A.K.; Rasmussen, R.A.; Thorneloe, S.A. Greenhouse gases and other airborne pollutants from household stoves in China: A database for emission factors. Atmos. Environ. 2000, 34, 4537–4549. [Google Scholar] [CrossRef] [Green Version]
- Johnson, M.; Edwards, R.; Frenk, C.A.; Masera, O. In-field greenhouse gas emissions from cookstoves in rural Mexican households. Atmos. Environ. 2008, 42, 1206–1222. [Google Scholar] [CrossRef]
- Eilenberg, S.R.; Bilsback, K.R.; Johnson, M.; Kodros, J.K.; Lipsky, E.M.; Naluwagga, A.; Fedak, K.M.; Benka-Coker, M.; Reynolds, B.; Peel, J.; et al. Field measurements of solid-fuel cookstove emissions from uncontrolled cooking in China, Honduras, Uganda, and India. Atmos. Environ. 2018, 190, 116–125. [Google Scholar] [CrossRef]
- Weyant, C.L.; Chen, P.F.; Vaidya, A.; Li, C.L.; Zhang, Q.G.; Thompson, R.; Ellis, J.; Chen, Y.J.; Kang, S.C.; Shrestha, G.R.; et al. Emission Measurements from Traditional Biomass Cookstoves in South Asia and Tibet. Environ. Sci. Technol. 2019, 53, 3306–3314. [Google Scholar] [CrossRef] [PubMed]
- Nisbet, I.C.T.; LaGoy, P.K. Toxic Equivalency Factors (TEFs) for Polycyclic Aromatic Hydrocarbons (PAHs). Regul. Toxicol. Pharmacol. 1992, 16, 290–300. [Google Scholar] [CrossRef]
- Jenkins, B.M.; Jones, A.D.; Turn, S.Q.; Williams, R.B. Emission Factors for Polycyclic Aromatic Hydrocarbons from Biomass Burning. Environ. Sci. Technol. 1996, 30, 2462–2469. [Google Scholar] [CrossRef]
- Hays, M.D.; Fine, P.M.; Geron, C.D.; Kleeman, M.J.; Gullett, B.K. Open burning of agricultural biomass: Physical and chemical properties of particle-phase emissions. Atmos. Environ. 2005, 39, 6747–6764. [Google Scholar] [CrossRef]
- Wiriya, W.; Chantara, S.; Sillapapiromsuk, S.; Lin, N.H. Emission Profiles of PM10-Bound Polycyclic Aromatic Hydrocarbons from Biomass Burning Determined in Chamber for Assessment of Air Pollutants from Open Burning. Aerosol Air Qual. Res. 2016, 16, 2716–2727. [Google Scholar] [CrossRef] [Green Version]
- Oanh, N.T.K.; Ly, B.T.; Tipayarom, D.; Manandhar, B.R.; Prapat, P.; Simpson, C.D.; Liu, L.J.S. Characterization of particulate matter emission from open burning of rice straw. Atmos. Environ. 2011, 45, 493–502. [Google Scholar] [CrossRef] [PubMed] [Green Version]
- Hsu, W.T.; Liu, M.C.; Hung, P.C.; Chang, S.H.; Chang, M.B. PAH emissions from coal combustion and waste incineration. J. Hazard. Mater. 2016, 318, 32–40. [Google Scholar] [CrossRef] [PubMed]
- Yang, H.H.; Lee, W.J.; Chen, S.J.; Lai, S.O. PAH emission from various industrial stacks. J. Hazard. Mater. 1998, 60, 159–174. [Google Scholar] [CrossRef]
- Lu, C.M.; Dat, N.D.; Lien, C.K.; Chi, K.H.; Chang, M.B. Characteristics of Fine Particulate Matter and Polycyclic Aromatic Hydrocarbons Emitted from Coal Combustion Processes. Energy Fuels 2019, 33, 10247–10254. [Google Scholar] [CrossRef]
- Kim Oanh, N.T.; Bætz Reutergårdh, L.; Dung, N.T. Emission of Polycyclic Aromatic Hydrocarbons and Particulate Matter from Domestic Combustion of Selected Fuels. Environ. Sci. Technol. 1999, 33, 2703–2709. [Google Scholar] [CrossRef]
- Venkataraman, C.; Negi, G.; Sardar, S.B.; Rastogi, R. Size distributions of polycyclic aromatic hydrocarbons in aerosol emissions from biofuel combustion. J. Aerosol Sci. 2002, 33, 503–518. [Google Scholar] [CrossRef]
- Shen, G.F.; Wang, W.; Yang, Y.F.; Ding, J.N.; Xue, M.A.; Min, Y.J.; Zhu, C.; Shen, H.Z.; Li, W.; Wang, B.; et al. Emissions of PAHs from Indoor Crop Residue Burning in a Typical Rural Stove: Emission Factors, Size Distributions, and Gas-Particle Partitioning. Environ. Sci. Technol. 2011, 45, 1206–1212. [Google Scholar] [CrossRef] [Green Version]
- Roden, C.A.; Bond, T.C.; Conway, S.; Pinel, A.B.S.; MacCarty, N.; Still, D. Laboratory and field investigations of particulate and carbon monoxide emissions from traditional and improved cookstoves. Atmos. Environ. 2009, 43, 1170–1181. [Google Scholar] [CrossRef]
- Wongphatarakul, V.; Friedlander, S.K.; Pinto, J.P.A. Comparative study of PM2.5 ambient aerosol chemical databases. Environ. Sci. Technol. 1998, 32, 3926–3934. [Google Scholar] [CrossRef]
- Zhang, Z.; Friedlander, S.K. A Comparative Study of Chemical Databases for Fine Particle Chinese Aerosols. Environ. Sci. Technol. 2000, 34, 4687–4694. [Google Scholar] [CrossRef]
- Kong, S.; Ji, Y.; Li, Z.; Lu, B.; Bai, Z. Emission and profile characteristic of polycyclic aromatic hydrocarbons in PM2.5 and PM10 from stationary sources based on dilution sampling. Atmos. Environ. 2013, 77, 155–165. [Google Scholar] [CrossRef]
- Yang, H.H.; Lai, S.O.; Hsieh, L.T.; Hsueh, H.J.; Chi, T.W. Profiles of PAH emission from steel and iron industries. Chemosphere 2002, 48, 1061–1074. [Google Scholar] [CrossRef]


| PAHs | Open Burning | Household Biofuel Combustion | Household Coal Burning | Coal-Fired Industrial Boiler (4 t/h) | Coal-Fired Industrial Boiler (20 t/h) | Coal-Fired Power Plant | Coal-Fired Power Plant | |||
|---|---|---|---|---|---|---|---|---|---|---|
| Outlet of ESP | Outlet of WFGD | |||||||||
| Wheat Straw | Maize Stover | Wheat Straw | Maize Stover | Wood | Bituminous Coal | Bituminous Coal | Bituminous Coal | Bituminous Coal | Bituminous Coal | |
| Nap | 0.097 ± 0.032 a | 0.11 ± 0.04 | 0.099 ± 0.006 | 0.18 ± 0.11 | 0.12 ± 0.05 | 0.12 b | 0.013 b | 0.0016 b | 0.0034 b | 0.0020 b |
| Ace | 0.12 ± 0.04 | 0.040 ± 0.069 | 0.11 ± 0.01 | 0.15 ± 0.04 | 0.077 ± 0.068 | 0.15 | 0.016 | ND | ND | ND |
| Acy | ND c | ND | ND | 0.016 ± 0.028 | ND | ND | ND | ND | ND | ND |
| Flu | ND | 0.089 ± 0.155 | 0.12 ± 0.11 | 0.064 ± 0.110 | 0.057 ± 0.098 | ND | ND | ND | ND | ND |
| Phe | 0.37 ± 0.09 | 0.48 ± 0.21 | 1.1 ± 0.5 | 1.2 ± 0.6 | 0.50 ± 0.14 | 0.99 | 0.041 | 0.0057 | 0.0089 | 0.0053 |
| Ant | 0.011 ± 0.019 | 0.027 ± 0.046 | 0.093 ± 0.072 | 0.099 ± 0.094 | 0.017 ± 0.029 | 0.10 | ND | ND | ND | ND |
| Flt | 0.80 ± 0.32 | 0.58 ± 0.15 | 2.2 ± 0.7 | 2.0 ± 0.3 | 0.86 ± 0.46 | 4.7 | 0.039 | 0.0089 | 0.0067 | 0.0033 |
| Pyr | 0.79 ± 0.31 | 0.56 ± 0.16 | 1.8 ± 0.6 | 1.7 ± 0.2 | 0.71 ± 0.37 | 4.2 | 0.028 | 0.0064 | 0.0050 | 0.0022 |
| BaA | 1.7 ± 0.4 | 1.9 ± 0.4 | 1.6 ± 0.2 | 1.7 ± 0.4 | 1.6 ± 0.3 | 2.6 | 0.14 | 0.017 | ND | 0.0015 |
| Chr | 0.62 ± 0.14 | 0.69 ± 0.13 | 0.87 ± 0.33 | 0.82 ± 0.13 | 0.62 ± 0.21 | 1.0 | ND | ND | ND | ND |
| BbF | 0.22 ± 0.12 | 0.56 ± 0.75 | 1.2 ± 0.02 | 1.2 ± 0.4 | 1.3 ± 0.4 | 2.1 | ND | 0.015 | ND | 0.0014 |
| BkF | 0.49 ± 0.11 | 0.38 ± 0.06 | 0.82 ± 0.28 | 0.68 ± 0.25 | 0.74 ± 0.21 | 1.2 | 0.031 | 0.0038 | 0.0061 | 0.0031 |
| BaP | 0.64 ± 0.16 | 0.57 ± 0.10 | 0.79 ± 0.31 | 0.64 ± 0.22 | 0.76 ± 0.23 | 1.6 | ND | 0.0032 | ND | ND |
| DBA | 0.11 ± 0.19 | 0.52 ± 0.16 | 0.38 ± 0.11 | 0.35 ± 0.12 | 0.58 ± 0.38 | 0.85 | 0.0049 | ND | ND | ND |
| IcP | 1.6 ± 0.4 | 1.7 ± 0.5 | 1.9 ± 0.4 | 1.7 ± 0.5 | 1.8 ± 0.6 | 3.1 | ND | ND | ND | ND |
| BghiP | 0.43 ± 0.09 | 0.32 ± 0.07 | 0.80 ± 0.29 | 0.62 ± 0.22 | 0.72 ± 0.18 | 1.7 | ND | ND | ND | 0.0025 |
| ΣPAHs d | 8.0 ± 1.8 | 8.5 ± 1.8 | 14 ± 4 | 13 ± 2 | 10 ± 2 | 24 | 0.31 | 0.062 | 0.030 | 0.021 |
| ΣBaPeq | 1.6 ± 1.0 | 3.6 ± 0.6 | 3.3 ± 0.8 | 2.9 ± 1.0 | 4.2±2.0 | 6.8 | 0.042 | 0.0068 | 0.00064 | 0.00063 |
| PM2.5 | 7.6 ± 4.1 | 12 ± 1.0 | 3.2 ± 0.3 | 4.5 ± 1.0 | 2.7 ± 0.4 | 3.4 | 0.21 | 0.12 | 0.26 | 0.035 |
| Species | Biomass Open Burning | Household Biofuel Burning | Household Coal Combustion | Coal-Fired Boiler | |||
|---|---|---|---|---|---|---|---|
| Mean | SD | Mean | SD | Value | Mean | SD | |
| Nap | 1.27 | 0.33 | 1.07 | 0.56 | 0.49 | 6.76 | 4.05 |
| Ace | 0.96 | 0.82 | 0.95 | 0.48 | 0.59 | 1.25 | 2.50 |
| Acy | 0.00 | 0.00 | 0.04 | 0.12 | 0.00 | 0.00 | 0.00 |
| Flu | 0.45 | 1.09 | 0.67 | 0.85 | 0.00 | 0.00 | 0.00 |
| Phe | 5.04 | 0.98 | 7.28 | 3.23 | 4.06 | 19.28 | 9.58 |
| Ant | 0.20 | 0.33 | 0.50 | 0.50 | 0.40 | 0.00 | 0.00 |
| Flt | 8.36 | 2.37 | 12.91 | 4.20 | 18.99 | 16.21 | 4.22 |
| Pyr | 8.16 | 2.38 | 10.79 | 3.61 | 17.11 | 11.65 | 3.39 |
| BaA | 22.05 | 3.32 | 13.54 | 2.13 | 10.78 | 19.71 | 20.12 |
| Chr | 7.97 | 0.46 | 6.09 | 0.86 | 4.25 | 0.00 | 0.00 |
| BbF | 4.26 | 4.93 | 10.27 | 2.98 | 8.61 | 7.76 | 11.64 |
| BkF | 5.39 | 1.10 | 5.99 | 1.18 | 5.04 | 12.74 | 6.11 |
| BaP | 7.40 | 0.96 | 5.85 | 1.37 | 6.63 | 1.28 | 2.56 |
| DBA | 3.89 | 3.93 | 3.61 | 2.05 | 3.46 | 0.40 | 0.79 |
| IcP | 19.98 | 3.83 | 14.67 | 3.76 | 12.66 | 0.00 | 0.00 |
| BghiP | 4.64 | 1.06 | 5.78 | 1.30 | 6.92 | 2.95 | 5.91 |
Publisher’s Note: MDPI stays neutral with regard to jurisdictional claims in published maps and institutional affiliations. |
© 2021 by the authors. Licensee MDPI, Basel, Switzerland. This article is an open access article distributed under the terms and conditions of the Creative Commons Attribution (CC BY) license (https://creativecommons.org/licenses/by/4.0/).
Share and Cite
Li, X.; Wang, Z.; Guo, T. Emission of PM2.5-Bound Polycyclic Aromatic Hydrocarbons from Biomass and Coal Combustion in China. Atmosphere 2021, 12, 1129. https://doi.org/10.3390/atmos12091129
Li X, Wang Z, Guo T. Emission of PM2.5-Bound Polycyclic Aromatic Hydrocarbons from Biomass and Coal Combustion in China. Atmosphere. 2021; 12(9):1129. https://doi.org/10.3390/atmos12091129
Chicago/Turabian StyleLi, Xinghua, Zihao Wang, and Tailun Guo. 2021. "Emission of PM2.5-Bound Polycyclic Aromatic Hydrocarbons from Biomass and Coal Combustion in China" Atmosphere 12, no. 9: 1129. https://doi.org/10.3390/atmos12091129
APA StyleLi, X., Wang, Z., & Guo, T. (2021). Emission of PM2.5-Bound Polycyclic Aromatic Hydrocarbons from Biomass and Coal Combustion in China. Atmosphere, 12(9), 1129. https://doi.org/10.3390/atmos12091129

