Strengthening of RC Slabs with Symmetric Openings Using GFRP Composite Beams
Abstract
:1. Introduction
2. Experimental Program
2.1. Material

| Type | Unit | Property |
|---|---|---|
| Cross Section | mm2 | 1312 |
| Tensile Strength | MPa | 418 |
| Compressive Elastic Modulus | GPa | 28 |
| Ultimate Elongation | % | 2.1 |
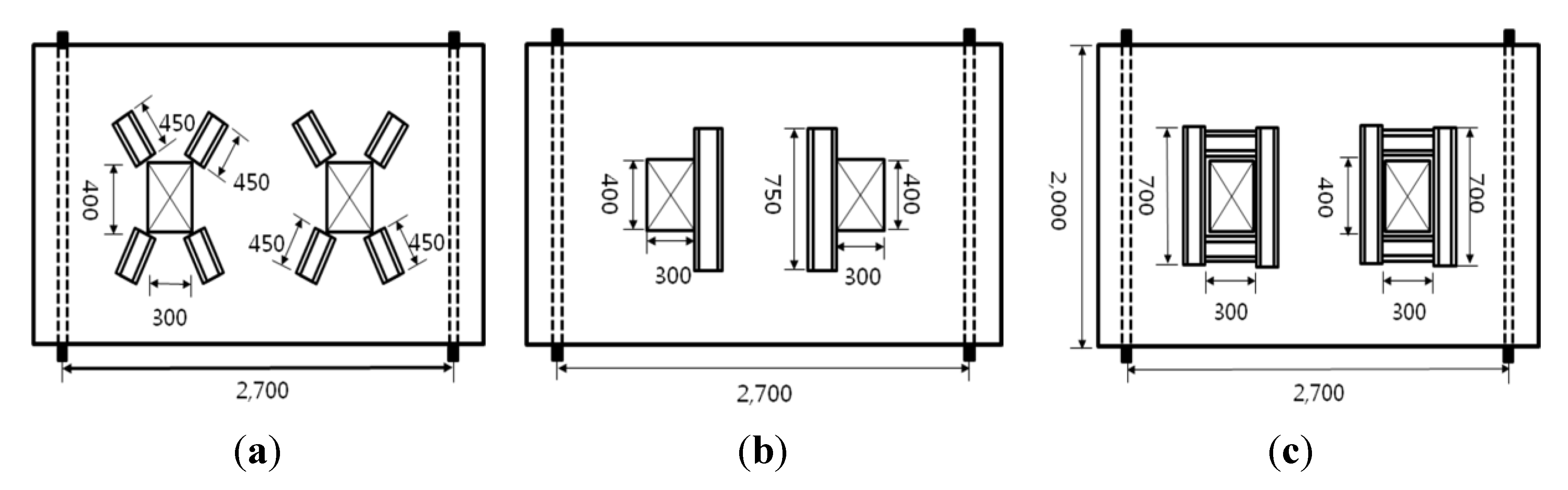
2.2. Slab Specimens


2.3. Test Setup and Procedure

3. Test Results and Discussions
3.1. Load-Deflection
| Specimen | Maximum Load (kN) | Deflection at the Maximum Load (mm) | First Cracking Load (kN) |
|---|---|---|---|
| SU | 71.91 | 69.05 | 22 |
| SD | 92.59 | 52.16 | 25 |
| SP | 86.8 | 62.4 | 19 |
| SS | 80.39 | 57.18 | 22 |

3.2. Crack Patterns and Modes of Failure


4. Conclusions
Acknowledgments
Conflicts of Interest
References
- Florutt, S.C.; Stoian, V.; Tamas, N.G.; Diaconu, D.D. Retrofitting of Two-Way RC Slabs with and without Cut-Out Openings by Using FRP Composite Materials. In EMESEG’10 Proceedings of the 3rd WSEAS International Conference on Engineering MechanicsStructuresEngineering Geology, Corfu Island, Greece, 22–24 July 2010; pp. 245–250.
- American Concrete Institute. Guide for the Design and Construction of Externally Bonded FRP Systems for Strengthening Concrete Structures; ACI 440.2R-08; American Concrete Institute: Detroit, MI, USA, 2008. [Google Scholar]
- Mosallam, A.S.; Mosalam, K.M. Strengthening of two-way concrete slabs with FRP composite laminates. Constr. Build. Mater. 2003, 17, 43–54. [Google Scholar] [CrossRef]
- Maaddawy, T.E.L.; Soudki, K. Strengthening of reinforced concrete slabs with mechanically-anchored unbonded FRP system. Constr. Build. Mater. 2008, 22, 444–455. [Google Scholar] [CrossRef]
- Ellouze, A.; Ouezdou, M.B.; Karray, M.A. Experimental study of steel fiber concrete slabs part I: Behavior under uniformly distributed loads. Int. J. Concr. Struct. Mater. 2010, 4, 113–118. [Google Scholar]
- Tan, K.; Zhao, H. Strengthening of openings in one-way reinforced-concrete slabs using carbon fiber-reinforced polymer systems. J. Compos. Constr. 2004, 8, 393–402. [Google Scholar] [CrossRef]
- Smith, S.T.; Hu, S.; Kim, S.J.; Seracino, R. FRP-strengthened RC slabs anchored with FRP anchors. Eng. Struct. 2011, 33, 1075–1087. [Google Scholar] [CrossRef]
- Elsayed, W.; Ebead, U.; Neale, K. Mechanically fastened FRP-strengthened two-way concrete slabs with and without cutouts. J. Compos. Constr. 2009, 13, 198–207. [Google Scholar] [CrossRef]
- Kim, J.J.; Noh, H.-C.; Reda, T.; Mahmoud, M. Flexural failure design criteria for retrofitted RC slabs using FRP-UHPC hybrid system. J. Korean Soc. Adv. Compos. Struct. 2013, 3, 11–18. [Google Scholar]
- Ebead, U.; Marzouk, H.; Lye, L.M. Strengthening of Two-Way Slabs Using FRP Materials: A Simplified Analysis Based on Response Surface Methodology. In 2nd World Engineering Congress, Sarawak, Malaysia, 22–25 July 2002; pp. 1–6.
- Siliem, H.M.; Sumner, E.A.; Seracino, R. Field Testing of RC Slabs with Openings Strengthened with CFRP. In Proceedings of the Fourth International Conference on FRP Composites in Civil Engineering (CICE2008), Zurich, Switzerland, 22–24 July 2008.
- Casadei, P.; Nanni, A.; Ibell, T. Experiments on Two-Way RC Slabs with Openings Strengthened with CFRP Laminates. In Proceedings of Advancing with Composites, Milano, Italy, 7–9 May 2003.
- Smith, S.T.; Kim, S.J. Strengthening of one-way spanning RC slabs with cutouts using FRP composites. Constr. Build. Mater. 2009, 23, 1578–1590. [Google Scholar] [CrossRef]
- Enochsson, O.; Lundqvist, J.; Taljsten, B.; Rusinowski, P.; Olofsson, T. CFRP strengthened openings in two-way concrete slabs—An experimental and numerical study. Constr. Build. Mater. 2007, 21, 810–826. [Google Scholar] [CrossRef]
- Korean Standards Service Network. Standard Specification for Portland Cement; KS L 5201; Korean Standards Service Network: Seoul, Korea, 2006. [Google Scholar]
© 2013 by the authors; licensee MDPI, Basel, Switzerland. This article is an open access article distributed under the terms and conditions of the Creative Commons Attribution license (http://creativecommons.org/licenses/by/3.0/).
Share and Cite
Choi, Y.; Park, I.H.; Kang, S.G.; Cho, C.-G. Strengthening of RC Slabs with Symmetric Openings Using GFRP Composite Beams. Polymers 2013, 5, 1352-1361. https://doi.org/10.3390/polym5041352
Choi Y, Park IH, Kang SG, Cho C-G. Strengthening of RC Slabs with Symmetric Openings Using GFRP Composite Beams. Polymers. 2013; 5(4):1352-1361. https://doi.org/10.3390/polym5041352
Chicago/Turabian StyleChoi, Yeol, Ik Hyun Park, Sang Goo Kang, and Chang-Geun Cho. 2013. "Strengthening of RC Slabs with Symmetric Openings Using GFRP Composite Beams" Polymers 5, no. 4: 1352-1361. https://doi.org/10.3390/polym5041352
APA StyleChoi, Y., Park, I. H., Kang, S. G., & Cho, C.-G. (2013). Strengthening of RC Slabs with Symmetric Openings Using GFRP Composite Beams. Polymers, 5(4), 1352-1361. https://doi.org/10.3390/polym5041352
