Viscoelastic Memory Effects in Cyclic Thermomechanical Loading of Epoxy Polymer and Glass-Reinforced Composite: An Experimental Study and Modeling Under Variable Initial Stress and Cycle Durations
Abstract
1. Introduction
- Develop a Python program for determining the mechanical parameters of the three-element Kelvin–Voigt model from experimental data;
- Develop a Python program for modeling cyclic thermomechanical loading of pre-loaded clamped rod samples;
- Determine the temperature-dependent mechanical parameters of the epoxy polymer and glass-reinforced composite;
- Conduct experimental studies of the stress state of clamped rod samples under cyclic thermomechanical effects, including investigation of the influence of the initial stress state and holds at maximum temperature;
- Compare the modeling results with experimental data.
2. Materials and Methods
2.1. Materials
- -
- KER 828 epoxy resin: epoxy group content (EGC) 5308 mmol/kg, equivalent epoxy weight (EEW) 188.5 g/eq, viscosity at 25 °C 12.7 Pa × s, HCl 116 mg/kg, total chlorine 1011 mg/kg. Manufacturer: KUMHO P&B Chemicals, Seoul, Republic of Korea;
- -
- Isomethyltetrahydrophthalic anhydride (IZOMTGFA Cheboksary Russia) (hardener for epoxy resin): viscosity at 25 °C 63 Pa × s, anhydride content 42.4%, volatile fraction content 0.55%, free acid 0.1%. Manufacturer: ASAMBLY Chemicals Company Ltd., Nanjing, China.
- -
- Alkophen (epoxy curing booster): viscosity at 25 °C 150 Pa × s, molecular formula C15H27N3O, molecular weight 265, amine number 600 mg KOH/g. Manufacturer: JSC “Epital”, Moscow, Russia.
- Epoxy resin (KER 828)—52.5%;
- Hardener (IZOMTGFA)—44.5%;
- Curing accelerator (Alkophen)—3%.
- Thickness: 0.190 + 0.01/−0.02 mm;
- Surface density: 200 + 16/−10 g/m2;
- Number of threads per 1 cm of fabric along the warp: 12 ± 1;
- Number of threads per 1 cm of fabric along the weft: 8 ± 1;
- Weave: plain;
- Sizing agent: paraffin emulsion.
2.2. Methods
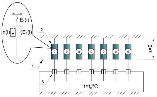
2.2.1. Methods of Experimental Research
2.2.2. Methods for Determining the Mechanical Characteristics of the Samples
2.2.3. Methods of Theoretical Research
- The algorithm was implemented as a modular Python program (cited in the Supplementary Materials to this paper, referenced at the end of the paper) consisting of a set of functions. This enhances code modularity and flexibility, simplifies maintenance and modification, and facilitates adaptation to other thermomechanical loading conditions in the future;
- Different laws governing virtual deformation development in deactivated cells were introduced, depending on the stress state at the time of deactivation. Virtual deformations are calculated according to one law if the stress at deactivation is positive and according to a different law if it is negative. This allows for more accurate modeling of material behavior under various loading regimes and temperature effects;
- The parameters E2 and η are distributed unevenly among the cells based on the results of their determination from relaxation curves at different temperatures, as described in Section 2.2.2. A parameter distribution function was developed to account for the temperature dependence of material properties, resulting in a more accurate correspondence between the model and experimental data.
- Initialization of model parameters. The initial mechanical characteristics of the material at the initial and final temperatures, the number of deactivated cells within the heating range, sample geometry, mechanical load, and heating/cooling rates (uniform or non-uniform) are defined;
- Distribution of parameters among cells. Depending on the chosen mode (constant or variable material properties), the parameters E1, E2, and η are distributed among the cells;
- Calculation of characteristics of each cell. For each cell, the long-term elastic modulus and the relaxation time parameter m are calculated;
- Generation of temperature-time points. An array of time points and corresponding temperatures is generated, considering the specified heating and cooling cycles, heating and cooling rates, and any holding periods at constant temperatures;
- Determination of the number of active cells. At each modeling step, the number of active cells is determined based on the current temperature and the defined temperature at which cells are deactivated;
- Calculation of total mechanical properties. The parameters E1, E2, and η are summed over the active cells to account for changes in the material’s stiffness and viscoelastic properties during thermal exposure;
- Calculation of thermal stresses considering relaxation. At each time step, increments of thermal stress are calculated, incorporating relaxation processes using the stress relaxation law (Equation (2));
- Calculation of mechanical stresses considering relaxation according to law (2) and deactivation of cells. The total mechanical stresses in the active cells are calculated, accounting for their relaxation and stress redistribution upon cell deactivation;
- Calculation of virtual deformations in disconnected cells. Upon cell deactivation, the accumulation of virtual deformations is modeled, depending on the stress state at the time of deactivation and the duration of the deactivated state. For the considered cyclic thermomechanical loading scheme, with predominant compressive (thermal) stresses prior to cell deactivation, the following law is used:
- Accounting for accumulated virtual deformations upon reactivation of cells. During cooling and cell reactivation, the accumulated virtual deformations are converted into additional stresses, which are summed with the current stresses in the material;
- Summation of total stresses and analysis of results. At each modeling step, mechanical and thermal stresses, along with the additional stresses from virtual deformations, are summed to determine the overall stress–strain state of the material;
- Visualization and saving of results. The program generates model stress–time curves and saves the calculation results for further analysis and comparison with experimental data.
- Conditional line representing the neutral position of cells;
- Cell in the neutral position;
- Conditional thermal brake in the “on” state.
- Stage I: Application of mechanical tensile load;
- Stages II, III, IV, V: Heating;
- Stages VI, VII, VIII: Cooling;
- Stage IX: Return to the initial temperature.
- 4.
- Conditional line denoting the stretched position of cells under mechanical load;
- 5.
- Connected cell with tensile (positive) stresses;
- 6.
- Disconnected cell upon reaching a certain temperature tn, in which there were tensile stresses before disconnection;
- 7.
- Conditional thermal brake in the off state;
- 8.
- Disconnected cell upon reaching a certain temperature tn, in which there were compressive stresses before disconnection;
- 9.
- Cell reconnected during cooling with reduced positive stresses redistributed in the disconnected state;
- 10.
- Cell reconnected during cooling with accumulated positive stresses.
3. Results
3.1. Relaxation Studies in Unreinforced Polymer and Glass-Reinforced Plastic
3.2. Experimental Studies of Unreinforced Epoxy Polymer Under Cyclic Thermomechanical Loading
- Different maximum heating temperatures (80 °C and 90 °C);
- Different holding times at the maximum temperature (5 to 90 min);
- Different initial tensile stresses (0 to 4.3 MPa).
3.3. Results of the Experimental Studies of Glass-Reinforced Plastic Under Cyclic Thermomechanical Loading
3.4. Modeling Cyclic Thermomechanical Loading on Unreinforced Epoxy Polymer
- The blue curve represents the stress without accounting for additional stresses from virtual deformations;
- The red curve represents the stress accounting for stresses from virtual deformations.
- Stage (c)—application of mechanical tensile load;
- Stages (d), (e), (f)—heating;
- Stages (g), (h), (i)—cooling.
- Stage (j)—return to the initial temperature.
4. Discussion
- Significant residual tensile stress accumulation is observed in the epoxy polymer at low initial mechanical stresses (0 to 1.5 MPa);
- Maximum residual stresses exceed the initial stresses by factors of 1.7–2.7, reaching values up to 1.9 MPa at zero initial stress and up to 2.1 MPa at an initial stress of 0.8 MPa;
- Holds at the maximum temperature (up to 90 min) enhance residual stress accumulation;
- At high initial tensile stresses (approximately 4 MPa), exceeding thermal stresses, residual stress accumulation is not observed, likely due to relaxation at elevated temperatures;
- Residual stress accumulation is significantly weaker in the GRP. Maximum residual stresses in the GRP did not exceed 0.2–0.3 MPa, less than 10% of the initial stresses. The glass fabric reinforcement increases stiffness and reduces thermal expansion, mitigating the influence of thermal cycles;
- The developed multi-element Kelvin–Voigt model adequately describes the experimental data for the epoxy polymer, accounting for the memory effect and predicting residual stress accumulation as a function of initial conditions and cycle parameters.
5. Conclusions
- The initial stress state significantly governs residual stress accumulation in the pure epoxy polymer. Low initial tensile stresses (0–1.5 MPa) resulted in substantial residual stress accumulation, exceeding initial stresses by up to 2.7 times and reaching values up to 2.1 MPa. Conversely, high initial stresses (around 4 MPa) suppressed residual stress accumulation due to the dominance of relaxation processes. This highlights the critical role of initial loading conditions in predicting long-term material behavior. We consider this result to be one of the most interesting and important, since there is no literature information that the residual stress formation in unreinforced epoxy polymer can be completely suppressed at high initial mechanical stress level;
- Reinforcement with glass fibers effectively mitigates residual stress accumulation in the composite. The glass-reinforced plastic exhibited significantly lower residual stresses (less than 10% of initial stresses) compared to the neat polymer, demonstrating the beneficial effect of reinforcement in reducing the impact of thermal cycling;
- The developed multi-element model effectively captures the material’s “memory” of thermomechanical history, enabling reasonable prediction of residual stress accumulation. The model, based on the three-element Kelvin–Voigt model, demonstrated satisfactory agreement with experimental data for the epoxy polymer, capturing the key trends observed in the experiments. This model provides a valuable tool for predicting the stress–strain state of polymeric materials under complex thermomechanical loading and offers a basis for future refinements, including the incorporation of a forced elastic state and more detailed consideration of material parameters and virtual deformation laws. Further research will focus on expanding the experimental database for various composite materials and refining the model to improve prediction accuracy for long-term structural applications.
Supplementary Materials
Author Contributions
Funding
Institutional Review Board Statement
Data Availability Statement
Conflicts of Interest
Correction Statement
Appendix A

References
- Astashkin, V.M.; Mishnev, M.V. On the Development of the Manufacturing Technology of Fiberglass Cylindrical Shells of Gas Exhaust Trunks by Buildup Winding. Procedia Eng. 2016, 150, 1636–1642. [Google Scholar] [CrossRef]
- Astashkin, V.M.; Shmatkov, S.B.; Shmatkov, A.S. Polymer Composite Gas Exhaust Pipes in Chimneys of Large-Scale Power Industry. Bull. South Ural. State Univ. Ser. Constr. Eng. Archit. 2015, 15, 20–25. [Google Scholar]
- Makarov, V.G. Application of GRP for Chimney Liners Exposed to Sulfur Dioxide and Sufur Trioxide. In Proceedings of the Annual Technical Conference—ANTEC, Chicago, IL, USA, 16–20 May 2004. [Google Scholar]
- Zhang, D.H.; Wang, J.H. The FRP Chimney Design and Construction Technology for Coal-Fired Power Plant FGD System. In Frontiers of Energy and Environmental Engineering, Proceedings of the 2012 International Conference on Frontiers of Energy and Environmental Engineering, ICFEEE, Hong Kong, China, 11–13 December 2012; CRC Press: Boca Raton, FL, USA, 2013. [Google Scholar] [CrossRef]
- McConnell, V.P. Resurgence in Corrosion-Resistant Composites. Reinf. Plast. 2005, 49, 20–25. [Google Scholar] [CrossRef]
- McConnell, V.P. Getting Ducts in a Row with Corrosion-Resistant FRP. Reinf. Plast. 2011, 55, 20–26. [Google Scholar] [CrossRef]
- O’Keefe, W. FRP widens use in energy systems. Power 1976, 120, 79–81. [Google Scholar]
- Makarov, V.G.; Sinelnikova, R.M. Application of Composites in the Sulfur Acid Production. In Proceedings of the Annual Technical Conference—ANTEC, Cincinnati, OH, USA, 6–11 May 2007. [Google Scholar]
- Honga, S.J.; Honga, S.H.; Doh, J.M. Materials for Flue Gas Desulfurization Systems Operating in Korea and Their Failures. Mater. High Temp. 2007, 24, 289–293. [Google Scholar] [CrossRef]
- Shokrieh, M.M. Residual Stresses in Composite Materials; Woodhead Publishing: Cambridge, UK, 2014. [Google Scholar]
- Thakkar, B. Influence of Residual Stresses on Mechanical Behavior of Polymers; Plastics Products Design Handbook; CRC Press: Boca Raton, FL, USA, 2020. [Google Scholar] [CrossRef]
- Shokrieh, M.M.; Safarabadi, M. Understanding Residual Stresses in Polymer Matrix Composites. In Residual Stresses in Composite Materials; Woodhead Publishing: Cambridge, UK, 2021. [Google Scholar] [CrossRef]
- Jaeger, R.; Koplin, C. Measuring and Modelling Residual Stresses in Polymer-Based Dental Composites. In Residual Stresses in Composite Materials; Woodhead Publishing: Cambridge, UK, 2014. [Google Scholar] [CrossRef]
- Dai, F. Understanding Residual Stresses in Thick Polymer Composite Laminates. In Residual Stresses in Composite Materials; Woodhead Publishing: Cambridge, UK, 2014. [Google Scholar] [CrossRef]
- Wang, C.; Yue, G.; Zhang, J.; Liu, J.; Li, J. Formation and Test Methods of the Thermo-Residual Stresses for Thermoplastic Polymer Matrix Composites. In Civil, Architecture and Environmental Engineering; CRC Press: Boca Raton, FL, USA, 2020. [Google Scholar] [CrossRef]
- Rzanitsyn, A.R. Theory of Creep; Stroyizdat: Moscow, Russia, 1968. [Google Scholar]
- Ferry, J.D. Viscoelastic Properties of Polymers. J. Electrochem. Soc. 1961, 108, 142C. [Google Scholar] [CrossRef]
- Riande, E.; Diaz-Calleja, R.; Prolongo, M.G.; Masegosa, M.; Salom, C. Polymer Viscoelasticity: Stress and Strain in Practice; Marcel Dekker, Inc.: New York, NY, USA, 1980. [Google Scholar]
- Yan, Y.; Li, P.; Zhang, Z.; Wang, Y.; Zhang, J.; Qiao, L.; Cao, J.; Qi, J. Interfacial Si–O Coordination for Inhibiting the Graphite Phase Enables Superior SiC/Nb Heterostructure Joining by AuNi. Compos. Part B Eng. 2024, 282, 111557. [Google Scholar] [CrossRef]
- Yan, Y.; Lin, J.; Huang, K.; Zheng, X.; Qiao, L.; Liu, S.; Cao, J.; Jun, S.C.; Yamauchi, Y.; Qi, J. Tensile Strain-Mediated Spinel Ferrites Enable Superior Oxygen Evolution Activity. J. Am. Chem. Soc. 2023, 145, 24218–24229. [Google Scholar] [CrossRef]
- Xian, G.; Zhou, P.; Li, C.; Dong, S.; Du, H.; Tian, J.; Guo, R.; Peng, Z.; Zhang, Z.; He, T. Mechanical Properties Evaluation of Glass Fiber Reinforced Thermoplastic Composite Plate under Combined Bending Loading and Water Immersion. Constr. Build. Mater. 2024, 440, 137470. [Google Scholar] [CrossRef]
- Cheng, W.; Cao, Y. Investigation of the Hygrothermal Aging Behavior of GFRP Laminates Used for a Marine Unmanned Aerial Vehicle Structure. AIP Adv. 2023, 13, 045107. [Google Scholar] [CrossRef]
- Vedernikov, A.; Gemi, L.; Madenci, E.; Onuralp Özkılıç, Y.; Yazman, Ş.; Gusev, S.; Sulimov, A.; Bondareva, J.; Evlashin, S.; Konev, S.; et al. Effects of High Pulling Speeds on Mechanical Properties and Morphology of Pultruded GFRP Composite Flat Laminates. Compos. Struct. 2022, 301, 116216. [Google Scholar] [CrossRef]
- Aksoylu, C.; Özkılıç, Y.O.; Madenci, E.; Safonov, A. Compressive Behavior of Pultruded GFRP Boxes with Concentric Openings Strengthened by Different Composite Wrappings. Polymers 2022, 14, 4095. [Google Scholar] [CrossRef] [PubMed]
- Madenci, E.; Özkılıç, Y.O.; Aksoylu, C.; Safonov, A. The Effects of Eccentric Web Openings on the Compressive Performance of Pultruded GFRP Boxes Wrapped with GFRP and CFRP Sheets. Polymers 2022, 14, 4567. [Google Scholar] [CrossRef] [PubMed]
- Astashkin, V.M.; Likholetov, V.V. Residual Stress Formation in Plastic Elements of Structures During Heat Changes in Conditions of Constrained Deformation. Izvestiya Vuzov. Constr. Archit. 1985, 10, 128–131. [Google Scholar]
- Astashkin, V.M.; Tereshchuk, S.V. Methods of Description of Stressed State of Structures from Laminated Plastics Under Axisymmetric Alternating Thermal Influence. In Investigations on Building Materials, Constructions and Mechanics: Collection of Scientific Works; Chelyabisk Polythechnical University: Chelyabinsk, Russia, 1991; pp. 21–26. [Google Scholar]
- Kim, C.; Kim, Y.-G.; Choe, U. Analysis of Thermo-Viscoelastic Residual Stresses and Thermal Buckling of Composite Cylinders. Trans. Korean Soc. Mech. Eng. A 2002, 26, 1653–1665. [Google Scholar] [CrossRef]
- Coules, H.E.; Horne, G.C.M.; Abburi Venkata, K.; Pirling, T. The Effects of Residual Stress on Elastic-Plastic Fracture Propagation and Stability. Mater. Des. 2018, 143, 131–140. [Google Scholar] [CrossRef]
- van den Berg, N.; Xin, H.; Veljkovic, M. Effects of Residual Stresses on Fatigue Crack Propagation of an Orthotropic Steel Bridge Deck. Mater. Des. 2021, 198, 109294. [Google Scholar] [CrossRef]
- Zhang, M.; Zhang, S.; Xie, H.; Li, S. Micromechanical Analysis and Experimental Studies of Thermal Residual Stress Forming Mechanism in FRP Composites. Appl. Compos. Mater. 2021, 28, 1945–1957. [Google Scholar] [CrossRef]
- Shokrieh, M.M.; Kamali Shahri, S.M. Modeling Residual Stresses in Composite Materials. In Residual Stresses in Composite Materials; Elsevier: Amsterdam, The Netherlands, 2021; pp. 193–213. [Google Scholar] [CrossRef]
- Yuan, Z.; Wang, Y.; Yang, G.; Tang, A.; Yang, Z.; Li, S.; Li, Y.; Song, D. Evolution of Curing Residual Stresses in Composite Using Multi-Scale Method. Compos. Part B Eng. 2018, 155, 49–61. [Google Scholar] [CrossRef]
- Zhang, J.T.; Zhang, M.; Li, S.X.; Pavier, M.J.; Smith, D.J. Residual Stresses Created during Curing of a Polymer Matrix Composite Using a Viscoelastic Model. Compos. Sci. Technol. 2016, 130, 20–27. [Google Scholar] [CrossRef]
- Abouhamzeh, M.; Sinke, J.; Benedictus, R. Prediction Models for Distortions and Residual Stresses in Thermoset Polymer Laminates: An Overview. J. Manuf. Mater. Process. 2019, 3, 87. [Google Scholar] [CrossRef]
- Di Landro, L.; Pegoraro, M. Evaluation of Residual Stresses and Adhesion in Polymer Composites. Compos. Part A Appl. Sci. Manuf. 1996, 27, 847–853. [Google Scholar] [CrossRef]
- Chava, S.; Namilae, S. Continuous Evolution of Processing Induced Residual Stresses in Composites: An In-Situ Approach. Compos. Part A Appl. Sci. Manuf. 2021, 145, 106368. [Google Scholar] [CrossRef]
- Lee, S.M.; Schile, R.D. An Investigation of Material Variables of Epoxy Resins Controlling Transverse Cracking in Composites. J. Mater. Sci. 1982, 17, 2095–2106. [Google Scholar] [CrossRef]
- Li, X.; Han, X.; Duan, S.; Liu, G.R. A Two-Stage Genetic Algorithm for Molding Parameters Optimization for Minimized Residual Stresses in Composite Laminates During Curing. Appl. Compos. Mater. 2021, 28, 1315–1334. [Google Scholar] [CrossRef]
- Ammar, M.M.A.; Shirinzadeh, B.; Zhao, P.; Shi, Y. Optimization of Process-Induced Residual Stresses in Automated Manufacturing of Thermoset Composites. Aerosp. Sci. Technol. 2022, 123, 107443. [Google Scholar] [CrossRef]
- Akbari, S.; Taheri-Behrooz, F.; Shokrieh, M.M. Characterization of Residual Stresses in a Thin-Walled Filament Wound Carbon/Epoxy Ring Using Incremental Hole Drilling Method. Compos. Sci. Technol. 2014, 94, 8–15. [Google Scholar] [CrossRef]
- Turusov, R.A.; Stratonova, M.M. Temperature Stresses in Nonuniformly Heated Polymer Rods. Polym. Mech. 1971, 3, 624–625. [Google Scholar] [CrossRef]
- Hoffman, C.A. Effects of Thermal Loading on Fiber-Reinforced Composites With Constituents of Differing Thermal Expansivities. J. Eng. Mater. Technol. 1973, 95, 55–62. [Google Scholar] [CrossRef]
- Rousseau, I.A.; Xie, T. Shape Memory Epoxy: Composition, Structure, Properties and Shape Memory Performances. J. Mater. Chem. 2010, 20, 3431–3441. [Google Scholar] [CrossRef]
- Xin, X.; Liu, L.; Liu, Y.; Leng, J. Mechanical Models, Structures, and Applications of Shape-Memory Polymers and Their Composites. Acta Mech. Solida Sin. 2019, 32, 535–565. [Google Scholar] [CrossRef]
- Li, Z.F.; Wang, Z.D. Review on Thermomechanical Constitutive Model of Shape Memory Polymers. Gaofenzi Cailiao Kexue Yu Gongcheng/Polym. Mater. Sci. Eng. 2009, 25. [Google Scholar] [CrossRef]
- Lexcellent, C.; Butaud, P.; Foltête, E.; Ouisse, M. A Review of Shape Memory Polymers Thermomechanical Modelling: Analysis in the Frequency Domain. In Advanced Structured Materials; Springer: Cham, Switzerland, 2017. [Google Scholar] [CrossRef]
- Chen, J.; Liu, L.; Fei, F.; Wang, Y.; Liu, Y.; Leng, J. Modeling Mechanical Behavior of Epoxy-Shape Memory Polymers. In Proceedings of the Behavior and Mechanics of Multifunctional Materials and Composites 2013, San Diego, CA, USA, 10–14 March 2013. [Google Scholar] [CrossRef]
- Yu, K.; McClung, A.J.W.; Tandon, G.P.; Baur, J.W.; Jerry Qi, H. A Thermomechanical Constitutive Model for an Epoxy Based Shape Memory Polymer and Its Parameter Identifications. Mech. Time-Depend. Mater. 2014, 18, 453–474. [Google Scholar] [CrossRef]
- Zhao, D.; Yin, Y.; Liu, J. A Fractional Finite Strain Viscoelastic Model of Dielectric Elastomer. Appl. Math. Model. 2021, 100, 564–579. [Google Scholar] [CrossRef]
- Meral, F.C.; Royston, T.J.; Magin, R. Fractional Calculus in Viscoelasticity: An Experimental Study. Commun. Nonlinear Sci. Numer. Simul. 2010, 15, 939–945. [Google Scholar] [CrossRef]
- Shen, L.-J. Fractional Derivative Models for Viscoelastic Materials at Finite Deformations. Int. J. Solids Struct. 2020, 190, 226–237. [Google Scholar] [CrossRef]
- Mainardi, F.; Spada, G. Creep, Relaxation and Viscosity Properties for Basic Fractional Models in Rheology. Eur. Phys. J. Spec. Top. 2011, 193, 133–160. [Google Scholar] [CrossRef]
- John, D.F. Viscoelastic Properties of Polymers, 3rd ed.; John Wiley & Sons, Inc.: Hoboken, NJ, USA, 1980. [Google Scholar]
- Majda, P.; Skrodzewicz, J. A Modified Creep Model of Epoxy Adhesive at Ambient Temperature. Int. J. Adhes. Adhes. 2009, 29, 396–404. [Google Scholar] [CrossRef]
- Seyedkazemi, M.; Wenqi, H.; Jing, G.; Ahmadi, P.; Khajehdezfuly, A. Auxetic Structures with Viscoelastic Behavior: A Review of Mechanisms, Simulation, and Future Perspectives. Structures 2024, 70, 107610. [Google Scholar] [CrossRef]
- Mishnev, M.; Korolev, A.; Zadorin, A.; Astashkin, V. Cyclic Thermomechanical Loading of Epoxy Polymer: Modeling with Consideration of Stress Accumulation and Experimental Verification. Polymers 2024, 16, 910. [Google Scholar] [CrossRef] [PubMed]
- GOST 19907-83; Dielectric Fabrics Made of Glass. Twister Complex Threads. Specifications. Federal Agency for Technical Regulation and Metrology: Moscow, Russia, 1984.
- GOST 9550-81; Methods for Determination of Elasticity Modulus at Strength, Compression and Bending. RU-GOST: Moscow, Russia, 1981.
- Storn, R.; Price, K. Differential Evolution—A Simple and Efficient Heuristic for Global Optimization over Continuous Spaces. J. Glob. Optim. 1997, 11, 341–359. [Google Scholar] [CrossRef]
- Turusov, R.A.; Andreevskaya, G.D. Isothermal Relaxation of Temperature Stresses in Rigid Mesh Polymers. Rep. Acad. Sci. 1979, 247, 1381–1383. [Google Scholar]
























| Model Relaxation Curve | Time Interval, s | E1, MPa | E2, MPa | η, MPa·s | |
|---|---|---|---|---|---|
| t = 30 °C σ0 = 4.2 MPa | ![]() | 0–60 | 3045 | 381,810 | 3.57 × 107 |
| 60–120 | 3056 | 238,874 | 7.40 × 106 | ||
| 120–400 | 3046 | 228,618 | 1.45 × 107 | ||
| 400–900 | 3060 | 404,890 | 6.75 × 107 | ||
| 900–3600 | 3054 | 301,349 | 1.20 × 108 | ||
| t = 60 °C σ0 = 4.2 MPa | ![]() | 0–60 | 2783 | 35,982 | 1.00 × 106 |
| 60–120 | 2761 | 194,441 | 7.04 × 106 | ||
| 120–400 | 2764 | 94,170 | 9.87 × 106 | ||
| 400–1500 | 2779 | 42,637 | 2.04 × 107 | ||
| 1500–3600 | 2760 | 51,894 | 5.67 × 107 | ||
| t = 90 °C σ0 = 4.2 MPa | ![]() | 0–60 | 1658 | 315,760 | 2.55 × 107 |
| 60–90 | 1668 | 23,270 | 1.00 × 106 | ||
| 90–180 | 1661 | 10,338 | 1.26 × 106 | ||
| 180–360 | 1654 | 12,222 | 2.39 × 106 | ||
| 360–600 | 1658 | 13711 | 3.89 × 106 | ||
| 600–1500 | 1667 | 10,000 | 4.76 × 106 | ||
| 1500–3600 | 1668 | 10,000 | 8.63 × 106 | ||
| Model/Experimental Relaxation Curve | Time Interval, s | E1, MPa | E2, MPa | η, MPa·s | |
|---|---|---|---|---|---|
| t = 30 °C σ0 = 5.6 MPa | ![]() | 0–60 | 10,783 | 124,579 | 1.00 × 106 |
| 60–120 | 10,689 | 705,152 | 2.20 × 107 | ||
| 120–600 | 10,730 | 653,221 | 4.63 × 107 | ||
| 600–900 | 10,683 | 999,732 | 2.60 × 108 | ||
| 900–3600 | 10,773 | 774,976 | 3.64 × 108 | ||
| t = 60 °C σ0 = 5.6 MPa | ![]() | ||||
| 0–60 | 7827 | 348,725 | 1.82 × 108 | ||
| 60–90 | 7833 | 317,182 | 1.41 × 107 | ||
| 90–180 | 7821 | 314,093 | 3.64 × 107 | ||
| 180–360 | 7825 | 208,479 | 6.71 × 107 | ||
| 360–600 | 7810 | 303,202 | 1.42 × 108 | ||
| 600–1500 | 7814 | 174,597 | 1.97 × 108 | ||
| 1500–3600 | 7832 | 139,584 | 3.16 × 108 | ||
| t = 90 °C σ0 = 5.6 MPa | ![]() | 0–60 | 7105 | 65,605 | 1.00 × 106 |
| 60–90 | 7048 | 167,061 | 8.48 × 106 | ||
| 90–180 | 7101 | 143,522 | 1.97 × 107 | ||
| 180–360 | 7072 | 161,122 | 4.50 × 107 | ||
| 360–600 | 7091 | 128,993 | 6.95 × 107 | ||
| 600–1500 | 7077 | 100,500 | 1.12 × 108 | ||
| 1500–3600 | 7082 | 167,416 | 2.67 × 108 | ||
Disclaimer/Publisher’s Note: The statements, opinions and data contained in all publications are solely those of the individual author(s) and contributor(s) and not of MDPI and/or the editor(s). MDPI and/or the editor(s) disclaim responsibility for any injury to people or property resulting from any ideas, methods, instructions or products referred to in the content. |
© 2025 by the authors. Licensee MDPI, Basel, Switzerland. This article is an open access article distributed under the terms and conditions of the Creative Commons Attribution (CC BY) license (https://creativecommons.org/licenses/by/4.0/).
Share and Cite
Mishnev, M.; Korolev, A.; Zadorin, A.; Alabugina, D.; Malikov, D.; Zyrianov, F. Viscoelastic Memory Effects in Cyclic Thermomechanical Loading of Epoxy Polymer and Glass-Reinforced Composite: An Experimental Study and Modeling Under Variable Initial Stress and Cycle Durations. Polymers 2025, 17, 344. https://doi.org/10.3390/polym17030344
Mishnev M, Korolev A, Zadorin A, Alabugina D, Malikov D, Zyrianov F. Viscoelastic Memory Effects in Cyclic Thermomechanical Loading of Epoxy Polymer and Glass-Reinforced Composite: An Experimental Study and Modeling Under Variable Initial Stress and Cycle Durations. Polymers. 2025; 17(3):344. https://doi.org/10.3390/polym17030344
Chicago/Turabian StyleMishnev, Maxim, Alexander Korolev, Alexander Zadorin, Daria Alabugina, Denis Malikov, and Fedor Zyrianov. 2025. "Viscoelastic Memory Effects in Cyclic Thermomechanical Loading of Epoxy Polymer and Glass-Reinforced Composite: An Experimental Study and Modeling Under Variable Initial Stress and Cycle Durations" Polymers 17, no. 3: 344. https://doi.org/10.3390/polym17030344
APA StyleMishnev, M., Korolev, A., Zadorin, A., Alabugina, D., Malikov, D., & Zyrianov, F. (2025). Viscoelastic Memory Effects in Cyclic Thermomechanical Loading of Epoxy Polymer and Glass-Reinforced Composite: An Experimental Study and Modeling Under Variable Initial Stress and Cycle Durations. Polymers, 17(3), 344. https://doi.org/10.3390/polym17030344







