The Multiple Recycling Process of Polypropylene Composites with Glass Fiber in Terms of Grinding Efficiency and Selected Properties of Recirculated Products
Abstract
1. Introduction
2. Materials and Methods
2.1. Materials
2.2. The Multiple Mechanical Recycling Process
2.3. Analytical Methods
3. Results and Discussions
3.1. Efficiency of the Grinding Process
3.2. Surface Properties
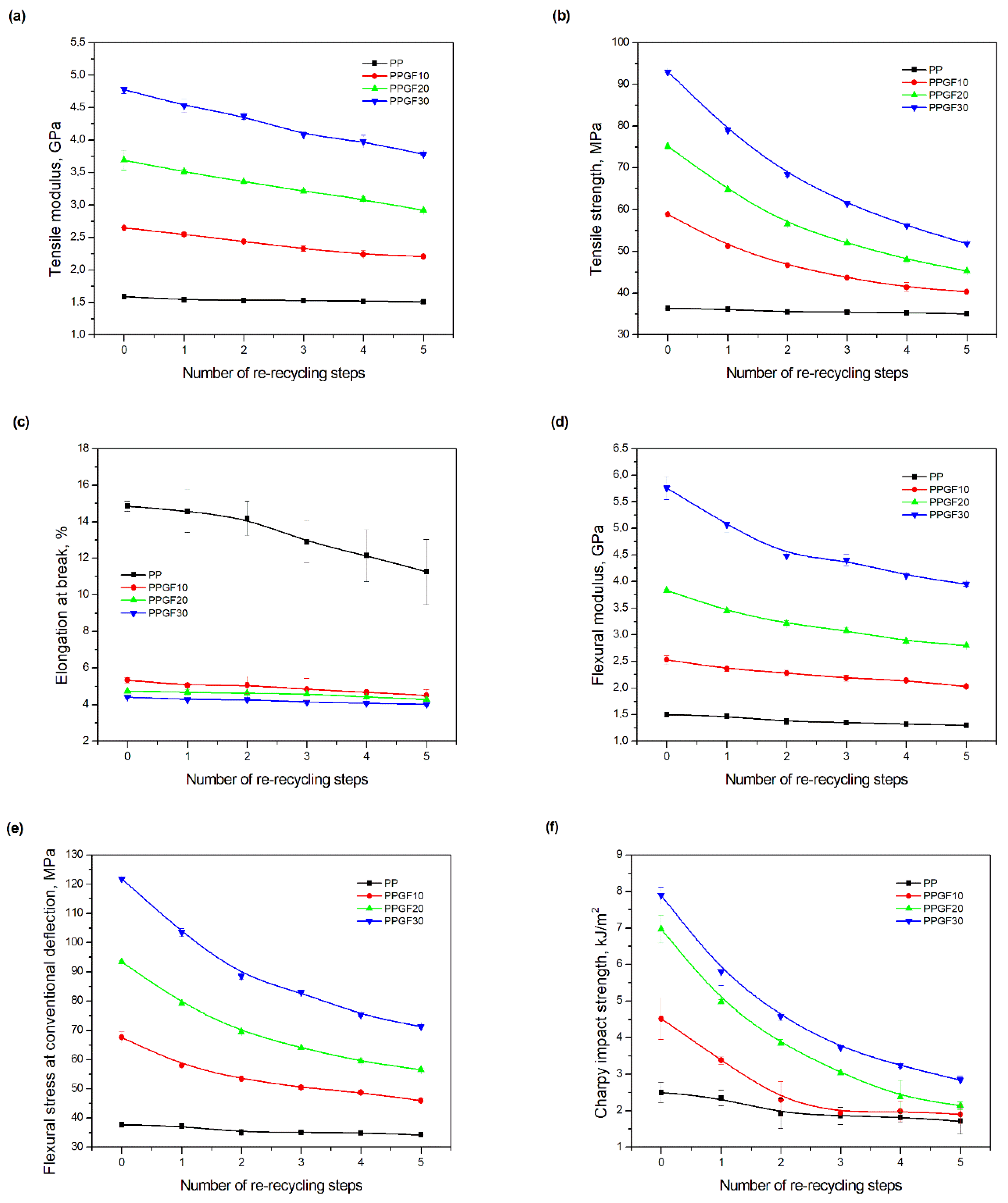
3.3. Mechanical Properties
3.4. Thermal Properties
4. Conclusions
Author Contributions
Funding
Institutional Review Board Statement
Informed Consent Statement
Data Availability Statement
Conflicts of Interest
References
- Uekert, T.; Singh, A.; DesVeaux, J.S.; Ghosh, T.; Bhatt, A.; Yadav, G.; Afzal, S.; Walzberg, J.; Knauer, K.M.; Nicholson, S.R.; et al. Technical, Economic, and Environmental Comparison of Closed-Loop Recycling Technologies for Common Plastics. ACS Sustain. Chem. Eng. 2023, 11, 965–978. [Google Scholar] [CrossRef]
- Traxler, I.; Laske, S.; Fischer, J. Closed-loop recycling of polypropylene: A case study on mechanical recycling of separately collected yogurt cups in Austria. Resour. Conserv. Recycl. 2024, 205, 10737. [Google Scholar] [CrossRef]
- Mayer, P.; Kaczmar, J.W. Właściwości i zastosowania włókien węglowych i szklanych. Tworzywa Sztuczne Chemia 2008, 6, 52–56. [Google Scholar]
- Tolinski, M. Additives for Polyolefins: Getting the Most Out of Polypropylene, Polyethylene and TPO, 2nd ed.; Elsevier Inc.: Alpharetta, GA, USA, 2015; pp. 71–88. [Google Scholar] [CrossRef]
- Rodriguez, E.; Petrucci, R.; Puglia, D.; Kenny, J.M.; Vazquez, A. Characterization of composites based on natural and glass fibers obtained by vacuum infusion. J. Compos. Mater. 2005, 39, 265–282. [Google Scholar] [CrossRef]
- Han, S.O.; Lee, S.M.; Park, W.H.; Cho, D. Mechanical and thermal properties of waste silk fiber-reinforced poly(butylenes succinate) biocomposites. J. Appl. Polym. Sci. 2006, 100, 4972–4980. [Google Scholar] [CrossRef]
- Mohanty, S.; Verma, S.K.; Nayak, S.K.; Tripathy, S.S. Influence of fiber treatment on the performance of sisal polypropylene composites. J. Appl. Polym. Sci. 2004, 94, 1336–1345. [Google Scholar] [CrossRef]
- Khan, R.A.; Khan, M.A.; Sultana, S.; Khan, M.N.; Shubhra, Q.T.H.; Noor, F.G. Mechanical, Degradation, and Interfacial Properties of Synthetic Degradable Fiber Reinforced Polypropylene Composite. J. Reinforc. Plast. Compos. 2009, 29, 466–476. [Google Scholar] [CrossRef]
- Shubhra, Q.T.; Alam, A.; Quaiyyum, M. Mechanical properties of polypropylene composites: A review. J. Thermoplast. Compos. Mater. 2011, 26, 362–391. [Google Scholar] [CrossRef]
- Thomason, J.L. The influence of fibre length and concentration on the properties of glass fibre reinforced polypropylene: 5. Injection moulded long and short fibre PP. Compos. Part A 2002, 33, 1641–1652. [Google Scholar] [CrossRef]
- Rahman, N.A.; Hassan, A.; Yahya, R.; Lafia-Araga, R.A. Impact Properties of Glass fiber/Polypropylene Composites: The Influence of Fiber Loading, Specimen Geometry and Test Temperature. Fibers Polym. 2013, 14, 1877–1885. [Google Scholar] [CrossRef]
- Jacob, S.; Suma, K.K.; Mendaz, J.M.; George, A.; George, K.E. Modification of Polypropylene/Glass Fiber Composites with Nanosilica. Macromol. Symp. 2009, 277, 138–143. [Google Scholar] [CrossRef]
- Pegoretti, A.; Ricco, T. Fatigue crack propagation in polypropylene reinforced with short glass fibres. Compos. Sci. Technol. 1999, 59, 1055–1062. [Google Scholar] [CrossRef]
- Karger-Kocsis, J.; Friedrich, K.; Bailey, R.S. Fatigue and Failure Behavior of Short and Long Glass Fiber Reinforced Injection-Molded Polypropylene. Sci. Eng. Compos. Mater. 1991, 2, 49–68. [Google Scholar] [CrossRef]
- Fu, S.-Y.; Lauke, B.; Mader, E.; Yue, C.-Y.; Hu, X. Tensile properties of short-glass-fiber- and short-carbon-fiber-reinforced polypropylene composites. Compos. Part A Appl. Sci. Manuf. 2000, 31, 1117–1125. [Google Scholar] [CrossRef]
- Thomason, J.L. The influence of fibre length and concentration on the properties of glass fibre reinforced polypropylene. 6. The properties of injection moulded long fibre PP at high fibre content. Compos. Part A Appl. Sci. Manuf. 2005, 36, 995–1003. [Google Scholar] [CrossRef]
- Pedrazzoli, D.; Pegoretti, A. Hybridization of short glass fiber polypropylene composites with nanosilica and graphite nanoplatelets. J. Reinforc. Plast. Compos. 2014, 33, 1682–1695. [Google Scholar] [CrossRef]
- Kwiatkowski, D.; Nabialek, J.; Gnatowski, A. The examination of the structure of PP composites with the glass fibre. Arch. Mater. Sci. Eng. 2007, 28, 405–408. [Google Scholar]
- Zahra Shahroodi, Z.; Krempl, N.; Zidar, D.; Mayrhofer, T.; Kirschnick, U.; Arbeiter, F.; Duretek, I.; Holzer, C. Waste-to-Value Feasibility Study: Assessing the Viability and Quality of Incorporating Different Postindustrial Glass-Fiber Composites into Postconsumer Recycled Polypropylene. ACS Sustain. Chem. Eng. 2024, 12, 12619–12631. [Google Scholar] [CrossRef]
- Ghasemzadeh-Barvarz, M.; Duchesne, C.; Rodrigue, D. Mechanical, water absorption, and aging properties of polypropylene/flax/glass fiber hybrid composites. J. Compos. Mater. 2015, 49, 3781–3798. [Google Scholar] [CrossRef]
- Khan, M.N.; Roy, J.K.; Akter, N.; Zaman, H.U.; Islam, T.; Khan, R.A. Production and Properties of Short Jute and Short E-Glass Fiber Reinforced Polypropylene-Based Composites. Open J. Compos. Mater. 2012, 2, 40–47. [Google Scholar] [CrossRef]
- Valente, M.; Sarasini, F.; Marra, F.; Tirillò, J.; Pulci, G. Hybrid recycled glass fiber/wood flour thermoplastic composites: Manufacturing and mechanical characterization. Compos. Part A Appl. Sci. Manuf. 2011, 42, 649–657. [Google Scholar] [CrossRef]
- Soy, U.; Findik, F.; Yetgin, S.H.; Gokkurt, T.; Yıldırım, F. Fabrication and Mechanical Properties of Glass Fiber/Talc/CaCO3 Filled Recycled PP Composites. Am. J. Appl. Sci. 2017, 14, 878–885. [Google Scholar] [CrossRef]
- Kufel, A.; Para, S.; Kuciel, S. Basalt/Glass Fiber Polypropylene Hybrid Composites: Mechanical Properties at Different Temperatures and under Cyclic Loading and Micromechanical Modelling. Materials 2021, 14, 5574. [Google Scholar] [CrossRef]
- Barczewski, M.; Mysiukiewicz, O.; Andrzejewski, J.; Matykiewicz, D.; Medycki, D.; Kloziński, A.; Skórczewska, K.; Szostak, M. Thermo-mechanical and mechanical behavior of hybrid isotactic polypropylene glass fiber reinforced composites (GFRC) modified with calcium carbonate (CaCO3). Polym. Eng. Sci. 2020, 60, 1588–1603. [Google Scholar] [CrossRef]
- Carvalho, G.B.; Canevarolo, S.V., Jr.; Sousa, J.A. Influence of interfacial interactions on the mechanical behavior of hybrid composites of polypropylene/short glass fibers/hollow glass beads. Polym. Test. 2020, 85, 106418. [Google Scholar] [CrossRef]
- Gültürk, C.; Berber, H. Effects of mechanical recycling on the properties of glass fiber reinforced polyamide 66 composites in automotive components. e-Polymers 2023, 23, 20230129. [Google Scholar] [CrossRef]
- Mondadori, N.; Nunes, R.; Canto, L.; Zattera, A. Composites of Recycled PET Reinforced with Short Glass Fiber. J. Thermoplast. Compos. Mater. 2012, 25, 747–764. [Google Scholar] [CrossRef]
- Colucci, G.; Simon, H.; Roncato, D.; Martorana, B.; Badini, C. Effect of recycling on polypropylene composites reinforced with glass fibres. J. Thermoplast. Compos. Mater. 2015, 30, 707–723. [Google Scholar] [CrossRef]
- Scaffaro, R.; Di Bartolo, A.; Dintcheva, N.T. Matrix and Filler Recycling of Carbon and Glass Fiber-Reinforced Polymer Composites: A Review. Polymers 2021, 13, 3817. [Google Scholar] [CrossRef]
- Błędzki, A.K. Recykling Materiałów Polimerowych; Wydawnictwo Naukowo-Techniczne: Warszawa, Poland, 1997; pp. 20–82. [Google Scholar]
- Chiou, A.-H.; Lin, C.-H. Material and mechanical characterization of recycled polypropylene reinforced with different weight percentages of short glass fiber developed by injection molding. Heliyon 2023, 9, e19403. [Google Scholar] [CrossRef]
- Pegoretti, A. Recycling concepts for short-fiber-reinforced and particle-filled thermoplastic composites: A review. Adv. Ind. Eng. Polym. Res. 2021, 4, 93–104. [Google Scholar] [CrossRef]
- da Costa, H.M.; Ramos, V.D.; de Oliveira, M.G. Degradation of polypropylene (PP) during multiple extrusions: Thermal analysis, mechanical properties and analysis of variance. Polym. Test. 2007, 26, 676–684. [Google Scholar] [CrossRef]
- Bahlouli, N.; Pessey, D.; Raveyre, C.; Guillet, J.; Ahzi, S.; Dahoum, A.; Hiver, J.M. Recycling effects on the rheological and thermomechanical properties of polypropylene-based composites. Mater. Des. 2012, 33, 451–458. [Google Scholar] [CrossRef]
- Tocháček, J.; Jančář, J.; Kalfus, J.; Zbořilová, P.; Buráň, Z. Degradation of polypropylene impact-copolymer during processing. Polym. Degrad. Stabil. 2008, 93, 770–775. [Google Scholar] [CrossRef]
- Chen, T.; Mansfield, C.D.; Ju, L.; Baird, D.G. The influence of mechanical recycling on the properties of thermotropic liquid crystalline polymer and long glass fiber reinforced polypropylene. Compos. Part B Eng. 2020, 200, 108316. [Google Scholar] [CrossRef]
- Pfisterer, I.; Rinberg, R.; Kroll, L. Investigation of material degradation during multiple recycling loops of a glass fiber reinforced polypropylene compound to evaluate life cycle analysis based on mechanical properties. Technol. Lightweight Struct. 2021, 5, 61–68. [Google Scholar] [CrossRef]
- Kang, D.; Lee, J.-M.; Moon, C.; Kim, H.-I. Improvement in mechanical properties of recycled polypropylene composite by controlling the length distribution of glass fibers. Polym. Compos. 2021, 42, 2171–2179. [Google Scholar] [CrossRef]
- Achukwu, E.O.; Owen, M.M.; Danladi, A.; Dauda, B.M.; Romli, A.Z.; Shuib, S.B.; Ishiaku, U.S.; Hazizan, A.M. Recycling effects on the bending, rheological, and structural properties of glass fiber-reinforced isotactic polypropylene composites. J. Reinforc. Plast. Compos. 2023, 43, 532–546. [Google Scholar] [CrossRef]
- Jakubowska, P.; Borkowski, G.; Brząkalski, D.; Sztorch, B.; Kloziński, A.; Przekop, R.E. The Accelerated Aging Impact on Mechanical and Thermal Properties of Polypropylene Composites with Sedimentary Rock Opoka-Hybrid Natural Filler. Materials 2022, 15, 338. [Google Scholar] [CrossRef]
- Almond, J.; Sugumaar, P.; Wenzel, M.N.; Hill, G.; Wallis, C. Determination of the carbonyl index of polyethylene and polypropylene using specified area under band methodology with ATR-FTIR spectroscopy. e-Polymers 2020, 20, 369–381. [Google Scholar] [CrossRef]
- Ciężkowski, P.; Bąk, S.; Caban, J.; Seńko, J.; Waśkowicz, M.A. Preliminary Research to Assess the Possibility of Grinding Selected Plastics Using Crushers. Polymers 2024, 16, 3104. [Google Scholar] [CrossRef] [PubMed]
- Avolio, R.; Spina, F.; Gentile, G.; Cocca, M.; Avella, M.; Carfagna, C.; Tealdo, G.; Errico, M.E. Recycling Polyethylene-Rich Plastic Waste from Landfill Reclamation: Toward an Enhanced Landfill-Mining Approach. Polymers 2019, 11, 208. [Google Scholar] [CrossRef] [PubMed]
- Flizikowski, J.; Bieliński, K.; Nowicki, M. Research and development of plastic wastes grinding in recycling. Inż. Ap. Chem. 2012, 51, 216–218. [Google Scholar]
- Macko, M. Size Reduction by Grinding as an Important Stage in Recycling. In Post-Consumer Waste Recycling and Optimal Production; Damanhuri, E., Ed.; IN TECH d.o.o.: Rijeka, Croatia, 2019; Chapter 15; pp. 273–294. [Google Scholar]
- Sykutera, D.; Bieliński, M. Improving the effectiveness of the mechanical recycling processes of thermoplastics with a porous structure. Polimery 2019, 64, 795–802. [Google Scholar] [CrossRef]
- Wilczyński, K. Przetwórstwo Tworzyw Sztucznych; Oficyna Wydawnicza Politechniki Warszawskiej: Warszawa, Poland, 2000; pp. 12–13. [Google Scholar]
- Kloziński, A.; Sterzyński, T.; Samujło, B. The impact of flow induced changes of polymers density on rheological measurements. Polimery 2009, 54, 57–61. [Google Scholar] [CrossRef]
- Menges, G. Werkstoffkunde Kunststoffe; Carl Hanser Verlag München: Wien, Austria, 1990. [Google Scholar]
- Samujło, B.; Sikora, J.W. The impactt of selected granulometric properties of poly(vinyl chloride) on the effectiveness of the extrusion process. J. Polym. Eng. 2013, 33, 77–85. [Google Scholar] [CrossRef]
- Johann, K.S.; Reißing, A.; Bonten, C. Comparative Analysis of the Solid Conveying of Regrind, Virgin and Powdery Polyolefins in Single-Screw Extrusion. J. Manuf. Mater. Process. 2022, 6, 56. [Google Scholar] [CrossRef]
- Thieleke, P.; Bonten, C. Enhanced Processing of Regrind as Recycling Material in Single-Screw Extruders. Polymers 2021, 13, 1540. [Google Scholar] [CrossRef]
- Żuchowska, D. Polimery Konstrukcyjne; Wydawnictwo Naukowo-Techniczne: Warszawa, Poland, 2000; pp. 263–267. [Google Scholar]
- Colin, X.; Verdu, J. Polymer degradation during processing. C. R. Chimie 2006, 9, 1380–1395. [Google Scholar] [CrossRef]
- Ceretti, D.V.A.; Edeleva, M.; Cardon, L.; D’hooge, D.R. Molecular Pathways for Polymer Degradation during Conventional Processing, Additive Manufacturing, and Mechanical Recycling. Molecules 2023, 28, 2344. [Google Scholar] [CrossRef]
- Gijsman, P. Polymer Stabilization. In Applied Plastics Engineering Handbook: Processing, Materials, and Applications, 2nd ed.; Kutz, M., Ed.; William Andrew: Oxford, UK, 2017; Chapter 18; pp. 395–421. [Google Scholar]
- Ariño, I.; Kleist, U.; Rigdahl, M. Color of Pigmented Plastics-Measurements and Predictions. Polym. Eng. Sci. 2004, 44, 141–152. [Google Scholar] [CrossRef]
- Chorobiński, M.; Skowroński, Ł.; Bieliński, M. Methodology for determining selected characteristics of polyethylene dyeing using CIELab system. Polimery 2019, 64, 690–696. [Google Scholar] [CrossRef]
- Ignell, S.; Kleist, U.; Rigdahl, M. Visual perception and measurements of texture and gloss of injection-molded plastics. Polym. Eng. Sci. 2009, 49, 344–353. [Google Scholar] [CrossRef]
- Bociąga, E.; Trzaskalska, M.; Wróż, K. Influence of polymer processing parameters and coloring agents on gloss and color of acrylonitrile-butadiene-styrene terpolymer moldings. Polimery 2016, 61, 544–550. [Google Scholar] [CrossRef]
- Bociąga, E.; Trzaskalska, M. Influence of processing conditions on properties of mouldings made of dyed ABS. Przetwórstwo Tworzyw 2015, 21, 214–219. [Google Scholar]
- Iannuzzi, G.; Mattsson, B.; Rigdahl, M. Color changes due to thermal ageing and artificial weathering of pigmented and textured ABS. Polym. Eng. Sci. 2012, 53, 1687–1695. [Google Scholar] [CrossRef]
- Kim, M.W.; Lee, S.H.; Youn, J.R. Effects of filler size and content on shrinkage and gloss of injection molded PBT/PET/talc composites. Polym. Compos. 2010, 31, 1020–1027. [Google Scholar] [CrossRef]
- Kloziński, A.; Szczepańska, M.; Jakubowska, P.; Samujło, B.; Barczewski, M.; Lota, G. The influence of calcium carbonate and its modifications on the extrusion process and selected functional properties of polypropylene cast films. Polimery 2022, 67, 509–521. [Google Scholar] [CrossRef]
- Kloziński, A.; Postawa, P.; Jakubowska, P.; Trzaskalska, M. Polydimethylsiloxane as a Modifier of the Processing, Surface and Mechanical Properties of the Linear Low-Density Polyethylene Recyclate. Materials 2025, 18, 2552. [Google Scholar] [CrossRef]
- Sihono, G.D.; Saragih, R. Impact of Repetitive Recycling on Optical Properties of Virgin and Recycled Polypropylene Blends Based on Material Value Conservation Paradigm. Mater. Sci. Forum 2021, 1020, 92–198. [Google Scholar] [CrossRef]
- Broniewski, T. Metody Badań i Ocena Właściwości Tworzyw Sztucznych; Wydawnictwo Naukowo-Techniczne: Warszawa, Poland, 2000; pp. 189–252. [Google Scholar]
- Rudrappa, S.D.; Srinivasachar, V.Y. Significance of the type of reinforcement on the physicomechanical behavior of short glass fiber and short carbon fiber-reinforced polypropylene composites. Eng. Rep. 2020, 2, e12098. [Google Scholar] [CrossRef]
- Urbaniak-Domagala, W. The Use of the Spectrometric Technique FTIR-ATR to Examine the Polymers Surface. In Advanced Aspects of Spectroscopy; Akhyar Farrukh, M., Ed.; InTech: Singapore, 2012; Chapter 3; pp. 85–104. [Google Scholar] [CrossRef]
- Koay Mei Hyie1, K.M.; Budin, S.; Martinus, N.; Salleh, Z.; Masdek, N.R.N.M. Tensile and flexural investigation on polypropylene recycling. J. Phys. Conf. Ser. 2019, 1174, 012005. [Google Scholar] [CrossRef]
- Incarnato, L.; Di Maio, L.; Aciernot, D.; Denaro, M.; Arrivabene, L. Relationships between processing-structure-migration properties for recycled polypropylene in food packaging. Food Addit. Contam. 1998, 15, 195–202. [Google Scholar] [CrossRef] [PubMed]
- Żurawik, R.; Volke, J.; Zarges, J.-C.; Heim, H.-P. Comparison of Real and Simulated Fiber Orientations in Injection Molded Short Glass Fiber Reinforced Polyamide by X-ray Microtomography. Polymers 2022, 14, 29. [Google Scholar] [CrossRef]
- Fu, S.Y.; Lauke, B. Effects of fiber length and fiber orientation distributions on the tensile strength of short-fiber-reinforced polymers. Compos. Sci. Technol. 1996, 56, 1179–1190. [Google Scholar] [CrossRef]
- Norman, D.A.; Robertson, R.E. The effect of fiber orientation on the toughening of short fiber-reinforced polymers. J. Appl. Polym. Sci. 2003, 90, 2740–2751. [Google Scholar] [CrossRef]
- Pegoretti, A.; Penati, A. Recycled poly(ethylene terephthalate) and its short glass fibres composites: Effects of hygrothermal aging on the thermo-mechanical behavior. Polymer 2004, 45, 7995–8004. [Google Scholar] [CrossRef]
- Nielsen, L.E.; Landel, R.F. Mechanical Properties of Polymers and Composites, 2nd ed.; Marcel Dekker: New York, NY, USA, 1994; pp. 461–505. [Google Scholar]
- de Miranda, L.F.; Silveira, L.H.; Silva, L.G.A.; Munhoz, A.H. Irradiation of a Polypropilene-glass Fiber Composite. Adv. Sci. Technol. 2010, 71, 138–144. [Google Scholar] [CrossRef]















| Polymer Materials | PP | PPGF10 | PPGF20 | PPGF30 |
|---|---|---|---|---|
| Glass fiber content [wt.%] | 0 | 10 | 20 | 30 |
| * Density [g/cm3] | 0.895 ± 0.002 | 0.962 ± 0.003 | 1.029 ± 0.001 | 1.111 ± 0.002 |
| * Bulk density [g/cm3] | 0.550 ± 0.004 | 0.483 ± 0.005 | 0.501 ± 0.002 | 0.534 ± 0.002 |
| * MFR(2.16; 230) [g/10 min] | 2.80 ± 0.02 | 1.98 ± 0.06 | 2.03 ± 0.01 | 2.15 ± 0.09 |
| No. Recycle | Polymer Materials | ||
|---|---|---|---|
| PPGF10 | PPGF20 | PPGF30 | |
| 0 | ![]() | ![]() | ![]() |
| 1 | ![]() | ![]() | ![]() |
| 2 | ![]() | ![]() | ![]() |
| 3 | ![]() | ![]() | ![]() |
| 4 | ![]() | ![]() | ![]() |
| 5 | ![]() | ![]() | ![]() |
| Polymer Materials | Mesh Dimensions of Analytic Screens [mm] | ||||
|---|---|---|---|---|---|
| 7 | 5 | 4 | 2.5 | <2.5 | |
| Fraction Content [wt.%] | |||||
| 1PP | 1.07 ± 0.26 | 31.60 ± 1.59 | 17.47 ± 1.68 | 23.20 ± 1.22 | 26.66 ± 1.16 |
| 2PP | 1.07 ± 0.12 | 32.73 ± 1.62 | 18.80 ± 1.22 | 22.27 ± 1.72 | 25.13 ± 1.43 |
| 3PP | 1.20 ± 0.20 | 27.87 ± 0.81 | 19.53 ± 2.02 | 25.07 ± 0.99 | 26.33 ± 1.21 |
| 4PP | 1.20 ± 0.20 | 26.33 ± 0.46 | 20.93 ± 1.42 | 24.33 ± 0.76 | 27.21 ± 0.87 |
| 5PP | 1.00 ± 0.31 | 28.33 ± 0.23 | 20.67 ± 1.36 | 24.33 ± 0.50 | 25.67 ± 0.62 |
| 1PPGF10 | 0.84 ± 0.35 | 25.21 ± 0.76 | 26.47 ± 1.21 | 22.61 ± 0.53 | 24.87 ± 1.93 |
| 2PPGF10 | 0.67 ± 0.23 | 26.54 ± 0.72 | 25.80 ± 0.40 | 21.27 ± 1.60 | 25.72 ± 0.76 |
| 3PPGF10 | 0.85 ± 0.20 | 29.35 ± 1.20 | 21.87 ± 2.14 | 22.60 ± 1.56 | 25.33 ± 1.15 |
| 4PPGF10 | 0.87 ± 0.16 | 29.20 ± 0.53 | 22.53 ± 0.31 | 23.07 ± 0.31 | 24.33 ± 0.54 |
| 5PPGF10 | 0.60 ± 0.21 | 27.00 ± 0.35 | 23.20 ± 0.12 | 24.07 ± 0.61 | 25.13 ± 1.46 |
| 1PPGF20 | 0.43 ± 0.15 | 30.27 ± 1.26 | 21.33 ± 1.51 | 24.57 ± 1.44 | 23.40 ± 0.39 |
| 2PPGF20 | 0.40 ± 0.20 | 30.13 ± 0.95 | 22.13 ± 1.30 | 25.40 ± 1.11 | 21.94 ± 1.18 |
| 3PPGF20 | 0.33 ± 0.11 | 29.40 ± 1.39 | 20.80 ± 0.53 | 25.13 ± 1.67 | 24.34 ± 0.84 |
| 4PPGF20 | 0.40 ± 0.18 | 27.80 ± 2.46 | 21.80 ± 0.53 | 26.67 ± 1.62 | 23.33 ± 1.97 |
| 5PPGF20 | 0.53 ± 0.12 | 28.73 ± 1.36 | 22.73 ± 2.00 | 23.47 ± 0.46 | 24.54 ± 0.51 |
| 1PPGF30 | 0.33 ± 0.17 | 35.00 ± 1.25 | 22.67 ± 0.76 | 25.53 ± 0.31 | 16.47 ± 0.46 |
| 2PPGF30 | 0.13 ± 0.12 | 34.00 ± 1.51 | 23.73 ± 1.33 | 23.40 ± 1.46 | 18.74 ± 0.66 |
| 3PPGF30 | 0.33 ± 0.12 | 32.07 ± 0.31 | 25.87 ± 1.62 | 24.33 ± 0.50 | 17.40 ± 1.12 |
| 4PPGF30 | 0.33 ± 0.10 | 31.00 ± 1.00 | 25.40 ± 1.59 | 26.67 ± 1.67 | 16.60 ± 0.74 |
| 5PPGF30 | 0.07 ± 0.11 | 27.33 ± 1.27 | 26.20 ± 0.72 | 28.60 ± 1.06 | 17.80 ± 0.28 |
| Wave Number, cm−1 | Absorbing Group and Type of Vibration |
|---|---|
| 2916 | νa (CH2) |
| 2959 | νa (CH3) |
| 2881 | νs (CH3) |
| 2841 | νs (CH2) |
| 1460 | δa (CH3) |
| 1376 | δs (CH3) |
| 1357 | γw (CH2-CH) |
| 1328 | γw (CH2-CH) |
| 1302, 1224, 941 | Carbon lattice pulsation |
| 1170, 1153 | γw (CH3), δ (CH2), δ (CH) |
| 975, 899 | γr (CH3), νr (CH2), νr (CH) |
| 841, 810 | γr (CH2), νr (CH), νr (CH3) |
| 765 | γw (CH2) |
Disclaimer/Publisher’s Note: The statements, opinions and data contained in all publications are solely those of the individual author(s) and contributor(s) and not of MDPI and/or the editor(s). MDPI and/or the editor(s) disclaim responsibility for any injury to people or property resulting from any ideas, methods, instructions or products referred to in the content. |
© 2025 by the authors. Licensee MDPI, Basel, Switzerland. This article is an open access article distributed under the terms and conditions of the Creative Commons Attribution (CC BY) license (https://creativecommons.org/licenses/by/4.0/).
Share and Cite
Kloziński, A.; Jakubowska, P.; Piasecki, A.; Czarnecka-Komorowska, D. The Multiple Recycling Process of Polypropylene Composites with Glass Fiber in Terms of Grinding Efficiency and Selected Properties of Recirculated Products. Polymers 2025, 17, 2625. https://doi.org/10.3390/polym17192625
Kloziński A, Jakubowska P, Piasecki A, Czarnecka-Komorowska D. The Multiple Recycling Process of Polypropylene Composites with Glass Fiber in Terms of Grinding Efficiency and Selected Properties of Recirculated Products. Polymers. 2025; 17(19):2625. https://doi.org/10.3390/polym17192625
Chicago/Turabian StyleKloziński, Arkadiusz, Paulina Jakubowska, Adam Piasecki, and Dorota Czarnecka-Komorowska. 2025. "The Multiple Recycling Process of Polypropylene Composites with Glass Fiber in Terms of Grinding Efficiency and Selected Properties of Recirculated Products" Polymers 17, no. 19: 2625. https://doi.org/10.3390/polym17192625
APA StyleKloziński, A., Jakubowska, P., Piasecki, A., & Czarnecka-Komorowska, D. (2025). The Multiple Recycling Process of Polypropylene Composites with Glass Fiber in Terms of Grinding Efficiency and Selected Properties of Recirculated Products. Polymers, 17(19), 2625. https://doi.org/10.3390/polym17192625



















