Cleavable Bio-Based Epoxy Matrix for More Eco-Sustainable Thermoset Composite Components
Abstract
1. Introduction
2. Materials and Methods
2.1. Materials
2.2. Resin System Formulation
2.3. Composite Laminates Manufacturing
2.4. Procedure for Composites Recycling: Fiber and Polymer Recovery
2.5. Testing Methods
2.5.1. Thermogravimetric Analysis (TGA)
2.5.2. Differential Scanning Calorimetry (DSC)
2.5.3. Mechanical Testing on Composite Laminates
2.5.4. Dynamic Mechanical Analysis (DMA)
2.5.5. Scanning Electron Microscopy (SEM)
3. Results
3.1. TGA on Bio-Epoxy Resin Matrices
3.2. DSC on Bio-Epoxy Resin Matrices
3.3. Mechanical Testing on Composite Laminates
3.4. SEM Analysis on Composite Laminates
3.5. DMA on Composite Laminates
3.6. Chemical Recycling on Composite Laminates
3.6.1. Thermal Characterization of the Recovered Polymer
3.6.2. Morphological Characterization of the Recovered Fibers
4. Conclusions
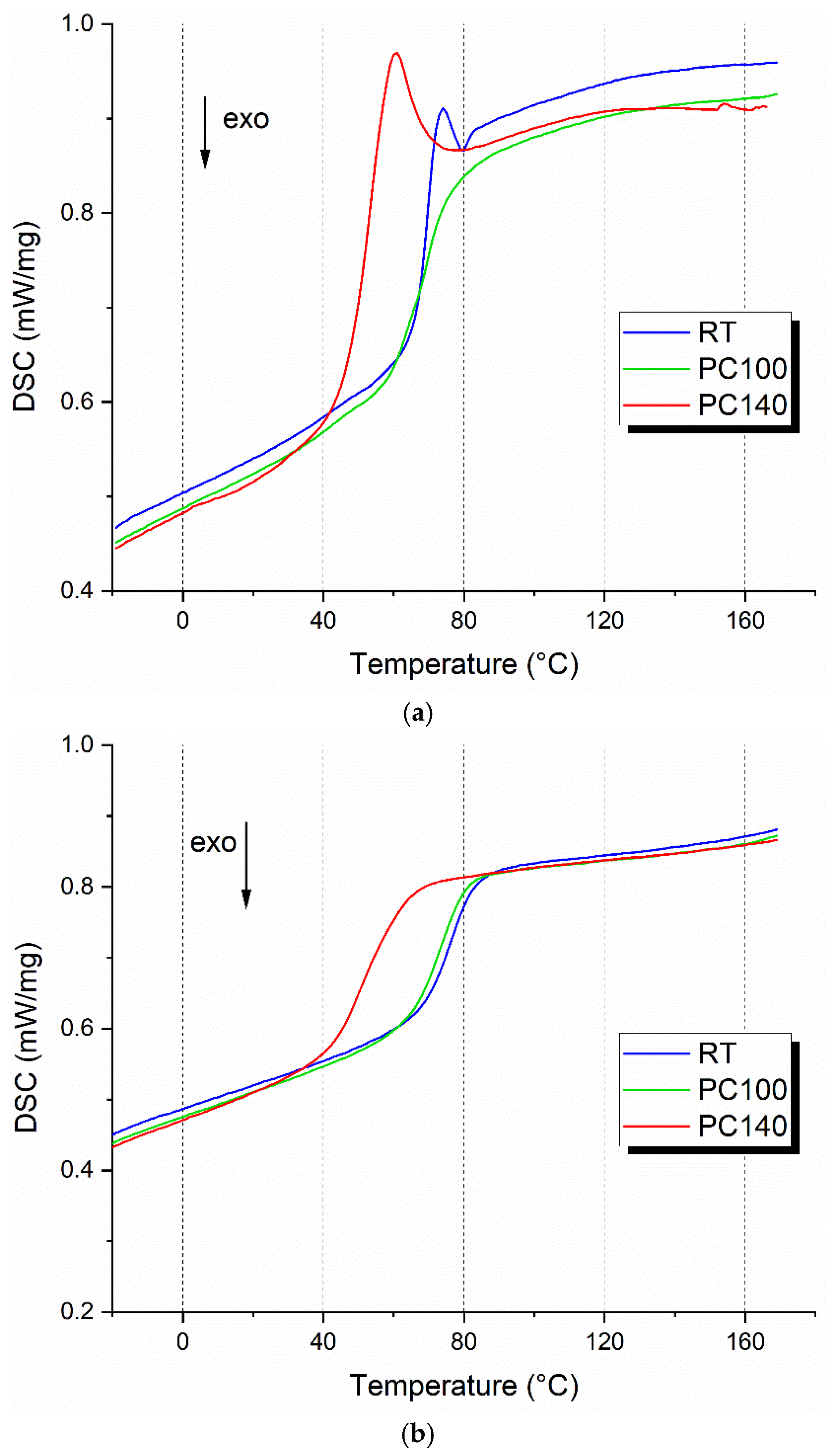
- For the neat bio-epoxy resin, the post-cure at 140 °C progressively reduced the thermal stability and the glass transition temperature due to degradation phenomena of the bio component of the resin. The best condition was the non-post-cured resin showing a glass transition temperature of 76.6 °C.
- The post-curing at 100 °C on the produced composite laminates positively influenced the enhancement of the cross-linking of polymer chains, which was reflected in the improvement in the mechanical strength. With respect to the non-post-cured laminates, the flexural strength improved by 3% and 12% in carbon and glass-based composites, respectively. The post-curing at 140 °C was instead detrimental to the mechanical performance.
- Carbon laminates were more affected by structural defects due to the combined effect of the high stiffness of the fabric and the unoptimized pressure conditions of the resin transfer molding system. This was evident from both the SEM microstructural analysis and the glass transition analysis using DMA. The results show that, although carbon fiber composites exhibit superior mechanical performance, their glass transition temperature (Tg) increased by only 1 °C compared to pure resin, due to microstructural defects and poor fiber impregnation. In contrast, glass fiber-based composites show a greater Tg increase (+4 °C), owing to better fiber-matrix adhesion and more homogeneous fiber impregnation. This highlights the importance of impregnation quality and fiber-matrix interface cohesion in determining the thermal properties of the composites.
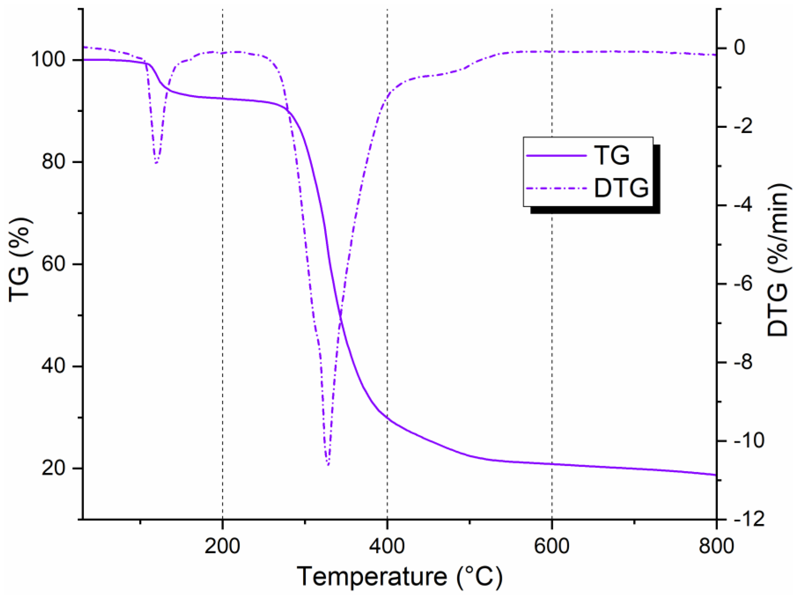
- A successful chemical recycling procedure was developed accounting for recovery yields up to 98.8%. The recovered thermoplastic showed relevant thermal properties for new engineering applications (thermal stability of up to 400 °C and glass transition temperature of 59.4 °C). The fibers were recovered cleaner and without evident damage. This approach enables a circular economy scenario within the composite materials sectors.
Author Contributions
Funding
Institutional Review Board Statement
Data Availability Statement
Acknowledgments
Conflicts of Interest
References
- Alabiso, W.; Schlögl, S. The Impact of Vitrimers on the Industry of the Future: Chemistry, Properties and Sustainable Forward-Looking Applications. Polymers 2020, 12, 1660. [Google Scholar] [CrossRef]
- Utekar, S.; Suriya, V.K.; More, N.; Rao, A. Comprehensive study of recycling of thermosetting polymer composites–Driving force, challenges and methods. Compos. Part B Eng. 2021, 207, 108596. [Google Scholar] [CrossRef]
- Krauklis, A.E.; Karl, C.W.; Gagani, A.I.; Jørgensen, J.K. Composite Material Recycling Technology—State-of-the-Art and Sustainable Development for the 2020s. J. Compos. Sci. 2021, 5, 28. [Google Scholar] [CrossRef]
- Saitta, L.; Rizzo, G.; Tosto, C.; Cicala, G.; Blanco, I.; Pergolizzi, E.; Ciobanu, R.; Recca, G. Chemical Recycling of Fully Recyclable Bio-Epoxy Matrices and Reuse Strategies: A Cradle-to-Cradle Approach. Polymers 2023, 15, 2809. [Google Scholar] [CrossRef]
- Zhang, J.; Chevali, V.S.; Wang, H.; Wang, C.H. Current status of carbon fibre and carbon fibre composites recycling. Compos. Part B Eng. 2020, 193, 108053. [Google Scholar] [CrossRef]
- Smoleń, J.; Olesik, P.; Jała, J.; Adamcio, A.; Kurtyka, K.; Godzierz, M.; Kozera, R.; Kozioł, M.; Boczkowska, A. The Use of Carbon Fibers Recovered by Pyrolysis from End-of-Life Wind Turbine Blades in Epoxy-Based Composite Panels. Polymers 2022, 14, 2925. [Google Scholar] [CrossRef]
- Connora Technologies. Available online: https://gust.com/companies/connora-technologies (accessed on 21 June 2024).
- Morici, E.; Dintcheva, N.T. Recycling of Thermoset Materials and Thermoset-Based Composites: Challenge and Opportunity. Polymers 2022, 14, 4153. [Google Scholar] [CrossRef] [PubMed]
- Kuroyanagi, M.; Yamaguchi, A.; Hashimoto, T.; Urushisaki, M.; Sakaguchi, T.; Kawabe, K. Novel degradable acetal-linkage-containing epoxy resins with high thermal stability: Synthesis and application in carbon fiber-reinforced plastics. Polym. J. 2022, 54, 313–322. [Google Scholar] [CrossRef]
- Si, H.; Zhou, L.; Wu, Y.; Song, L.; Kang, M.; Zhao, X.; Chen, M. Rapidly reprocessable, degradable epoxy vitrimer and recyclable carbon fiber reinforced thermoset composites relied on high contents of exchangeable aromatic disulfide crosslinks. Compos. Part B Eng. 2020, 199, 108278. [Google Scholar] [CrossRef]
- Liu, Y.; Lu, F.; Yang, L.; Wang, B.; Huang, Y.; Hu, Z. Closed-loop recycling of carbon fiber-reinforced composites enabled by a dual-dynamic cross-linked epoxy network. ACS Sustain. Chem. Eng. 2023, 11, 1527–1539. [Google Scholar] [CrossRef]
- Pastine, S. Can epoxy composites be made 100% recyclable? Reinf. Plast. 2012, 56, 26–28. [Google Scholar] [CrossRef]
- Cicala, G.; Pergolizzi, E.; Piscopo, F.; Carbone, D.; Recca, G. Hybrid composites manufactured by resin infusion with a fully recyclable bioepoxy resin. Compos. Part B Eng. 2018, 132, 69–76. [Google Scholar] [CrossRef]
- Saitta, L.; Prasad, V.; Tosto, C.; Murphy, N.; Ivankovic, A.; Cicala, G.; Scarselli, G. Characterization of biobased epoxy resins to manufacture eco-composites showing recycling properties. Polym. Compos. 2022, 43, 9179–9192. [Google Scholar] [CrossRef]
- Mishnaevsky, L., Jr. How to Repair the Next Generation of Wind Turbine Blades. Energies 2023, 16, 7694. [Google Scholar] [CrossRef]
- Valente, M.; Rossitti, I.; Biblioteca, I.; Sambucci, M. Thermoplastic Composite Materials Approach for More Circular Components: From Monomer to In Situ Polymerization, a Review. J. Compos. Sci. 2022, 6, 132. [Google Scholar] [CrossRef]
- Dattilo, S.; Cicala, G.; Riccobene, P.M.; Puglisi, C.; Saitta, L. Full Recycling and Re-Use of Bio-Based Epoxy Thermosets: Chemical and Thermomechanical Characterization of the Recycled Matrices. Polymers 2022, 14, 4828. [Google Scholar] [CrossRef]
- Ferrari, F.; Esposito Corcione, C.; Striani, R.; Saitta, L.; Cicala, G.; Greco, A. Fully Recyclable Bio-Based Epoxy Formulations Using Epoxidized Precursors from Waste Flour: Thermal and Mechanical Characterization. Polymers 2021, 13, 2768. [Google Scholar] [CrossRef]
- Cicala, G.; Mannino, S.; La Rosa, A.D.; Banatao, D.R.; Pastine, S.J.; Kosinski, S.T.; Scarpa, F. Hybrid biobased recyclable epoxy composites for mass production. Polym. Compos. 2018, 39, E2217–E2225. [Google Scholar] [CrossRef]
- Guigo, N.; Sbirrazzuoli, N. Thermal analysis of biobased polymers and composites. Handb. Therm. Anal. Calorim. 2018, 6, 399–429. [Google Scholar] [CrossRef]
- ASTM D-2240; Standard Test Method for Rubber Property—Durometer Hardness. American Society for Testing and Materials: West Conshohocken, PA, USA, 2021; Volume 09.01, p. 13.
- ASTM D 7264/D 7264M; Standard Test Method for Flexural Properties of Polymer Matrix Composite Materials. American Society for Testing and Materials: West Conshohocken, PA, USA, 2021.
- International Standard ISO 6721-11:2019(E); Plastics—Determination of Dynamic Mechanical Properties—Part 11: Glass Transition Temperature. International Organization for Standardization: Geneva, Switzerland, 2019.
- Bertomeu, D.; García-Sanoguera, D.; Fenollar, O.; Boronat, T.; Balart, R. Use of eco-friendly epoxy resins from renewable resources as potential substitutes of petrochemical epoxy resins for ambient cured composites with flax reinforcements. Polym. Compos. 2012, 33, 683–692. [Google Scholar] [CrossRef]
- Di Mauro, C.; Malburet, S.; Genua, A.; Graillot, A.; Mija, A. Sustainable series of new epoxidized vegetable oil-based thermosets with chemical recycling properties. Biomacromolecules 2020, 21, 3923–3935. [Google Scholar] [CrossRef] [PubMed]
- Supanchaiyamat, N. Bio-Based Thermoset Composites from Epoxidised Linseed Oil. PhD Thesis, University of York, York, UK, 2012. [Google Scholar] [CrossRef]
- Zeng, R.T.; Wu, Y.; Li, Y.D.; Wang, M.; Zeng, J.B. Curing behavior of epoxidized soybean oil with biobased dicarboxylic acids. Polym. Test. 2017, 57, 281–287. [Google Scholar] [CrossRef]
- Ding, C.; Tian, G.; Matharu, A. Adipic acid–glutaric anhydride–epoxidised linseed oil biobased thermosets with tunable properties. Mater. Today Commun. 2016, 7, 51–58. [Google Scholar] [CrossRef]
- Ma, S.; Kovash, C.S.; Webster, D.C. Effect of solvents on the curing and properties of fully bio-based thermosets for coatings. J. Coat. Technol. Res. 2017, 14, 367–375. [Google Scholar] [CrossRef]
- Lascano, D.; Quiles-Carrillo, L.; Torres-Giner, S.; Boronat, T.; Montanes, N. Optimization of the Curing and Post-Curing Conditions for the Manufacturing of Partially Bio-Based Epoxy Resins with Improved Toughness. Polymers 2019, 11, 1354. [Google Scholar] [CrossRef]
- Umarfarooq, M.A.; Gouda, P.S.; Banapurmath, N.R.; Kittur, M.I.; Khan, T.; Parveez, B.; Badruddin, I.A. Post-curing and fiber hybridization effects on mode-II interlaminar fracture toughness of glass/carbon/epoxy composites. Polym. Compos. 2023, 44, 4734–4745. [Google Scholar] [CrossRef]
- MJ, M.; Ogihara, S. Damage behaviors in cross-ply cloth CFRP laminates cured at different temperatures. Mech. Eng. J. 2020, 7, 20-00383. [Google Scholar] [CrossRef]
- Chavan, V.R.; Dinesh, K.R.; Veeresh, K.; Algur, V.; Shettar, M. Influence of post curing on GFRP hybrid composite. In Proceedings of the MATEC Web of Conferences, Solo Baru, Indonesia, 11–12 July 2018; Volume 144, p. 02011. [Google Scholar] [CrossRef]
- Liu, X.; Chen, F. A review of void formation and its effects on the mechanical performance of carbon fiber reinforced plastic. Eng. Trans. 2016, 64, 33–51. [Google Scholar] [CrossRef]
- Andrew, J.J.; Arumugam, V.; Santulli, C. Effect of post-cure temperature and different reinforcements in adhesive bonded repair for damaged glass/epoxy composites under multiple quasi-static indentation loading. Compos. Struct. 2016, 143, 63–74. [Google Scholar] [CrossRef]
- Goriparthi, B.K.; Suman, K.N.S.; Rao, N.M. Effect of fiber surface treatments on mechanical and abrasive wear performance of polylactide/jute composites. Compos. Part A Appl. Sci. Manuf. 2012, 43, 1800–1808. [Google Scholar] [CrossRef]
- Keusch, S.; Haessler, R. Influence of surface treatment of glass fibres on the dynamic mechanical properties of epoxy resin composites. Compos. Part A Appl. Sci. Manuf. 1999, 30, 997–1002. [Google Scholar] [CrossRef]
- Deshmukh, G.; Manyar, H. Production pathways of acetic acid and its versatile applications in the food industry. In Biotechnological Applications of Biomass; IntechOpen: London, UK, 2020. [Google Scholar] [CrossRef]
- Borah, N.; Karak, N. Tannic acid based bio-based epoxy thermosets: Evaluation of thermal, mechanical, and biodegradable behaviors. J. Appl. Polym. Sci. 2022, 139, 51792. [Google Scholar] [CrossRef]
- La Rosa, A.D.; Blanco, I.; Banatao, D.R.; Pastine, S.J.; Björklund, A.; Cicala, G. Innovative Chemical Process for Recycling Thermosets Cured with Recyclamines® by Converting Bio-Epoxy Composites in Reusable Thermoplastic—An LCA Study. Materials 2018, 11, 353. [Google Scholar] [CrossRef] [PubMed]














| Post-Curing Condition | TI (°C) | Tmax (°C) |
|---|---|---|
| RT | 203.8 | 366.9 |
| PC100 | 202.0 | 367.7 |
| PC140 | 185.8 | 362.9 |
| Post-Curing Condition | T1°g (°C) | T2°g (°C) |
|---|---|---|
| RT | 69.7 | 76.6 |
| PC100 | 68 | 72.7 |
| PC140 | 51.7 | 50.9 |
| Sample | Tg (°C) | tan δ Peak |
|---|---|---|
| Resin PC100 | 68.4 | 0.71 |
| Glass PC100 | 73.1 | 0.35 |
| Carbon PC100 | 69.5 | 0.57 |
| Treated Sample | Starting Mass (g) | Recovered Fibers (g) | Recovered Polymer (g) | Recovery Yield (%) |
|---|---|---|---|---|
| Glass composite | 10.97 | 7.05 | 3.43 | 95.5 |
| Carbon composite | 10.84 | 5.85 | 4.86 | 98.8 |
Disclaimer/Publisher’s Note: The statements, opinions and data contained in all publications are solely those of the individual author(s) and contributor(s) and not of MDPI and/or the editor(s). MDPI and/or the editor(s) disclaim responsibility for any injury to people or property resulting from any ideas, methods, instructions or products referred to in the content. |
© 2024 by the authors. Licensee MDPI, Basel, Switzerland. This article is an open access article distributed under the terms and conditions of the Creative Commons Attribution (CC BY) license (https://creativecommons.org/licenses/by/4.0/).
Share and Cite
Rossitti, I.; Bolis, A.; Sambucci, M.; Sarasini, F.; Tirillò, J.; Valente, M. Cleavable Bio-Based Epoxy Matrix for More Eco-Sustainable Thermoset Composite Components. Polymers 2025, 17, 88. https://doi.org/10.3390/polym17010088
Rossitti I, Bolis A, Sambucci M, Sarasini F, Tirillò J, Valente M. Cleavable Bio-Based Epoxy Matrix for More Eco-Sustainable Thermoset Composite Components. Polymers. 2025; 17(1):88. https://doi.org/10.3390/polym17010088
Chicago/Turabian StyleRossitti, Ilaria, Arianna Bolis, Matteo Sambucci, Fabrizio Sarasini, Jacopo Tirillò, and Marco Valente. 2025. "Cleavable Bio-Based Epoxy Matrix for More Eco-Sustainable Thermoset Composite Components" Polymers 17, no. 1: 88. https://doi.org/10.3390/polym17010088
APA StyleRossitti, I., Bolis, A., Sambucci, M., Sarasini, F., Tirillò, J., & Valente, M. (2025). Cleavable Bio-Based Epoxy Matrix for More Eco-Sustainable Thermoset Composite Components. Polymers, 17(1), 88. https://doi.org/10.3390/polym17010088

