The Effect of Synthetic Zeolite on the Curing Process and the Properties of the Natural Rubber-Based Composites
Abstract
1. Introduction
2. Materials and Methods
2.1. Materials
2.2. Samples Preparation
2.3. Characterization
3. Results and Discussion
3.1. Curing Characteristics of Natural Rubber-Based Compounds Filled with Zeolite
3.2. Morphology of Natural Rubber-Based Composites Filled with Zeolite
3.3. FTIR Spectrum Analysis of Natural Rubber-Based Composites Filled with Zeolite
3.4. Degree of Swelling of Natural Rubber-Based Composites Filled with Zeolite
3.5. Mechanical Properties of Natural Rubber-Based Composites Filled with Zeolite
3.6. Thermal Properties of Natural Rubber-Based Composites Filled with Zeolite
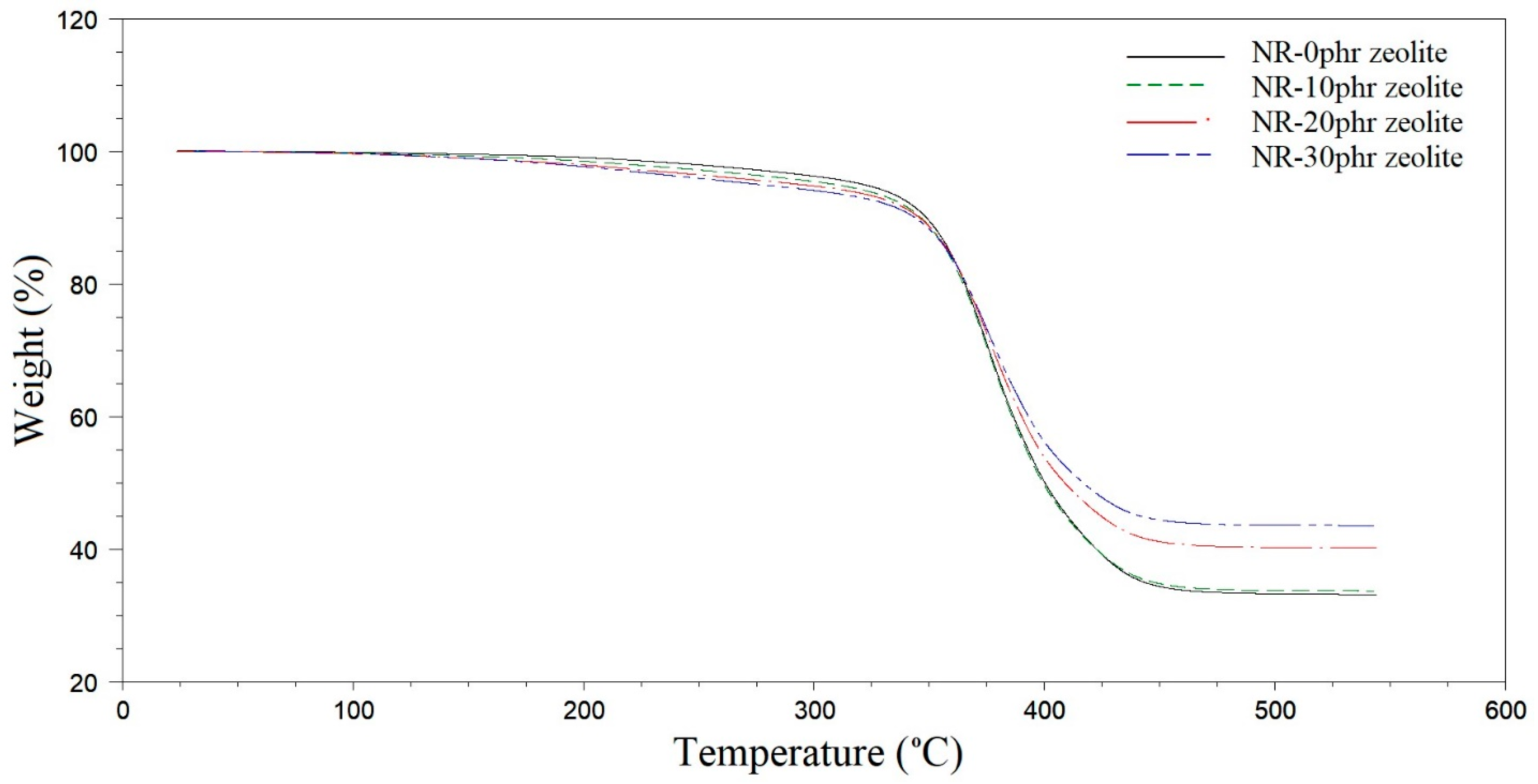
3.7. Thermal Stability of Natural Rubber-Based Composites Filled with Zeolite
4. Conclusions
Author Contributions
Funding
Institutional Review Board Statement
Data Availability Statement
Acknowledgments
Conflicts of Interest
References
- Alam, M.N.; Kumar, V.; Debnath, S.C.; Jeong, T.; Park, S.-S. Naturally Abundant Silica-Kaolinite Mixed Minerals as an Outstanding Reinforcing Filler for the Advancement of Natural Rubber Composites. J. Polym. Res. 2023, 30, 59. [Google Scholar] [CrossRef]
- Sengupta, R.; Chakraborty, S.; Bandyopadhyay, S.; Dasgupta, S.; Mukhopadhyay, R.; Auddy, K.; Deuri, A.S. A Short Review on Rubber/Clay Nanocomposites with Emphasis on Mechanical Properties. Polym. Eng. Sci. 2007, 47, 1956–1974. [Google Scholar] [CrossRef]
- Ding, Z.; Li, J.; Zhang, B.; Luo, Y. Rapid and High-Concentration Exfoliation of Montmorillonite into High-Quality and Mono-Layered Nanosheets. Nanoscale 2020, 12, 17083–17092. [Google Scholar] [CrossRef]
- Stöckelhuber, K.W.; Svistkov, A.S.; Pelevin, A.G.; Heinrich, G. Impact of Filler Surface Modification on Large Scale Mechanics of Styrene Butadiene/Silica Rubber Composites. Macromolecules 2011, 44, 4366–4381. [Google Scholar] [CrossRef]
- Yuan, Y.; Tang, X.; Sun, H.; Shi, J.; Zhou, C.; Northwood, D.O.; Waters, K.E.; Ma, H. Surface Modification of Calcined Kaolinite for Enhanced Solvent Dispersion and Mechanical Properties in Polybutylene Adipate/Terephthalate Composites. Molecules 2024, 29, 3897. [Google Scholar] [CrossRef] [PubMed]
- Xiao, Y.; Xu, Z.; Wang, C.; Bian, H. Preparation of Potassium Oleate-Kaolin/Natural Rubber Composites by Ball Milling Combined with Gas-Phase Spray Drying Technology. Appl. Clay Sci. 2023, 241, 106996. [Google Scholar] [CrossRef]
- Kordala, N.; Wyszkowski, M. Zeolite Properties, Methods of Synthesis, and Selected Applications. Molecules 2024, 29, 1069. [Google Scholar] [CrossRef] [PubMed]
- Hassankhani, H.; Atashi, H.; Mohebbi-Kalhori, D. Reducing of Heat Loss of Rubber Compound Using Natural Zeolite Filler: Effect of Partially Substitution of Fillers on Compound Properties. Iran. Polym. J. 2018, 27, 555–561. [Google Scholar] [CrossRef]
- Murniati, R.; Rahmayanti, H.D.; Utami, F.D.; Cifriadi, A.; Iskandar, F.; Abdullah, M. Effects of Magnetically Modified Natural Zeolite Addition on the Crosslink Density, Mechanical, Morphological, and Damping Properties of SIR 20 Natural Rubber Reinforced with Nanosilica Compounds. J. Polym. Res. 2020, 27, 37. [Google Scholar] [CrossRef]
- Bukit, N.; Frida, E. The Effect Zeolite Addition in Natural Rubber Polypropylene Composite on Mechanical, Structure, and Thermal Characteristics. MAKARA J. Technol. Ser. 2014, 17(3), 113–120. [Google Scholar] [CrossRef]
- Mayasari, H.E.; Setyadewi, N.M. Effect of Natural Zeolite as Substrate Filler on the Properties of NBR/EPDM Blend. Maj. Kulit Karet Dan Plast. 2019, 35, 25. [Google Scholar] [CrossRef]
- Siriyong, T.; Keawwattana, W. Utilization of Different Curing Systems and Natural Zeolite as Filler and Absorbent for Natural Rubber/Nitrile Rubber Blend. Kasetsart J. Nat. Sci. 2016, 46, 918–930. [Google Scholar]
- Wang, J.; Yang, K.; Zheng, X. Studies on the Effect of 4A Zeolite on the Properties of Intumescent Flame-Retardant Agent Filled Natural Rubber Composites. J. Polym. Res. 2009, 16, 427–436. [Google Scholar] [CrossRef]
- Ondrusová, D.; Bozeková, S.; Bunová, L.; Pajtásová, M.; Labaj, I.; Dubec, A.; Vrsková, J. Modification of Alternative Additives and Their Effect on the Rubber Properties. MATEC Web Conf. 2018, 157, 7007. [Google Scholar] [CrossRef]
- Fang, Q.; Liu, X.; Wang, N.; Ma, C.; Yang, F. The Effect of Zeolite Particle Modified by PEG on Rubber Composite Properties. Sci. Eng. Compos. Mater. 2015, 22, 607–612. [Google Scholar] [CrossRef]
- Jincheng, W.; Xiaoyu, Z.; Yuehui, C. Synthesis of Hyper-Branched 4A Zeolite and Its Application in Natural Rubber Systems. Polym. Polym. Compos. 2010, 18, 283–290. [Google Scholar] [CrossRef]
- Phatcharasit, K.; Taweepreda, W. The effects of zeolite on mechanical and morphological properties of NR/ENR membranes. Malays. J. Anal. Sci. 2018, 22, 851–856. [Google Scholar] [CrossRef]
- ISO 37:2017; Rubber, Vulcanized or Thermoplastic—Determination of Tensile Stress-Strain Properties. International Organization for Standardization: Geneva, Switzerland, November 2017.
- ISO 7619-1:2010; Rubber, Vulcanized or Thermoplastic—Determination of Indentation Hardnesspart 1: Durometer Method (Shore Hardness). International Organization for Standardization: Geneva, Switzerland, October 2010.
- Ismail, H. The Effects of Filler Loading and a Silane Coupling Agent on the Dynamic Properties and Swelling Behaviour of Bamboo Filled Natural Rubber Compounds. J. Elastomers Plast. 2003, 35, 149–159. [Google Scholar] [CrossRef]
- Jim, W. Rubber Technologist’s Handbook, ToM 2 Handbook Series Rubber Technologist’s Handbook, Rapra Technology Limited; White, J., De, S.K., White, J.R., Naskar, K., Eds.; Smithers Rapra Technology: Akron, OH, USA, 2009; ISBN 1847350992/9781847350992. [Google Scholar]
- Riou, A. Elastomer Engineering Guide; James Walker: Woking, UK, 2017. [Google Scholar]
- Poh, B.T.; Ng, C.C. Effect of Silane Coupling Agents on the Mooney Scorch Time of Silica-Filled Natural Rubber Compound. Eur. Polym. J. 1998, 34, 975–979. [Google Scholar] [CrossRef]
- Sombatsompop, N.; Thongsang, S.; Markpin, T.; Wimolmala, E. Fly Ash Particles and Precipitated Silica as Fillers in Rubbers. I. Untreated Fillers in Natural Rubber and Styrene-Butadiene Rubber Compounds. J. Appl. Polym. Sci. 2004, 93, 2119–2130. [Google Scholar] [CrossRef]
- Paran, S.M.R.; Naderi, G.; Movahedifar, E.; Jouyandeh, M.; Formela, K.; Colom, X.; Cañavate, J.; Saeb, M.R. Isothermal Vulcanization and Non-Isothermal Degradation Kinetics of XNBR/Epoxy/XNBR-g-Halloysite Nanotubes (HNT) Nanocomposites. Materials 2021, 14, 2872. [Google Scholar] [CrossRef] [PubMed]
- Jovičić, M.; Bera, O.; Stojanov, S.; Pavličević, J.; Govedarica, D.; Bobinac, I.; Hollo, B.B. Effects of Recycled Carbon Black Generated from Waste Rubber on the Curing Process and Properties of New Natural Rubber Composites. Polym. Bull. 2022, 80, 5047–5069. [Google Scholar] [CrossRef]
- Ni, X.; Zheng, Z.; Wang, X.; Zhang, S.; Zhao, M. Fabrication of Hierarchical Zeolite 4A Microspheres with Improved Adsorption Capacity to Bromofluoropropene and Their Fire Suppression Performance. J. Alloys Compd. 2014, 592, 135–139. [Google Scholar] [CrossRef]
- Loiola, A.R.; Andrade, J.C.R.A.; Sasaki, J.M.; da Silva, L.R.D. Structural Analysis of Zeolite NaA Synthesized by a Cost-Effective Hydrothermal Method Using Kaolin and Its Use as Water Softener. J. Colloid. Interface Sci. 2012, 367, 34–39. [Google Scholar] [CrossRef] [PubMed]
- Vu, C.M.; Vu, H.T.; Choi, H.J. Fabrication of Natural Rubber/Epoxidized Natural Rubber/Nanosilica Nanocomposites and Their Physical Characteristics. Macromol. Res. 2015, 23, 284–290. [Google Scholar] [CrossRef]
- George, S.C.; Knörgen, M.; Thomas, S. Effect of Nature and Extent of Crosslinking on Swelling and Mechanical Behavior of Styrene–Butadiene Rubber Membranes. J. Memb. Sci. 1999, 163, 1–17. [Google Scholar] [CrossRef]
- Bussaya, R.; Wirunya, K. The Development of Rubber Compound Based on Natural Rubber (NR) and Ethylene-Propylene-Diene-Monomer (EPDM) Rubber for Playground Rubber Mat. Agric. Nat. Resour. 2007, 41, 239–247. [Google Scholar]
- El-Sabbagh, S.H.; Mahmoud, D.S.; Ahmed, N.M.; Sabaa, M.W. Study on the Cations-Exchanged Zeolite and Its Influence on Mechanical, Thermal, and Morphological Properties of Rubber Composites. J. Thermoplast. Compos. Mater. 2019, 32, 1650–1676. [Google Scholar] [CrossRef]









| Typical Content | |
|---|---|
| Water content, 950 °C, 2 h | 19% |
| Al2O3 | 36% |
| Na2O | 22% |
| SiO2 | 42% |
| NR-0phr Zeolite | NR-5phr Zeolite | NR-10phr Zeolite | NR-15phr Zeolite | NR-20phr Zeolite | NR-30phr Zeolite | |
|---|---|---|---|---|---|---|
| Natural rubber, (phr) | 100 | 100 | 100 | 100 | 100 | 100 |
| Carbon black, (phr) | 50 | 50 | 50 | 50 | 50 | 50 |
| Zeolite, (phr) | 0 | 5 | 10 | 15 | 20 | 30 |
| Zinc oxide, (phr) | 4 | 4 | 4 | 4 | 4 | 4 |
| Stearin, (phr) | 1 | 1 | 1 | 1 | 1 | 1 |
| IPPD, (phr) | 1 | 1 | 1 | 1 | 1 | 1 |
| Sulfur, (phr) | 2.5 | 2.5 | 2.5 | 2.5 | 2.5 | 2.5 |
| CBS, (phr) | 0.5 | 0.5 | 0.5 | 0.5 | 0.5 | 0.5 |
| Ingredients | The Time of the Mixing Cycle, (min) | Revolutions per Minute, (rpm) |
|---|---|---|
| Mastication of natural rubber | 6 | 100 |
| Added ingredients in the presence of which the vulcanization process will not start (carbon black, zeolite, zinc oxide, stearin, IPPD) | 5 | 60 |
| Added a vulcanization system (sulfur, CBS) | 2 | 60 |
| Designation | Minimum Torque, Mmin (Nm) | Maximum Torque, Mmax (Nm) | ΔM (Nm) | Scorch Time, ts2 (min:s) | Optimum Cure Time, t90 (min:s) |
|---|---|---|---|---|---|
| NR-0phr zeolite | 3.18 | 10.45 | 7.27 | 1:20 | 7:50 |
| NR-5phr zeolite | 3.14 | 10.49 | 7.35 | 1:19 | 8:16 |
| NR-10phr zeolite | 3.10 | 10.52 | 7.42 | 1:19 | 8:31 |
| NR-15phr zeolite | 3.05 | 10.95 | 7.90 | 1:17 | 8:41 |
| NR-20phr zeolite | 3.02 | 11.18 | 8.16 | 1:16 | 8:47 |
| NR-30phr zeolite | 2.67 | 12.67 | 10.00 | 1:09 | 9:06 |
| Designation | Temperature, (°C) | k, (s−1) | n | R2 | Ea, (kJ/mol) |
|---|---|---|---|---|---|
| NR-0phr zeolite | 150 | 0.002194 | 1.73 | 0.9924 | 64.3 |
| 160 | 0.004099 | 1.47 | 0.9944 | ||
| 170 | 0.002414 | 2.10 | 0.9961 | ||
| NR-10phr zeolite | 150 | 0.001887 | 1.69 | 0.9847 | 65.8 |
| 160 | 0.002753 | 1.76 | 0.9914 | ||
| 170 | 0.001186 | 1.28 | 0.9587 | ||
| NR-20phr zeolite | 150 | 0.002226 | 1.81 | 0.9938 | 63.6 |
| 160 | 0.003272 | 1.63 | 0.9949 | ||
| 170 | 0.005111 | 1.36 | 0.9898 |
| NR-0phr Zeolite | NR-5phr Zeolite | NR-10phr Zeolite | NR-15phr Zeolite | NR-20phr Zeolite | NR-30phr Zeolite | |
|---|---|---|---|---|---|---|
| Tensile stress, (N) | 325.4 ± 17.1 | 320.6 ± 15.4 | 317.4 ± 14.1 | 255.3 ± 13.4 | 259.8 ± 13.6 | 221.2 ± 12.8 |
| Tensile strength, (MPa) | 25.8 ± 1.4 | 25.7 ± 1.2 | 26.5 ± 1.8 | 21.3 ± 1.1 | 20.6 ± 1.1 | 18.4 ± 1.1 |
| Elongation at break, (%) | 1790 ± 94 | 1674.5 ± 80 | 1523 ± 78 | 1497 ± 78 | 1373 ± 72 | 1272 ± 74 |
| Modulus of elasticity at 100% elongation, (MPa) | 2.28 ± 0.1 | 2.94 ± 0.14 | 3.13 ± 0.14 | 3.54 ± 0.19 | 4.15 ± 0.22 | 4.91 ± 0.28 |
| Modulus of elasticity at 300% elongation, (MPa) | 6.16 ± 0.32 | 6.9 ± 0.33 | 7.31 ± 0.32 | 8.10 ± 0.42 | 8.31 ± 0.43 | 8.49 ± 0.49 |
| NR-0phr Zeolite | NR-5phr Zeolite | NR-10phr Zeolite | NR-15phr Zeolite | NR-20phr Zeolite | NR-30phr Zeolite | |
|---|---|---|---|---|---|---|
| Shore hardness, (ShA) | 66 ± 0.6 | 67.5 ± 0.5 | 68.5 ± 0.5 | 70.5 ± 0.4 | 72.5 ± 0.5 | 75.5 ± 0.6 |
| NR-0phr Zeolite | NR-10phr Zeolite | NR-20phr Zeolite | NR-30phr Zeolite | |
|---|---|---|---|---|
| Temperature at 5% of weight loss, (°C) | 322 | 310 | 295 | 277 |
| Temperature at 10% of weight loss, (°C) | 349 | 346 | 346 | 344 |
| Temperature at 20% of weight loss, (°C) | 366 | 365 | 366 | 366 |
| Temperature at 30% of weight loss, (°C) Temperature at 40% of weight loss, (°C) Temperature at 50% of weight loss, (°C) | 376 | 376 | 378 | 379 |
| 387 | 386 | 390 | 393 | |
| 400 | 399 | 409 | 417 | |
| Weight loss at 500 °C, (%) | 66.8 | 66 | 59.7 | 56 |
Disclaimer/Publisher’s Note: The statements, opinions and data contained in all publications are solely those of the individual author(s) and contributor(s) and not of MDPI and/or the editor(s). MDPI and/or the editor(s) disclaim responsibility for any injury to people or property resulting from any ideas, methods, instructions or products referred to in the content. |
© 2024 by the authors. Licensee MDPI, Basel, Switzerland. This article is an open access article distributed under the terms and conditions of the Creative Commons Attribution (CC BY) license (https://creativecommons.org/licenses/by/4.0/).
Share and Cite
Stojanov, S.; Govedarica, O.; Milanović, M.; Žeravica, J.; Barta Hollo, B.; Govedarica, D.; Jovičić, M. The Effect of Synthetic Zeolite on the Curing Process and the Properties of the Natural Rubber-Based Composites. Polymers 2024, 16, 3228. https://doi.org/10.3390/polym16223228
Stojanov S, Govedarica O, Milanović M, Žeravica J, Barta Hollo B, Govedarica D, Jovičić M. The Effect of Synthetic Zeolite on the Curing Process and the Properties of the Natural Rubber-Based Composites. Polymers. 2024; 16(22):3228. https://doi.org/10.3390/polym16223228
Chicago/Turabian StyleStojanov, Sonja, Olga Govedarica, Marija Milanović, Julijana Žeravica, Berta Barta Hollo, Dragan Govedarica, and Mirjana Jovičić. 2024. "The Effect of Synthetic Zeolite on the Curing Process and the Properties of the Natural Rubber-Based Composites" Polymers 16, no. 22: 3228. https://doi.org/10.3390/polym16223228
APA StyleStojanov, S., Govedarica, O., Milanović, M., Žeravica, J., Barta Hollo, B., Govedarica, D., & Jovičić, M. (2024). The Effect of Synthetic Zeolite on the Curing Process and the Properties of the Natural Rubber-Based Composites. Polymers, 16(22), 3228. https://doi.org/10.3390/polym16223228

