3D-Printed, Dual Crosslinked and Sterile Aerogel Scaffolds for Bone Tissue Engineering
Abstract
1. Introduction
2. Materials and Methods
2.1. Materials
2.2. 3D-Printing of Hydrogel Scaffolds
2.3. Rheological Evaluation of Alginate-HA Inks
2.4. Supercritical Drying of 3D-Printed Gels
2.5. Aerogel Post-Crosslinking with Glutaraldehyde Vapor
2.6. Physicochemical Characterization of Alginate Aerogel Scaffolds
2.7. Evaluation of the Bioactivity of the Alginate-HA Aerogel Scaffolds
2.8. Cell Viability Tests
2.9. Hemolytic Activity Test
2.10. Supercritical Sterilization of Dual Crosslinked Aerogels
2.11. Statistical Analysis
3. Results and Discussion
3.1. Rheological Properties of Alginate-HA Inks
3.2. Effect of Ageing of Aerogel-Based Scaffolds
3.3. Effect of GA Chemical Post-Crosslinking of Aerogel-Based Scaffolds
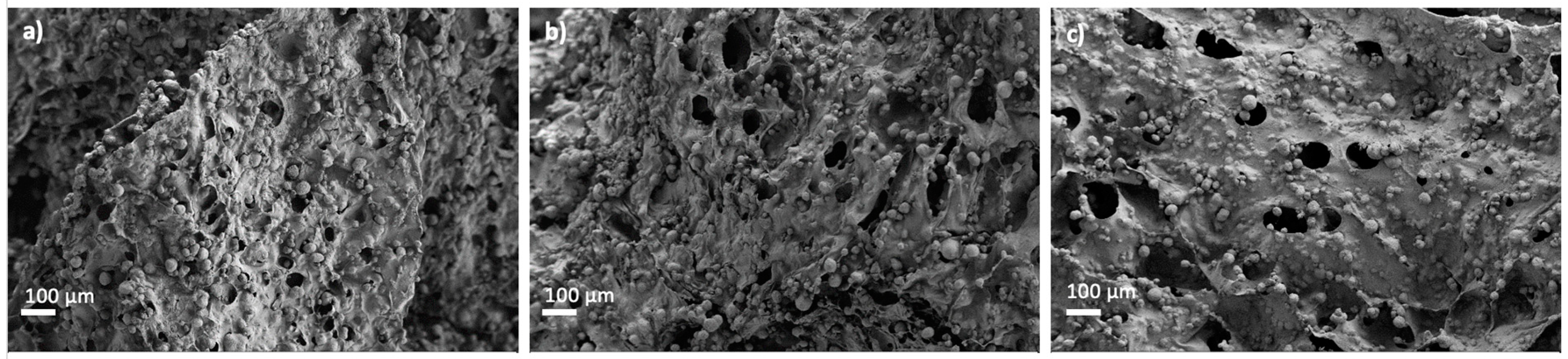
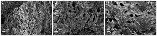
3.4. Chemical Analysis of Alginate-HA Aerogel-Based Scaffolds
3.5. Bioactivity of Dual Crosslinked Aerogel-Based Scaffolds
3.6. Biocompatibility Tests for Dual Crosslinked Aerogel-Based Scaffolds
3.7. Hemocompatibility Tests for Dual Crosslinked Aerogel-Based Scaffolds
3.8. Sterilization of Dual Crosslinked Aerogels
4. Conclusions
Author Contributions
Funding
Acknowledgments
Conflicts of Interest
References
- Oryan, A. Bone Injury and Fracture Healing Biology. Biomed Environ. Sci. 2015, 28, 15. [Google Scholar] [CrossRef]
 - Bharadwaz, A.; Jayasuriya, A.C. Recent trends in the application of widely used natural and synthetic polymer nanocomposites in bone tissue regeneration. Mater. Sci. Eng. C 2020, 110, 110698. [Google Scholar] [CrossRef]
 - Tohamy, K.M.; Soliman, I.E.; Mabrouk, M.; ElShebiney, S.; Beherei, H.H.; Aboelnasr, M.A.; Das, D.B. Novel polysaccharide hybrid scaffold loaded with hydroxyapatite: Fabrication, bioactivity, and in vivo study. Mater. Sci. Eng. C 2018, 93, 1–11. [Google Scholar] [CrossRef]
 - Li, L.; Chen, Y.; Wang, Y.; Shi, F.; Nie, Y.; Liu, T.; Song, K. Effects of concentration variation on the physical properties of alginate-based substrates and cell behavior in culture. Int. J. Biol. Macromol. 2019, 128, 184–195. [Google Scholar] [CrossRef]
 - Browning, K.L.; Stocker, I.N.; Gutfreund, P.; Clarke, S.M. The effect of alginate composition on adsorption to calcium carbonate surfaces. J. Colloid Interface Sci. 2021, 581, 682–689. [Google Scholar] [CrossRef]
 - Sergi, R.; Bellucci, D.; Cannillo, V. A Review of Bioactive Glass/Natural Polymer Composites: State of the Art. Materials 2020, 13, 5560. [Google Scholar] [CrossRef]
 - Iglesias-Mejuto, A.; García-González, C.A. 3D-printed alginate-hydroxyapatite aerogel scaffolds for bone tissue engineering. Mater. Sci. Eng. C 2021, 131, 112525. [Google Scholar] [CrossRef] [PubMed]
 - Park, M.; Lee, D.; Shin, S.; Hyun, J. Effect of negatively charged cellulose nanofibers on the dispersion of hydroxyapatite nanoparticles for scaffolds in bone tissue engineering. Colloids Surf. B Biointerfaces 2015, 130, 222–228. [Google Scholar] [CrossRef]
 - Latimer, J.M.; Maekawa, S.; Yao, Y.; Wu, D.T.; Chen, M.; Giannobile, W.V. Regenerative Medicine Technologies to Treat Dental, Oral, and Craniofacial Defects. Front. Bioeng. Biotechnol. 2021, 9, 704048. [Google Scholar] [CrossRef]
 - Lee, J.; Hong, J.; Kim, W.; Kim, G.H. Bone-derived dECM/alginate bioink for fabricating a 3D cell-laden mesh structure for bone tissue engineering. Carbohydr. Polym. 2020, 250, 116914. [Google Scholar] [CrossRef] [PubMed]
 - Ng, W.L.; Lee, J.M.; Zhou, M.; Chen, Y.-W.; Lee, K.-X.A.; Yeong, W.Y.; Shen, Y.-F. Vat polymerization-based bioprinting—Process, materials, applications and regulatory challenges. Biofabrication 2019, 12, 022001. [Google Scholar] [CrossRef] [PubMed]
 - Li, X.; Liu, B.; Pei, B.; Chen, J.; Zhou, D.; Peng, J.; Zhang, X.; Jia, W.; Xu, T. Inkjet Bioprinting of Biomaterials. Chem. Rev. 2020, 120, 10793–10833. [Google Scholar] [CrossRef]
 - Ng, W.L.; Lee, J.M.; Yeong, W.Y.; Naing, M.W. Microvalve-based bioprinting—Process, bio-inks and applications. Biomater. Sci. 2017, 5, 632–647. [Google Scholar] [CrossRef]
 - Pati, F.; Gantelius, J.; Svahn, H.A. 3D Bioprinting of Tissue/Organ Models. Angew. Chem. Int. Ed. 2016, 55, 4650–4665. [Google Scholar] [CrossRef] [PubMed]
 - Ng, W.L.; Chua, C.K.; Shen, Y.-F. Print Me An Organ! Why We Are Not There Yet. Prog. Polym. Sci. 2019, 97, 101145. [Google Scholar] [CrossRef]
 - Rajasekharan, A.K.; Gyllensten, C.; Blomstrand, E.; Liebi, M.; Andersson, M. Tough Ordered Mesoporous Elastomeric Biomaterials Formed at Ambient Conditions. ACS Nano 2020, 14, 241–254. [Google Scholar] [CrossRef] [PubMed]
 - Sayyar, S.; Gambhir, S.; Chung, J.; Officer, D.L.; Wallace, G.G. 3D printable conducting hydrogels containing chemically converted graphene. Nanoscale 2017, 9, 2038–2050. [Google Scholar] [CrossRef]
 - Sultan, S.; Mathew, A.P. 3D printed scaffolds with gradient porosity based on a cellulose nanocrystal hydrogel. Nanoscale 2018, 10, 4421–4431. [Google Scholar] [CrossRef] [PubMed]
 - Bernardes, B.; Del Gaudio, P.; Alves, P.; Costa, R.; García-Gonzaléz, C.; Oliveira, A. Bioaerogels: Promising Nanostructured Materials in Fluid Management, Healing and Regeneration of Wounds. Molecules 2021, 26, 3834. [Google Scholar] [CrossRef]
 - García-González, C.A.; Budtova, T.; Durães, L.; Erkey, C.; Del Gaudio, P.; Gurikov, P.; Koebel, M.; Liebner, F.; Neagu, M.; Smirnova, I. An Opinion Paper on Aerogels for Biomedical and Environmental Applications. Molecules 2019, 24, 1815. [Google Scholar] [CrossRef]
 - Yahya, E.B.; Amirul, A.A.; Hps, A.K.; Olaiya, N.G.; Iqbal, M.O.; Jummaat, F.; Ak, A.S.; Adnan, A.S. Insights into the Role of Biopolymer Aerogel Scaffolds in Tissue Engineering and Regenerative Medicine. Polymers 2021, 13, 1612. [Google Scholar] [CrossRef] [PubMed]
 - El-Naggar, M.E.; Othman, S.I.; Allam, A.; Morsy, O.M. Synthesis, drying process and medical application of polysaccharide-based aerogels. Int. J. Biol. Macromol. 2020, 145, 1115–1128. [Google Scholar] [CrossRef] [PubMed]
 - Guastaferro, M.; Reverchon, E.; Baldino, L. Agarose, Alginate and Chitosan Nanostructured Aerogels for Pharmaceutical Applications: A Short Review. Front. Bioeng. Biotechnol. 2021, 9, 688477. [Google Scholar] [CrossRef] [PubMed]
 - Feng, J.; Su, B.-L.; Xia, H.; Zhao, S.; Gao, C.; Wang, L.; Ogbeide, O.; Feng, J.; Hasan, T. Printed aerogels: Chemistry, processing, and applications. Chem. Soc. Rev. 2021, 50, 3842–3888. [Google Scholar] [CrossRef] [PubMed]
 - Karamikamkar, S.; Naguib, H.E.; Park, C.B. Advances in precursor system for silica-based aerogel production toward improved mechanical properties, customized morphology, and multifunctionality: A review. Adv. Colloid Interface Sci. 2020, 276, 102101. [Google Scholar] [CrossRef]
 - Patel, P.P.; Buckley, C.; Taylor, B.L.; Sahyoun, C.C.; Patel, S.D.; Mont, A.J.; Mai, L.; Patel, S.; Freeman, J.W. Mechanical and biological evaluation of a hydroxyapatite-reinforced scaffold for bone regeneration: Evaluation of Bone Scaffold. J. Biomed. Mater. Res. Part A 2019, 107, 732–741. [Google Scholar] [CrossRef] [PubMed]
 - Parai, R.; Bandyopadhyay-Ghosh, S. Engineered bio-nanocomposite magnesium scaffold for bone tissue regeneration. J. Mech. Behav. Biomed. Mater. 2019, 96, 45–52. [Google Scholar] [CrossRef]
 - Rial, R.; Soltero, J.F.A.; Verdes, P.V.; Liu, Z.; Ruso, J.M. Mechanical Properties of Composite Hydrogels for Tissue Engineering. Curr. Top. Med. Chem. 2018, 18, 1223–1232. [Google Scholar] [CrossRef]
 - Dewey, M.J.; Nosatov, A.V.; Subedi, K.; Shah, R.; Jakus, A.; Harley, B.A. Inclusion of a 3D-printed Hyperelastic Bone mesh improves mechanical and osteogenic performance of a mineralized collagen scaffold. Acta Biomater. 2021, 121, 224–236. [Google Scholar] [CrossRef] [PubMed]
 - Maharjan, B.; Park, J.; Kaliannagounder, V.K.; Awasthi, G.P.; Joshi, M.K.; Park, C.H.; Kim, C.S. Regenerated cellulose nanofiber reinforced chitosan hydrogel scaffolds for bone tissue engineering. Carbohydr. Polym. 2021, 251, 117023. [Google Scholar] [CrossRef]
 - Kim, H.; Hwangbo, H.; Koo, Y.; Kim, G. Fabrication of Mechanically Reinforced Gelatin/Hydroxyapatite Bio-Composite Scaffolds by Core/Shell Nozzle Printing for Bone Tissue Engineering. Int. J. Mol. Sci. 2020, 21, 3401. [Google Scholar] [CrossRef] [PubMed]
 - GhavamiNejad, A.; Ashammakhi, N.; Wu, X.Y.; Khademhosseini, A. Crosslinking Strategies for 3D Bioprinting of Polymeric Hydrogels. Small 2020, 16, 2002931. [Google Scholar] [CrossRef]
 - Oryan, A.; Kamali, A.; Moshiri, A.; Baharvand, H.; Daemi, H. Chemical crosslinking of biopolymeric scaffolds: Current knowledge and future directions of crosslinked engineered bone scaffolds. Int. J. Biol. Macromol. 2018, 107, 678–688. [Google Scholar] [CrossRef]
 - Krishnakumar, G.S.; Sampath, S.; Muthusamy, S.; John, M.A. Importance of crosslinking strategies in designing smart biomaterials for bone tissue engineering: A systematic review. Mater. Sci. Eng. C 2019, 96, 941–954. [Google Scholar] [CrossRef] [PubMed]
 - Yang, H.; Tan, Q.; Zhao, H. Progress in various crosslinking modification for acellular matrix. Chin. Med. J. 2014, 127, 3156–3164. [Google Scholar] [PubMed]
 - Erkoc, P.; Uvak, I.; Nazeer, M.A.; Batool, S.R.; Odeh, Y.N.; Akdogan, O.; Kizilel, S. 3D Printing of Cytocompatible Gelatin-Cellulose-Alginate Blend Hydrogels. Macromol. Biosci. 2020, 20, 2000106. [Google Scholar] [CrossRef] [PubMed]
 - Fang, Y.; Zhang, T.; Song, Y.; Sun, W. Assessment of various crosslinking agents on collagen/chitosan scaffolds for myocardial tissue engineering. Biomed. Mater. 2020, 15, 045003. [Google Scholar] [CrossRef] [PubMed]
 - Budiatin, A.S.; Mahyudin, F.; Khotib, J. Fabrication and characterization of bovine hydroxyapatite-gelatin-alendronate scaffold cross-linked by glutaraldehyde for bone regeneration. J. Basic Clin. Physiol. Pharmacol. 2021, 32, 555–560. [Google Scholar] [CrossRef] [PubMed]
 - Soares, D.G.; Bordini, E.; Cassiano, F.; Bronze-Uhle, E.S.; Pacheco, L.E.; Zabeo, G.; Hebling, J.; Lisboa-Filho, P.N.; Bottino, M.C.; Costa, C.A.D.S. Characterization of novel calcium hydroxide-mediated highly porous chitosan-calcium scaffolds for potential application in dentin tissue engineering. J. Biomed. Mater. Res. Part B Appl. Biomater. 2020, 108, 2546–2559. [Google Scholar] [CrossRef] [PubMed]
 - Delgado, L.M.; Fuller, K.; Zeugolis, D.I. Collagen Cross-Linking: Biophysical, Biochemical, and Biological Response Analysis. Tissue Eng. Part A 2017, 23, 1064–1077. [Google Scholar] [CrossRef] [PubMed]
 - Jeong, J.E.; Park, S.Y.; Shin, J.Y.; Seok, J.M.; Byun, J.H.; Oh, S.H.; Kim, W.D.; Lee, J.H.; Park, W.H.; Park, S.A. 3D Printing of Bone-Mimetic Scaffold Composed of Gelatin/β-Tri-Calcium Phosphate for Bone Tissue Engineering. Macromol. Biosci. 2020, 20, e2000256. [Google Scholar] [CrossRef] [PubMed]
 - Mathapati, S.; Bishi, D.K.; Guhathakurta, S.; Cherian, K.M.; Venugopal, J.R.; Ramakrishna, S.; Verma, R.S. Biomimetic acellular detoxified glutaraldehyde cross-linked bovine pericardium for tissue engineering. Mater. Sci. Eng. C 2013, 33, 1561–1572. [Google Scholar] [CrossRef] [PubMed]
 - Lei, Y.; Yang, L.; Guo, G.; Wang, Y. EGCG and enzymatic cross-linking combined treatments for improving elastin stability and reducing calcification in bioprosthetic heart valves. J. Biomed. Mater. Res. Part B Appl. Biomater. 2019, 107, 1551–1559. [Google Scholar] [CrossRef] [PubMed]
 - Hodder, E.; Duin, S.; Kilian, D.; Ahlfeld, T.; Seidel, J.; Nachtigall, C.; Bush, P.; Covill, D.; Gelinsky, M.; Lode, A. Investigating the effect of sterilisation methods on the physical properties and cytocompatibility of methyl cellulose used in combination with alginate for 3D-bioplotting of chondrocytes. J. Mater. Sci. Mater. Med. 2019, 30, 10. [Google Scholar] [CrossRef]
 - Santos-Rosales, V.; Ardao, I.; Alvarez-Lorenzo, C.; Ribeiro, N.; Oliveira, A.L.; García-González, C.A. Sterile and Dual-Porous Aerogels Scaffolds Obtained through a Multistep Supercritical CO₂-Based Approach. Molecules 2019, 24, 871. [Google Scholar] [CrossRef] [PubMed]
 - Munarin, F.; Bozzini, S.; Visai, L.; Tanzi, M.C.; Petrini, P. Sterilization treatments on polysaccharides: Effects and side effects on pectin. Food Hydrocoll. 2013, 31, 74–84. [Google Scholar] [CrossRef]
 - Ribeiro, N.; Soares, G.C.; Santos-Rosales, V.; Concheiro, A.; Alvarez-Lorenzo, C.; García-González, C.A.; Oliveira, A. A new era for sterilization based on supercritical CO 2 technology. J. Biomed. Mater. Res. Part B Appl. Biomater. 2020, 108, 399–428. [Google Scholar] [CrossRef]
 - Corker, A.; Ng, H.C.-H.; Poole, R.J.; García-Tuñón, E. 3D printing with 2D colloids: Designing rheology protocols to predict ‘printability’ of soft-materials. Soft Matter 2019, 15, 1444–1456. [Google Scholar] [CrossRef]
 - Conceição, J.; Vaamonde, X.F.; Goyanes, A.; Adeoye, O.; Concheiro, A.; Cabral-Marques, H.; Lobo, J.M.S.; Alvarez-Lorenzo, C. Hydroxypropyl-β-cyclodextrin-based fast dissolving carbamazepine printlets prepared by semisolid extrusion 3D printing. Carbohydr. Polym. 2019, 221, 55–62. [Google Scholar] [CrossRef] [PubMed]
 - Blanco-Fernandez, B.; Rial-Hermida, M.I.; Alvarez-Lorenzo, C.; Concheiro, A. Edible chitosan/acetylated monoglyceride films for prolonged release of vitamin E and antioxidant activity. J. Appl. Polym. Sci. 2012, 129, 626–635. [Google Scholar] [CrossRef]
 - Kokubo, T.; Takadama, H. How useful is SBF in predicting in vivo bone bioactivity? Biomaterials 2006, 27, 2907–2915. [Google Scholar] [CrossRef]
 - Duarte, A.R.C.; Caridade, S.G.; Mano, J.F.; Reis, R.L. Processing of novel bioactive polymeric matrixes for tissue engineering using supercritical fluid technology. Mater. Sci. Eng. C 2009, 29, 2110–2115. [Google Scholar] [CrossRef][Green Version]
 - Islam, M.M.; AbuSamra, D.B.; Chivu, A.; Argüeso, P.; Dohlman, C.H.; Patra, H.K.; Chodosh, J.; González-Andrades, M. Optimization of Collagen Chemical Crosslinking to Restore Biocompatibility of Tissue-Engineered Scaffolds. Pharmaceutics 2021, 13, 832. [Google Scholar] [CrossRef] [PubMed]
 - Gao, T.; Gillispie, G.J.; Copus, J.S.; Pr, A.K.; Seol, Y.-J.; Atala, A.; Yoo, J.J.; Lee, S.J.J. Optimization of gelatin-alginate composite bioink printability using rheological parameters: A systematic approach. Biofabrication 2018, 10, 034106. [Google Scholar] [CrossRef] [PubMed]
 - Seoane-Viaño, I.; Januskaite, P.; Alvarez-Lorenzo, C.; Basit, A.W.; Goyanes, A. Semi-solid extrusion 3D printing in drug delivery and biomedicine: Personalised solutions for healthcare challenges. J. Control. Release 2021, 332, 367–389. [Google Scholar] [CrossRef] [PubMed]
 - D’Elía, N.L.; Silva, R.R.; Sartuqui, J.; Ercoli, D.; Ruso, J.; Messina, P.; Mestres, G. Development and characterisation of bilayered periosteum-inspired composite membranes based on sodium alginate-hydroxyapatite nanoparticles. J. Colloid Interface Sci. 2020, 572, 408–420. [Google Scholar] [CrossRef] [PubMed]
 - Perez, R.A.; Mestres, G. Role of pore size and morphology in musculo-skeletal tissue regeneration. Mater. Sci. Eng. C 2016, 61, 922–939. [Google Scholar] [CrossRef]
 - Wang, Q.; Ju, J.; Tan, Y.; Hao, L.; Ma, Y.; Wu, Y.; Zhang, H.; Xia, Y.; Sui, K. Controlled synthesis of sodium alginate electrospun nanofiber membranes for multi-occasion adsorption and separation of methylene blue. Carbohydr. Polym. 2019, 205, 125–134. [Google Scholar] [CrossRef]
 - García-González, C.A.; Alnaief, M.; Smirnova, I. Polysaccharide-based aerogels—Promising biodegradable carriers for drug delivery systems. Carbohydr. Polym. 2011, 86, 1425–1438. [Google Scholar] [CrossRef]
 - Saarai, A.; Kasparkova, V.; Sedlacek, T.; Saha, P. On the development and characterisation of crosslinked sodium alginate/gelatine hydrogels. J. Mech. Behav. Biomed. Mater. 2013, 18, 152–166. [Google Scholar] [CrossRef] [PubMed]
 - Ma, B.; Wang, X.; Wu, C.; Chang, J. Crosslinking strategies for preparation of extracellular matrix-derived cardiovascular scaffolds. Regen. Biomater. 2014, 1, 81–89. [Google Scholar] [CrossRef] [PubMed]
 - Li, G.; Qin, S.; Liu, X.; Zhang, D.; He, M. Structure and properties of nano-hydroxyapatite/poly(butylene succinate) porous scaffold for bone tissue engineering prepared by using ethanol as porogen. J. Biomater. Appl. 2018, 33, 776–791. [Google Scholar] [CrossRef] [PubMed]
 - Salvatore, L.; Madaghiele, M.; Parisi, C.; Gatti, F.; Sannino, A. Crosslinking of micropatterned collagen-based nerve guides to modulate the expected half-life: Crosslinking of Micropatterned Collagen-Based Nerve Guides. J. Biomed. Mater. Res. Part A 2014, 102, 4406–4414. [Google Scholar] [CrossRef] [PubMed]
 - Tohamy, K.M.; Mabrouk, M.; Soliman, I.E.; Beherei, H.H.; Aboelnasr, M.A. Novel alginate/hydroxyethyl cellulose/hydroxyapatite composite scaffold for bone regeneration: In vitro cell viability and proliferation of human mesenchymal stem cells. Int. J. Biol. Macromol. 2018, 112, 448–460. [Google Scholar] [CrossRef]
 - Valenzuela, F.; Covarrubias, C.; Martínez, C.; Smith, P.; Díaz-Dosque, M.; Yazdani-Pedram, M. Preparation and bioactive properties of novel bone-repair bionanocomposites based on hydroxyapatite and bioactive glass nanoparticles. J. Biomed. Mater. Res. Part B Appl. Biomater. 2012, 100B, 1672–1682. [Google Scholar] [CrossRef] [PubMed]
 - Kamalaldin, N.; Yahya, B.; Nurazreena, A. Cell Evaluation on Alginate/Hydroxyapatite Block for Biomedical Application. Procedia Chem. 2016, 19, 297–303. [Google Scholar] [CrossRef]
 - Shaheen, T.; Montaser, A.; Li, S. Effect of cellulose nanocrystals on scaffolds comprising chitosan, alginate and hydroxyapatite for bone tissue engineering. Int. J. Biol. Macromol. 2019, 121, 814–821. [Google Scholar] [CrossRef] [PubMed]
 - Perera, C.J.C.; Baas, M.G.C.; Lara, G.A.A.; Borges, S.I.R.; Guzmán, A.L.R.; Cervantes, I.F.; Fuentes, N.R. Characterization and hemocompatibility assessment of porous composite scaffolds with a biomimetic human clavicle macrostructure. Health Technol. 2020, 10, 423–428. [Google Scholar] [CrossRef]
 - He, X.; Fan, X.; Feng, W.; Chen, Y.; Guo, T.; Wang, F.; Liu, J.; Tang, K. Incorporation of microfibrillated cellulose into collagen-hydroxyapatite scaffold for bone tissue engineering. Int. J. Biol. Macromol. 2018, 115, 385–392. [Google Scholar] [CrossRef]
 









| Aerogel Formulations | Ink Composition | Crosslinking Strategy | ||
|---|---|---|---|---|
| Alginate (wt.%) | HA (wt.%) | Ionic Ageing | GA Vapor | |
| Alg 6%, HA 0%, CaCl2 1M1h | 6 | 0 | CaCl2 1 M bath for 1 h | No | 
| Alg 6%, HA 8%, CaCl2 1M1h | 6 | 8 | CaCl2 1 M bath for 1 h | No | 
| Alg 6%, HA 16%, CaCl2 1M1h | 6 | 16 | CaCl2 1 M bath for 1 h | No | 
| Alg 6%, HA 24%, CaCl2 1M1h | 6 | 24 | CaCl2 1 M bath for 1 h | No | 
| Alg 6%, HA 0%, CaCl2 1M1h, GA | 6 | 0 | CaCl2 1 M bath for 1 h | Yes, 1 h | 
| Alg 6%, HA 8%, CaCl2 1M1h, GA | 6 | 8 | CaCl2 1 M bath for 1 h | Yes, 1 h | 
| Alg 6%, HA 16%, CaCl2 1M1h, GA | 6 | 16 | CaCl2 1 M bath for 1 h | Yes, 1 h | 
| Alg 6%, HA 24%, CaCl2 1M1h, GA | 6 | 24 | CaCl2 1 M bath for 1 h | Yes, 1 h | 
| Aerogel Scaffold | ABET (m2/g) | dp (nm) | Vp (cm3/g) | ρenv (g/cm3) | ρskel (g/cm3) | ε (%) | 
|---|---|---|---|---|---|---|
| Alg 6%, HA 0%, CaCl2 1 M * | 183 ± 9 | 19 ± 1 | 1.16 ± 0.06 | 0.14 ± 0.01 ǂ | 1.18 ± 0.16 | 86.58 ± 2.26 | 
| Alg 6%, HA 8%, CaCl2 1 M * | 118 ± 6 | 24 ± 1 | 0.99 ± 0.05 | 0.24 ± 0.03 ǂ | 1.72 ± 0.09 | 85.25 ± 4.02 | 
| Alg 6%, HA 16%, CaCl2 1 M * | 67 ± 3 | 26 ± 1 | 0.60 ± 0.03 | 0.29 ± 0.04 ǂ | 1.93 ± 0.04 | 79.78 ± 3.92 | 
| Alg 6%, HA 24%, CaCl2 1 M * | 29 ± 2 | 31 ± 2 | 0.21 ± 0.01 | 0.34 ±0.02 ǂ | 1.72 ± 0.14 | 76.68 ± 3.54 | 
| Alg 6%, HA 0%, CaCl2 0.5M1h | 453 ± 23 | 25 ± 1 | 3.21 ± 0.16 | 0.18 ± 0.01 ǂ | 1.81 ± 0.08 | 90.32 ± 0.81 | 
| Alg 6%, HA 0%, CaCl2 1M1h | 244 ± 12 | 24 ± 1 | 1.74 ± 0.1 | 0.19 ± 0.003 | 1.44 ± 0.09 | 86.78 ± 0.88 | 
| Alg 6%, HA 8%, CaCl2 1M1h | 81 ± 4 | 26 ± 1 | 0.68 ± 0.03 | 0.41 ± 0.003 | 2.29 ± 0.03 | 82.27 ± 0.24 | 
| Alg 6%, HA 16%, CaCl2 1M1h | 49 ± 3 | 28 ± 1 | 0.39 ± 0.02 | 0.55 ± 0.003 | 2.38 ± 0.04 | 76.86 ± 0.35 | 
| Alg 6%, HA 24%, CaCl2 1M1h | 65 ± 3 | 28 ± 1 | 0.69 ± 0.03 | 0.63 ± 0.003 | 2.71 ± 0.05 | 76.77 ± 0.47 | 
| Alg 6%, CaCl2 1 M, GA | 112 ± 6 | 19 ± 1 | 0.72 ± 0.04 | 0.22 ± 0.07 ǂ | 1.49 ± 0.05 | 85.45 ± 4.60 | 
| Alg 6%, HA 8%, CaCl2 1 M, GA | 91 ± 5 | 21 ± 1 | 0.66 ± 0.03 | 0.41 ± 0.09 ǂ | 1.84 ± 0.04 | 77.50 ± 4.80 | 
| Alg 6%, HA 0%, CaCl2 1M1h, GA | 26 ± 1 | 19 ± 1 | 0.15 ± 0.01 | 0.52 ± 0.09 | 1.96 ± 0.19 | 73.32 ± 2.62 | 
| Alg 6%, HA 8%, CaCl2 1M1h, GA | 28 ± 1 | 24 ± 1 | 0.21 ± 0.01 | 0.68 ± 0.09 | 2.16 ± 0.09 | 68.58 ± 1.41 | 
| Alg 6%, HA 16%, CaCl2 1M1h, GA | 21 ± 1 | 32 ± 2 | 0.24 ± 0.01 | 0.94 ± 0.20 | 2.33 ± 0.09 | 59.58 ± 1.47 | 
| Alg 6%, HA 24%, CaCl2 1M1h, GA | 21 ± 1 | 24 ± 1 | 0.19 ±0.01 | 0.97 ± 0.13 | 2.37 ± 0.05 | 59.14 ± 0.87 | 
| Aerogel Scaffolds | Hemolytic Activity | 
|---|---|
| Negative control | 0.0 ± 2.0 | 
| Positive control | 100.0 ± 0.2 | 
| Alg 6%, HA 24%, CaCl2 1M1h | −1.3 ± 2.0 | 
| Alg 6%, HA 24%, CaCl2 1M1h, GA | −1.8 ± 3.0 | 
| Sterile Aerogel Scaffold | ABET (m2/g) | dp (nm) | Vp (cm3/g) | 
|---|---|---|---|
| Alg 6%, HA 8%, CaCl2 1M1h, st | 105 ± 5 | 28 ± 1 | 0.89 ± 0.04 | 
| Alg 6%, HA 16%, CaCl2 1M1h, st | 68 ± 3 | 27 ± 1 | 0.52 ± 0.03 | 
| Alg 6%, HA 24%, CaCl2 1M1h, st | 56 ± 3 | 26 ± 1 | 0.41 ± 0.02 | 
| Alg 6%, HA 8%, CaCl2 1M1h, GA, st | 59 ± 3 | 25 ± 1 | 0.43 ± 0.02 | 
| Alg 6%, HA 16%, CaCl2 1M1h, GA, st | 30 ± 2 | 29 ± 1 | 0.27 ± 0.01 | 
| Alg 6%, HA 24%, CaCl2 1M1h, GA, st | 32 ± 2 | 23 ± 1 | 0.17 ± 0.01 | 
Publisher’s Note: MDPI stays neutral with regard to jurisdictional claims in published maps and institutional affiliations.  | 
© 2022 by the authors. Licensee MDPI, Basel, Switzerland. This article is an open access article distributed under the terms and conditions of the Creative Commons Attribution (CC BY) license (https://creativecommons.org/licenses/by/4.0/).
Share and Cite
Iglesias-Mejuto, A.; García-González, C.A. 3D-Printed, Dual Crosslinked and Sterile Aerogel Scaffolds for Bone Tissue Engineering. Polymers 2022, 14, 1211. https://doi.org/10.3390/polym14061211
Iglesias-Mejuto A, García-González CA. 3D-Printed, Dual Crosslinked and Sterile Aerogel Scaffolds for Bone Tissue Engineering. Polymers. 2022; 14(6):1211. https://doi.org/10.3390/polym14061211
Chicago/Turabian StyleIglesias-Mejuto, Ana, and Carlos A. García-González. 2022. "3D-Printed, Dual Crosslinked and Sterile Aerogel Scaffolds for Bone Tissue Engineering" Polymers 14, no. 6: 1211. https://doi.org/10.3390/polym14061211
APA StyleIglesias-Mejuto, A., & García-González, C. A. (2022). 3D-Printed, Dual Crosslinked and Sterile Aerogel Scaffolds for Bone Tissue Engineering. Polymers, 14(6), 1211. https://doi.org/10.3390/polym14061211
        
                                                
