Enhancement of Green Tires Performance through Ultrasound-Assisted Mixing
Abstract
:1. Introduction
2. Experimental Section
2.1. Experimental Equipment and Ultrasonic Loading Method
2.2. Materials
2.3. Experimental Formula
2.4. Experimental Method
3. Results and Discussion
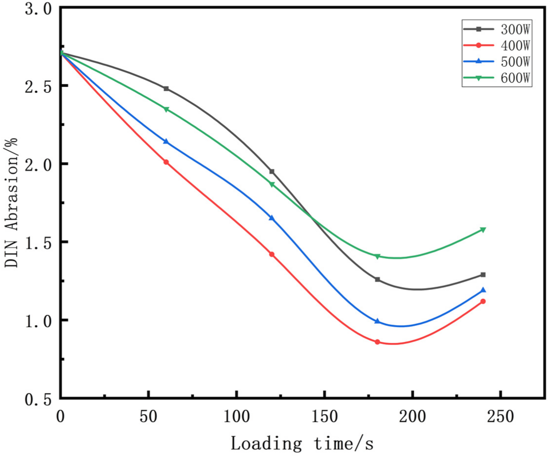
3.1. The Effects of Different Ultrasonic Parameters on the Properties of Vulcanizates
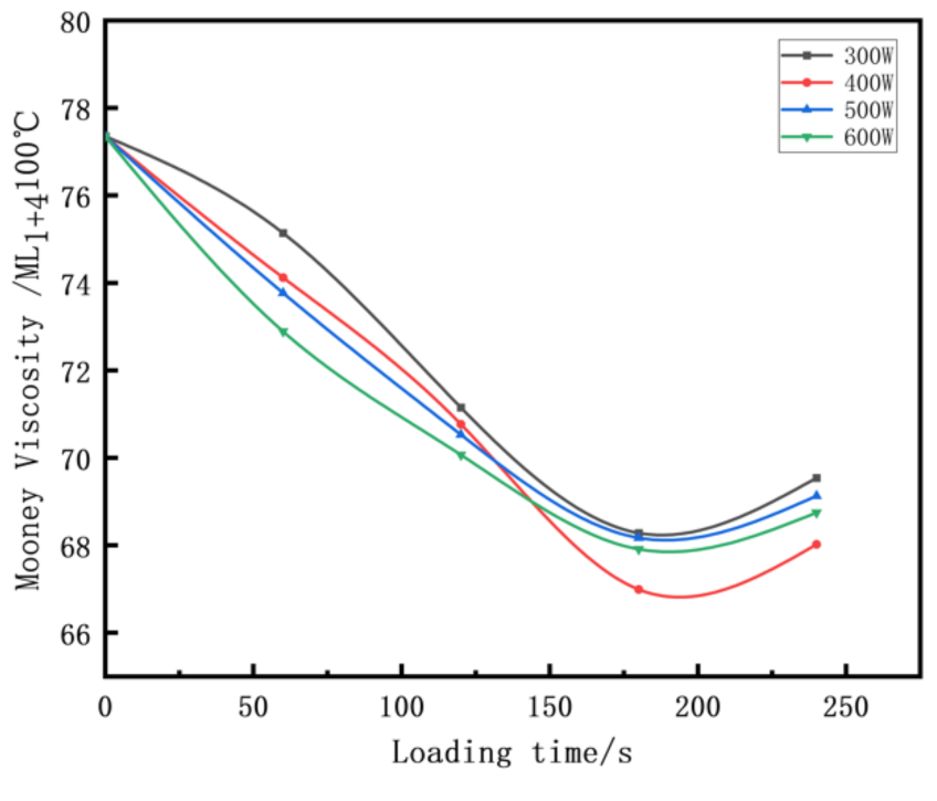
3.2. The Effects of Different Ultrasonic Parameters on Mixing Rubber Mooney Viscosity
3.3. The Effects of Different Ultrasonic Powers on the Processing Performance of Rubber
3.4. The Effects of Different Ultrasonic Powers on Dynamic Mechanical Properties of Vulcanizates
4. Conclusions
Author Contributions
Funding
Institutional Review Board Statement
Informed Consent Statement
Data Availability Statement
Acknowledgments
Conflicts of Interest
References
- Anenberg, S.C.; Miller, J.; Minjares, R.; Du, L.; Henze, D.K.; Lacey, F.; Malley, C.S.; Emberson, L.; Franco, V.; Klimont, Z.; et al. Impacts and mitigation of excess diesel-related NOx emissions in 11 major vehicle markets. Nature 2017, 545, 467–471. [Google Scholar] [CrossRef] [PubMed]
- Wu, X.; Wu, Y.; Zhang, S.; Liu, H.; Fu, L.; Hao, J. Assessment of vehicle emission programs in China during 1998–2013: Achievement, challenges and implications. Environ. Pollut. 2016, 214, 556–567. [Google Scholar] [CrossRef]
- Zheng, B.; Zhang, Q.; Borken-Kleefeld, J.; Huo, H.; Guan, D.; Klimont, Z.; Peters, G.P.; He, K. How will greenhouse gas emissions from motor vehicles be constrained in China around 2030? Appl. Energy 2015, 156, 230–240. [Google Scholar] [CrossRef] [Green Version]
- Chen, J.; Ma, X.; Yu, Z.; Deng, T.; Chen, X.; Chen, L.; Dai, M. A study on catalytic co-pyrolysis of kitchen waste with tire waste over ZSM-5 using TG-FTIR and Py-GC/MS. Bioresour. Technol. 2019, 289, 1873–2976. [Google Scholar] [CrossRef]
- Xu, L.; Jiang, Y.; Qiu, R. Parametric study and global sensitivity analysis for co-pyrolysis of rape straw and waste tire via variance-based decomposition. Bioresour. Technol. 2018, 247, 545–552. [Google Scholar] [CrossRef]
- Czajczyńska, D.; Krzyżyńska, R.; Jouhara, H.; Spencer, N. Use of pyrolytic gas from waste tire as a fuel: A review. Energy 2017, 134, 1121–1131. [Google Scholar] [CrossRef]
- Tian, X.; Zhuang, Q.; Han, S.; Li, S.; Liu, H.; Li, L.; Zhang, J.; Wang, C.; Bian, H. A novel approach of reapplication of carbon black recovered from waste tyre pyrolysis to rubber composites. J. Clean. Prod. 2021, 280, 124460. [Google Scholar] [CrossRef]
- Qin, X.; Han, B.; Lu, J.; Wang, Z.; Sun, Z.; Wang, D.; Russell, T.P.; Zhang, L.; Liu, J. Rational design of advanced elastomer nanocomposites towards extremely energy-saving tires based on macromolecular assembly strategy. Nano Energy 2018, 48, 180–188. [Google Scholar] [CrossRef]
- Bian, H. The Fundamental Theory and Experimental Study of the Tandem Internal Mixing. Ph.D. Thesis, Qingdao University of Science and Technology, Qingdao, China, 2015. (In Chinese). [Google Scholar]
- Lee, J.-Y.; Kumar, V.; Tang, X.-W.; Lee, D.-J. Mechanical and electrical behavior of rubber nanocomposites under static and cyclic strain. Compos. Sci. Technol. 2017, 142, 1–9. [Google Scholar] [CrossRef]
- Liu, L.; Gao, Y.; Liu, Q.; Kuang, J.; Zhou, D.; Ju, S.; Han, B.; Zhang, Z. High mechanical performance of layered graphene oxide/poly(vinyl alcohol) nanocomposite films. Small 2013, 9, 2466–2472. [Google Scholar] [CrossRef]
- Sae-Oui, P.; Thepsuwan, U.; Thaptong, P.; Sirisinha, C. Comparison of Reinforcing Efficiency of Carbon Black, Conductive Carbon Black, and Carbon Nanotube in Natural Rubber. Adv. Polym. Technol. 2014, 33, 21422. [Google Scholar] [CrossRef]
- Yaragalla, S.; Sindam, B.; Abraham, J.; Raju, K.C.J.; Kalarikkal, N.; Thomas, S. Fabrication of graphite-graphene-ionic liquid modified carbon nanotubes filled natural rubber thin films for microwave and energy storage applications. J. Polym. Res. 2015, 22, 137. [Google Scholar] [CrossRef]
- Zhang, Y.; Park, S.-J. In situ shear-induced mercapto group-activated graphite nanoplatelets for fabricating mechanically strong and thermally conductive elastomer composites for thermal management applications. Compos. Part A Appl. Sci. Manuf. 2018, 112, 40–48. [Google Scholar] [CrossRef]
- Xu, G.; Du, G. Low Temperature Mixing Rubber Material Production Method. Chinese. Invention Patent Application No. CN102107466A, 29 June 2011. [Google Scholar]
- Zhu, L.; Tian, X.; Pan, Y.; Chang, T.; Wang, K.; Niu, G.; Zhang, L.; Wang, C.; Han, W. Optimization of Serial Modular Continuous Mixing Process Parameters for Natural Rubber Composites Reinforced by Silica/Carbon Black. Polymers 2020, 12, 416. [Google Scholar] [CrossRef] [PubMed] [Green Version]
- Wang, C.; Zhu, L.; Cheng, Y.; Hu, J.; Bian, H. Influence of Rotor Speed of Series Type Continuous Mixing Equipment on Reinforcing Effect of Silica. China Rubber Ind. (In Chinese). 2018, 6, 685–688. [Google Scholar]
- Zhu, L.; Pan, Y.; Tian, X.; Liu, H.; Bian, H.; Wang, C. Continuous Preparation and Properties of Silica/Rubber Composite Using Serial Modular Mixing. Materials 2019, 12, 3118. [Google Scholar] [CrossRef] [PubMed] [Green Version]
- Zhu, L. Study on Mechanism and Experiments of Block Rubber Serial Continuous Mixing System. Ph.D. Thesis, Qingdao University of Science and Technology, Qingdao, China, 2020. (In Chinese). [Google Scholar]
- Price, G.J. Ultrasonically enhanced polymer synthesis. Ultrason. Sonochem. 1996, 3, S229–S238. [Google Scholar] [CrossRef]
- Isayev, A.I.; Chen, J.; Tukachinsky, A. Novel ultrasonic technology for devulcanization of waste rubbers. Rubber Chem. Technol. 1995, 68, 267–280. [Google Scholar] [CrossRef]
- Lewis, T.M.; Liang, T.; Isayev, A.I. Effect of Particle Size on Ultrasonic Devulcanization of Tire Rubber in Twin-Screw Extruder. Rubber Chem. Technol. 2014, 87, 86–102. [Google Scholar]
- Huang, K.; Isayev, A.I.; Zhong, J. Ultrasonic decrosslinking of crosslinked high-density polyethylene: Effect of screw design. J. Appl. Polym. Sci. 2014, 131, 8506. [Google Scholar] [CrossRef]
- Isayev, A.; Hong, C.K. Novel ultrasonic process for in-situ copolymer formation and compatibilization of immiscible polymers. Polym. Eng. Sci. 2003, 43, 91–101. [Google Scholar] [CrossRef]
- Choi, J.; Isayev, A.I. Natural rubber/styrene butadiene rubber blends prepared by ultrasonically aided extrusion. J. Elastomers Plast. 2013, 47, 170–193. [Google Scholar] [CrossRef]
- Gunes, K.; Isayev, A.I. In situ compatibilization of PEN/LCP blends by ultrasonic extrusion. J. Appl. Polym. Sci. 2011, 122, 354–365. [Google Scholar] [CrossRef]
- Cassagnau, P.; Courmont, M.; Melis, F.; Puaux, J.P. Study of mixing of liquid/polymer in twin screw extruder by residence time distribution. Polym. Eng. Sci. 2005, 45, 926–934. [Google Scholar] [CrossRef]
- Isayev, A.I.; Kumar, R.; Lewis, T.M. Ultrasound assisted twin screw extrusion of polymer–nanocomposites containing carbon nanotubes. Polymer 2009, 50, 250–260. [Google Scholar] [CrossRef]
- Prasertsri, S.; Rattanasom, N. Fumed and precipitated silica reinforced natural rubber composites prepared from latex system: Mechanical and dynamic properties. Polym. Test. 2012, 31, 593–605. [Google Scholar] [CrossRef]
- Wang, C.; Chang, T.; Bian, H.; Zhang, L. Study on the preparation of graphene oxide/silica/natural rubber latex composites by different processes. Polym. Polym. Compos. 2018, 27, 135–142. [Google Scholar] [CrossRef]
- Pan, Y.; Zhang, M.; Zhang, J.; Zhu, X.; Bian, H.; Wang, C. Effect of Silane Coupling Agent on Modification of Areca Fiber/Natural Latex. Materials 2020, 13, 4896. [Google Scholar] [CrossRef]
- Tian, X.; Han, S.; Zhuang, Q.; Bian, H.; Li, S.; Zhang, C.; Wang, C.; Han, W. Surface Modification of Staple Carbon Fiber by Dopamine to Reinforce Natural Latex Composite. Polymers 2020, 12, 988. [Google Scholar] [CrossRef]
- Payne, A.R. Effect of dispersion on the dynamic properties of filler-loaded rubbers. J. Appl. Polym. Sci. 1965, 9, 2273–2284. [Google Scholar] [CrossRef]
- Wang, C.; Tian, X.; Zhuang, Q.; Bian, H.; Wu, H. New Silica/Rubber Compounding Technology by Using Dry Ice. China Rubber Ind. 2018, 5, 569–572. (In Chinese) [Google Scholar]
- Yang, H. Study on the Mixing Mechanism and Experiment of Synchronous and Same Direction-Rotating Rotor Internal Mixer. Master’s Thesis, Qingdao University of Science and Technology, Qingdao, China, 2017. (In Chinese). [Google Scholar]
- Li, Y.; Li, J.; Guo, S.; Li, H. Mechanochemical degradation kinetics of high-density polyethylene melt and its mechanism in the presence of ultrasonic irradiation. Ultrason. Sonochem. 2005, 12, 183–189. [Google Scholar] [CrossRef] [PubMed]
- Liu, Y. Study on the Dispersion Mechanism and Experiment of Carbon Black/Silica in Mixing Rubber. Master’s Thesis, Qingdao University of Science and Technology, Qingdao, China, 2017. (In Chinese). [Google Scholar]







| Component | Formulation (phr) |
|---|---|
| SSBR | 95 |
| BR | 32 |
| ZnO | 2 |
| Stearic acid | 2 |
| DMPPD | 2 |
| Silica | 45 |
| Si69 | 5.4 |
| CB N234 | 70 |
| Aromatic oil | 3 |
| CZ | 1.5 |
| S | 1.3 |
| Experiment Number | Ultrasonic Power (W) | Loading Time (s) |
|---|---|---|
| Unloaded | 0 | 0 |
| 1 | 300 | 60 |
| 2 | 300 | 120 |
| 3 | 300 | 180 |
| 4 | 300 | 240 |
| 5 | 400 | 60 |
| 6 | 400 | 120 |
| 7 | 400 | 180 |
| 8 | 400 | 240 |
| 9 | 500 | 60 |
| 10 | 500 | 120 |
| 11 | 500 | 180 |
| 12 | 500 | 240 |
| 13 | 600 | 60 |
| 14 | 600 | 120 |
| 15 | 600 | 180 |
| 16 | 600 | 240 |
| Mixing Process | ||||||
|---|---|---|---|---|---|---|
| 1 | Add rubber and mix for 30 s | Ultrasonic loading time (s) | ||||
| 2 | Add the additives and mix for 30 s | 0 | 60 | 120 | 180 | 240 |
| 3 | Add 1/2 silica and mix for 30 s | |||||
| 4 | Add carbon black and mix for 30 s | / | ||||
| 5 | Add the other 1/2 silica and mix for 30 s | |||||
| 6 | Add the oil and mix for 30 s | / | ||||
| 7 | Up and down the ram and mix for 30 s | |||||
| 8 | Up and down the ram and mix for 60 s | / | ||||
| 9 | Drop the rubber | |||||
| Ultrasonic Power (W) | Loading Time (s) | Mooney Viscosity (ML1+4100 °C) | Tensile Strength (Mpa) | Tear Strength (KN/m) | DIN Abrasion (%) |
|---|---|---|---|---|---|
| 0 | 0 | 77.35 ± 0.96 | 13.23 ± 0.94 | 49.33 ± 1.51 | 2.71 ± 0.091 |
| 300 | 60 | 75.14 ± 0.85 | 13.41 ± 0.86 | 52.61 ± 1.43 | 2.48 ± 0.063 |
| 300 | 120 | 71.15 ± 0.93 | 14.12 ± 0.92 | 53.49 ± 1.39 | 1.95 ± 0.068 |
| 300 | 180 | 68.28 ± 0.89 | 15.29 ± 0.89 | 54.92 ± 1.37 | 1.26 ± 0.066 |
| 300 | 240 | 69.54 ± 0.86 | 14.54 ± 0.90 | 54.13 ± 1.34 | 1.29 ± 0.060 |
| 400 | 60 | 74.12 ± 0.65 | 14.39 ± 0.88 | 54.21 ± 1.29 | 2.01 ± 0.075 |
| 400 | 120 | 70.77 ± 0.60 | 15.77 ± 0.89 | 57.58 ± 1.26 | 1.42 ± 0.069 |
| 400 | 180 | 66.99 ± 0.56 | 17.03 ± 0.86 | 60.11 ± 1.37 | 0.86 ± 0.071 |
| 400 | 240 | 68.02 ± 0.68 | 16.35 ± 0.91 | 57.65 ± 1.25 | 1.12 ± 0.072 |
| 500 | 60 | 73.77 ± 0.74 | 14.31 ± 0.71 | 53.66 ± 1.33 | 2.14 ± 0.083 |
| 500 | 120 | 70.53 ± 0.77 | 15.31 ± 0.78 | 55.38 ± 1.31 | 1.65 ± 0.084 |
| 500 | 180 | 68.17 ± 0.81 | 15.95 ± 0.76 | 56.83 ± 1.34 | 0.99 ± 0.079 |
| 500 | 240 | 69.13 ± 0.75 | 15.61 ± 0.77 | 55.65 ± 1.28 | 1.19 ± 0.085 |
| 600 | 60 | 72.89 ± 0.69 | 13.99 ± 0.78 | 53.05 ± 1.23 | 2.35 ± 0.074 |
| 600 | 120 | 70.07 ± 0.71 | 14.72 ± 0.81 | 54.70 ± 1.33 | 1.87 ± 0.069 |
| 600 | 180 | 67.91 ± 0.72 | 15.44 ± 0.86 | 56.33 ± 1.28 | 1.41 ± 0.073 |
| 600 | 240 | 68.75 ± 0.74 | 15.11 ± 0.85 | 55.15 ± 1.27 | 1.58 ± 0.072 |
| Test List | Ultrasonic Parameters: (1) Ultrasonic Power (W); (2) Loading Time (s) | |||||||||
|---|---|---|---|---|---|---|---|---|---|---|
| (1) | (2) | (1) | (2) | (1) | (2) | (1) | (2) | (1) | (2) | |
| 0 | 0 | 400 | 60 | 400 | 120 | 400 | 180 | 400 | 240 | |
| ML (dN·m) | 3.48 ± 0.54 | 3.78 ± 0.43 | 3.54 ± 0.57 | 3.89 ± 0.45 | 3.92 ± 0.41 | |||||
| MH (dN·m) | 17.36 ± 0.35 | 17.75 ± 0.26 | 18.12 ± 0.31 | 18.83 ± 0.31 | 18.74 ± 0.19 | |||||
| MH–ML (dN·m) | 13.88 ± 0.19 | 13.97 ± 0.17 | 14.58 ± 0.26 | 14.94 ± 0.26 | 14.82 ± 0.22 | |||||
| crosslinking density (mol·cm−3·10−4) | 1.121 | 1.149 | 1.164 | 1.198 | 1.181 | |||||
| List | Tensile Strength | Tear Strength | Reference |
|---|---|---|---|
| 1 | ↑10.20% | ↑15.56% | [34] |
| 2 | ↑4.60% | / | [35] |
| 3 | ↑28.72% | ↑21.85% | This Work |
| Ultrasonic Parameters | Three-Dimensional Morphology | Carbon Black Dispersion | SEM Photos | |
|---|---|---|---|---|
| Ultrasonic Power (W) | Loading Time (s) | |||
| 0 | 0 | ![]() | ![]() | ![]() |
| 400 | 60 | ![]() | ![]() | ![]() |
| 400 | 120 | ![]() | ![]() | ![]() |
| 400 | 180 | ![]() | ![]() | ![]() |
| 400 | 240 | ![]() | ![]() | ![]() |
Publisher’s Note: MDPI stays neutral with regard to jurisdictional claims in published maps and institutional affiliations. |
© 2022 by the authors. Licensee MDPI, Basel, Switzerland. This article is an open access article distributed under the terms and conditions of the Creative Commons Attribution (CC BY) license (https://creativecommons.org/licenses/by/4.0/).
Share and Cite
Cheng, Y.; Wang, Q. Enhancement of Green Tires Performance through Ultrasound-Assisted Mixing. Polymers 2022, 14, 418. https://doi.org/10.3390/polym14030418
Cheng Y, Wang Q. Enhancement of Green Tires Performance through Ultrasound-Assisted Mixing. Polymers. 2022; 14(3):418. https://doi.org/10.3390/polym14030418
Chicago/Turabian StyleCheng, Yaohua, and Qianting Wang. 2022. "Enhancement of Green Tires Performance through Ultrasound-Assisted Mixing" Polymers 14, no. 3: 418. https://doi.org/10.3390/polym14030418
APA StyleCheng, Y., & Wang, Q. (2022). Enhancement of Green Tires Performance through Ultrasound-Assisted Mixing. Polymers, 14(3), 418. https://doi.org/10.3390/polym14030418















