Polylactide/Polyvinylalcohol-Based Porous Bioscaffold Loaded with Gentamicin for Wound Dressing Applications
Abstract
1. Introduction
2. Materials and Methods
2.1. Preparation of the Porous Bioscaffolds
2.2. Thermal Treatment of the Porous Bioscaffolds
2.3. Attenuated Total Reflection-Fourier-Transform Infrared (ATR-FTIR) Spectroscopy
2.4. Differential Scanning Calorimetry (DSC)
2.5. Morphological Analysis
2.6. Porosity Measurement
2.7. Swelling Test
2.8. Water Solubility
2.9. Water Vapor Transmission Rate (WVTR)
2.10. Solvent Residue Analysis
2.11. Drug Loading and In Vitro Release Study
2.12. Statistical Analysis
3. Results and Discussion
3.1. Chemical Characteristic
3.1.1. Attenuated Total Reflection Fourier-Transform Infrared (ATR-FTIR) Spectroscopy
3.1.2. Thermal Properties
3.1.3. Measurement of Porosity
3.1.4. Morphology of the Porous Bioscaffolds
3.1.5. Swelling Test
3.1.6. Water Solubility
3.1.7. Water Vapor Transmission Rate (WVTR)
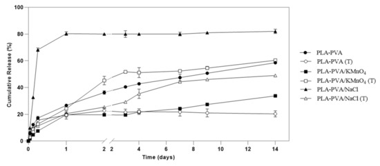
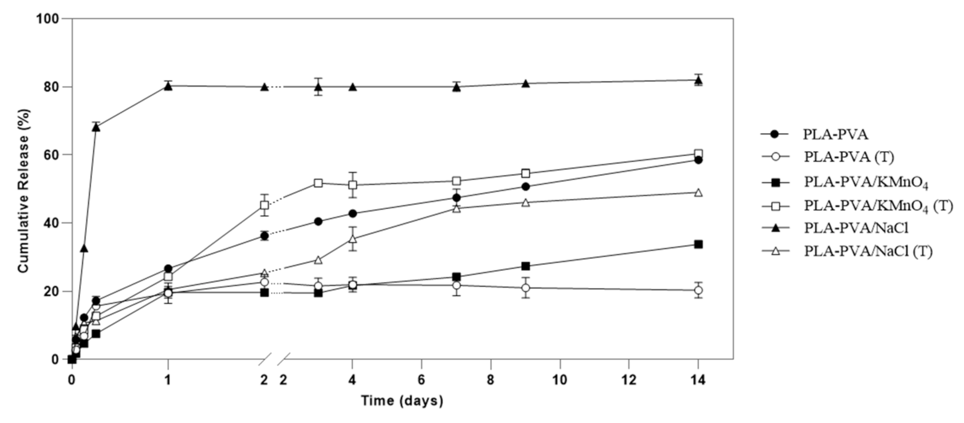
3.2. In Vitro Drug Release Studies
4. Conclusions
Author Contributions
Funding
Institutional Review Board Statement
Informed Consent Statement
Data Availability Statement
Conflicts of Interest
References
- Boateng, J.S.; Matthews, K.H.; Stevens, H.N.; Eccleston, G.M. Wound Healing Dressings and Drug Delivery Systems: A Review. J. Pharm. Sci. 2008, 97, 2892–2923. [Google Scholar] [CrossRef]
- Zilberman, M.; Egozi, D.; Shemesh, M.; Keren, A.; Mazor, E.; Baranes-Zeevi, M.; Goldstein, N.; Berdicevsky, I.; Gilhar, A.; Ullmann, Y. Hybrid wound dressings with controlled release of antibiotics: Structure-release profile effects and in vivo study in a guinea pig burn model. Acta Biomater. 2015, 22, 155–163. [Google Scholar] [CrossRef]
- Lin, Z.; Wu, T.; Wang, W.; Li, B.; Wang, M.; Chen, L.; Xia, H.; Zhang, T. Biofunctions of antimicrobial peptide-conjugated alginate/hyaluronic acid/collagen wound dressings promote wound healing of a mixed-bacteria-infected wound. Int. J. Biol. Macromol. 2019, 140, 330–342. [Google Scholar] [CrossRef]
- Shemesh, M.; Zilberman, M. Structure–property effects of novel bioresorbable hybrid structures with controlled release of analgesic drugs for wound healing applications. Acta Biomater. 2014, 10, 1380–1391. [Google Scholar] [CrossRef]
- Zou, F.; Sun, X.; Wang, X. Elastic, hydrophilic and biodegradable poly (1, 8-octanediol-co-citric acid)/polylactic acid nanofibrous membranes for potential wound dressing applications. Polym. Degrad. Stab. 2019, 166, 163–173. [Google Scholar] [CrossRef]
- Ghafari, R.; Scaffaro, R.; Maio, A.; Gulino, E.F.; Re, G.L.; Jonoobi, M. Processing-structure-property relationships of electrospun PLA-PEO membranes reinforced with enzymatic cellulose nanofibers. Polym. Test. 2020, 81, 106182. [Google Scholar] [CrossRef]
- Zhang, Y.; Wu, X.; Han, Y.; Mo, F.; Duan, Y.; Li, S. Novel thymopentin release systems prepared from bioresorbable PLA–PEG–PLA hydrogels. Int. J. Pharm. 2010, 386, 15–22. [Google Scholar] [CrossRef]
- Gomaa, S.F.; Madkour, T.M.; Moghannem, S.; El-Sherbiny, I.M. New polylactic acid/ cellulose acetate-based antimicrobial interactive single dose nanofibrous wound dressing mats. Int. J. Biol. Macromol. 2017, 105, 1148–1160. [Google Scholar] [CrossRef]
- Park, J.-Y.; Lee, I.-H. Controlled release of ketoprofen from electrospun porous polylactic acid (PLA) nanofibers. J. Polym. Res. 2011, 18, 1287–1291. [Google Scholar] [CrossRef]
- Inphonlek, S.; Niamsiri, N.; Sunintaboon, P.; Sirisinha, C. Chitosan/xanthan gum porous scaffolds incorporated with in-situ-formed poly(lactic acid) particles: Their fabrication and ability to adsorb anionic compounds. Colloids Surf. A Physicochem. Eng. Asp. 2020, 603, 125263. [Google Scholar] [CrossRef]
- Bi, H.; Feng, T.; Li, B.; Han, Y. In Vitro and In Vivo Comparison Study of Electrospun PLA and PLA/PVA/SA Fiber Membranes for Wound Healing. Polymers 2020, 12, 839. [Google Scholar] [CrossRef]
- Liu, Y.; Wei, H.; Wang, Z.; Li, Q.; Tian, N. Simultaneous Enhancement of Strength and Toughness of PLA Induced by Miscibility Variation with PVA. Polymers 2018, 10, 1178. [Google Scholar] [CrossRef]
- Augustine, R.; Zahid, A.A.; Hasan, A.; Wang, M.; Webster, T.J. CTGF loaded electrospun dual porous core-shell membrane for diabetic wound healing. Int. J. Nanomed. 2019, 14, 8573. [Google Scholar] [CrossRef]
- Ribba, L.; Tamayo, L.; Flores, M.; Riveros, A.; Kogan, M.J.; Cerda, E.; Goyanes, S. Asymmetric biphasic hydrophobic/hydrophilic poly (lactic acid)–polyvinyl alcohol meshes with moisture control and noncytotoxic effects for wound dressing applications. J. Appl. Polym. Sci. 2019, 136, 47369. [Google Scholar] [CrossRef]
- Bhattarai, R.S.; Das, A.; Alzhrani, R.M.; Kang, D.; Bhaduri, S.B.; Boddu, S.H. Comparison of electrospun and solvent cast polylactic acid (PLA)/poly (vinyl alcohol)(PVA) inserts as potential ocular drug delivery vehicles. Mater. Sci. Eng. C 2017, 77, 895–903. [Google Scholar] [CrossRef]
- Cardea, S.; Baldino, L.; Scognamiglio, M.; Reverchon, E. 3D PLLA/Ibuprofen composite scaffolds obtained by a supercritical fluids assisted process. J. Mater. Sci. Mater. Med. 2014, 25, 989–998. [Google Scholar] [CrossRef]
- Sujka, W.; Draczynski, Z.; Kolesinska, B.; Latanska, I.; Jastrzebski, Z.; Rybak, Z.; Zywicka, B. Influence of Porous Dressings Based on Butyric-Acetic Chitin Co-Polymer on Biological Processes In Vitro and In Vivo. Materials 2019, 12, 970. [Google Scholar] [CrossRef]
- Tang, H.; Xu, N.; Meng, J.; Wang, C.; Nie, S.F.; Pan, W.S. Application of a novel approach to prepare biodegradable polylactic-co-glycolic acid microspheres: Surface liquid spraying. Yakugaku Zasshi 2007, 127, 1851–1862. [Google Scholar] [CrossRef][Green Version]
- Tang, H.; Xu, N.; Meng, J.; Wang, C.; Nie, S.F.; Pan, W. Optimization of a novel method: Surface liquid spraying to prepare poly (d, l-lactide-co-glycolide) microspheres using central composite design experiment. J. Anal. Bio-Sci. 2008, 31, 283–290. [Google Scholar]
- Qian, L.; Zhang, H. Controlled freezing and freeze drying: A versatile route for porous and micro--/nano--structured materials. J. Chem. Technol. Biotechnol. 2011, 86, 172–184. [Google Scholar] [CrossRef]
- do Vale Morais, A.R.; do Nascimento Alencar, É.; Júnior, F.H.X.; De Oliveira, C.M.; Marcelino, H.R.; Barratt, G.; Fessi, H.; Do Egito, E.S.T.; Elaissari, A. Freeze-drying of emulsified systems: A review. Int. J. Pharm. 2016, 503, 102–114. [Google Scholar] [CrossRef]
- Ali, M.; Walboomers, X.F.; Jansen, J.A.; Yang, F. Influence of formulation parameters on encapsulation of doxycycline in PLGA microspheres prepared by double emulsion technique for the treatment of periodontitis. J. Drug Deliv. Sci. Technol. 2019, 52, 263–271. [Google Scholar] [CrossRef]
- Molavi, F.; Barzegar-Jalali, M.; Hamishehkar, H. Polyester based polymeric nano and microparticles for pharmaceutical purposes: A review on formulation approaches. J. Control. Release 2020, 320, 265–282. [Google Scholar] [CrossRef]
- Dinarvand, R.; Moghadam, S.H.; Sheikhi, A.; Atyabi, F. Effect of surfactant HLB and different formulation variables on the properties of poly-D,L-lactide microspheres of naltrexone prepared by double emulsion technique. J. Microencapsul. 2005, 22, 139–151. [Google Scholar] [CrossRef]
- Yin, W.; Yates, M. Encapsulation and sustained release from biodegradable microcapsules made by emulsification/freeze drying and spray/freeze drying. J. Colloid Interface Sci. 2009, 336, 155–161. [Google Scholar] [CrossRef]
- Ong, Y.X.J.; Lee, L.Y.; Davoodi, P.; Wang, C.H. Production of drug-releasing biodegradable microporous scaffold using a two-step micro-encapsulation/supercritical foaming process. J. Supercrit. Fluids 2018, 133, 263–269. [Google Scholar] [CrossRef]
- Pistel, K.F.; Kissel, T. Effects of salt addition on the microencapsulation of proteins using W/O/W double emulsion technique. J. Microencapsul. 2000, 17, 467–483. [Google Scholar]
- Azarmi, S.; Ghaffari, F.; Löbenberg, R.; Nokhodchi, A. Mechanistic evaluation of the effect of thermal-treating on Eudragit RS matrices. Il Farm. 2005, 60, 925–930. [Google Scholar] [CrossRef]
- Billa, N.; Yuen, K.-H.; Peh, K.-K. Diclofenac Release from Eudragit-Containing Matrices and Effects of Thermal Treatment. Drug Dev. Ind. Pharm. 1998, 24, 45–50. [Google Scholar] [CrossRef] [PubMed]
- Azarmi, S.; Farid, J.; Nokhodchi, A.; Bahari-Saravi, S.M.; Valizadeh, H. Thermal treating as a tool for sustained release of indomethacin from Eudragit RS and RL matrices. Int. J. Pharm. 2002, 246, 171–177. [Google Scholar] [CrossRef]
- Castro, A.G.; Löwik, D.W.; van Steenbergen, M.J.; Jansen, J.A.; van den Beucken, J.J.; Yang, F. Incorporation of simvastatin in PLLA membranes for guided bone regeneration: Effect of thermal treatment on simvastatin release. RSC Adv. 2018, 8, 28546–28554. [Google Scholar] [CrossRef]
- Delgado-Enciso, I.; Madrigal-Perez, V.M.; Lara-Esqueda, A.; Diaz-Sanchez, M.G.; Guzman-Esquivel, J.; Rosas-Vizcaino, L.E.; Soriano Hernández, A.D. Topical 5% potassium permanganate solution accelerates the healing process in chronic diabetic foot ulcers. Biomed. Rep. 2018, 8, 156–159. [Google Scholar] [CrossRef]
- Hollingworth, H. Professional concerns in wound care: A discussion of questionable practice recorded by nurses. Br. J. Community Nurs. 2002, 7 (Suppl. 2), 36–42. [Google Scholar] [CrossRef]
- Amini Moghaddam, M.; Stloukal, P.; Kucharczyk, P.; Tow-Swiatek, A.; Garbacz, T.; Pummerova, M.; Klepka, T.; Sedlařík, V. Microcellular antibacterial polylactide-based systems prepared by additive extrusion with ALUM. Polym. Adv. Technol. 2019, 30, 2100–2108. [Google Scholar] [CrossRef]
- Gonzaga, V.D.A.; Poli, A.L.; Gabriel, J.S.; Tezuka, D.Y.; Valdes, T.A.; Leitão, A.; Rodero, C.F.; Bauab, T.M.; Chorilli, M.; Schmitt, C.C. Chitosan-laponite nanocomposite scaffolds for wound dressing application. J. Biomed. Mater. Res. Part B Appl. Biomater. 2020, 108, 1388–1397. [Google Scholar] [CrossRef] [PubMed]
- Cai, N.; Li, C.; Han, C.; Luo, X.; Shen, L.; Xue, Y.; Yu, F. Tailoring mechanical and antibacterial properties of chitosan/gelatin nanofiber membranes with Fe3O4 nanoparticles for potential wound dressing application. Appl. Surf. Sci. 2016, 369, 492–500. [Google Scholar] [CrossRef]
- Kavoosi, G.; Dadfar, S.M.M.; Purfard, A.M. Mechanical, physical, antioxidant, and antimicrobial properties of gelatin films incorporated with thymol for potential use as nano wound dressing. J. Food Sci. 2013, 78, E244–E250. [Google Scholar] [CrossRef]
- De Cicco, F.; Porta, A.; Sansone, F.; Aquino, R.P.; Del Gaudio, P. Nanospray technology for an in situ gelling nanoparticulate powder as a wound dressing. Int. J. Pharm. 2014, 473, 30–37. [Google Scholar] [CrossRef]
- Adeli, H.; Khorasani, M.T.; Parvazinia, M. Wound dressing based on electrospun PVA/chitosan/starch nanofibrous mats: Fabrication, antibacterial and cytocompatibility evaluation and in vitro healing assay. Int. J. Biol. Macromol. 2019, 122, 238–254. [Google Scholar] [CrossRef]
- Motiei, M.; Sedlařík, V.; Lucia, L.A.; Fei, H.; Münster, L. Stabilization of chitosan-based polyelectrolyte nanoparticle cargo delivery biomaterials by a multiple ionic cross-linking strategy. Carbohydr. Polym. 2020, 231, 115709. [Google Scholar] [CrossRef] [PubMed]
- Smelá, D.; Pechová, P.; Komprda, T.; Klejdus, B.; Kubán, V. Chromatographic determination of biogenic amines in meat products during fermentation and long-term storage. Chem. Listy 2004, 98. [Google Scholar] [CrossRef]
- Li, T.T.; Zhang, Y.; Ling, L.; Lin, M.C.; Wang, Y.; Wu, L.; Lin, J.H.; Lou, C.W. Manufacture and characteristics of HA-Electrodeposited polylactic acid/polyvinyl alcohol biodegradable braided scaffolds. J. Mech. Behav. Biomed. Mater. 2020, 103, 103555. [Google Scholar] [CrossRef] [PubMed]
- Li, T.T.; Ling, L.; Lin, M.C.; Jiang, Q.; Lin, Q.; Lin, J.H.; Lou, C.W. Properties and Mechanism of Hydroxyapatite Coating Prepared by Electrodeposition on a Braid for Biodegradable Bone Scaffolds. Nanomaterials 2019, 9, 679. [Google Scholar] [CrossRef]
- Abdullah, O.G.; Aziz, S.B.; Rasheed, M.A. Structural and optical characterization of PVA:KMnO4 based solid polymer electrolyte. Results Phys. 2016, 6, 1103–1108. [Google Scholar] [CrossRef]
- Hassan, R.M.; Abd-Alla, M.A. New coordination polymers. Part 1.—Novel synthesis of poly (vinyl ketone) and characterization as chelating agent. J. Mater. Chem. 1992, 2, 609–611. [Google Scholar] [CrossRef]
- Ali, H.E. A novel optical limiter and UV–Visible filters made of Poly (vinyl alcohol)/KMnO4 polymeric films on glass-based substrate. J. Mater. Sci. Mater. Electron. 2019, 30, 7043–7053. [Google Scholar] [CrossRef]
- Dai, L.; Ukai, K.; Shaheen, S.M.; Yamaura, K. Gelation of a new hydrogel system of atactic-poly(vinyl alcohol)/NaCl/H2O. Polym. Int. 2002, 51, 715–720. [Google Scholar] [CrossRef]
- Yang, H.; Xu, S.; Jiang, L.; Dan, Y. Thermal decomposition behavior of poly (vinyl alcohol) with different hydroxyl content. J. Macromol. Sci. Part B 2012, 51, 464–480. [Google Scholar] [CrossRef]
- Zhang, D.; Zhou, W.; Wei, B.; Wang, X.; Tang, R.; Nie, J.; Wang, J. Carboxyl-modified poly(vinyl alcohol)-crosslinked chitosan hydrogel films for potential wound dressing. Carbohydr. Polym. 2015, 125, 189–199. [Google Scholar] [CrossRef]
- Doménech-Carbó, M.T.; Yusá-Marco, D.J.; Bitossi, G.; Silva, M.F.; Mas-Barberá, X.; Osete-Cortina, L. Study of ageing of ketone resins used as picture varnishes by FTIR spectroscopy, UV–Vis spectrophotometry, atomic force microscopy and scanning electron microscopy X-ray microanalysis. Anal. Bioanal. Chem. 2008, 391, 1351–1359. [Google Scholar] [CrossRef] [PubMed]
- Daoud, S.; Bou-Maroun, E.; Dujourdy, L.; Waschatko, G.; Billecke, N.; Cayot, P. Fast and direct analysis of oxidation levels of oil-in-water emulsions using ATR-FTIR. Food Chem. 2019, 293, 307–314. [Google Scholar] [CrossRef] [PubMed]
- Chelliah, A.; Subramaniam, M.; Gupta, R.; Gupta, A. Evaluation on the thermo-oxidative degradation of PET using prodegradant additives. Indian J. Sci. Technol. 2017, 10, 2–5. [Google Scholar] [CrossRef]
- Omelczuk, M.O.; McGinity, J.W. The Influence of Thermal Treatment on the Physical-Mechanical and Dissolution Properties of Tablets Containing Poly(DL-Lactic Acid). Pharm. Res. 1993, 10, 542–548. [Google Scholar] [CrossRef]
- Yin, H.M.; Qian, J.; Zhang, J.; Lin, Z.F.; Li, J.S.; Xu, J.Z.; Li, Z.M. Engineering Porous Poly(lactic acid) Scaffolds with High Mechanical Performance via a Solid State Extrusion/Porogen Leaching Approach. Polymers 2016, 8, 213. [Google Scholar] [CrossRef] [PubMed]
- Sabino, M.A. Oxidation of polycaprolactone to induce compatibility with other degradable polyesters. Polym. Degrad. Stab. 2007, 92, 986–996. [Google Scholar] [CrossRef]
- Stocco, E.; Barbon, S.; Grandi, F.; Gamba, P.G.; Borgio, L.; Del Gaudio, C.; Grandi, C. Partially oxidized polyvinyl alcohol as a promising material for tissue engineering. J. Tissue Eng. Regen. Med. 2017, 11, 2060–2070. [Google Scholar] [CrossRef]
- Ranganath, M.; Patil, R.V.; Lobo, B. Morphological modifications in potassium permanganate doped poly (vinyl alcohol) films. In Proceedings of the International Workshop on Applications of Nanotechnology to Energy, Environment and Biotechnology (NANOEEB), Karnataka, India, 14–16 December 2010. [Google Scholar]
- Poonguzhali, R.; Basha, S.K.; Kumari, V.S. Novel asymmetric chitosan/PVP/nanocellulose wound dressing: In vitro and in vivo evaluation. Int. J. Biol. Macromol. 2018, 112, 1300–1309. [Google Scholar] [CrossRef]
- Hasanzadeh, D.; Ghaffari, S.; Monajjemzadeh, F.; Al-Hallak, M.K.; Soltani, G.; Azarmi, S. Thermal Treating of Acrylic Matrices as a Tool for Controlling Drug Release. Chem. Pharm. Bull. 2009, 57, 1356–1362. [Google Scholar] [CrossRef]
- Ungaro, F.; De Rosa, G.; Miro, A.; Quaglia, F.; La Rotonda, M.I. Cyclodextrins in the production of large porous particles: Development of dry powders for the sustained release of insulin to the lungs. Eur. J. Pharm. Sci. 2006, 28, 423–432. [Google Scholar] [CrossRef]
- Archana, D.; Dutta, J.; Dutta, P.K. Evaluation of chitosan nano dressing for wound healing: Characterization, in vitro and in vivo studies. Int. J. Biol. Macromol. 2013, 57, 193–203. [Google Scholar] [CrossRef] [PubMed]
- Pantani, R.; Sorrentino, A. Influence of crystallinity on the biodegradation rate of injection-moulded poly(lactic acid) samples in controlled composting conditions. Polym. Degrad. Stab. 2013, 98, 1089–1096. [Google Scholar] [CrossRef]
- Ivanets, A.I.; Prozorovich, V.G.; Krivoshapkina, E.F.; Kuznetsova, T.F.; Krivoshapkin, P.V.; Katsoshvili, L.L. Physicochemical properties of manganese oxides obtained via the sol–gel method: The reduction of potassium permanganate by polyvinyl alcohol. Russ. J. Phys. Chem. A 2017, 91, 1486–1492. [Google Scholar] [CrossRef]
- McMurry, J.E. Organic Chemistry; Cengage Learning: Boston, MA, USA, 2015. [Google Scholar]
- Koosehgol, S.; Ebrahimian-Hosseinabadi, M.; Alizadeh, M.; Zamanian, A. Preparation and characterization of in situ chitosan/polyethylene glycol fumarate/thymol hydrogel as an effective wound dressing. Mater. Sci. Eng. C 2017, 79, 66–75. [Google Scholar] [CrossRef]
- Akhavan-Kharazian, N.; Izadi-Vasafi, H. Preparation and characterization of chitosan/gelatin/nanocrystalline cellulose/calcium peroxide films for potential wound dressing applications. Int. J. Biol. Macromol. 2019, 133, 881–891. [Google Scholar] [CrossRef] [PubMed]
- Alippilakkotte, S.; Kumar, S.; Sreejith, L. Fabrication of PLA/Ag nanofibers by green synthesis method using Momordica charantia fruit extract for wound dressing applications. Colloids Surf. A Physicochem. Eng. Asp. 2017, 529, 771–782. [Google Scholar] [CrossRef]
- Khorasani, M.T.; Joorabloo, A.; Moghaddam, A.; Shamsi, H.; MansooriMoghadam, Z. Incorporation of ZnO nanoparticles into heparinised polyvinyl alcohol/chitosan hydrogels for wound dressing application. Int. J. Biol. Macromol. 2018, 114, 1203–1215. [Google Scholar] [CrossRef]
- Al-Maaieh, A.; Flanagan, D.R. Salt and cosolvent effects on ionic drug loading into microspheres using an O/W method. J. Control. Release 2001, 70, 169–181. [Google Scholar] [CrossRef]
- Al-Sokanee, Z.N.; Toabi, A.A.H.; Al-Assadi, M.J.; Alassadi, E.A. The Drug Release Study of Ceftriaxone from Porous Hydroxyapatite Scaffolds. AAPS PharmSciTech 2009, 10, 772–779. [Google Scholar] [CrossRef][Green Version]
- Zare, M.; Mobedi, H.; Barzin, J.; Mivehchi, H.; Jamshidi, A.; Mashayekhi, R. Effect of additives on release profile of leuprolide acetate in an in situ forming controlled-release system: In vitro study. J. Appl. Polym. Sci. 2008, 107, 3781–3787. [Google Scholar] [CrossRef]
- Javadzadeh, Y.; Musaalrezaei, L.; Nokhodchi, A. Liquisolid technique as a new approach to sustain propranolol hydrochloride release from tablet matrices. Int. J. Pharm. 2008, 362, 102–108. [Google Scholar] [CrossRef]
- Tamboli, V.; Mishra, G.P.; Mitra, A.K. Novel pentablock copolymer (PLA–PCL–PEG–PCL–PLA)-based nanoparticles for controlled drug delivery: Effect of copolymer compositions on the crystallinity of copolymers and in vitro drug release profile from nanoparticles. Colloid Polym. Sci. 2013, 291, 1235–1245. [Google Scholar] [CrossRef] [PubMed]








| Untreated | After Thermal Treatment | |||||
|---|---|---|---|---|---|---|
| Sample/Property | PLA-PVA | PLA-PVA/KMnO4 | PLA-PVA/NaCl | PLA-PVA | PLA-PVA/KMnO4 | PLA-PVA/NaCl |
| χc | 5.1 | 4.9 | 0.7 | 8.8 | 5.3 | 3.0 |
| Tg | 61.9 | 62.0 | 62.0 | 61.1 | 61.7 | 61.2 |
| Tc | 129.9 | 118.3 | 115.4 | 130.4 | 118.1 | 114.4 |
| Tm | 164.3 | 167.4 | 168.0 | 164.6 | 167.5 | 167.0 |
| Untreated | After Thermal Treatment | |||||
|---|---|---|---|---|---|---|
| Sample | PLA-PVA | PLA-PVA/KMnO4 | PLA-PVA/NaCl | PLA-PVA | PLA-PVA/KMnO4 | PLA-PVA/NaCl |
| Porosity | 69.87 ± 2.1 | 78.77 ± 4.2 | 94.1 ± 1.5 | 68.1 ± 1.2 | 75 ± 0.94 | 92.86 ± 0.54 |
| Untreated | After Thermal Treatment | |||||
|---|---|---|---|---|---|---|
| Sample | PLA-PVA | PLA-PVA/KMnO4 | PLA-PVA/NaCl | PLA-PVA | PLA-PVA/KMnO4 | PLA-PVA/NaCl |
| Water solubility | 4.09 ± 0.00 | 6.50 ± 0.20 | 10.87 ± 0.18 | 2.67 ± 0.25 | 7.36 ± 0.18 | 9.41 ± 0.50 |
| Untreated | After Thermal Treatment | |||||
|---|---|---|---|---|---|---|
| Sample | PLA-PVA | PLA-PVA/KMnO4 | PLA-PVA/NaCl | PLA-PVA | PLA-PVA/KMnO4 | PLA-PVA/NaCl |
| WVTR | 2146.01 ± 19.48 | 2214.16 ± 20.94 | 2287.61 ± 25.31 | 2077 ± 18.65 | 2207.08 ± 24.45 | 2259.3 ± 21.35 |
| Properties | Untreated Treatment | After Thermal Treatment | ||||
|---|---|---|---|---|---|---|
| PLA-PVA | PLA-PVA/KMnO4 | PLA-PVA/NaCl | PLA-PVA | PLA-PVA/KMnO4 | PLA-PVA/NaCl | |
| EE (%) | 90.11 ± 0.21 | 92.08 ± 0.06 | 97.57 ± 0.03 | 92.38 ± 0.49 | 93.52 ± 0.46 | 86.7 ± 0.4 |
| LC (%) | 4.5 ± 0.01 | 4.6 ± 0.003 | 4.8 ± 0.001 | 4.6 ± 0.02 | 4.7 ± 0.02 | 4.32 ± 0.02 |
Publisher’s Note: MDPI stays neutral with regard to jurisdictional claims in published maps and institutional affiliations. |
© 2021 by the authors. Licensee MDPI, Basel, Switzerland. This article is an open access article distributed under the terms and conditions of the Creative Commons Attribution (CC BY) license (http://creativecommons.org/licenses/by/4.0/).
Share and Cite
Amini Moghaddam, M.; Di Martino, A.; Šopík, T.; Fei, H.; Císař, J.; Pummerová, M.; Sedlařík, V. Polylactide/Polyvinylalcohol-Based Porous Bioscaffold Loaded with Gentamicin for Wound Dressing Applications. Polymers 2021, 13, 921. https://doi.org/10.3390/polym13060921
Amini Moghaddam M, Di Martino A, Šopík T, Fei H, Císař J, Pummerová M, Sedlařík V. Polylactide/Polyvinylalcohol-Based Porous Bioscaffold Loaded with Gentamicin for Wound Dressing Applications. Polymers. 2021; 13(6):921. https://doi.org/10.3390/polym13060921
Chicago/Turabian StyleAmini Moghaddam, Maliheh, Antonio Di Martino, Tomáš Šopík, Haojie Fei, Jaroslav Císař, Martina Pummerová, and Vladimír Sedlařík. 2021. "Polylactide/Polyvinylalcohol-Based Porous Bioscaffold Loaded with Gentamicin for Wound Dressing Applications" Polymers 13, no. 6: 921. https://doi.org/10.3390/polym13060921
APA StyleAmini Moghaddam, M., Di Martino, A., Šopík, T., Fei, H., Císař, J., Pummerová, M., & Sedlařík, V. (2021). Polylactide/Polyvinylalcohol-Based Porous Bioscaffold Loaded with Gentamicin for Wound Dressing Applications. Polymers, 13(6), 921. https://doi.org/10.3390/polym13060921

