Graphene Layers Functionalized with A Janus Pyrrole-Based Compound in Natural Rubber Nanocomposites with Improved Ultimate and Fracture Properties
Abstract
1. Introduction
2. Materials and Methods
2.1. Materials
2.2. Synthesis of 2-(2,5-Dimethyl-1H-Pyrrol-1-yl)Propane-1,3-Diol or Serinol Pyrrole (SP)
2.3. Functionalization of High Surface Area Graphite (HSAG) with Serinol Pyrrole (SP)
2.4. Characterization of the HSAG-SP Adduct
2.5. Rubber Composites Preparation
2.5.1. Coagulation of NR
2.5.2. Coagulation of NR/HSAG-SP
2.5.3. Melt Blending
2.6. Curing
2.7. Strain Sweep Tests
2.8. Morphological Analysis
2.9. Dynamic Mechanical Analysis (DMA)
2.10. Quasi-Static Tensile Tests
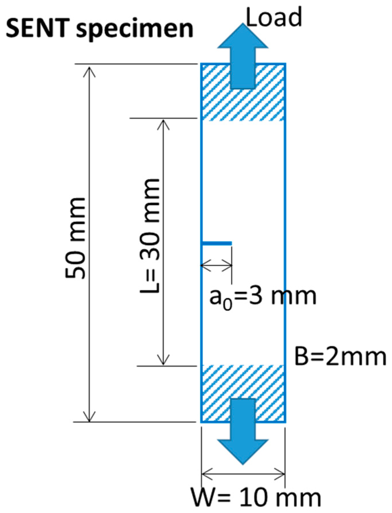
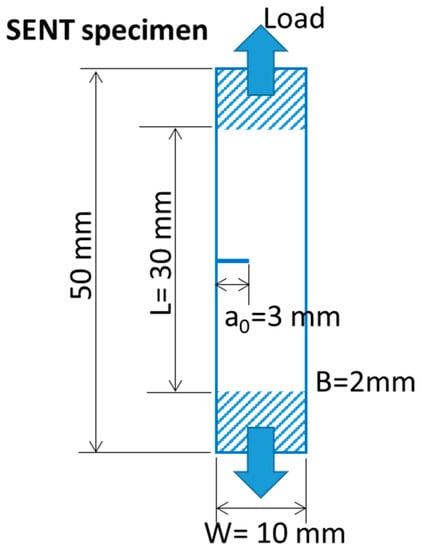
2.11. Fracture Tests
3. Results and Discussion
3.1. Functionalization of HSAG
3.2. Preparation and Characterization of Rubber Composites
3.2.1. Curing
3.2.2. Strain Sweep Tests
3.2.3. Dynamic-Mechanical Tests
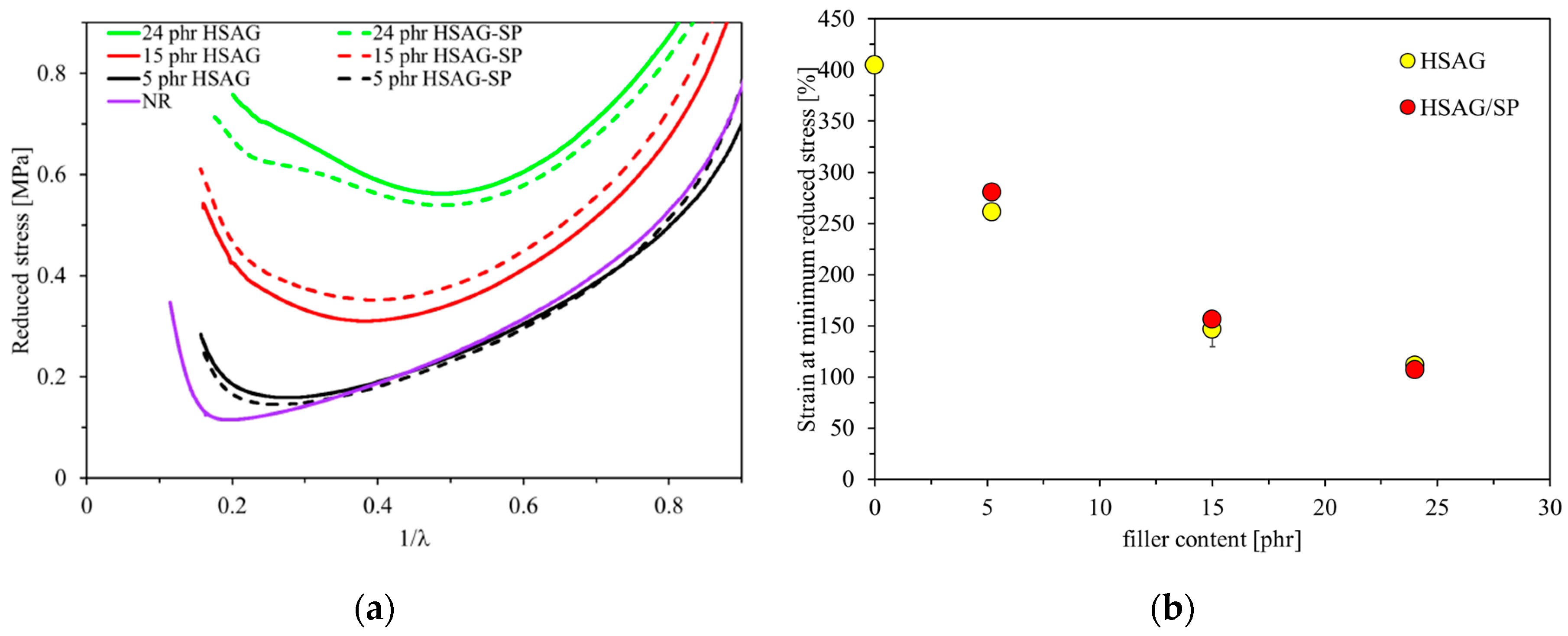
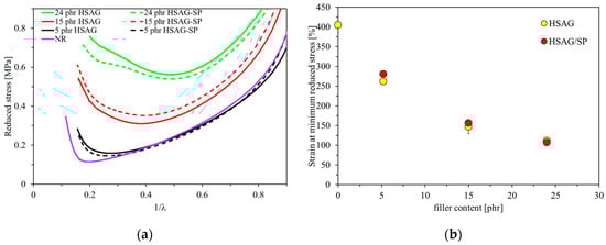
3.2.4. Quasi-Static Tensile Tests
3.2.5. Mooney Rivlin Plot
3.2.6. Fracture Tests
3.2.7. Structure of the Composite; TEM Analysis
4. Conclusions
Author Contributions
Funding
Acknowledgments
Conflicts of Interest
References
- Eng, A.H.; Ong, E.L. Hevea natural rubber. In Handbook of Elastomers; Bhowmick, A.K., Stephens, H., Eds.; CRC Press: Boca Raton, FL, USA, 2000; pp. 29–60. [Google Scholar]
- Barlow, F.W. Basic Elastomer Technology; Baranwal, K.C., Stephens, H.L., Eds.; Rubber Division American Chemical Society: Akron, OH, USA, 2001; Chapter 9; pp. 235–258. [Google Scholar]
- Natural Rubber Statistic 2018. Available online: http://www.lgm.gov.my/nrstat/Statistics%20Website%202018%20(Jan-Dec).pdf (accessed on 18 March 2020).
- Chapman, A.V. Natural rubber and NR-based polymers: Renewable materials with unique properties. In Proceedings of the 24th International H.F. Mark-Symposium, ‘Advances in the Field of Elastomers & Thermoplastic Elastomers, Vienna, Austria, 15–16 November 2007. [Google Scholar]
- Hamed, G.R. Tack and green strength of elastomeric materials. Rubber Chem. Technol. 1981, 54, 576–595. [Google Scholar] [CrossRef]
- Wool, R.P. Molecular Aspects of Tack Rubber. Rubber Chem. Technol. 1984, 57, 307–319. [Google Scholar] [CrossRef]
- Amnuaypornsri, S.; Sakdapipanich, J.; Tanaka, Y. Green strength of natural rubber: The origin of the stress–strain behavior of natural rubber. J. Appl. Polym. Sci. 2009, 111, 2127–2133. [Google Scholar] [CrossRef]
- Thomas, A.G.; Whittle, J.M. Tensile rupture of rubber. Rubber Chem. Technol. 1970, 43, 222–228. [Google Scholar] [CrossRef]
- Gent, A.N.; Zhang, L.-Q. Strain-induced crystallization and strength of rubber. Rubber Chem. Technol. 2002, 75, 923–934. [Google Scholar] [CrossRef]
- Mars, W.V.; Fatemi, A. Factors that Affect the Fatigue Life of Rubber: A Literature Survey. Rubber Chem. Technol. 2004, 77, 391–412. [Google Scholar] [CrossRef]
- Saintier, N.; Cailletaud, G.; Piques, R. Cyclic loadings and crystallization of natural rubber: An explanation of fatigue crack propagation reinforcement under a positive loading ratio. Mater. Sci. Eng. 2011, 528, 1078–1086. [Google Scholar] [CrossRef]
- Hamed, G.R. Molecular Aspects of the Fatigue and Fracture of Rubber. Rubber Chem. Technol. 1994, 67, 529–536. [Google Scholar] [CrossRef]
- Lake, G.J. Fatigue and Fracture of Elastomers. Rubber Chem. Technol. 1995, 68, 435–460. [Google Scholar] [CrossRef]
- Magill, J.H. Crystallization and Morphology of Rubber. Rubber Chem. Technol. 1995, 68, 507–539. [Google Scholar] [CrossRef]
- Huneau, B. Strain-Induced Crystallization of natural rubber: A Review of X-ray diffraction investigations. Rubber Chem. Technol. 2011, 84, 425–452. [Google Scholar] [CrossRef]
- Musto, S.; Barbera, V.; Maggio, M.; Mauro, M.; Guerra, G.; Galimberti, M. Crystallinity and Crystalline Phase Orientation of Poly(1,4-cis-isoprene) from Hevea brasilliensis and Taraxacum kok-saghyz. Polym. Adv. Technol. 2016, 27, 1082–1090. [Google Scholar] [CrossRef]
- Musto, S.; Barbera, V.; Guerra, G.; Galimberti, M. Processing and strain induced crystallization and reinforcement under strain of poly(1,4-cis-isoprene) from Ziegler-Natta catalysis, hevea brasiliensis, taraxacum kok-saghyz and partenium argentatum. Adv. Ind. Eng. Polym. Res. 2019, 2, 1–12. [Google Scholar] [CrossRef]
- Jones, K.P. The paradoxical nature of natural rubber. Kautsch. Gummi Kunstst. 2000, 53, 735–742. [Google Scholar]
- Medalia, A.I.; Kraus, G. The Science and Technology of Rubber, 2nd ed.; Mark, J.E., Erman, B., Eirich, F.R., Eds.; Elsevier Academic Press: Berlin, Germany, 1994; Chapter 8; pp. 387–418. [Google Scholar]
- Donnet, J.B.; Custodero, E. The Science and Technology of Rubber, 3rd ed.; Mark, J.E., Erman, B., Eirich, F.R., Eds.; Elsevier Academic Press: Berlin, Germany, 2005; Chapter 8; pp. 367–400. [Google Scholar]
- Donnet, J.B. Carbon Black: Science and Technology; CRC Press: Boca Raton, FL, USA, 1993. [Google Scholar]
- Kroto, H.W.; McKay, K. The formation of quasi-icosahedral spiral shell carbon particles. Nature 1988, 331, 328–331. [Google Scholar] [CrossRef]
- Iijima, S.; Ichihashi, T. Single-shell carbon nanotubes of 1-nm diameter. Nature 1993, 363, 603–605. [Google Scholar] [CrossRef]
- Bethune, D.S.; Kiang, C.H.; de Vries, M.S.; Gorman, G.; Savoy, R.; Vazquez, J.; Beyers, R. Cobalt-catalysed growth of carbon nanotubes with single-atomic-layer walls. Nature 1993, 363, 605–607. [Google Scholar] [CrossRef]
- Iijima, S. Helical microtubules of graphitic carbon. Nature 1991, 354, 56–58. [Google Scholar] [CrossRef]
- Monthioux, M.; Kuznetsov, V.L. Who should be given the credit for the discovery of carbon nanotubes? Carbon 2006, 44, 1621–1623. [Google Scholar] [CrossRef]
- Novoselov, K.S.; Geim, A.K.; Morozov, S.V.; Jiang, D.; Zhang, Y.; Dubonos, S.V.; Grigorieva, I.V.; Firsov, A.A. Electric Field Effect in Atomically Thin Carbon Films. Science 2004, 306, 666–669. [Google Scholar] [CrossRef]
- Geim, A.K.; Novoselov, K.S. The rise of graphene. Nat. Mater. 2007, 6, 183–191. [Google Scholar] [CrossRef] [PubMed]
- Allen, M.J.; Tung, V.C.; Kaner, R.B. Honeycomb carbon: A review of graphene. Chem. Rev. 2010, 110, 132–145. [Google Scholar] [CrossRef] [PubMed]
- Zhu, Y.W.; Murali, S.; Cai, W.; Li, X.; Suk, J.W.; Potts, J.R.; Ruoff, R.S. Graphene and Graphene Oxide: Synthesis, Properties, and Applications. Adv. Mater. 2010, 22, 3906–3924. [Google Scholar] [CrossRef] [PubMed]
- Geng, Y.; Wang, S.J.; Kim, J.-K. Preparation of graphite nanoplatelets and graphene sheets. J. Colloid Interface Sci. 2009, 336, 592–598. [Google Scholar] [CrossRef] [PubMed]
- Kavan, L.; Yum, J.H.; Gratzel, M. Optically Transparent Cathode for Dye-Sensitized Solar Cells Based on Graphene Nanoplatelets. ACS Nano 2011, 5, 165–172. [Google Scholar] [CrossRef]
- Nieto, A.; Lahiri, D.; Agarwal, A. Synthesis and properties of bulk graphene nanoplatelets consolidated by spark plasma sintering. Carbon 2012, 50, 4068–4070. [Google Scholar] [CrossRef]
- Paton, K.R.; Varrla, E.; Backes, C.; Smith, R.J.; Khan, U.; O’Neill, A.; Boland, C.; Lotya, M.; Istrate, O.M.; King, P.; et al. Scalable production of large quantities of defect-free few-layer graphene by shear exfoliation in liquids. Nat. Mater. 2014, 13, 624–630. [Google Scholar] [CrossRef]
- Soldano, C.; Mahmood, A.; Dujardin, E. Production, properties and potential of graphene. Carbon 2010, 48, 2127–2150. [Google Scholar] [CrossRef]
- Kauling, A.P.; Seefeldt, A.T.; Pisoni, D.P.; Pradeep, R.C.; Bentini, R.; Oliveira, R.V.; Castro Neto, A.H. The Worldwide Graphene Flake Production. Adv. Mater. 2018, 30, 1803784. [Google Scholar] [CrossRef]
- Potts, J.R.; Shankar, O.; Du, L.; Ruoff, R.S. Processing–morphology–property relationships and composite theory analysis of reduced graphene oxide/natural rubber nanocomposites. Macromolecules 2012, 45, 6045–6055. [Google Scholar] [CrossRef]
- Potts, J.R.; Shankar, O.; Murali, S.; Du, L.; Ruoff, R.S. Latex and two-roll mill processing of thermally-exfoliated graphite oxide/natural rubber nanocomposites. Compos. Sci. Technol. 2013, 74, 166–172. [Google Scholar] [CrossRef]
- Galimberti, M.; Kumar, V.; Coombs, M.; Cipolletti, V.; Agnelli, S.; Pandini, S.; Conzatti, L. Filler networking of a nanographite with a high shape anisotropy and synergism with carbon balck in poly(1,4-cis-isoprene)–based nanocomposites. Rubber Chem. Technol. 2014, 87, 197–218. [Google Scholar] [CrossRef]
- Tang, Z.; Zhang, L.; Feng, W.; Guo, B.; Liu, F.; Jia, D. Rational design of graphene surface chemistry for high-performance rubber/graphene composites. Macromolecules 2014, 47, 8663–8673. [Google Scholar] [CrossRef]
- Luo, Y.; Zhao, P.; Yang, Q.; He, D.; Kong, L.; Peng, Z. Fabrication of conductive elastic nanocomposites via framing intact interconnected graphene networks. Compos. Sci. Technol. 2014, 100, 143–151. [Google Scholar] [CrossRef]
- Araby, S.; Meng, Q.; Zhang, L.; Kang, H.; Majewski, P.; Tang, Y.; Ma, J. Electrically and thermally conductive elastomer/graphene nanocomposites by solution mixing. Polymer 2014, 55, 201–210. [Google Scholar] [CrossRef]
- Zhan, Y.; Wu, J.; Xia, H.; Yan, N.; Fei, G.; Yuan, G. Dispersion and exfoliation of graphene in rubber by an ultrasonically-assisted latex mixing and in situ reduction process. Macromol. Mater. Eng. 2011, 296, 590–602. [Google Scholar] [CrossRef]
- Kumar, V.; Hanel, T.; Giannini, L.; Galimberti, M.; Giese, U. Graphene reinforced synthetic isoprene rubber nanocomposites. KGK Kautsch. Gummi Kunstst. 2014, 67, 38–46. [Google Scholar]
- Aguilar-Bolados, H.; Brasero, J.; López-Manchado, M.A.; Yazdani-Pedram, M. High performance natural rubber/thermally reduced graphite oxide nanocomposites by latex technology. Compos. Part B Eng. 2014, 67, 449–454. [Google Scholar] [CrossRef]
- Xing, W.; Wu, J.; Huang, G.; Li, H.; Tang, M.; Fu, X. Enhanced mechanical properties of graphene/natural rubber nanocomposites at low content. Polym. Int. 2014, 63, 1674–1681. [Google Scholar] [CrossRef]
- Papageorgiou, D.G.; Kinloch, I.A.; Young, R.J. Graphene/elastomer nanocomposites. Carbon 2015, 95, 460–484. [Google Scholar] [CrossRef]
- Dong, B.; Liu, C.; Zhang, L.; Wu, Y. Preparation, fracture, and fatigue of exfoliated graphene oxide/natural rubber composites. Rsc. Adv. 2015, 5, 17140–17148. [Google Scholar] [CrossRef]
- Kumar, V.; Scotti, R.; Hanel, H.; Giannini, L.; Galimberti, M.; Giese, U. Influence of Nanographite Surface Area on mechanical Reinforcement of Nanocomposites based on Poly (styrene-co-butadiene). KGK-Kautsch. Gummi Kunstst. 2016, 69, 33–39. [Google Scholar]
- Dong, B.; Zhang, L.; Wu, Y. Highly conductive natural rubber–graphene hybrid films prepared by solution casting and in situ reduction for solvent-sensing application. J. Mater. Sci. 2016, 51, 10561–10573. [Google Scholar] [CrossRef]
- Zhang, C.; Zhai, T.; Dan, Y.; Turng, L.S. Reinforced natural rubber nanocomposites using graphene oxide as a reinforcing agent and their in situ reduction into highly conductive materials. Polym. Compos. 2017, 38, E199–E207. [Google Scholar] [CrossRef]
- Zhan, Y.; Meng, Y.; Li, Y. Electric heating behavior of flexible graphene/natural rubber conductor with self-healing conductive network. Mater. Lett. 2017, 192, 115–118. [Google Scholar] [CrossRef]
- George, G.; Sisupal, S.B.; Tomy, T.; Pottammal, B.A.; Kumaran, A.; Suvekbala, V.; Ragupathy, L. Thermally conductive thin films derived from defect free graphene-natural rubber latex nanocomposite: Preparation and properties. Carbon 2017, 119, 527–534. [Google Scholar] [CrossRef]
- Berki, P.; László, K.; Tung, N.T.; Karger-Kocsis, J. Natural rubber/graphene oxide nanocomposites via melt and latex compounding: Comparison at very low graphene oxide content. J. Reinf. Plast. Compos. 2017, 36, 808–817. [Google Scholar] [CrossRef]
- Lim, L.P.; Juan, J.C.; Huang, N.M.; Goh, L.K.; Leng, F.P.; Loh, Y.Y. Enhanced tensile strength and thermal conductivity of natural rubber graphene composite properties via rubber-graphene interaction. Mater. Sci. Eng. B 2019, 246, 112–119. [Google Scholar] [CrossRef]
- Bokobza, L. Natural Rubber Nanocomposites: A Review. Nanomaterials 2019, 9, 12. [Google Scholar] [CrossRef]
- Qin, H.; Deng, C.; Lu, S.; Yang, Y.; Guan, G.; Liu, Z.; Yu, Q. Enhanced mechanical property, thermal and electrical conductivity of natural rubber/graphene nanosheets nanocomposites. Polym. Compos. 2020, 41, 1299–1309. [Google Scholar] [CrossRef]
- Hao, S.; Wang, J.; Lavorgna, M.; Fei, G.; Wang, Z.; Xia, H. Constructing 3D Graphene Network in Rubber Nanocomposite via Liquid-Phase Redispersion and Self-Assembly. ACS Appl. Mater. Interfaces 2020, 12, 9682–9692. [Google Scholar] [CrossRef] [PubMed]
- Grunert, F.; Wehmeier, A.; Blume, A. New Insights into the Morphology of Silica and Carbon Black Based on Their Different Dispersion Behavior. Polymers 2020, 12, 567. [Google Scholar] [CrossRef] [PubMed]
- Hummers, W.S.; Offeman, R.E. Preparation of graphitic oxide. J. Am. Chem. Soc. 1958, 80, 1339. [Google Scholar] [CrossRef]
- He, H.; Klinowski, J.; Forster, M.; Lerf, A. Density functional theory study of atomic oxygen, O2 and O3 adsorptions on the H-capped (5, 0) single-walled carbon nano-tube. Chem. Phys. Lett. 1998, 287, 53–56. [Google Scholar] [CrossRef]
- Lerf, A.; He, H.; Forster, M.; Klinowski, J.J. Structure of graphite oxide revisited. Phys. Chem. B 1998, 102, 4477. [Google Scholar] [CrossRef]
- Stankovich, S.; Piner, R.D.; Nguyen, S.T.; Ruoff, R.S. Synthesis and exfoliation of isocyanate-treated graphene oxide nanoplatelets. Carbon 2006, 44, 3342. [Google Scholar] [CrossRef]
- Stankovich, S.; Dikin, D.A.; Piner, R.D.; Kohlhaas, K.A.; Kleinhammes, A.; Jia, Y.; Wu, Y.; Nguyen, S.T.; Ruoff, R.S. Synthesis of graphene-based nanosheets via chemical reduction of exfoliated graphite oxide. Carbon 2007, 45, 1558. [Google Scholar] [CrossRef]
- Pei, S.; Cheng, H.-M. The reduction of graphene oxide. Carbon 2012, 50, 3210–3228. [Google Scholar] [CrossRef]
- Mauro, M.; Cipolletti, V.; Galimberti, M.; Longo, P.; Guerra, G. Chemically reduced graphite oxide with improved shape anisotropy. J. Phys. Chem. C 2012, 116, 24809–24813. [Google Scholar] [CrossRef]
- Agnelli, S.; Pandini, S.; Torricelli, F.; Romele, P.; Serafini, A.; Barbera, V.; Galimberti, M. Anisotropic properties of elastomeric nanocomposites based on natural rubber and sp2 carbon allotropes. eXPRESS Polym. Lett. 2018, 12, 713–730. [Google Scholar] [CrossRef]
- Barbera, V.; Guerra, S.; Brambilla, L.; Maggio, M.; Serafini, A.; Conzatti, L.; Vitale, A.; Galimberti, M. Carbon papers and aerogels based on graphene layers and chitosan: Direct preparation from high surface area graphite. Biomacromolecules 2017, 18, 3978–3991. [Google Scholar] [CrossRef] [PubMed]
- Barbera, V.; Bernardi, A.; Palazzolo, A.; Rosengart, A.; Brambilla, L.; Galimberti, M. Facile and sustainable functionalization of graphene layers with pyrrole compounds. Pure Appl. Chem. 2018, 90, 253–270. [Google Scholar] [CrossRef]
- Galimberti, M.; Barbera, V.; Guerra, S.; Bernardi, A. Facile functionalization of sp2 carbon allotropes with a biobased Janus molecule. Rubber Chem. Technol. 2017, 90, 285–307. [Google Scholar] [CrossRef]
- Barbera, V.; Brambilla, L.; Milani, A.; Palazzolo, A.; Castiglioni, C.; Vitale, A.; Bongiovanni, R.; Galimberti, M. Domino reaction for the sustainable functionalization of few-layer graphene. Nanomaterials 2019, 9, 44. [Google Scholar] [CrossRef]
- Yang, D.; Kong, X.; Ni, Y.; Ruan, M.; Huang, S.; Shao, P.; Zhang, L. Improved mechanical and electrochemical properties of XNBR dielectric elastomer actuator by poly (dopamine) functionalized graphene nano-sheets. Polymers 2019, 11, 218. [Google Scholar] [CrossRef]
- Ramorino, G.; Agnelli, S.; De Santis, R.; Riccò, T. Investigation of fracture resistance of natural rubber/clay nanocomposites by J.-testing. Eng. Fract. Mech. 2010, 77, 1527–1536. [Google Scholar] [CrossRef]
- Begley, J.A.; Landes, J.D. The J integral as a fracture criterion. In Fracture Toughness: Part II. ASTM Int. 1972. [Google Scholar] [CrossRef]
- Agnelli, S.; Baldi, F.; Bignotti, F.; Salvadori, A.; Peroni, I. Fracture characterization of hyperelastic polyacrylamide hydrogels. Eng. Fract. Mech. 2018, 203, 54–65. [Google Scholar] [CrossRef]
- Barbera, V.; Citterio, A.; Leonardi, G.; Sebastiano, R.; Shisodia, S.U.; Valerio, A.M. Process for the Synthesis of 2-(2,5-Dimethyl-1H-Pyrrol-1-yl)-1,3-Propanediol and its Substituted Derivatives. U.S. Patent EP3154939B1, 25 June 2019. [Google Scholar]
- Musto, S.; Barbera, V.; Cipolletti, V.; Citterio, A.; Galimberti, M. Master curves for the sulphur assisted crosslinking reaction of natural rubber in the presence of nano- and nano-structured sp2 carbon allotropes. eXPRESS Polym. Lett. 2017, 11, 435–448. [Google Scholar] [CrossRef][Green Version]
- Payne, A.R. The dynamic properties of carbon black-loaded natural rubber vulcanizates. Part I. J. Appl. Polym. Sci. 1962, 6, 57. [Google Scholar] [CrossRef]
- Robertson, C.G. Dynamic Mechanical Properties, Section 3: Rubbers and Elastomers. In Encyclopedia of Polymeric Nanomaterials; Kobayashi, S., Müllen, K., Eds.; Springer-Verlag: Berlin/Heidelberg, Germany, 2015. [Google Scholar]
- Kohls, D.J.; Beaucage, G. Rational design of reinforced rubber. Curr. Opin. Solid State Mater. Sci. 2002, 6, 183–194. [Google Scholar] [CrossRef]
- Balasooriya, W.; Schrittesser, B.; Pinter, G.; Schwarz, T.; Conzatti, L. The Effect of the Surface Area of Carbon Black Grades on HNBR in Harsh Environments. Polymers 2019, 11, 61. [Google Scholar] [CrossRef] [PubMed]
- López-Manchado, M.A.; Valentín, J.L.; Carretero, J.; Barroso, F.; Arroyo, M. Rubber network in elastomer nanocomposites. Eur. Polym. J. 2007, 43, 4143–4150. [Google Scholar] [CrossRef]
- Treloar, L.R.G. The photoelastic properties of short-chain molecular networks. Trans. Faraday Soc. 1954, 50, 881–896. [Google Scholar] [CrossRef]
- Isihara, A.; Hashitsume, N.; Tatibana, M. Statistical Theory of Rubber-Like Elasticity. IV. (Two-Dimensional Stretching). J. Chem. Phys. 1951, 19, 1508–1512. [Google Scholar] [CrossRef]
- Flory, P.J. Effects of Molecular Structure on Physical Properties of Butyl Rubber. Ind. Eng. Chem. 1946, 38, 417–436. [Google Scholar] [CrossRef]
- Toki, S.; Fujimaki, T.; Okuyama, M. Strain-induced crystallization of natural rubber as detected real-time by wide-angle X-ray diffraction technique. Polymer 2000, 41, 5423–5429. [Google Scholar] [CrossRef]
- Nie, Y.; Huang, G.; Qu, L.; Wang, X.; Weng, G.; Wu, J. New insights into thermodynamic description of strain-induced crystallization of peroxide cross-linked natural rubber filled with clay by tube model. Polymer 2011, 52, 3234–3242. [Google Scholar] [CrossRef]
- Marano, C.; Boggio, M.; Cazzoni, E.; Rink, M. Fracture phenomenology and toughness of filled natural rubber compounds via the pure shear test specimen. Rubber Chem. Technol. 2014, 87, 501–515. [Google Scholar] [CrossRef]
- Li, F.; Yan, N.; Zhan, Y.; Fei, G.; Xia, H. Probing the reinforcing mechanism of graphene and graphene oxide in natural rubber. J. Appl. Polym. Sci. 2013, 129, 2342–2351. [Google Scholar] [CrossRef]
- Ozbas, B.; Toki, S.; Hsiao, B.S.; Chu, B.; Register, R.A.; Aksay, I.A.; Adamson, D.H. Strain-induced crystallization and mechanical properties of functionalized graphene sheet-filled natural rubber. J. Polym. Sci. Part B Polym. Phys. 2012, 50, 718–723. [Google Scholar] [CrossRef]
- Karagiannidis, P.G.; Hodge, S.A.; Lombardi, L.; Tomarchio, F.; Decorde, N.; Milana, S.; Leary, R.K. Microfluidization of graphite and formulation of graphene-based conductive inks. ACS Nano 2017, 11, 2742–2755. [Google Scholar] [CrossRef] [PubMed]











| Composite | 0 | 1 | 2 | 3 | 4 | 5 | 6 |
|---|---|---|---|---|---|---|---|
| NR | 100 | 100 | 100 | 100 | 100 | 100 | 100 |
| HSAG | / | 5 | 15 | 24 | / | / | / |
| HSAG-SP | / | / | / | / | 5 c | 15 c | 24 c |
| Sample | Mass Loss (%) | ||||
|---|---|---|---|---|---|
| T < 150 °C | 150 °C < T < 400 °C | 400 °C < T < 700 °C | T > 700 °C | ||
| HSAG | (a) | 1.3 | 1.7 | 4.6 | 92.4 |
| (c) | 0.0 | 0.1 | 0.4 | 99.5 | |
| HSAG-SP Sample 1 | (b) | 0.9 | 6 | 9.4 | 83.6 |
| (c) | 1.0 | 5 | 8.5 | 85.5 | |
| HSAG-SP Sample 2 | (b) | 0.5 | 2.1 | 4.1 | 93 |
| (c) | 0.6 | 1.4 | 4 | 94 | |
| Composite n. | 1 | 2 | 3 | 4 | 5 | 6 |
|---|---|---|---|---|---|---|
| Filler Type | HSAG | HSAG | HSAG | HSAG-SP | HSAG-SP | HSAG-SP |
| Filler Amount | 5 phr | 15 phr | 24 phr | 5phr | 15 phr | 24 phr |
| ML (dNm) | 0.3 | 0.8 | 1.3 | 0.6 | 0.9 | 1 |
| MH (dNm) | 6.1 | 8.4 | 10.2 | 6.4 | 8.2 | 9.1 |
| MH − ML (dNm) | 5.8 | 7.6 | 8.9 | 5.8 | 7.3 | 8 |
| t90 (min) | 3.9 | 4.0 | 3.8 | 4.3 | 4.2 | 3.8 |
| tS1 (dNm) | 2.5 | 2.5 | 2.3 | 2.7 | 2.5 | 2.3 |
| (MH − ML)/(t90 − ts1) | 4.1 | 5.1 | 5.9 | 3.6 | 4.3 | 5.3 |
| Composite n. | 1 | 2 | 3 | 4 | 5 | 6 |
|---|---|---|---|---|---|---|
| Filler Type | HSAG | HSAG | HSAG | HSAG-SP | HSAG-SP | HSAG-SP |
| Filler Amount (phr) | 5 | 15 | 24 | 5 | 15 | 24 |
| G′0.1% | 0.3 | 0.5 | 0.9 | 0.4 | 0.6 | 0.7 |
| ΔG′ = (G′0.1% − G′25%) | ~0 | 0.1 | 0.3 | ~0 | 0.1 | 0.2 |
| G″max | 0.02 | 0.03 | 0.06 | 0.02 | 0.03 | 0.05 |
| Tan Deltamax | 0.06 | 0.06 | 0.08 | 0.05 | 0.06 | 0.08 |
| Composite n. | 0 | 1 | 2 | 3 | 4 | 5 | 6 |
|---|---|---|---|---|---|---|---|
| Filler Type | NR | HSAG | HSAG | HSAG | HSAG-SP | HSAG-SP | HSAG-SP |
| Filler Amount (phr) | 0 | 5 | 15 | 24 | 5 | 15 | 24 |
| σ50 (Mpa) | 0.57 ± 0.02 | 0.6 ± 0.01 | 0.7 ± 0.10 | 1.1 ± 0.06 | 0.5 ± 0.02 | 0.8 ± 0.03 | 1.0 ± 0.02 |
| σ100 (Mpa) | 0.8 ± 0.02 | 0.8 ± 0.01 | 1.2 ± 0.06 | 1.9 ± 0.10 | 0.8 ± 0.01 | 1.3 ± 0.03 | 1.9 ± 0.04 |
| σ300 (Mpa) | 1.93 ± 0.08 | 2.53 ± 0.04 | 6.04 ± 0.31 | 10.5 ± 0.6 | 2.31 ± 0.02 | 6.19 ± 0.22 | 9.91 ± 0.24 |
| σB (Mpa) | 24.5 ± 3.4 | 13.6 ± 1.9 | 21.4 ± 1.1 | 24.3 ± 1.8 | 19.6 ± 0.8 | 23.1 ± 1.6 | 25.4 ± 0.6 |
| εB (%) | 760 ± 37 | 561.2 ± 3 | 516.5 ± 10 | 468.7 ± 35 | 633.7 ± 18 | 536.1 ± 4 | 493 ± 1 |
| Composite n. | 1 | 2 | 3 | 4 | 5 | 6 |
|---|---|---|---|---|---|---|
| Filler Type | HSAG | HSAG | HSAG | HSAG-SP | HSAG-SP | HSAG-SP |
| Filler Amount (phr) | 5 | 15 | 24 | 5 | 15 | 24 |
| Jc (kJ/m2) | 5.2 ± 0.7 | 3.5 ± 0.3 | 2.6 ± 0.3 | 5.4 ± 0.6 | 4.0 ± 0.4 | 3.6 ± 0.3 |
© 2020 by the authors. Licensee MDPI, Basel, Switzerland. This article is an open access article distributed under the terms and conditions of the Creative Commons Attribution (CC BY) license (http://creativecommons.org/licenses/by/4.0/).
Share and Cite
Prioglio, G.; Agnelli, S.; Conzatti, L.; Balasooriya, W.; Schrittesser, B.; Galimberti, M. Graphene Layers Functionalized with A Janus Pyrrole-Based Compound in Natural Rubber Nanocomposites with Improved Ultimate and Fracture Properties. Polymers 2020, 12, 944. https://doi.org/10.3390/polym12040944
Prioglio G, Agnelli S, Conzatti L, Balasooriya W, Schrittesser B, Galimberti M. Graphene Layers Functionalized with A Janus Pyrrole-Based Compound in Natural Rubber Nanocomposites with Improved Ultimate and Fracture Properties. Polymers. 2020; 12(4):944. https://doi.org/10.3390/polym12040944
Chicago/Turabian StylePrioglio, Gea, Silvia Agnelli, Lucia Conzatti, Winoj Balasooriya, Bernd Schrittesser, and Maurizio Galimberti. 2020. "Graphene Layers Functionalized with A Janus Pyrrole-Based Compound in Natural Rubber Nanocomposites with Improved Ultimate and Fracture Properties" Polymers 12, no. 4: 944. https://doi.org/10.3390/polym12040944
APA StylePrioglio, G., Agnelli, S., Conzatti, L., Balasooriya, W., Schrittesser, B., & Galimberti, M. (2020). Graphene Layers Functionalized with A Janus Pyrrole-Based Compound in Natural Rubber Nanocomposites with Improved Ultimate and Fracture Properties. Polymers, 12(4), 944. https://doi.org/10.3390/polym12040944

