Effect of Preparation Process on the Microstructure and Characteristics of TiAl Pre-Alloyed Powder Fabricated by Plasma Rotating Electrode Process
Abstract
1. Introduction
2. Materials and Methods
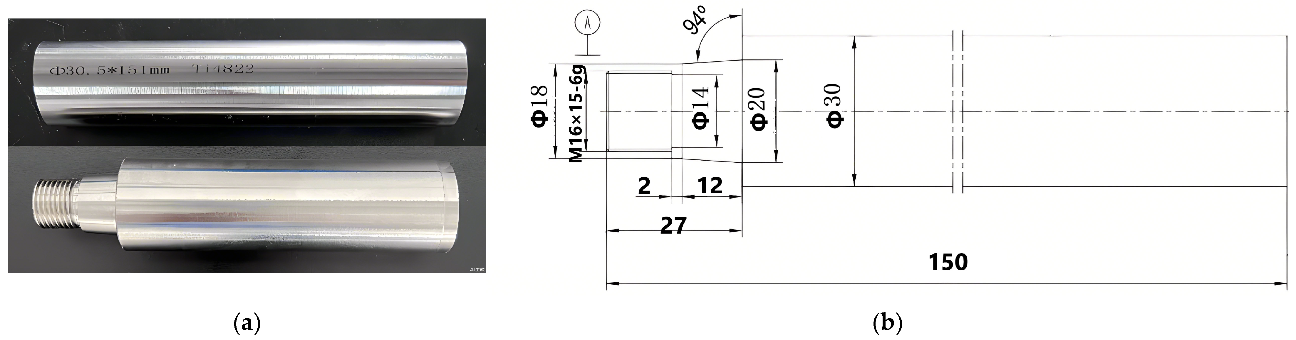
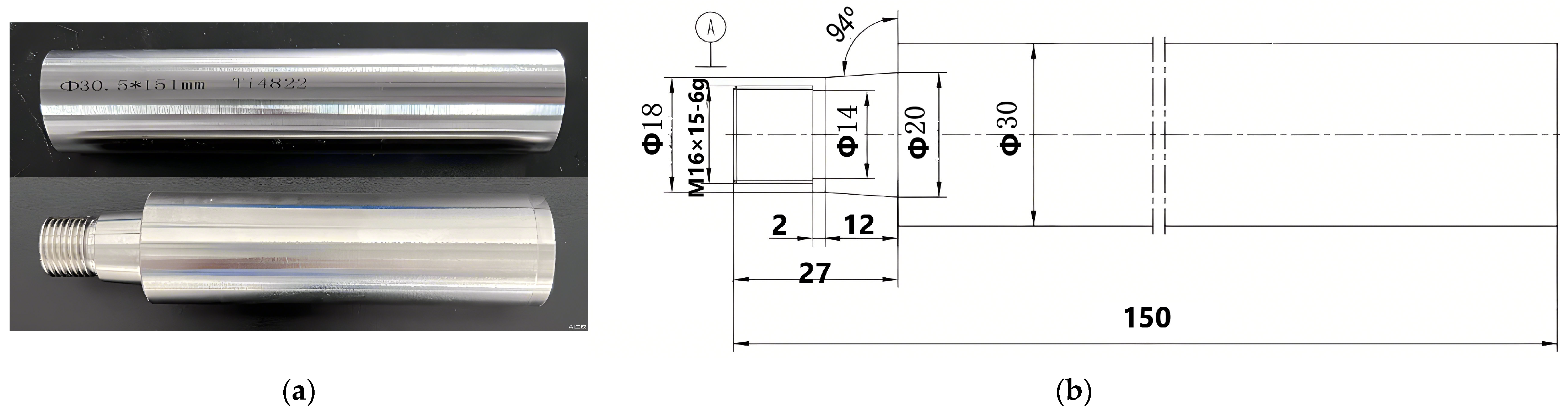
2.1. Raw Material
2.2. Preparation Process
2.3. Analysis and Characterization
3. Results and Discussion
3.1. Effects of PREP Parameters on Characteristics of TiAl Pre-Alloyed Powder
3.1.1. Effect of the Electrode Rotating Speeds on the Particle Size of the Powder
3.1.2. Effect of the Current Intensity on the Particle Size of the Powder
3.1.3. Effect of Electrode Rotating Speeds on the Sphericity Degree of the Powder
3.1.4. Effect of Current Intensity on the Sphericity Degree of the Powder
3.2. Effects of PREP Parameters on the Microstructure of TiAl Pre-Alloyed Powder
3.2.1. Phase Constitution
3.2.2. Microstructure
4. Conclusions
- (1)
- The electrode rotating speed mainly affected the D50 of the powder. As the electrode rotating speed increased, the D50 of the powder decreased. The current intensity mainly affected the particle size distribution of the powder. As the current intensity decreased, the particle size distribution of the powder became concentrated, but the D50 changed only slightly.
- (2)
- The electrode rotating speed had little effect on the sphericity degree of the powder. The current intensity had a significant effect on the sphericity degree of the powder with a particle size > 105 μm, but it had little effect on the powder with a particle size < 105 μm.
- (3)
- There are two types of surface morphologies of TiAl powder fabricated by the PREP, which were decided by the solidification rate of molten droplets during the PREP. When the cooling rate was less than 1.19 × 105 K·s−1 (particle size > 45 μm), the molten droplets were apt to form coarse dendritic + cellular particles, while some droplets tended to take the form of smooth microcrystalline particles when the cooling rate was greater than 1.19 × 105 K·s−1 (particle size < 45 μm).
- (4)
- The powder was chiefly constituted by the α2 phase and the γ phase. There were two kinds of microstructure inside the TiAl pre-powder, which were the α2 + γ lamellar microstructure (particle size > 45 µm), and the α2 + γ network microstructure (particle size < 45 µm). The average thickness of the α2 + γ lamellar was approximately 200 nm. The lamellar γ phases were arranged in an orderly fashion in the α2 phase matrix with a thickness of about 20 nm. The network microstructure inside the powder was corrugated, and the morphology of the γ phase was not obvious. Furthermore, a large quantity of dislocations which formed because of the anisotropy in the crystal growth velocities were also noticed within the powder.
Author Contributions
Funding
Data Availability Statement
Conflicts of Interest
References
- Kim, Y.W.; Kim, S.L. Advances in Gammalloy Materials–Processes–Application Technology: Successes, Dilemmas, and Future. JOM 2018, 70, 553–560. [Google Scholar] [CrossRef]
- Hou, Z.; Li, B.; Feng, G.; Wu, J.; Fan, L.; Guo, Y.; Chen, Y.; Chen, B.; Zhang, X. Development and application of Ti-based alloy casting technologies in the field of aerospace. Aerosp. Shanghai 2022, 39, 14. [Google Scholar]
- Wu, X. Review of alloy and process development of TiAl alloys. Intermetallics 2006, 14, 1114–1122. [Google Scholar] [CrossRef]
- Cho, K.; Morita, N.; Matsuoka, H. Influence of Input Energy Density on Morphology of Unique Layered Microstructure of γ-TiAl Alloys Fabricated by Electron Beam Powder Bed Fusion. Mater. Trans. 2023, 64, 44–49. [Google Scholar] [CrossRef]
- Bewlay, B.P.; Nag, S.; Suzuki, A.; Weimer, M.J. TiAl alloys in commercial aircraft engines. Mater. High. Temp. 2016, 33, 549–559. [Google Scholar] [CrossRef]
- Gao, R.; Peng, H.; Guo, H.; Chen, B. An innovative way to fabricate γ-TiAl blades and their failure mechanisms under thermal shock. Scr. Mater. 2021, 203, 114092. [Google Scholar] [CrossRef]
- Chen, W.; Li, Z. Additive manufacturing of titanium aluminides. In Additive Manufacturing for the Aerospace Industry; Elsevier: Amsterdam, The Netherlands, 2019; pp. 235–263. [Google Scholar]
- Liu, N.; Niu, J.; Chen, Y.; Wang, X.; Wang, J.; Xiang, H.; Wei, D.; Chen, G. Effect of in-situ post-heating on the microstructure and tensile performance of TiAl alloys produced via selective electron beam melting. Mater. Sci. Eng. A 2023, 885, 145585. [Google Scholar] [CrossRef]
- Ghibaudo, C.; Marchese, G.; Ugues, D.; Biamino, S.; Wartbichler, R.; Clemens, H. Influence of focus offset on the microstructure of an intermetallic γ-TiAl based alloy produced by electron beam powder bed fusion. J. Manuf. Process 2023, 89, 132–141. [Google Scholar] [CrossRef]
- Kotzem, D.; Teschke, M.; Juechter, V.; Krner, C.; Walther, F. Microstructure analysis and mechanical properties of electron beam powder bed fusion (PBF-EB)-manufactured γ-titanium aluminide (TiAl) at elevated temperatures. Mater. Test. 2022, 64, 636–646. [Google Scholar] [CrossRef]
- Lin, B.; Chen, W. Mechanical properties of TiAl fabricated by electron beam melting—A review. China Foundry 2021, 18, 307–316. [Google Scholar] [CrossRef]
- Cho, K.; Kawabata, H.; Hayashi, T.; Yasuda, H.Y.; Nakano, T. Peculiar microstructural evolution and tensile properties of β-containing γ-tial alloys fabricated by electron beam melting. Addit. Manuf. 2021, 46, 102091. [Google Scholar] [CrossRef]
- Wang, L.; Fan, X.; Lu, F.; Liang, Y.; Li, S. Improving the formability and mechanical properties of TiAl alloy by direct forging of uncondensed powder. Mater. Sci. Eng. A 2024, 890, 145890.1–145890.13. [Google Scholar] [CrossRef]
- Song, M.; Zhang, Y.; Yang, Y.; Li, Y.; Yang, H.; Wang, Y.; Li, Y.; Wang, Y. Spherical TiAl Alloy Powders by PREP: Preparation, Microstructure and Properties. Mater. Sci. Forum 2023, 2639, 012011. [Google Scholar] [CrossRef]
- Gui, Y.; Aoyagi, K.; Chiba, A. Development of macro-defect-free PBF-EB-processed Ti–6Al–4V alloys with superior plasticity using PREP-synthesized powder and machine learning-assisted process optimization. Mater. Sci. Eng. A 2023, 864, 653–658. [Google Scholar] [CrossRef]
- Zhang, Y.; Li, Y.; Song, M.; Li, Y.; Gong, S.; Zhang, B. TiAl alloy fabricated using election beam selective melting: Process, microstructure, and tensile performance. Metals 2024, 14, 482. [Google Scholar] [CrossRef]
- He, W.; Liu, Y.; Tang, H.; Li, Y.; Liu, B.; Liang, X.; Xi, Z. Microstructural characteristics and densification behavior of high-Nb TiAl powder produced by plasma rotating electrode process. Mater. Des. 2017, 132, 275–282. [Google Scholar] [CrossRef]
- Wosch, E. Rapid solidification of steel droplets in plasma rotating electrode process. Met. Powder Rep. 1997, 51, 764–770. [Google Scholar] [CrossRef]
- Frost, A.R. Rotary atomization in the ligament formation mode. J. Agr. Eng. Res. 1981, 26, 63–78. [Google Scholar] [CrossRef]
- Liu, J.; Yu, Q.; Guo, Q. Experimental investigation of liquid disintegration by rotary cups. Chem. Eng. Sci. 2012, 73, 44–50. [Google Scholar] [CrossRef]
- Zhang, Y.; Dong, Y.; Zhang, Y.; Lin, Q. Investigation on the abnormal particles in nickel- based superalloy powder by PREP. Powder Metall. Ind. 2000, 10, 7–12. [Google Scholar]
- Reith, M.; Franke, M.; Schloffer, M.; Korner, C. Processing 4th generation titanium aluminides via electron beam based additive manufacturing—Characterization of microstructure and mechanical properties. Materialia 2020, 14, 100902. [Google Scholar] [CrossRef]
- Basak, C.; Krishnan, M.; Kumar, R.; Abdullah, K.; Anantharaman, S. Characterization and process evaluation of Ni–Ti–Fe shape memory alloy macro-spheres directly fabricated via rotating electrode process. J. Alloys Compd. 2014, 597, 15–20. [Google Scholar] [CrossRef]
- Tao, Y.; Zhang, W.; Zhang, Y.; Zhang, F.; Chen, S.; Feng, D. Study on PREP process for producing spherical alloy powder. J. Iron Steel Res. 2003, 15, 537–540. [Google Scholar]
- Yolton, C.; Froes, F. Conventional titanium powder production. Ti. Powder Metall. 2015, 9, 21–32. [Google Scholar]
- Antony, L.; Reddy, R. Processes for production of high-purity metal powders. JOM 2003, 55, 14–18. [Google Scholar] [CrossRef]
- Li, Y.; Song, M.; Zhang, X.; Zhang, W.; Zhang, Y. Preparation of titanium alloy powder by plasma rotating electrode process. Mater. Sci. Forum 2020, 993, 79–85. [Google Scholar] [CrossRef]
- Kumagae, R.; Yoshitake, M.; Iwatsu, O.; Hidaka, K. Availability of TiAl electrode made by sintering mixed powders of Ti and Al to use for rotating electrode process. J. JPN. Soc. Powder Metall. 2009, 44, 1055–1060. [Google Scholar] [CrossRef]
- Liu, Z.; Feng, X.; Yi, X.; Sun, K.; Wang, H.; Gao, Z.; Meng, X. Mechanisms of two-stage martensitic transformation in Ti-Ni-Hf alloy powder. Prog. Nat. Sci. Mater. Int. 2021, 5, 749–754. [Google Scholar] [CrossRef]
- He, T.; Hu, R.; Yang, J.; Fu, H. Phase selection and solidification path transition of Ti-48Al-xNb alloys with different cooling rates. Rare Met. 2023, 1, 288–295. [Google Scholar] [CrossRef]
- GB/T 3620.1-2016; Code for Designation and Composition of Titanium and Titanium Alloys. China Nonferrous Metals Standardization Technical Committee: Beijing, China, 2016.
- Cai, X.; Eylon, D. Features of the solidified microstructure of PREP TiAl base alloy powders. Rare Met. Mater. Eng. 1994, 23, 41–47. [Google Scholar]
- Shen, J.; Ma, X.; Wang, G.; Jia, J. Calculation of cooling rates of rapidly-solidified TiAl alloy. Rare Met. Mater. Eng. 2001, 30, 273–276. [Google Scholar]
- Chen, X. Heat Transfer and Fluidity of High Temperature Ionized Gases, 2nd ed.; Science Press: Beijing, China, 1993; pp. 214–219. [Google Scholar]
- Xiang, J. Study on the Processing, Microstructures and Properties of High Nb Containing TiAl Alloy on Large Scale. Masters’ Thesis, University of Science and Technology Beijing, Beijing, China, 2008. [Google Scholar]
- Gerling, R.; Clemens, H.; Schimansky, F.P. Powder metallurgical processing of intermetallic gamma titanium aluminides. Adv. Eng. Mater. 2004, 6, 23–28. [Google Scholar] [CrossRef]



























| Element | Ti | Al | Nb | Cr | Total |
|---|---|---|---|---|---|
| Content | 47.84 | 48.16 | 2.04 | 1.95 | 100 |
| Pressure (MPa) | Current Intensity (A) | Rotating Speed (r/min) |
|---|---|---|
| 0.02 | 650~700 | 32,000~42,000 |
| Element | 32,000 r/min | 39,000 r/min | 42,000 r/min |
|---|---|---|---|
| Ti | 47.84 | 48.07 | 47.93 |
| Al | 48.16 | 47.98 | 48.08 |
| Cr | 1.96 | 1.94 | 1.97 |
| Nb | 2.04 | 2.01 | 2.02 |
| Total | 100.00 | 100.00 | 100.00 |
| Element | 650 A | 670 A | 700 A |
|---|---|---|---|
| Ti | 48.26 | 47.68 | 48.09 |
| Al | 47.8 | 48.32 | 47.87 |
| Cr | 2.01 | 1.99 | 1.94 |
| Nb | 1.93 | 2.01 | 2.10 |
| Total | 100.00 | 100.00 | 100.00 |
| Physical Parameter | Numerical Value |
|---|---|
| K/J·(cm·K·s)−1 | 3.55 × 10−4 |
| ρg/g·cm−3 | 9.7 × 10−4 |
| Cg/J·(g·K)−1 | 0.521 |
| y/g·(cm·s)−1 | 4.62 × 10−4 |
Disclaimer/Publisher’s Note: The statements, opinions and data contained in all publications are solely those of the individual author(s) and contributor(s) and not of MDPI and/or the editor(s). MDPI and/or the editor(s) disclaim responsibility for any injury to people or property resulting from any ideas, methods, instructions or products referred to in the content. |
© 2024 by the authors. Licensee MDPI, Basel, Switzerland. This article is an open access article distributed under the terms and conditions of the Creative Commons Attribution (CC BY) license (https://creativecommons.org/licenses/by/4.0/).
Share and Cite
Zhang, Y.; Song, M.; Li, Y.; Li, Y.; Gong, S.; Zhang, B. Effect of Preparation Process on the Microstructure and Characteristics of TiAl Pre-Alloyed Powder Fabricated by Plasma Rotating Electrode Process. Crystals 2024, 14, 562. https://doi.org/10.3390/cryst14060562
Zhang Y, Song M, Li Y, Li Y, Gong S, Zhang B. Effect of Preparation Process on the Microstructure and Characteristics of TiAl Pre-Alloyed Powder Fabricated by Plasma Rotating Electrode Process. Crystals. 2024; 14(6):562. https://doi.org/10.3390/cryst14060562
Chicago/Turabian StyleZhang, Yu, Meihui Song, Yan Li, Yanchun Li, Shulin Gong, and Bin Zhang. 2024. "Effect of Preparation Process on the Microstructure and Characteristics of TiAl Pre-Alloyed Powder Fabricated by Plasma Rotating Electrode Process" Crystals 14, no. 6: 562. https://doi.org/10.3390/cryst14060562
APA StyleZhang, Y., Song, M., Li, Y., Li, Y., Gong, S., & Zhang, B. (2024). Effect of Preparation Process on the Microstructure and Characteristics of TiAl Pre-Alloyed Powder Fabricated by Plasma Rotating Electrode Process. Crystals, 14(6), 562. https://doi.org/10.3390/cryst14060562
