Hierarchically Porous Carbon Cloth–Polyaniline (CC–PANI) Composite Supercapacitor Electrodes with Enhanced Stability
Abstract
1. Introduction
2. Materials and Methods
2.1. Carbon Cloth
2.2. Modification of Carbon Cloth with Polyaniline
2.3. FTIR Spectrophotometry
2.4. Scanning Electron and Dual-Beam Microscopy
2.5. Fabrication of a Supercapacitor Cell
2.6. Cyclic Voltammetry and Galvanostatic Charge–Discharge
2.7. Trasatti Method
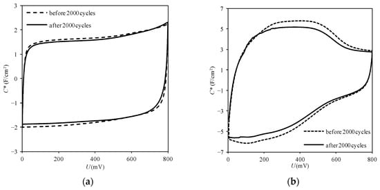
3. Results and Discussion

4. Conclusions
Supplementary Materials
Author Contributions
Funding
Data Availability Statement
Conflicts of Interest
References
- Sun, J.; Luo, B.; Li, H. A review on the conventional capacitors, supercapacitors, and emerging hybrid Ion capacitors: Past, present, and future. Adv. Energy Sustain. Res. 2022, 3, 2100191. [Google Scholar] [CrossRef]
- Kim, B.K.; Sy, S.; Yu, A.; Zhang, J. Electrochemical supercapacitors for energy storage and conversion. Handb. Clean Energy Syst. 2015, 5, 1–25. [Google Scholar] [CrossRef]
- Zhao, J.; Burke, A.F. Review on supercapacitors: Technologies and performance evaluation. J. Energy Chem. 2021, 59, 276–291. [Google Scholar] [CrossRef]
- Simon, P.; Gogotsi, Y. Materials for electrochemical capacitors. Nat. Mater. 2008, 7, 845–854. [Google Scholar] [CrossRef] [PubMed]
- Zhang, K.; Yang, X.; Li, D. Engineering graphene for high-performance supercapacitors: Enabling role of colloidal chemistry. J. Energy Chem. 2018, 27, 1–5. [Google Scholar] [CrossRef]
- Frackowiak, E. Carbon materials for supercapacitor application. Phys. Chem. Chem. Phys. 2007, 9, 1774–1785. [Google Scholar] [CrossRef] [PubMed]
- Wang, Y.; Zhang, L.; Hou, H.; Xu, W.; Duan, G.; He, S.; Jiang, S. Recent progress in carbon-based materials for supercapacitor electrodes: A review. J. Mater. Sci. 2021, 56, 173–200. [Google Scholar] [CrossRef]
- Wang, S.; Wang, X.; Sun, C.; Wu, Z.S. Room-temperature fast assembly of 3D macroscopically porous graphene frameworks for binder-free compact supercapacitors with high gravimetric and volumetric capacitances. J. Energy Chem. 2021, 61, 23–28. [Google Scholar] [CrossRef]
- Conway, B. Electrochemical Supercapacitors: Scientific Fundamentals and Technological Applications, 1st ed.; Springer: New York, NY, USA, 1999; p. 698. [Google Scholar]
- Chen, J.; Lee, P.S. Electrochemical supercapacitors: From mechanism understanding to multifunctional applications. Adv. Energy Mater. 2021, 11, 2003311. [Google Scholar] [CrossRef]
- Şahin, M.E.; Blaabjerg, F.; Sangwongwanich, A. A comprehensive review on supercapacitor applications and developments. Energies 2022, 15, 674. [Google Scholar] [CrossRef]
- Liu, S.; Wei, L.; Wang, H. Review on reliability of supercapacitors in energy storage applications. Appl. Energy 2020, 278, 115436. [Google Scholar] [CrossRef]
- Olabi, A.G.; Abbas, Q.; Al Makky, A.; Abdelkareem, M.A. Supercapacitors as next generation energy storage devices: Properties and applications. Energy 2022, 248, 123617. [Google Scholar] [CrossRef]
- Park, H.W.; Roh, K.C. Recent advances in and perspectives on pseudocapacitive materials for supercapacitors–a review. J. Power Sources 2023, 557, 232558. [Google Scholar] [CrossRef]
- Liu, T.; Li, Y. Addressing the Achilles’ heel of pseudocapacitive materials: Long-term stability. InfoMat 2020, 2, 807–842. [Google Scholar] [CrossRef]
- Simon, P.; Gogotsi, Y.; Dunn, B. Where do batteries end and supercapacitors begin? Science 2014, 343, 1210–1211. [Google Scholar] [CrossRef]
- Choi, C.; Ashby, D.S.; Butts, D.M.; DeBlock, R.H.; Wei, Q.; Lau, J.; Dunn, B. Achieving high energy density and high power density with pseudocapacitive materials. Nat. Rev. Mater. 2020, 5, 5–19. [Google Scholar] [CrossRef]
- Augustyn, V.; Simon, P.; Dunn, B. Pseudocapacitive oxide materials for high-rate electrochemical energy storage. Energy Environ. Sci. 2014, 7, 1597–1614. [Google Scholar] [CrossRef]
- Shaikh, N.S.; Ubale, S.B.; Mane, V.J.; Shaikh, J.S.; Lokhande, V.C.; Praserthdam, S.; Kanjanaboos, P. Novel electrodes for supercapacitor: Conducting polymers, metal oxides, chalcogenides, carbides, nitrides, MXenes, and their composites with graphene. J. Alloys Compd. 2022, 893, 161998. [Google Scholar] [CrossRef]
- Liu, R.; Zhou, A.; Zhang, X.; Mu, J.; Che, H.; Wang, Y.; Kou, Z. Fundamentals, advances and challenges of transition metal compounds-based supercapacitors. Chem. Eng. J. 2021, 412, 128611. [Google Scholar] [CrossRef]
- Zhao, Z.; Xia, K.; Hou, Y.; Zhang, Q.; Ye, Z.; Lu, J. Designing flexible, smart and self-sustainable supercapacitors for portable/wearable electronics: From conductive polymers. Chem. Soc. Rev. 2021, 50, 12702–12743. [Google Scholar] [CrossRef]
- Shown, I.; Ganguly, A.; Chen, L.C.; Chen, K.H. Conducting polymer-based flexible supercapacitor. Energy Sci. Eng. 2015, 3, 2–26. [Google Scholar] [CrossRef]
- Meng, Q.; Cai, K.; Chen, Y.; Chen, L. Research progress on conducting polymer based supercapacitor electrode materials. Nano Energy 2017, 36, 268–285. [Google Scholar] [CrossRef]
- Sardana, S.; Gupta, A.; Singh, K.; Maan, A.S.; Ohlan, A. Conducting polymer hydrogel based electrode materials for supercapacitor applications. J. Energy Storage 2022, 45, 103510. [Google Scholar] [CrossRef]
- Suriyakumar, S.; Bhardwaj, P.; Grace, A.N.; Stephan, A.M. Role of polymers in enhancing the performance of electrochemical supercapacitors: A review. Batter. Supercaps 2021, 4, 571–584. [Google Scholar] [CrossRef]
- Eftekhari, A.; Li, L.; Yang, Y. Polyaniline supercapacitors. J. Power Sources 2017, 347, 86–107. [Google Scholar] [CrossRef]
- Banerjee, J.; Dutta, K.; Kader, M.A.; Nayak, S.K. An overview on the recent developments in polyaniline-based supercapacitors. Polym. Adv. Technol. 2019, 30, 1902–1921. [Google Scholar] [CrossRef]
- Mi, H.; Zhang, X.; Yang, S.; Ye, X.; Luo, J. Polyaniline nanofibers as the electrode material for supercapacitors. Mater. Chem. Phys. 2008, 112, 127–131. [Google Scholar] [CrossRef]
- Agobi, A.U.; Louis, H.; Magu, T.O.; Dass, P.M. A review on conducting polymers-based composites for energy storage application. J. Chem. Rev 2019, 1, 19–34. [Google Scholar]
- Li, K.; Liu, X.; Chen, S.; Pan, W.; Zhang, J. A flexible solid-state supercapacitor based on graphene/polyaniline paper electrodes. J. Energy Chem. 2019, 32, 166–173. [Google Scholar] [CrossRef]
- Liu, P.; Yan, J.; Guang, Z.; Huang, Y.; Li, X.; Huang, W. Recent advancements of polyaniline-based nanocomposites for supercapacitors. J. Power Sources 2019, 424, 108–130. [Google Scholar] [CrossRef]
- Wang, X.; Wu, D.; Song, X.; Du, W.; Zhao, X.; Zhang, D. Review on carbon/polyaniline hybrids: Design and synthesis for supercapacitor. Molecules 2019, 24, 2263. [Google Scholar] [CrossRef]
- Thanasamy, D.; Jesuraj, D.; Avadhanam, V.; Chinnadurai, K.; Kannan, S.K.K. Microstructural effect of various polyaniline-carbon nanotube core-shell nanocomposites on electrochemical supercapacitor electrode performance. J. Energy Storage 2022, 53, 105087. [Google Scholar] [CrossRef]
- Panasenko, I.V.; Bulavskiy, M.O.; Iurchenkova, A.A.; Aguilar-Martinez, Y.; Fedorov, F.S.; Fedorovskaya, E.O.; Nasibulin, A.G. Flexible supercapacitors based on free-standing polyaniline/single-walled carbon nanotube films. J. Power Sources 2022, 541, 231691. [Google Scholar] [CrossRef]
- Wang, Y.; Ding, Y.; Guo, X.; Yu, G. Conductive polymers for stretchable supercapacitors. Nano Res. 2019, 12, 1978–1987. [Google Scholar] [CrossRef]
- Ren, L.; Zhang, G.; Lei, J.; Wang, Y.; Hu, D. Novel layered polyaniline-poly (hydroquinone)/graphene film as supercapacitor electrode with enhanced rate performance and cycling stability. J. Colloid Interface Sci. 2018, 512, 300–307. [Google Scholar] [CrossRef]
- Vonlanthen, D.; Lazarev, P.; See, K.A.; Wudl, F.; Heeger, A.J. A stable polyaniline-benzoquinone-hydroquinone supercapacitor. Adv. Mater. 2014, 26, 5095–5100. [Google Scholar] [CrossRef]
- Wang, G.; Wang, H.; Lu, X.; Ling, Y.; Yu, M.; Zhai, T.; Li, Y. Solid-state supercapacitor based on activated carbon cloths exhibits excellent rate capability. Adv. Mater. 2014, 26, 2676–2682. [Google Scholar] [CrossRef]
- Liu, X.; Xu, W.; Zheng, D.; Li, Z.; Zeng, Y.; Lu, X. Carbon cloth as an advanced electrode material for supercapacitors: Progress and challenges. J. Mater. Chem. A 2020, 8, 17938–17950. [Google Scholar] [CrossRef]
- Mishra, A.; Shetti, N.P.; Basu, S.; Raghava Reddy, K.; Aminabhavi, T.M. Carbon cloth-based hybrid materials as flexible electrochemical supercapacitors. ChemElectroChem 2019, 6, 5771–5786. [Google Scholar] [CrossRef]
- Han, X.; Huang, Z.H.; Meng, F.; Jia, B.; Ma, T. Redox-etching induced porous carbon cloth with pseudocapacitive oxygenic groups for flexible symmetric supercapacitor. J. Energy Chem. 2022, 64, 136–143. [Google Scholar] [CrossRef]
- Ouyang, Y.; Huang, R.; Xia, X.; Ye, H.; Jiao, X.; Wang, L.; Hao, Q. Hierarchical structure electrodes of NiO ultrathin nanosheets anchored to NiCo2O4 on carbon cloth with excellent cycle stability for asymmetric supercapacitors. Chem. Eng. J. 2019, 355, 416–427. [Google Scholar] [CrossRef]
- Li, H.; Liang, J.; Li, H.; Zheng, X.; Tao, Y.; Huang, Z.H.; Yang, Q.H. Activated carbon fibers with manganese dioxide coating for flexible fiber supercapacitors with high capacitive performance. J. Energy Chem. 2019, 31, 95–100. [Google Scholar] [CrossRef]
- Zhang, H.; Xiao, D.; Li, Q.; Ma, Y.; Yuan, S.; Xie, L.; Lu, C. Porous NiCo2O4 nanowires supported on carbon cloth for flexible asymmetric supercapacitor with high energy density. J. Energy Chem. 2018, 27, 195–202. [Google Scholar] [CrossRef]
- Zhu, C.; He, Y.; Liu, Y.; Kazantseva, N.; Saha, P.; Cheng, Q. ZnO@ MOF@ PANI core-shell nanoarrays on carbon cloth for high-performance supercapacitor electrodes. J. Energy Chem. 2019, 35, 124–131. [Google Scholar] [CrossRef]
- Horng, Y.Y.; Lu, Y.C.; Hsu, Y.K.; Chen, C.C.; Chen, L.C.; Chen, K.H. Flexible supercapacitor based on polyaniline nanowires/carbon cloth with both high gravimetric and area-normalized capacitance. J. Power Sources 2010, 195, 4418–4422. [Google Scholar] [CrossRef]
- Cheng, Q.; Tang, J.; Ma, J.; Zhang, H.; Shinya, N.; Qin, L.C. Polyaniline-coated electro-etched carbon fiber cloth electrodes for supercapacitors. J. Phys. Chem. C 2011, 115, 23584–23590. [Google Scholar] [CrossRef]
- Bian, L.J.; Luan, F.; Liu, S.S.; Liu, X.X. Self-doped polyaniline on functionalized carbon cloth as electroactive materials for supercapacitor. Electrochim. Acta 2012, 64, 17–22. [Google Scholar] [CrossRef]
- Hong, X.; Fu, J.; Liu, Y.; Li, S.; Liang, B. Strawberry-like carbonized cotton Cloth@ Polyaniline nanocomposite for high-performance symmetric supercapacitors. Mater. Chem. Phys. 2021, 258, 123999. [Google Scholar] [CrossRef]
- Wang, Y.; Zhu, Z.; Chen, J.; Chu, L.; Sun, F.; Li, W.; Wang, W. Homogeneously deposited polyaniline on etched porous carbon cloth towards advanced supercapacitor electrode. Ionics 2023, 29, 4887–4895. [Google Scholar] [CrossRef]
- Graves, D.A.; Theodoroviez, L.B.; de Oliveira, T.C.; Cividanes, L.S.; Ferreira, N.G.; Almeida, D.A.; Gonçalves, E.S. Enhanced electrochemical properties of polyaniline (PANI) films electrodeposited on carbon fiber felt (CFF): Influence of monomer/acid ratio and deposition time parameters in energy storage applications. Electrochim. Acta 2023, 454, 142388. [Google Scholar] [CrossRef]
- Gao, S.; Mi, H.; Li, Z.; Ji, C.; Sun, L.; Yu, C.; Qiu, J. Porous polyaniline arrays oriented on functionalized carbon cloth as binder-free electrode for flexible supercapacitors. J. Electroanal. Chem. 2019, 848, 113348. [Google Scholar] [CrossRef]
- Ahirrao, D.J.; Pal, A.K.; Singh, V.; Jha, N. Nanostructured porous polyaniline (PANI) coated carbon cloth (CC) as electrodes for flexible supercapacitor device. J. Mater. Sci. Technol. 2021, 88, 168–182. [Google Scholar] [CrossRef]
- Quijada, C.; Leite-Rosa, L.; Berenguer, R.; Bou-Belda, E. Enhanced adsorptive properties and pseudocapacitance of flexible polyaniline-activated carbon cloth composites synthesized electrochemically in a filter-press cell. Materials 2019, 12, 2516. [Google Scholar] [CrossRef] [PubMed]
- Stejskal, J.; Sapurina, I. Polyaniline: Thin films and colloidal dispersions (IUPAC Technical Report). Pure Appl. Chem. 2005, 77, 815–826. [Google Scholar] [CrossRef]
- Isacfranklin, M.; Yuvakkumar, R.; Ravi, G.; Velauthapillai, D.; Pannipara, M.; Al-Sehemi, A.G. Superior supercapacitive performance of Cu2MnSnS4 asymmetric devices. Nanoscale Adv. 2021, 3, 486–498. [Google Scholar] [CrossRef]
- Trchová, M.; Stejskal, J. Polyaniline: The infrared spectroscopy of conducting polymer nanotubes (IUPAC Technical Report). Pure Appl. Chem. 2011, 83, 1803–1817. [Google Scholar] [CrossRef]
- Harada, I.; Furukawa, Y.; Uedam, F. Vibrational spectra and structure of polyaniline and related compounds. Synth. Met. 1989, 29, 303–312. [Google Scholar] [CrossRef]









| Sample | C* (F/cm2) at 3rd and 2000th Cycle | Rdis (Ohm) at 3rd and 2000th Cycle | ηE (%) at 3rd and 2000th Cycle | ηQ (%) at 3rd and 2000th Cycle | ||||
|---|---|---|---|---|---|---|---|---|
| BP–0 | 1.68 | 1.58 | 0.541 | 0.585 | 71.4 | 71.2 | 94.1 | 93.9 |
| BP–0.250 | 3.91 | 3.61 | 0.302 | 0.382 | 78.0 | 78.1 | 98.0 | 98.1 |
Disclaimer/Publisher’s Note: The statements, opinions and data contained in all publications are solely those of the individual author(s) and contributor(s) and not of MDPI and/or the editor(s). MDPI and/or the editor(s) disclaim responsibility for any injury to people or property resulting from any ideas, methods, instructions or products referred to in the content. |
© 2024 by the authors. Licensee MDPI, Basel, Switzerland. This article is an open access article distributed under the terms and conditions of the Creative Commons Attribution (CC BY) license (https://creativecommons.org/licenses/by/4.0/).
Share and Cite
Stakhanova, S.V.; Krechetov, I.S.; Shafigullina, K.E.; Lepkova, T.L.; Berestov, V.V.; Statnik, E.S.; Zyryanova, Z.E.; Novikova, E.A.; Korsunsky, A.M. Hierarchically Porous Carbon Cloth–Polyaniline (CC–PANI) Composite Supercapacitor Electrodes with Enhanced Stability. Crystals 2024, 14, 457. https://doi.org/10.3390/cryst14050457
Stakhanova SV, Krechetov IS, Shafigullina KE, Lepkova TL, Berestov VV, Statnik ES, Zyryanova ZE, Novikova EA, Korsunsky AM. Hierarchically Porous Carbon Cloth–Polyaniline (CC–PANI) Composite Supercapacitor Electrodes with Enhanced Stability. Crystals. 2024; 14(5):457. https://doi.org/10.3390/cryst14050457
Chicago/Turabian StyleStakhanova, Svetlana V., Ilya S. Krechetov, Kristina E. Shafigullina, Tatiana L. Lepkova, Valentine V. Berestov, Eugene S. Statnik, Zlatotsveta E. Zyryanova, Elena A. Novikova, and Alexander M. Korsunsky. 2024. "Hierarchically Porous Carbon Cloth–Polyaniline (CC–PANI) Composite Supercapacitor Electrodes with Enhanced Stability" Crystals 14, no. 5: 457. https://doi.org/10.3390/cryst14050457
APA StyleStakhanova, S. V., Krechetov, I. S., Shafigullina, K. E., Lepkova, T. L., Berestov, V. V., Statnik, E. S., Zyryanova, Z. E., Novikova, E. A., & Korsunsky, A. M. (2024). Hierarchically Porous Carbon Cloth–Polyaniline (CC–PANI) Composite Supercapacitor Electrodes with Enhanced Stability. Crystals, 14(5), 457. https://doi.org/10.3390/cryst14050457

