Weldability of Additively Manufactured Powder Bed Fusion 316L Stainless Steel Using Arc and Laser Welding
Abstract
1. Introduction
2. Materials and Methods
2.1. Geometry of the Test Specimens
2.2. Materials
2.3. Welding Experiments
2.4. Analysis Methods
3. Results and Discussion
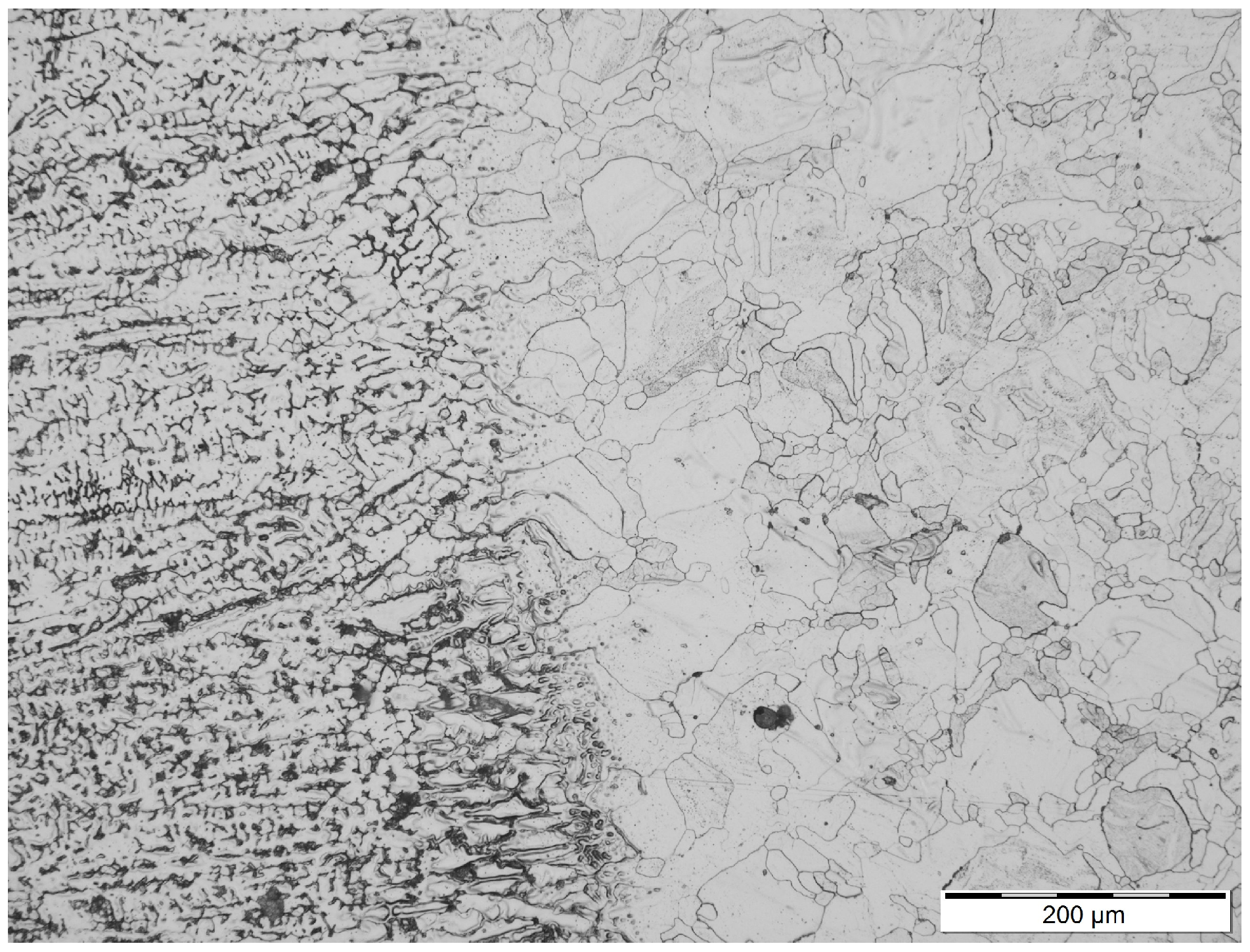
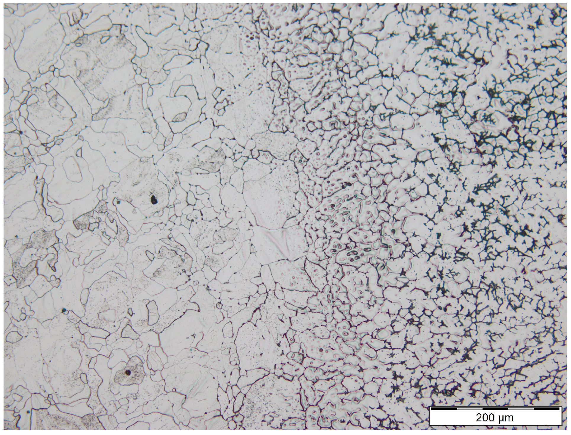
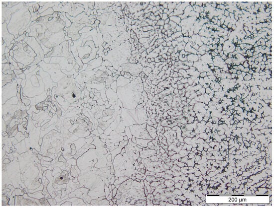
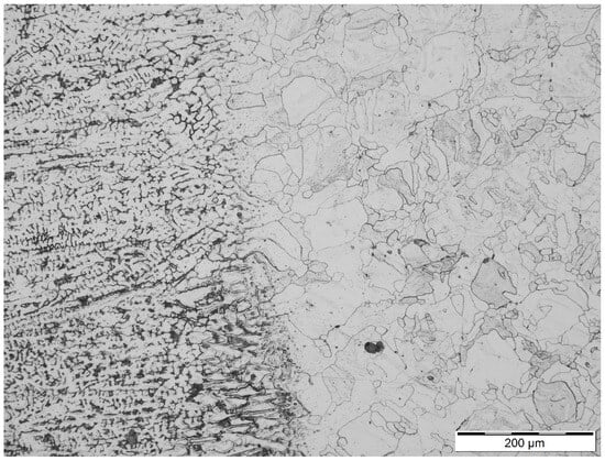
3.1. Metallographic Examination
3.2. Hardness Measurements
3.3. Destructive Testing
4. Conclusions
Author Contributions
Funding
Data Availability Statement
Acknowledgments
Conflicts of Interest
References
- Singhal, T.S.; Jain, J.K.; Kumar, M.; Bhojak, V.; Saxena, K.K.; Buddhi, D.; Prakash, C. A comprehensive comparative review: Welding and additive manufacturing. Int. J. Interact. Des. Manuf. 2023. [Google Scholar] [CrossRef]
- Dejene, N.D.; Lemu, H.G. Current Status and Challenges of Powder Bed Fusion-Based Metal Additive Manufacturing: Literature Review. Metals 2023, 13, 424. [Google Scholar] [CrossRef]
- Priyadarshi, A.; Bin Shahrani, S.; Choma, T.; Zrodowski, L.; Qin, L.; Lun Alex Leung, C.; Clark, S.J.; Fezzaa, K.; Mi, J.; Lee, P.D.; et al. New insights into the mechanism of ultrasonic atomization for the production of metal powders in additive manufacturing. Addit. Manuf. 2024, 83, 104033. [Google Scholar] [CrossRef]
- Zitelli, C.; Folgarait, P.; Di Schino, A. Laser Powder Bed Fusion of Stainless Steel Grades: A Review. Metals 2019, 9, 731. [Google Scholar] [CrossRef]
- Vukkum, V.B.; Gupta, R.K. Review on corrosion performance of laser powder-bed fusion printed 316L stainless steel: Effect of processing parameters, manufacturing defects, post-processing, feedstock, and microstructure. Mater. Des. 2022, 221, 110874. [Google Scholar] [CrossRef]
- Kaščák, Ľ.; Varga, J.; Bidulská, J.; Bidulský, R. Simulation of 316L Stainless Steel Produced the Laser Powder Bed Fusion Process. Materials 2023, 16, 7653. [Google Scholar] [CrossRef] [PubMed]
- Hitzler, L.; Hirsch, J.; Heine, B.; Merkel, M.; Hall, W.; Öchsner, A. On the Anisotropic Mechanical Properties of Selective Laser-Melted Stainless Steel. Materials 2017, 10, 1136. [Google Scholar] [CrossRef] [PubMed]
- Liverani, E.; Toschi, S.; Ceschini, L.; Fortunato, A. Effect of selective laser melting (SLM) process parameters on microstructure and mechanical properties of 316L austenitic stainless steel. J. Mater. Process. Technol. 2017, 249, 255–263. [Google Scholar] [CrossRef]
- Fayazfar, H.; Salarian, M.; Rogalsky, A.; Sarker, D.; Russo, P.; Paserin, V.; Toyserkani, E. A critical review of powder-based additive manufacturing of ferrous alloys: Process parameters, microstructure and mechanical properties. Mater. Des. 2018, 144, 98–128. [Google Scholar] [CrossRef]
- Järvinen, J.-P. Welding of Additively Manuzfactured Stainless Steel Parts: Comparative Study between Sheet Metal and Selective Laser Melted Parts. Master’s Thesis, Lappeenranta University of Technology, School of Technology, Mechanical Engineering, Lappeenranta, Finland, 2014. [Google Scholar]
- Huysmans, S.; Peeters, E.; De Bruycker, E. Weldability study of additive manufactured 316L austenitic stainless steel components—Welding of AM with conventional 316L components. Weld World 2021, 65, 1415–1427. [Google Scholar] [CrossRef]
- Harraz, M.; El-Mahallawy, N.; Abd Elghany, K.; Schleser, M.; Palkowski, H.; Klingner, A. Characterization of 3D Printed Stainless Steel SS316L Powders Joined by TIG-, Plasma and Laser Welding. In Proceedings of the 17th International Conference on Aerospace Sciences & Aviation Technology (ASAT), Cairo, Egypt, 11–13 April 2017. [Google Scholar]
- Matilainen, V.P.; Pekkarinen, J.A. Salminen, Weldability of Additive Manufactured Stainless Steel. Phys. Procedia 2016, 83, 808–817. [Google Scholar] [CrossRef]
- Laitinen, V. Weldability of Powder Bed Fusion Fabricated Stainless Steel 316L Sheets to Cold Rolled Sheet Metal. Master’s Thesis, Lappeenranta University of Technology, Lappeenranta, Finland, 2015. [Google Scholar]
- Ascari, A.; Fortunato, A.; Liverani, E.; Gamberoni, A.; Tomesani, L. New Possibilities in the Fabrication of Hybrid Components with Big Dimensions by Means of Selective Laser Melting (SLM). Phys. Procedia 2016, 83, 839–846. [Google Scholar] [CrossRef]
- Casalino, G.; Campanelli, S.L.; Ludovico, A.D. Laser-arc hybrid welding of wrought to selective laser molten stainless steel. Int. J. Adv. Manuf. Technol. 2013, 68, 209–216. [Google Scholar] [CrossRef]
- Akbari, M.; Kovacevic, R. Joining of elements fabricated by a robotized laser/wire directed energy deposition process by using an autogenous laser welding. Int. J. Adv. Manuf. Technol. 2019, 100, 2971–2980. [Google Scholar] [CrossRef]
- COAMWELD Website. Available online: https://bil-ibs.be/en/project/coamweld-advanced-metal-components-through-optimal-combination-additive-manufacturing-and (accessed on 29 January 2024).
- Ahmed, N.; Barsoum, I.; Haidemenopoulos, G.; Abu Al-Rub, R.K. Process parameter selection and optimization of laser powder bed fusion for 316L stainless steel: A review. J. Manuf. Process 2022, 75, 415–434. [Google Scholar] [CrossRef]
- Available online: https://asm.matweb.com/search/SpecificMaterial.asp?bassnum=mq316q (accessed on 5 March 2024).
- ISO 17639:2022; Destructive Tests on Welds in Metallic Materials—Macroscopic and Microscopic Examination of Welds. International Organization for Standardization: Geneva, Switzerland, 2022.
- ISO 9015-1:2001; Destructive Tests on Welds in Metallic Materials—Hardness Testing—Part 1: Hardness Test on arc Welded Joints. International Organization for Standardization: Geneva, Switzerland, 2001.
- ISO 4136:2022; Destructive Tests on Welds in Metallic Materials—Transverse Tensile Test. International Organization for Standardization: Geneva, Switzerland, 2022.
- ISO 5173:2023; Destructive Tests on Welds in Metallic Materials—Bend Tests. International Organization for Standardization: Geneva, Switzerland, 2023.
- Thijs, L. Microstructure and Texture of Metal Parts Produced by Selective Laser Melting. Ph.D. Dissertation, KU Leuven, Faculty of Engineering Science, Leuven, Belgium, 2014. [Google Scholar]
- Chen, Z.W.; Phan, M.A.L.; Darvish, K. Grain growth during selective laser melting of a Co–Cr–Mo alloy. J. Mater. Sci. 2017, 52, 7415–7427. [Google Scholar] [CrossRef]
- Tillmann, W.; Bültena, J.; Wojarski, L.; Crasmöller, A. Microstructure of conventional/PBF-LB/M 316L stainless steel hybrid joints brazed with nickel-based brazing alloys. Weld. World 2023. [Google Scholar] [CrossRef]
- Omlor, M.; Reinheimer, E.N.; Butzmann, T.; Dilger, K. Investigations on the formation of pores during laser beam welding of hairpin windings using a high-speed x-ray imaging system. J. Laser Appl. 2023, 35, 032010. [Google Scholar] [CrossRef]
- Berger, P.; Hügel, H.; Graf, T. Understanding Pore Formation in Laser Beam Welding. Phys. Procedia 2011, 12, 241–247. [Google Scholar] [CrossRef]
- Bürger, L. Charakterisierung der Oberflächentopographie von Laser Powder Bed Fusion Erzeugten IN718-Proben. Ph.D. Dissertation, Faculty of Mechanical Engineering of the Rhenish-Westphalian Technical Highschool of Aachen, Aachen, Germany, 2020. [Google Scholar]
- Khairallah, S.A.; Anderson, A.T.; Rubenchik, A.; King, W.E. Laser powder-bed fusion additive manufacturing: Physics of complex melt flow and formation mechanisms of pores, spatter, and denudation zones. Acta Mater. 2016, 108, 36–45. [Google Scholar] [CrossRef]
- Dubberstein, T. Beiträge Zu Den Thermophysikalischen Eigenschaften Flüssiger Metallschmelzen; Logos Verlag: Berlin, Germany, 2016; ISBN 9783832594237. [Google Scholar]
- ISO 15614-1:2017; Specification and Qualification of Welding Procedures for Metallic Materials—Welding Procedure Test. Part 1: Arc and Gas Welding of Steels and Arc Welding of Nickel and Nickel Alloys. International Organization for Standardization: Geneva, Switzerland, 2017.
- EN 10088-3:2014; Stainless Steels—Part 3: Technical Delivery Conditions for Semi-Finished Products, Bars, Rods, Wire, Sections and Bright Products of Corrosion Resisting Steels for General Purposes. European Committee for Standardization: Brussels, Belgium, 2014.
















| C (%) | Mn (%) | Si (%) | P (%) | S (%) | Cr (%) | Ni (%) | Mo (%) | N (%) | Fe (%) |
|---|---|---|---|---|---|---|---|---|---|
| 0.005 | 1.4 | 0.8 | <0.045 | <0.03 | 17.0 | 12.7 | 2.5 | <0.1 | bal. |
| Property | PBF-LB 316L 1 | Conventional 316L 1 |
|---|---|---|
| Yield stress (MPa) | 448 | 313 |
| Tensile strength (MPa) | 564 | 593 |
| Elongation at break (%) | 38.2 | 64.3 |
| C (%) | Mn (%) | Si (%) | P (%) | S (%) | Cr (%) | Ni (%) | Mo (%) | N (%) | Cu (%) |
|---|---|---|---|---|---|---|---|---|---|
| 0.024 | 1.130 | 0.310 | 0.026 | 0.001 | 16.64 | 10.080 | 2.070 | 0.044 | 0.360 |
Disclaimer/Publisher’s Note: The statements, opinions and data contained in all publications are solely those of the individual author(s) and contributor(s) and not of MDPI and/or the editor(s). MDPI and/or the editor(s) disclaim responsibility for any injury to people or property resulting from any ideas, methods, instructions or products referred to in the content. |
© 2024 by the authors. Licensee MDPI, Basel, Switzerland. This article is an open access article distributed under the terms and conditions of the Creative Commons Attribution (CC BY) license (https://creativecommons.org/licenses/by/4.0/).
Share and Cite
Faes, K.; Nunes, R.; Probst, F.; Ceuppens, R.; De Waele, W. Weldability of Additively Manufactured Powder Bed Fusion 316L Stainless Steel Using Arc and Laser Welding. Crystals 2024, 14, 303. https://doi.org/10.3390/cryst14040303
Faes K, Nunes R, Probst F, Ceuppens R, De Waele W. Weldability of Additively Manufactured Powder Bed Fusion 316L Stainless Steel Using Arc and Laser Welding. Crystals. 2024; 14(4):303. https://doi.org/10.3390/cryst14040303
Chicago/Turabian StyleFaes, Koen, Rafael Nunes, Florian Probst, Robin Ceuppens, and Wim De Waele. 2024. "Weldability of Additively Manufactured Powder Bed Fusion 316L Stainless Steel Using Arc and Laser Welding" Crystals 14, no. 4: 303. https://doi.org/10.3390/cryst14040303
APA StyleFaes, K., Nunes, R., Probst, F., Ceuppens, R., & De Waele, W. (2024). Weldability of Additively Manufactured Powder Bed Fusion 316L Stainless Steel Using Arc and Laser Welding. Crystals, 14(4), 303. https://doi.org/10.3390/cryst14040303

