Effect of Sulfurization Temperature on Properties of Cu2ZnSnS4 Thin Films and Diffusion of Ti Substrate Elements
Abstract
1. Introduction
2. Experiments
2.1. Materials
2.2. Preparation of CZTS/Ti Metal–Semiconductor Junction
2.3. Characterization
3. Results and Discussion
3.1. Influence of Sulfurization Temperature on the Microstructure of CZTS Thin Films
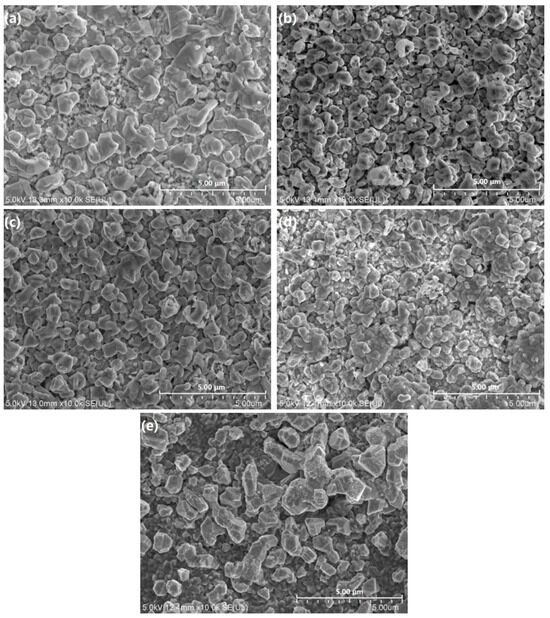
3.2. Effect of Sulfurization Temperature on the Morphology of CZTS Thin Films and CZTS/Ti Interface
3.3. Effect of Sulfurization Temperature on the Composition of CZTS Thin Film Samples
3.4. Effect of Sulfurization Temperature on the I–V Characteristics of CZTS/Ti Structures
4. Conclusions
Author Contributions
Funding
Data Availability Statement
Conflicts of Interest
References
- He, M.R.; Sun, K.W.; Suryawanshi, M.P.; Li, J.J.; Hao, X.J. Interface engineering of p-n heterojunction for kesterite photovoltaics: A progress review. J. Energy Chem. 2021, 60, 1–8. [Google Scholar] [CrossRef]
- Kondrotas, R.; Chen, C.; Sb, J. Sb2S3 solar cells. Joule 2018, 2, 857–878. [Google Scholar] [CrossRef]
- Allen, T.G.; Bullock, J.; Jeangros, Q.; Samundsett, C.; Wan, Y.M.; Cui, J.; Hessler-Wyser, A.; Dewolf, S.; Javey, A.; Cuevas, A. A low resistance calcium/reduced titania passivated contact for high efficiency crystalline silicon solar cells. Adv. Energy Mater. 2017, 7, 1602606. [Google Scholar] [CrossRef]
- Freitag, M.; Teuscher, J.; Saygili, Y.; Zhang, X.; Giordano, F.; Liska, P.; Hua, J.; Zakeeruddin, S.M.; Moser, J.E.; Gratzel, M.; et al. Dye-sensitized solar cells for efficient power generation under ambient lighting. Nat. Photonics 2017, 11, 372–379. [Google Scholar] [CrossRef]
- Freitag, M.; Giordano, F.; Yang, W.X.; Pazoki, M.; Hao, Y.; Zietz, B.; Gratzel, M.; Hagfeldt, A.; Boschloo, G. Copper Phenanthroline as a Fast and high-performance redox mediator for dye-sensitized solar cells. J. Phys. Chem. C 2016, 120, 9595–9603. [Google Scholar] [CrossRef]
- Chen, H.L.; Kou, D.X.; Chang, Z.X.; Zhou, W.H.; Zhou, Z.J.; Wu, S.X. Effect of crystallization of Cu2ZnSnSxSe4-x counter electrode on the performance for efficient dye-sensitized solar cells. ACS Appl. Mater. Interfaces 2014, 6, 20664–20669. [Google Scholar] [CrossRef] [PubMed]
- Lin, J.H.; Xu, J.X.; Yang, Y.Z. Study of interface properties between Cu2ZnSnS4 thin films and metal substrates. Ceram. Int. 2019, 46, 218–226. [Google Scholar] [CrossRef]
- Buldu, D.G.; Cantas, A.; Turkoglu, F.; Akca, F.G.; Meric, E.; Ozdemir, M.; Tarhan, E.; Ozyuzer, L.; Aygun, G. Influence of sulfurization temperature on Cu2ZnSnS4 absorber layer on flexible titanium substrates for thin film solar cells. Phys. Scr. 2018, 93, 024002. [Google Scholar] [CrossRef]
- Yazici, S.; Olgar, M.A.; Akca, F.G.; Cantas, A.; Kurt, M.; Aygun, G.; Tarhan, E.; Yanmaz, E.; Ozyuzer, L. Growth of Cu2ZnSnS4 absorber layer on flexible metallic substrates for thin film solar cell applications. Thin Solid Films 2015, 589, 563–573. [Google Scholar] [CrossRef]
- Guo, H.F.; Ma, C.H.; Zhang, K.Z.; Jia, X.G.; Wang, X.Q.; Yuan, N.Y.; Ding, J.N. Dual function of ultrathin Ti intermediate layers in CZTS solar cells: Sulfur blocking and charge enhancement. Sol. Energy Mater. Sol. Cells 2018, 175, 20–28. [Google Scholar] [CrossRef]
- Wei, Z.F.; Dunlop, T.O.; Heard, P.J.; Charbonneau, C.; Worsley, D.A.; Watson, T. Successes and challenges associated with solution processing of kesterite Cu2ZnSnS4 solar cells on Titanium substrates. ACS Appl. Energy Mater. 2020, 3, 3876–3883. [Google Scholar] [CrossRef]
- Xu, W.; Shang, S.; Zhou, B.; Wang, Y.; Chen, L.; Wang, C.; Liu, X.; Liu, Z. A first-principles study of the diffusion coefficients of alloying elements in dilute α-Ti alloys. Phys. Chem. Chem. Phys. 2016, 18, 16870–16881. [Google Scholar] [CrossRef] [PubMed]
- Jensen, F. Activation energies and the arrhenius equation. Qual. Reliab. Eng. Int. 1985, 1, 13–17. [Google Scholar] [CrossRef]
- Bialon, A.F.; Hammerschmidt, T.; Drautz, R. Ab initio study of boron in α-iron: Migration barriers and interaction with point defects. Phys. Rev. B 2013, 87, 104109. [Google Scholar] [CrossRef]
- Lin, J.H.; Wu, X.S.; Xu, J.X.; Yang, Y.Z. Inhibiting the formation of MoS2 between Cu2ZnSnS4 thin film and Mo (211) foil substrate by inserting a Mo (110) intermediate layer. Opt. Mater. 2022, 124, 111996. [Google Scholar] [CrossRef]
- Khatter, J.; Chauhan, R.P. Visible light-motivated photo-catalytic activity of CdS-Cu9S5 heterostructure for degradation of methylene blue. Appl. Nanosci. 2022, 12, 1683–1696. [Google Scholar] [CrossRef]
- Rana, T.R.; Kim, S.; Kim, J. Existence of multiple phases and defect states of SnS absorber and its detrimental effect on efficiency of SnS solar cell. Curr. Appl. Phys. 2018, 18, 663–666. [Google Scholar] [CrossRef]
- Chen, G.L.; Wang, W.H.; Zhang, J.; Chen, S.Y.; Huang, Z.G. Formation mechanism of secondary phases in Cu2ZnSnS4 growth under different copper content. Mater. Lett. 2017, 186, 98–101. [Google Scholar] [CrossRef]
- Awadallah, O.; Cheng, Z. Study of the fundamental phase formation mechanism of sol-gel sulfurized Cu2ZnSnS4 thin films using in situ Raman spectroscopy. Sol. Energy Mater. Sol. Cells 2018, 176, 222–229. [Google Scholar] [CrossRef]
- Cao, M.; Yao, K.F.; Wu, C.S.; Huang, J.; Yang, W.G.; Zhang, L.; Lei, F.; Sun, Y.; Wang, L.J.; Shen, Y. Facile synthesis of SnS and SnS2 nanosheets for FTO/SnS/SnS2/Pt photocathode. ACS Appl. Energy Mater. 2019, 1, 6497–6504. [Google Scholar] [CrossRef]





| Samples | a (nm) | c (nm) |
|---|---|---|
| 400 °C | 0.55206 | 1.084 |
| 450 °C | 0.53936 | 1.0774 |
| 500 °C | 0.54892 | 1.0795 |
| 550 °C | 0.55124 | 1.081 |
| 600 °C | 0.53896 | 1.0772 |
| CZTS | 400 °C | 450 °C | 500 °C | 550 °C | 600 °C |
|---|---|---|---|---|---|
| Cu (at.%) | 23.38 | 15.07 | 23.54 | 20.83 | 13.07 |
| Zn (at.%) | 15.62 | 6.43 | 8.16 | 15.37 | 6.23 |
| Sn (at.%) | 17.76 | 5.26 | 9.02 | 13.62 | 5.62 |
| S (at.%) | 43.03 | 43.23 | 48.96 | 45.15 | 45.06 |
| Ti (at.%) | 0.21 | 30.01 | 10.32 | 5.03 | 30.02 |
| Cu/(Zn + Sn) | 0.70 | 1.29 | 1.37 | 0.72 | 1.10 |
| Zn/Sn | 0.88 | 1.22 | 0.90 | 1.13 | 1.11 |
| S/(Cu + Zn + Sn) | 0.76 | 1.61 | 1.20 | 0.91 | 1.81 |
Disclaimer/Publisher’s Note: The statements, opinions and data contained in all publications are solely those of the individual author(s) and contributor(s) and not of MDPI and/or the editor(s). MDPI and/or the editor(s) disclaim responsibility for any injury to people or property resulting from any ideas, methods, instructions or products referred to in the content. |
© 2024 by the authors. Licensee MDPI, Basel, Switzerland. This article is an open access article distributed under the terms and conditions of the Creative Commons Attribution (CC BY) license (https://creativecommons.org/licenses/by/4.0/).
Share and Cite
Huang, M.; Lin, J.; Liang, Z.; Chen, S.; Zhong, Y.; Wang, F.; Chen, B.; Zhang, D. Effect of Sulfurization Temperature on Properties of Cu2ZnSnS4 Thin Films and Diffusion of Ti Substrate Elements. Crystals 2024, 14, 910. https://doi.org/10.3390/cryst14100910
Huang M, Lin J, Liang Z, Chen S, Zhong Y, Wang F, Chen B, Zhang D. Effect of Sulfurization Temperature on Properties of Cu2ZnSnS4 Thin Films and Diffusion of Ti Substrate Elements. Crystals. 2024; 14(10):910. https://doi.org/10.3390/cryst14100910
Chicago/Turabian StyleHuang, Meihong, Junhui Lin, Zhiyong Liang, Shaowei Chen, Yuling Zhong, Feng Wang, Bixian Chen, and Dongxia Zhang. 2024. "Effect of Sulfurization Temperature on Properties of Cu2ZnSnS4 Thin Films and Diffusion of Ti Substrate Elements" Crystals 14, no. 10: 910. https://doi.org/10.3390/cryst14100910
APA StyleHuang, M., Lin, J., Liang, Z., Chen, S., Zhong, Y., Wang, F., Chen, B., & Zhang, D. (2024). Effect of Sulfurization Temperature on Properties of Cu2ZnSnS4 Thin Films and Diffusion of Ti Substrate Elements. Crystals, 14(10), 910. https://doi.org/10.3390/cryst14100910
