Investigation of the Microstructure and Mechanical Properties in Friction Stir Welded Dissimilar Aluminium Alloy Joints via Sampling Direction
Abstract
1. Introduction
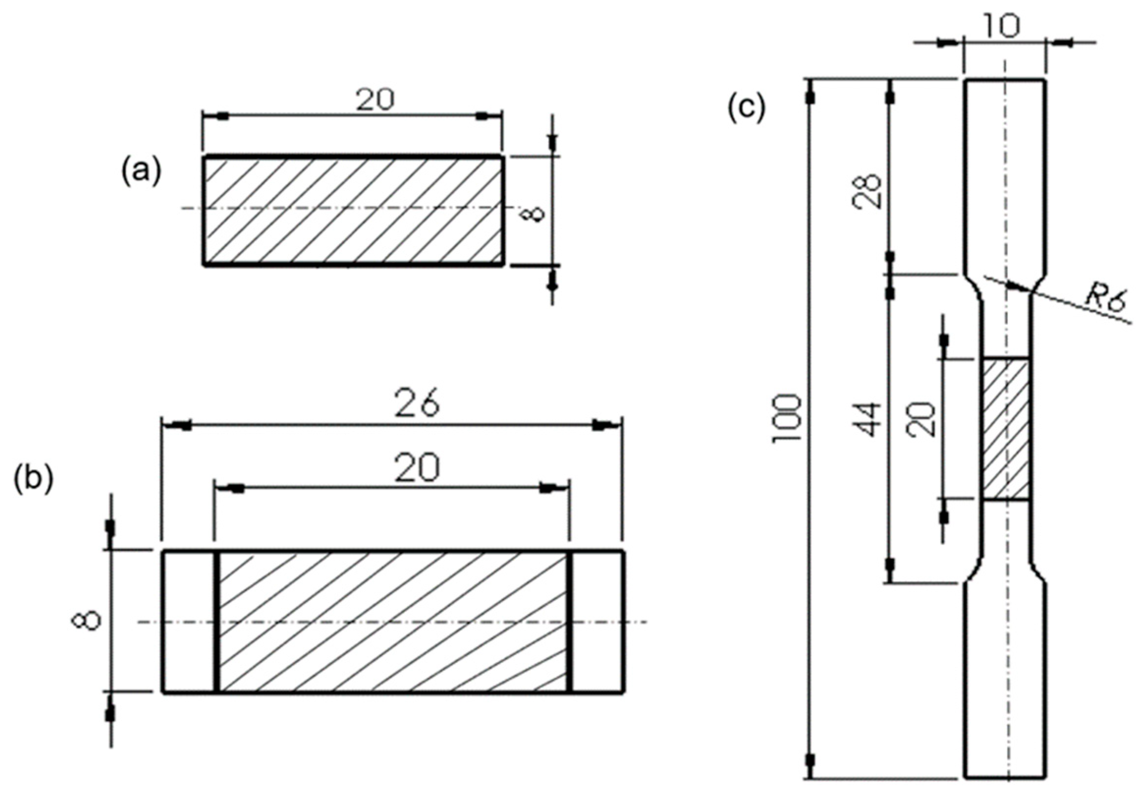
2. Materials and Methods
| Mg | Zn | Ti | Cr | Si | Mn | Fe | Ni | Cu | Al | |
|---|---|---|---|---|---|---|---|---|---|---|
| AA6082-T651 | 1.23 | 0.51 | 0.04 | 0.00 | 1.24 | 0.38 | 0.72 | 0.11 | 0.03 | Balance |
| AA8011-H14 | 0.55 | 0.63 | 0.03 | 0.03 | 0.38 | 0.76 | 1.33 | 0.12 | 0.06 | Balance |
| Property | Material | |
|---|---|---|
| AA6082-T651 | AA8011-H14 | |
| Yield strength (MPa) | 270 | 76 |
| Tensile strength (MPa) | 307.5 | 94.1 |
| Elongation (%) | 26.22 | 40.17 |
| Hardness (HV) | 90 | 34 |
| Material | Pin Length (mm) | Pin Diameter (mm) | Tilt Angle (°) | Shoulder Diameter (mm) | Shoulder Length (mm) | Traverse Speed (mm/min) | Rotational Speed (rpm) |
|---|---|---|---|---|---|---|---|
| High-speed steel | 5.7 | 7 | 2 | 20 | 15 | 60 | 1100 |
3. Results and Discussion
4. Conclusions
Author Contributions
Funding
Data Availability Statement
Acknowledgments
Conflicts of Interest
References
- Mishra, R.S.; De, P.S.; Kumar, N. Friction Stir Welding and Processing; Springer: Berlin, Germany, 2014; pp. 259–296. [Google Scholar]
- Mishra, R.S.; Ma, Z.Y. Friction stir welding and processing. Mater. Sci. Eng. R Rep. 2005, 50, 1–78. [Google Scholar] [CrossRef]
- Zhang, Y.N.; Cao, X.; Larose, S.; Wanjara, P. Review of tools for friction stir welding and processing. Canad. Metall. Q. 2012, 51, 250–261. [Google Scholar] [CrossRef]
- Varunraj, S.; Ruban, M. Investigation of the microstructure and mechanical properties of AA6063 and AA7075 dissimilar aluminium alloys by friction stir welding process. Mater. Today Proc. 2022, 68, 1654–1657. [Google Scholar] [CrossRef]
- Gowthaman, P.S.; Saravanan, B.A. Determination of weldability study on mechanical properties of dissimilar Al-alloys using friction stir welding process. Mater. Today Proc. 2021, 44, 206–212. [Google Scholar] [CrossRef]
- Kailainathan, S.; Sundaram, S.K.; Nijanthan, K. Influence of friction stir welding parameter on mechanical properties in dissimilar aluminium alloys. Int. J. Innov. Res. Sci. Eng. Technol. 2014, 3, 15691–15695. [Google Scholar] [CrossRef]
- Guo, J.F.; Chen, H.C.; Sun, C.N.; Bi, G.; Sun, Z.; Wei, J. Friction stir welding of dissimilar materials between AA6061 and AA7075 Al alloys effects of process parameters. Mater. Des. 2014, 56, 185–192. [Google Scholar] [CrossRef]
- Khanna, N.; Sharma, P.; Bharati, M.; Badheka, V. Friction stir welding of dissimilar aluminium alloys AA 6061-T6 and AA 8011-h14: A novel study. J. Braz. Soc. Mech. Sci. Eng. 2020, 42, 7. [Google Scholar] [CrossRef]
- Karimi, N.; Nourouzi, S.; Shakeri, M.; Habibnia, M.; Dehghani, A. Effect of tool material and offset on friction stir welding of Al alloy to carbon steel. Adv. Mater. Res. 2012, 445, 747–752. [Google Scholar]
- Palani, K.; Elanchezhian, C.; Avinash, K.; Karthik, C.; Chaitanya, K.; Sivanur, K.; Reddy, K.Y. Influence of friction stir processing parameters on tensile properties and microstructure of dissimilar AA 8011-h24 and AA 6061-t6 aluminum alloy joints in nugget zone. IOP Conf. Ser. 2018, 390, 012108. [Google Scholar] [CrossRef]
- Cole, E.G.; Fehrenbacher, A.; Duffie, N.A.; Zinn, M.R.; Pfefferkorn, F.E.; Ferrier, N.J. Weld temperature effects during friction stir welding of dissimilar aluminum alloys 6061-T6 and 7075-T6. Int. J. Adv. Manuf. Technol. 2014, 71, 643–652. [Google Scholar] [CrossRef]
- Rani, N.; Bishnoi, R.N.; Mahendru, A. Effect of tool pin profile on mechanical properties of single pass and double pass friction stir welded aluminium alloys AA6061 & AA8011. Int. J. Curr. Eng. Technol. 2015, 5, 3780–3783. [Google Scholar]
- Segaetsho, M.O.M.; Msomi, V.; Moni, V. A comparative analysis between the transverse and longitudinal samples of the FSW AA5083/AA6082 Joints. Key Eng. Mater. 2023, 944, 3–12. [Google Scholar] [CrossRef]
- Garg, A.; Raturi, M.; Bhattacharya, A. Experimental and finite element analysis of progressive failure in friction stir welded AA6061-AA7075 joints. Procedia Struct. Integr. 2019, 17, 456–463. [Google Scholar] [CrossRef]
- Omar, S.S.; Hengan, O.U.; Xingguo, W.; Sun, W. Microstructure and mechanical properties of friction stir welded AA6092/SiC metal matrix composite. Mater. Sci. Eng. A 2019, 742, 78–88. [Google Scholar]
- Msomi, V.; Mabuwa, S. Optimization of Normal and Submerged FSP Parameters for dissimilar aluminium joints using Taguchi technique. MSF 2023, 1034, 207–218. [Google Scholar]
- Msomi, V.; Mabuwa, S.; Merdji, A.; Muribwathoho, O.; Motshwanedi, S.S. Microstructural and mechanical properties of submerged multi-pass friction stir processed AA6082/AA8011 TIG-welded joint. Mater. Today Proc. 2021, 45, 5702–5705. [Google Scholar] [CrossRef]
- Mabuwa, S.; Msomi, V. The impact of submerged friction stir processing on the friction stir welded dissimilar joints. Mater. Res. Express 2020, 7, 096513. [Google Scholar] [CrossRef]
- ASTM International. Standard Test Methods for Determining Average Grain Size (ASTM E112-12). 2012, pp. 1–27. Available online: https://www.astm.org/Standards/E112.htm (accessed on 28 June 2023).
- ASTM International. Standard Test Methods for Tension Testing of Metallic Materials (ASTM E8M-04). 2004, pp. 1–24. Available online: https://www.astm.org/Standards/E8M.htm (accessed on 28 June 2023).
- ASTM International. Standard Test Method for Microindentation Hardness of Materials (ASTM E384-11). 2011, pp. 1–24. Available online: https://www.astm.org/Standards/E384.htm (accessed on 28 June 2023).
- Balakrishnan, M.; Dinaharan, I.; Palanivel, R.; Sathiskumar, R. Effect of friction stir processing on microstructure and tensile behavior of AA6061/Al3Fe cast aluminum matrix composites. J. Alloys Comp. 2019, 785, 531–541. [Google Scholar]
- Mvola, B.; Kah, P.; Martikainen, J. Welding of dissimilar non-ferrous metals by GMAW processes. Int. J. Mech. Mater. Eng. 2014, 9, 1–11. [Google Scholar] [CrossRef]
- Tan, L.; Katoh, Y.; Tavassoli, A.A.F.; Henry, J.; Rieth, M.; Sakasegawa, H.; Tanigawa, H.; Huang, Q. Recent status and improvement of reduced-activation ferritic martensitic steels for high-temperature service. J. Nucl. Mater. 2016, 479, 515–523. [Google Scholar] [CrossRef]
- Chen, H.B.; Yan, K.; Lin, T.; Chen, S.B.; Jiang, C.Y.; Zhao, Y. The investigation of typical welding defects for 5456 aluminum alloy friction stir welds. Mater. Sci. Eng. A 2006, 433, 64–69. [Google Scholar] [CrossRef]
- Palani, K.; Elanchezhian, C.; Vijaya Ramnath, B.; Bhaskar, G.B.; Naveen, E. Effect of pin profile and rotational speed on microstructure and tensile strength of dissimilar AA8011, AA01-T6 friction stir welded aluminum alloys. Mater. Today Proc. 2018, 5, 24515–24524. [Google Scholar] [CrossRef]
- Mehdi, H.; Mishra, R.S. Effect of friction stir processing on mechanical properties and wear resistance of tungsten inert gas welded joint of dissimilar aluminum alloys. J. Mater. Eng. Perform. 2021, 30, 1926–1937. [Google Scholar] [CrossRef]
- Mohammadzadeh, H.J.; Farahani, H.; Besharati, M.K.G.; Aghaei, M.V. Study on the effects of friction stir welding process parameters on the microstructure and mechanical properties of 5086-H34 aluminum welded joints. Int. J. Adv. Manuf. Technol. 2016, 83, 611–621. [Google Scholar] [CrossRef]
- Agha Amini Fashami, H.; Bani Mostafa Arab, N.; Hoseinpour Gollo, M. Numerical and experimental investigation of defects formation during friction stir processing on AZ91. SN Appl. Sci. 2021, 3, 108. [Google Scholar] [CrossRef]
- Khan, N.Z.; Siddiquee, A.N.; Khan, Z.A.; Shihab, S.K. Investigations on tunneling and kissing bond defects in FSW joints for dissimilar aluminum alloys. J. Alloys Compd. 2015, 648, 360–367. [Google Scholar] [CrossRef]
- Mabuwa, S.; Msomi, V. The impact of material positioning towards the friction stir welded dissimilar aluminium alloy joints. Recent Pat. Mech. Eng. 2020, 14, 252–259. [Google Scholar]
- Mabuwa, S.; Msomi, V.; Mehdi, H.; Ngonda, T. A study on the metallurgical characterization of the longitudinally sampled friction stir processed TIG welded dissimilar aluminum joints. Proc. Inst. Mech. Eng. Part E J. Process Mech. Eng. 2023, 09544089231169589. [Google Scholar] [CrossRef]
- Das, J.; Robi, P.S.; Sankar, M.R. Assessment of parameters windows and tool pin profile on mechanical property and microstructural morphology of FSWed AA2014 joints. SN Appl. Sci. 2020, 2, 1–15. [Google Scholar] [CrossRef]
- Segaetsho, M.O.M.; Msomi, V.; Moni, V. Traverse and longitudinal analysis of AA5083/AA6082 dissimilar joint. Eng. Res. Express 2023, 5, 035004. [Google Scholar] [CrossRef]
- He, Z.; Peng, Y.; Yin, Z.; Lei, X. Comparison of FSW and TIG welded joints in Al–Mg–Mn–Sc–Zr alloy plates. Trans. Nonferr. Met. Soc. China 2011, 21, 1685–1691. [Google Scholar] [CrossRef]
- Peng, G.; Yan, Q.; Hu, J.; Chen, P.; Chen, Z.; Zhang, T. Effect of forced air cooling on the microstructures, tensile strength, and hardness distribution of dissimilar friction stir welded AA5A06-AA6061 joints. Metals 2019, 9, 304. [Google Scholar] [CrossRef]
- Farhang, M.; Farahani, M.; Nazari, M.; Sam Daliri, O. Experimental correlation between microstructure, residual stresses and mechanical properties of friction stir welded 2024-T6 aluminum alloys. Int. J. Adv. Manuf. Technol. 2022, 15, 1–9. [Google Scholar]
- Farhang, M.; Sam-Daliri, O.; Farahani, M.; Vatani, A. Effect of friction stir welding parameters on the residual stress distribution of Al-2024-T6 alloy. J. Mech. Eng. Sci. 2021, 15, 7684–7694. [Google Scholar] [CrossRef]
- Zhao, H.J.; Wang, B.Y.; Liu, G.; Yang, L.; Xiao, W.C. Effect of vacuum annealing on microstructure and mechanical properties of TA15 titanium alloy sheets. Trans. Nonferr. Met. Soc. China 2015, 25, 1881–1888. [Google Scholar] [CrossRef]
- Dragatogiannis, D.A.; Koumoulos, E.P.; Kartsonakis, I.; Pantelis, D.I.; Karakizis, P.N.; Charitidis, C.A. Dissimilar friction stir welding between 5083 and 6082 Al alloys reinforced with TiC nanoparticles. Mater. Manuf. Process. 2016, 31, 2101–2114. [Google Scholar] [CrossRef]
- Msomi, V.; Moni, V. The influence of materials positioning on microstructure and mechanical properties of friction stir welded AA5083/AA6082 dissimilar joint. Adv. Mater. Process. Technol. 2021, 8, 2087–2101. [Google Scholar] [CrossRef]
- Pouraliakbar, H.; Beygi, R.; Fallah, V.; Monazzah, A.H.; Jandaghi, M.R.; Khalaj, G.; Da Silva, L.F.M.; Pavese, M. Processing of Al-Cu-Mg alloy by FSSP: Parametric analysis and the effect of cooling environment on microstructure evolution. Mater. Lett. 2022, 308, 131157. [Google Scholar] [CrossRef]
- Ravikumar, S.; Seshagiri-Rao, V.; Pranesh, R.V. Effect of welding parameters on macro and microstructure of friction stir welded butt joints between AA7075-T651 and AA6061-T651 alloys. Proc. Mater. Sci. 2014, 5, 1725–1735. [Google Scholar]
- Li, K.; Liu, X.; Zhao, Y. Research status and prospect of friction stir processing technology. Coatings 2019, 9, 129. [Google Scholar] [CrossRef]








| Weld Joint | Ultimate Tensile Strength (MPa) | Tensile Strain at UTS (%) | Tensile Strain at Breakpoint (%) | Position of Fracture |
|---|---|---|---|---|
| FSW Trans | 88.53 | 14.89 | 27.49 | SZ |
| FSW Long | 129 | 27.38 | 35.23 | SZ |
Disclaimer/Publisher’s Note: The statements, opinions and data contained in all publications are solely those of the individual author(s) and contributor(s) and not of MDPI and/or the editor(s). MDPI and/or the editor(s) disclaim responsibility for any injury to people or property resulting from any ideas, methods, instructions or products referred to in the content. |
© 2023 by the authors. Licensee MDPI, Basel, Switzerland. This article is an open access article distributed under the terms and conditions of the Creative Commons Attribution (CC BY) license (https://creativecommons.org/licenses/by/4.0/).
Share and Cite
Mabuwa, S.; Msomi, V. Investigation of the Microstructure and Mechanical Properties in Friction Stir Welded Dissimilar Aluminium Alloy Joints via Sampling Direction. Crystals 2023, 13, 1108. https://doi.org/10.3390/cryst13071108
Mabuwa S, Msomi V. Investigation of the Microstructure and Mechanical Properties in Friction Stir Welded Dissimilar Aluminium Alloy Joints via Sampling Direction. Crystals. 2023; 13(7):1108. https://doi.org/10.3390/cryst13071108
Chicago/Turabian StyleMabuwa, Sipokazi, and Velaphi Msomi. 2023. "Investigation of the Microstructure and Mechanical Properties in Friction Stir Welded Dissimilar Aluminium Alloy Joints via Sampling Direction" Crystals 13, no. 7: 1108. https://doi.org/10.3390/cryst13071108
APA StyleMabuwa, S., & Msomi, V. (2023). Investigation of the Microstructure and Mechanical Properties in Friction Stir Welded Dissimilar Aluminium Alloy Joints via Sampling Direction. Crystals, 13(7), 1108. https://doi.org/10.3390/cryst13071108

