Next Article in Journal
Schiff Base Derivatives in Zinc(II) and Cadmium(II) Complexation with the closo-Dodecaborate Anion
Previous Article in Journal
Effects of Stress State, Crack—γ/γ′ Phase Interface Relative Locations and Orientations on the Deformation and Crack Propagation Behaviors of the Ni-Based Superalloy—A Molecular Dynamics Study
Previous Article in Special Issue
Microstructure and Mechanical Property Evolution of Robotic Friction Stir-Welded Al–Li Alloys
 
 
Font Type:
Arial Georgia Verdana
Font Size:
Aa Aa Aa
Line Spacing:
Column Width:
Background:
Article

Evaluation of Laser Lap Weldability between the Titanium Alloy Ti-6Al-4V and Aluminum Alloy 6060-T6

by
Fábio A. O. Fernandes
1,2,*,
José J. M. Gonçalves
1 and
António B. Pereira
1,2,*
1
TEMA—Centre for Mechanical Technology and Automation, Department of Mechanical Engineering, University of Aveiro, Campus de Santiago, 3810-193 Aveiro, Portugal
2
LASI—Intelligent Systems Associate Laboratory, 4800-058 Guimarães, Portugal
*
Authors to whom correspondence should be addressed.
Crystals 2023, 13(10), 1448; https://doi.org/10.3390/cryst13101448
Submission received: 5 September 2023 / Revised: 27 September 2023 / Accepted: 28 September 2023 / Published: 29 September 2023
(This article belongs to the Special Issue Microstructure and Mechanical Properties of Metals Welding Joints)

Abstract

:
This work investigates laser weldability between non-ferrous dissimilar metallic materials, specifically the aluminum 6060-T6 alloy and titanium Ti-6Al-4V. These materials are used in several engineering applications, including aerospace. In a simple lap joint configuration, these were welded with a pulsed Nd:YAG laser, with direct incidence on the titanium piece. Preheating and post-weld heating were introduced to mitigate cracking issues. Based on the primary experiments, the main variables were the peak laser power, which varied between 60 and 70%, and the number of beads (a single bead and double beads). The quality of the welds was assessed via uniaxial tensile tests, subjecting the joint to shear loading. Additionally, SEM micrographs were obtained to analyze the quality of the fusion between the dissimilar alloys. The higher strength of the welded samples achieved was 90 MPa, which is close to the reported value for the aluminum base material. A fracture occurred near the weld bead in the heat-affected zone (HAZ). The observed microporosities and cracks explain the lower value as compared to the base material. Although these were mitigated through the thermal cycle strategy employed and the shielding gas, they were not entirely avoided.

1. Introduction

The welding of dissimilar metal alloys has become a critical process in many industries. Current research on dissimilar joining is a hot topic, with researchers searching for combinations of materials that make it possible to have stronger joints and lighter structures. Titanium and aluminum alloys applications are growing, particularly in the automotive and aerospace industries [1,2]. Aluminum’s and titanium’s physical and mechanical properties make them attractive for manufacturing lightweight vehicle structures, which are vital in achieving fuel savings, reducing pollution, or even improving the crashworthiness of vehicles [3,4]. Therefore, the synergetic joining of these two materials is highly attractive for demanding applications and industries such as aerospace.
Aluminum has an excellent corrosion resistance and weighs approximately a third the weight of steel. On the other hand, titanium combines a low density with a high mechanical strength. Joining both would make it possible to aim for strength, a high-temperature performance, and toughness combined with the characteristics of aluminum, including a low density, good formability, and high-cost effectiveness, as well as, in both cases, a good corrosion resistance [5]. This is very attractive for high-performance applications, such as the manufacturing of large aircraft wings and aerospace pipeline systems [6].
Laser welding is a fast and precise joining process that is quite attractive for industrial applications due to its economic advantages and, in particular, its automation potential for mass production [7]. The most widely used welding processes for bonding titanium and its alloys are gas tungsten arc welding, gas metal arc welding, plasma-arc welding, laser welding, and electron-beam welding [8]. Compared to gas tungsten arc welding or plasma-arc welding, laser welding increases the penetration depth and potentially reduces the number of welding defects and the heat-affected zone (HAZ) by making it possible to generate a keyhole [8,9,10]. Also, laser welding is reported to cause less distortions [11,12].
However, the weldability of dissimilar materials largely depends on metallurgical compatibility and the materials’ thermophysical and thermochemical properties [13,14]. Welding dissimilar non-ferrous metal alloys may involve constraints, since very fragile intermetallic compounds (IMCs) form. Aluminum–titanium joining may form extremely fragile IMCs such as Ti3Al, TiAl, and TiAl3. These hinder joint strength, leading to fractures and limiting the possibilities of applying Al-Ti welded structures and developing high-performance structures/composites. For this reason, developing Al-Ti welded structures is a prominent research area [5].
Additionally, focusing solely on the fusion welding of aluminum, it is usually characterized by the formation of porosities due to dissolved hydrogen, which negatively affects the joint strength [15,16]. In addition, laser welding is characterized by high cooling rates, an issue for weld degassing, generating microporosities [17,18], which can also be formed through the vaporization of alloying elements [19]. Oliveira et al. [18], in a study of the double-sided laser welding of dissimilar Al T-joints, concluded that porosities are more frequent in the second weld seam than in the first one.
The high thermal expansion coefficient of Al and its high hydrogen solubility (molten state) lead to associated fusion weld defects [20]. Porosity can negatively influence mechanical properties, as is common in high melting/cooling processing methods, such as laser welding [21,22]. Different post-weld heat treatments (PWHT) have been investigated to improve the mechanical performance of welded joints [23]. Chakraborty et al. [24] studied the hydrogen-assisted cracking susceptibility of a modified 9Cr–1Mo steel weld with different preheating conditions and a combination of pre- and post-heating conditions, concluding that a combination of pre- and post-heating at 200 °C reduced the residual stress and cracking susceptibility (reduced diffusible hydrogen). Kose et al. [25] investigated the effects of preheat treatment and PWHT on stainless steel’s mechanical properties and microstructure. They determined that preheating and PWHT sufficiently improved the mechanical properties of the welds. Pratinko et al. [26] studied the effect of preheating and PWHT on aluminum, concluding that the welded joint with a preheat treatment of 120 °C and PWHT of 260 °C had the greatest ultimate tensile strength and yield strength. Overall, well-defined preheating and PWHT can improve welded joints’ mechanical and morphological properties.
Few studies focusing on the laser welding of Ti-Al have been found in the literature. Vaidya et al. [27] welded the AA6056 alloy and titanium alloy Ti6Al4V without a filler material and in a U-slot configuration with direct laser incidence on the Al surface. Joining was achieved, but the TiAl3 formation at the weld interface negatively affected the mechanical properties. Nevertheless, by chamfering the Ti6Al4V, the microstructure of the joint was refined, achieving a higher hardness and strength.
Zhang et al. [28] used a synchronous welding–brazing method to analyze the formation mechanism of IMCs under dual laser inputs. The results indicated that when the laser power on both sides was the same, a good brazing joint with uniform, serrated IMCs along the Ti/Al interface could be obtained, with the highest bonding strength of the aluminum alloy base material reaching 71%.
Zhou et al. [29] carried out laser welding–brazing on 1.5 mm thick plates of an aluminum alloy 5A06 and Ti-6Al-4V alloy in a butt joint. The joint’s tensile strength was influenced by the thickness and type of IMC, the spreading ability of the liquid Al, and the fracture area at the Ti/fusion zone interface. The maximum tensile strength of the joint was equivalent to 83% of the tensile strength of the base Al alloy.
More recently, Zhao et al. [30] used a pulsed laser to pre-treat the end face of a Ti–6Al–4V alloy and found that it can significantly improve the strength of Ti-Al welded joints. The Ti–6Al–4V alloy end face had a greater roughness and more pits, promoting a larger contact area for the Ti–Al interface and a direct enhancement effect.
Thus, the main goal of this work was to study the weldability of AA6060-T6 with the Ti-6Al-4V alloy through pulsed laser welding, contributing to our knowledge of the laser welding of these dissimilar metals. To the authors’ best knowledge, the laser welding of these specific alloys has never previously been reported.
Lap joints were welded with a pulsed Nd:YAG laser irradiating directly onto the titanium. Preheating and post-weld heating were introduced to mitigate cracking issues. The main variables were the laser power and the number of beads. The quality of the welds was assessed via uniaxial tensile tests, subjecting them to shear loading. Additionally, scanning electron microscopy (SEM) was carried out to analyze the joining quality and potential defects resulting from the fusion of Ti and Al alloys.

2. Materials and Methods

2.1. Materials

The materials studied in this work were the aluminum alloy 6060-T6 and the Ti-6Al-4V titanium alloy. The samples were designed based on constraints related to the preheating and post-weld heating stages, the joint type, and the welding process. The samples for welding are presented in Figure 1. The overlapped region between the samples is a 5 mm × 2.5 mm area.
The samples have a narrow section designed to obtain the desired temperature during preheating and post-welding heating. Both the aluminum and titanium samples were cut with a band saw. The aluminum and titanium were cut from 1.5 mm and 0.9 mm thick sheets, respectively.
The samples were welded in lap joint configurations (Figure 2). The direct laser joining principle was employed, with the titanium piece absorbing the radiation from the laser. The typical higher reflectance of the aluminum justifies this decision. Additionally, this type of joint is widely applied in several applications. Finally, all the samples were cleaned and polished before welding.
Table 1, Table 2, Table 3 and Table 4 present the chemical composition and the mechanical properties of AA6060-T6 and Ti-6Al-4V alloys [31,32].

2.2. Laser Welding

The Nd:YAG SISMA-SWA300 laser was employed to weld the dissimilar samples. This Nd:YAG system has a maximum peak and average power of 12 kW and 300 W, respectively. Additionally, the laser spot diameter can be changed between 0.6 mm and 2 mm, and frequencies of up to 50 Hz can be employed. The minimum and the larger pulses are 0.2 and 25 ms, respectively.

2.2.1. Preheating, Post-Weld Heating, and Clamping

In order to reduce the number of potential weld defects, according to that reported in the literature, preheating and post-weld heating at up to 200 °C were defined based on the findings reported in the literature [24,26]. The heating was performed by subjecting the samples to an 80 A current using a machine for shield metal arc welding (SMAW), the Weldline CIARC 180. This machine was only employed to generate an electric circuit in order to preheat the sample.
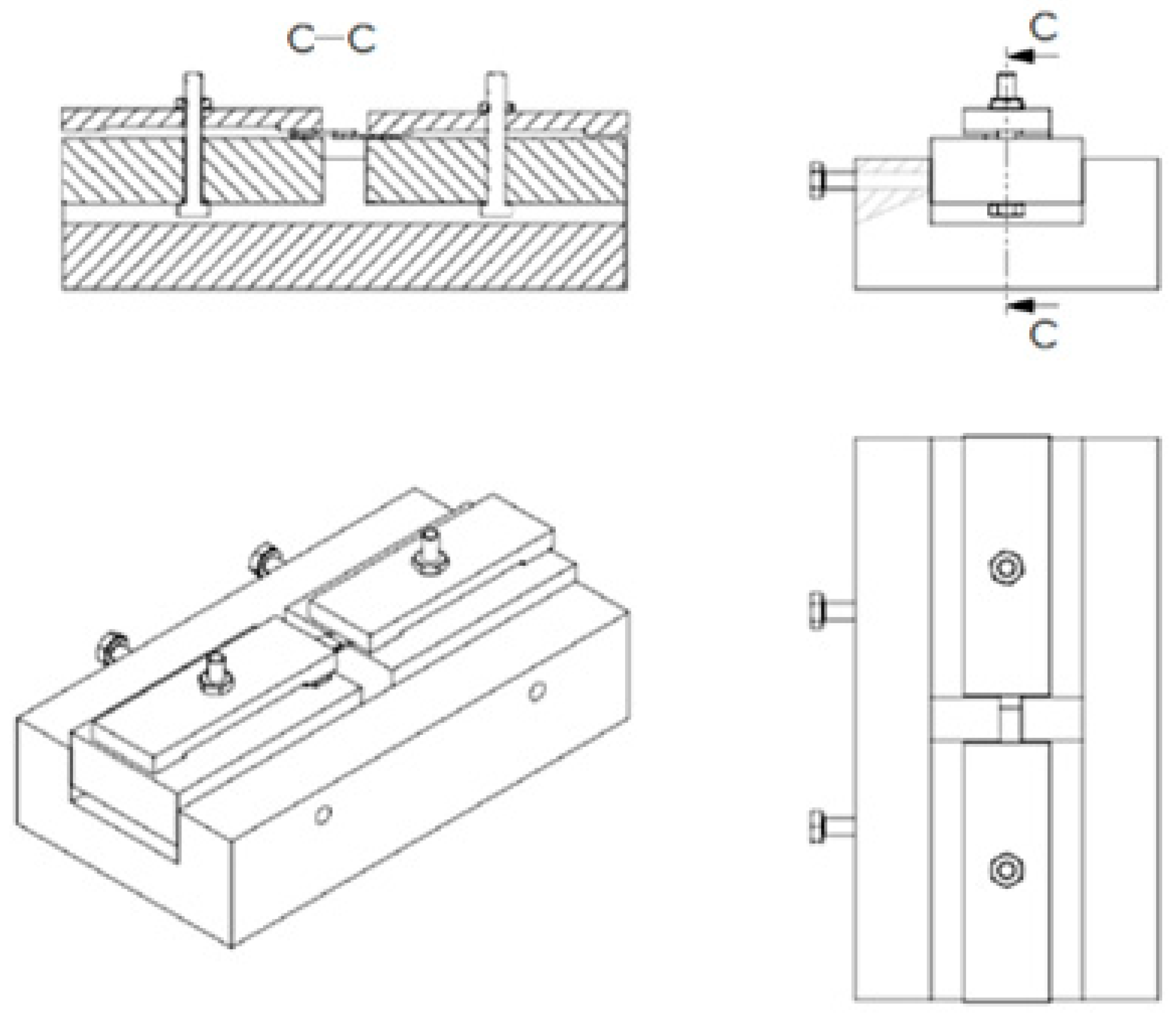
A specific supporting device was developed for this work, designed to consider the constraints of the method employed to heat the samples. This device was developed to make it possible to preheat the samples to the desired temperature and weld them immediately, guaranteeing the pre-conditions and desired alignment of the samples. Figure 3 presents the designed clamping device.
The main body is formed of steel, which supports two pieces of granite, which support the samples to be welded. Granite was employed as a base, since it was necessary to insulate the main body from the electrical current and, at the same time, keep the clamp stable. The granite was supplied by Oliveira Rodrigues—Granitos de Pedras Salgadas, Lda.
Copper plates secure the clamping of the samples bolted to the granite pieces. Contrary to the pieces of the clamping device in contact with the samples, the upper part needs to be an excellent electrical and thermal conductive material. Thus, copper bars were employed, which were cut and machined to reduce the contact area and guarantee contact with the samples alone to weld, increasing the electrical current density to guarantee the desired pre- and post-welding temperature. Figure 4 presents the experimental setup.

2.2.2. Welding Parameters

The samples were heated before and after welding. In both cases, a temperature of 200 °C was defined. The preheating duration was 5 min. The post-welding heating had a duration of 15 min. Then, the sample was naturally air-cooled at room temperature in order to achieve a low cooling rate. These conditions were employed in all the welds.
Table 5 presents the laser welding parameters employed. These are based on initial experimental observations, which showed that the power employed should be within the range of 60–70%. Over 70%, the titanium sample demonstrated instabilities. The studied parameters were the peak laser power and the number of beads. The pulse width, overlap, and laser spot diameter were constant during the experiments: 9 ms, 60%, and 1 mm, respectively. Additionally, a 12 l/min constant gas flow was employed. The protective gas was argon.
In the case of a single bead, this process was performed at the extremity of the titanium sample. In the case of double beads, it was also performed at the extremities.

2.3. Tensile Tests

Tensile tests were performed to assess the quality of the joints using a Shimadzu AGX 10 kN universal testing machine at 1 mm/min following ISO 6892-1:2016 [33]. Since these were lap joints, another piece of the opposite material was placed together in the fixation system, guaranteeing an equivalent thickness. Thus, the tensile force was aligned with the joint interface. This procedure makes is possible to mitigate potential bending moments and essentially guarantee shear stress in the joint. Naturally, there will always be tensile stresses due to the residual moment. Nevertheless, as observed in previous works [34,35,36], these are greatly minimized with the adopted configuration.

2.4. Scanning Electron Microscope (SEM) Micrographs

Scanning electron microscope (SEM) micrographs were obtained in order to analyze the quality of the welding joints in depth and correlate it with the results of the tensile tests and visual inspection. The microscope used was the Hitachi TM4000Plus.
Prior to the SEM analyses, the samples were polished with a Struers RotoPol-21 machine. Several steps were taken to polish the samples from a more abrasive element to a refined one. The following polishing sequence was adopted in terms of grit: 180, 600, 800, 2500, 4000, and finally, a 3 µm diamond paste.
After polishing, etching was performed. The analyzed surface was immersed for 30 s in Kroll’s reagent. This solution comprises 2% fluoride acid (HF), 10% nitric acid (HNO3), and 88% distilled water. After immersion, the samples were cleaned with distilled water and dried with an air dryer, forcing air circulation onto the surface in parallel.

3. Results

The results focus on comparisons where the influences of power and the number of beads were assessed. The results of the uniaxial tensile shear tests and SEM micrographs are presented.

3.1. Uniaxial Tensile Tests

Although this test is described as a tensile test, since it deals with a lap joint, the joint was subjected to shear loading.

3.1.1. Single Bead

Table 6 presents the results for the single-bead welded samples. Sample type II shows the full penetration of the titanium and significant penetration of the aluminum, extending to at least half of its thickness, and in some regions, almost full penetration. Nevertheless, as verified by the joint dark tone in Figure 5, it is possible to confirm that the shielding gas was insufficient to protect it fully, resulting in a fracture next to the joint in the HAZ. Sample type I basically failed when being handled or while we were preparing the tensile test by clamping the welded samples, revealing poor welding joints with parameter set II. A visual inspection revealed the same issues verified in sample type I but significantly aggravated, which explains the weak joint. Additionally, it was verified that there was a poor penetration of the aluminum as well as the weld spatter. The samples of type III show the same issues as type II but clearly underwent full penetration, contrary to type II.
The strength of the welded samples of type II is within the range of 40–50% reported for the aluminum base material AA6060-T6 alloy. However, since the samples are preheated, they will lose the previous treatment; thus, comparing the results with AA 6060-O instead of AA 6060-T6 is reasonable. In this case, the strength values achieved are at the level of the strength of the base aluminum (around 80%). The fracture of these samples occurred near the weld bead.

3.1.2. Double Beads

Table 7 presents the results for the double-bead cases. The samples of type IV revealed full penetration, but failure occurred in the joint, and again, the dark tone was observed, potentially indicating insufficient protection from the shielding gas. The samples welded with set V revealed the same features as type IV but were aggravated, explaining the weaker joint.

3.2. SEM Micrographs

The samples that presented stronger joints were analyzed. Thus, only type 4 samples were prepared for the SEM analysis using backscattering electrons (BSEs). Figure 6a shows the micrograph, from which it is possible to confirm the fusion of both materials but also the existence of cracks and microporosities. Figure 6b presents the energy-dispersive spectroscopy (EDS) element mapping image used to identify the main alloy elements: aluminum (in red) and titanium (in blue). The color mixture shows evidence of fusion between both materials and solidification.
Additionally, eight points of interest were selected to analyze the EDS spectrum. The results of this analysis are depicted in Figure 7 and presented in detail in Table 8. It is worth noting that point 575 is in a region of the Al sample, and point 576 is in a region of the Ti sample. These were selected as control points. However, point 576 was probably affected by the fusion of both materials and some potential contamination during the polishing stage.
Point 577 presented the most balanced results, showing a desired equilibrium between the Al and Ti compositions in that region. Nevertheless, in point 579, an undesired percentage of O (20.2%) was detected, revealing the potential oxidation of the joint in this zone. This corroborates some observations based on visual inspection, particularly the insufficient or inefficient use of shielding gas. Nevertheless, considering the content of oxygen and carbon at the points where fusion was obtained, it is evident that the shielding gas achieved a strength of 90 MPa. Therefore, if the shielding gas is properly optimized, it is hypothesized that the strength value will be even higher and close to that of the aluminum alloy. This is potentially confirmed by the existence of a few microporosities and cracks. In particular, in the micrograph in Figure 7, a significant crack is growing towards point 580. Clearly, this is a macrosegregation issue, as identified in the literature on dissimilar welding [37]. Point 580 corresponds to an aluminum “peninsula”. Table 8 demonstrates a high Al concentration (almost 60%) in this region.
If these features were non-existent, the strength would probably match the base material. In addition to the relevance of the shielding gas, the longer fissures were clearly mitigated by the thermal cycle employed.

4. Discussion

In the present work, we studied the weldability of dissimilar metal alloys, aluminum 6060-T6 and titanium Ti-6Al-4V, via laser welding (Nd:YAG). These were welded in a lap joint configuration with the direct incidence of the laser on the titanium test piece. The sample thickness was 0.9 mm in the case of titanium, while the aluminum was 1.5 mm. The preheating and post-weld heating of the sample were performed in order to eliminate, or at least mitigate, cracking issues.
The main variables of the study were the power and the number of beads. The quality of the welds was assessed via uniaxial tensile tests, subjecting the joint to shear loading. Additionally, SEM micrographs were obtained to analyze the quality of the fusion between the dissimilar alloys.
The shielding gas played a key role in the aesthetics of the welding bead and its quality. This was confirmed by the oxygen and carbon contents of the joint, particularly in the fusion zone. Clearly, this is a variable for optimization in future studies. The significance of the full thermal cycle is also important. Preheating and post-weld heating were very important to mitigate cracking. A proper balance between the shielding gas and the full thermal cycle will also be needed if future adjustments are made to the shielding gas flow. Overall, the higher strength achieved in the tensile tests is close to that obtained for the 6060-0 aluminum alloy (approximately 80%). Since the samples are preheated, this affects the previous treatment, which enables one to make a more reasonable comparison against the strength of AA6060-0 instead of AA6060-T6. The fracture of these samples occurred near the weld bead. The micrograph of the samples with higher strengths revealed a minimal number of cracks per sample, but these were still significant in size. Therefore, more research is needed to mitigate cracking in titanium.
Figure 7 presents a micrograph where a crack grew towards one of the control points (point 580). Additionally, this point is contained in a region identified in the literature as a “peninsula”, a macrosegregation issue typical in dissimilar welding [37]. This is confirmed in Table 8, considering the approximate 60% aluminum concentration in this region next to the crack in the titanium.
The produced samples would eventually present higher strengths if fewer microporosities and, in particular, the cracking of the titanium were wholly avoided. Although the porosities were very low (but present in significant numbers) and the cracks were scarce, these affected the joint quality and strength. More in-depth research is needed to identify the reasons for cracking in titanium and, in particular, to balance the thermal cycle with the welding process, as well as optimize the shielding gas flow.

5. Conclusions

The following key conclusions are valid for the process and material conditions described in this work:
  • It is possible to laser weld Ti-6Al-4V and AA6060-T6 alloys in a lap configuration. However, the conditions necessary to achieve it are very limited (the laser power, penetration of the aluminum, bead position, and shielding gas).
  • The shielding gas has a critical role in the weld bead’s aesthetics but also its quality, playing a key role in welding between aluminum and titanium.
  • Although preheating and post-weld heating were employed to mitigate cracking issues, these were not fully avoided.

Author Contributions

Conceptualization, A.B.P. and F.A.O.F.; methodology, A.B.P. and F.A.O.F.; software, J.J.M.G.; validation, A.B.P.; formal analysis, A.B.P., F.A.O.F. and J.J.M.G.; investigation, A.B.P., F.A.O.F. and J.J.M.G.; resources, A.B.P.; data curation, F.A.O.F. and J.J.M.G.; writing—original draft preparation, F.A.O.F.; writing—review and editing, F.A.O.F.; visualization, A.B.P., F.A.O.F. and J.J.M.G.; supervision, A.B.P. and F.A.O.F.; project administration, A.B.P.; funding acquisition, A.B.P. All authors have read and agreed to the published version of the manuscript.

Funding

This work was supported by the projects UIDB/00481/2020 and UIDP/00481/2020—FCT—Fundação para a Ciência e a Tecnologia and CENTRO-01-0145-FEDER-022083—Centro Portugal Regional Operational Programme (Centro2020), under the PORTUGAL 2020 Partnership Agreement, through the European Regional Development Fund; and Project “Agenda ILLIANCE” [C644919832-00000035 | Project n.º46 ], funded by PRR—Recovery and Resilience Plan under the Next Generation EU from the European Union.

Data Availability Statement

All data available in the manuscript.

Conflicts of Interest

The authors declare no conflict of interest.

References

  1. Williams, J.C.; Boyer, R.R. Opportunities and Issues in the Application of Titanium Alloys for Aerospace Components. Metals 2020, 10, 705. [Google Scholar] [CrossRef]
  2. Stojanovic, B.; Bukvic, M.; Epler, I. Application of Aluminum and Aluminum Alloys in Engineering. Appl. Eng. Lett. 2018, 3, 52–62. [Google Scholar] [CrossRef]
  3. Paramsothy, M.; Hassan, S.F.; Srikanth, N.; Gupta, M. Toughening Mechanisms in Mg/Al Macrocomposites: Texture and Interfacial Mechanical Interlocking. J. Phys. D Appl. Phys. 2008, 41, 175402. [Google Scholar] [CrossRef]
  4. Anchev, A.; Kaisheva, D.; Kotlarski, G.; Dunchev, V.; Stoyanov, B.; Ormanova, M.; Atanasova, M.; Todorov, V.; Daskalova, P.; Valkov, S. Welding of Ti6Al4V and Al6082-T6 Alloys by a Scanning Electron Beam. Metals 2023, 13, 1252. [Google Scholar] [CrossRef]
  5. Pan, H.; Wang, Y.; Geng, S.; Yin, A.; Han, C.; Zhao, J. Study on Laser Overlap Welding of Titanium/Aluminum Dissimilar Metals Based on Niobium Microalloying. Metals 2023, 13, 1257. [Google Scholar] [CrossRef]
  6. Sanders, D.; Edwards, P.; Grant, G.; Ramulu, M.; Reynolds, A. Superplastically Formed Friction Stir Welded Tailored Aluminum and Titanium Blanks for Aerospace Applications. J. Mater. Eng. Perform. 2010, 19, 515–520. [Google Scholar] [CrossRef]
  7. Dhinakaran, V.; Shriragav, S.V.; Fahmidha, A.F.Y.; Ravichandran, M. A Review on the Categorization of the Welding Process of Pure Titanium and Its Characterization. Mater. Today Proc. 2020, 27, 742–747. [Google Scholar] [CrossRef]
  8. Alhajhamoud, M.; Ozbey, S.; Ilgaz, M.A.; Candan, L.; Cinar, I.; Vukotić, M.; Čorović, S.; Miljavec, D.; Kayahan, E. Laser Welding of Ti6Al4V Titanium Alloy in Air and a Water Medium. Materials 2022, 15, 9088. [Google Scholar] [CrossRef]
  9. Mashinini, P.M.; Dinaharan, I.; David Raja Selvam, J.; Hattingh, D.G. Microstructure Evolution and Mechanical Characterization of Friction Stir Welded Titanium Alloy Ti–6Al–4V Using Lanthanated Tungsten Tool. Mater. Charact. 2018, 139, 328–336. [Google Scholar] [CrossRef]
  10. Liu, H.; Nakata, K.; Yamamoto, N.; Liao, J. Microstructural Characteristics and Mechanical Properties in Laser Beam Welds of Ti6Al4V Alloy. J. Mater. Sci. 2012, 47, 1460–1470. [Google Scholar] [CrossRef]
  11. Liu, H.; Shui, J.; Cai, T.; Chen, Q.; Song, X.G.; Yang, G.J. Microstructural Evolution and Hardness Response in the Laser Beam Welded Joints of Pure Titanium during Recrystallization and Grain Growth. Mater. Charact. 2018, 145, 87–95. [Google Scholar] [CrossRef]
  12. Kumar, A.; Pandey, C. Autogenous Laser-Welded Dissimilar Joint of Ferritic/Martensitic P92 Steel and Inconel 617 Alloy: Mechanism, Microstructure, and Mechanical Properties. Arch. Civ. Mech. Eng. 2022, 22, 39. [Google Scholar] [CrossRef]
  13. Chen, S.; Li, L.; Chen, Y.; Dai, J.; Huang, J. Improving Interfacial Reaction Nonhomogeneity during Laser Welding-Brazing Aluminum to Titanium. Mater. Des. 2011, 32, 4408–4416. [Google Scholar] [CrossRef]
  14. Dak, G.; Pandey, C. A Critical Review on Dissimilar Welds Joint between Martensitic and Austenitic Steel for Power Plant Application. J. Manuf. Process 2020, 58, 377–406. [Google Scholar] [CrossRef]
  15. Zhao, H.; White, D.R.; Debroy, T. Current Issues and Problems in Laser Welding of Automotive Aluminium Alloys. Int. Mater. Rev. 2013, 44, 238–266. [Google Scholar] [CrossRef]
  16. Ardika, R.D.; Triyono, T.; Muhayat, N. Triyono A Review Porosity in Aluminum Welding. Procedia Struct. Integr. 2021, 33, 171–180. [Google Scholar] [CrossRef]
  17. Pastor, M.; Zhao, H.; Martukanitz, R.P.; Debroy, T. Porosity, Underfill and Magnesium Loss during Continuous Wave Nd:YAG Laser Welding of Thin Plates of Aluminum Alloys 5182 and 5754. Weld. J. 1999, 78, 207–215. Available online: https://www.researchgate.net/publication/255251832_Porosity_underfill_and_magnesium_loss_during_continuous_wave_NdYAG_laser_welding_of_thin_plates_of_aluminum_alloys_5182_and_5754 (accessed on 2 September 2023).
  18. Oliveira, P.I.; Costa, J.M.; Loureiro, A. Effect of Laser Beam Welding Parameters on Morphology and Strength of Dissimilar AA2024/AA7075 T-Joints. J. Manuf. Process 2018, 35, 149–160. [Google Scholar] [CrossRef]
  19. Leo, P.; Renna, G.; Casalino, G.; Olabi, A.G. Effect of Power Distribution on the Weld Quality during Hybrid Laser Welding of an Al–Mg Alloy. Opt. Laser Technol. 2015, 73, 118–126. [Google Scholar] [CrossRef]
  20. Dewan, M.W.; Wahab, M.A.; Okeil, A.M. Influence of Weld Defects and Postweld Heat Treatment of Gas Tungsten Arc-Welded AA-6061-T651 Aluminum Alloy. J. Manuf. Sci. Eng. Trans. ASME 2015, 137, 051027. [Google Scholar] [CrossRef]
  21. Attar, H.; Ehtemam-Haghighi, S.; Kent, D.; Wu, X.; Dargusch, M.S. Comparative Study of Commercially Pure Titanium Produced by Laser Engineered Net Shaping, Selective Laser Melting and Casting Processes. Mater. Sci. Eng. A 2017, 705, 385–393. [Google Scholar] [CrossRef]
  22. Attar, H.; Bönisch, M.; Calin, M.; Zhang, L.C.; Scudino, S.; Eckert, J. Selective Laser Melting of in Situ Titanium–Titanium Boride Composites: Processing, Microstructure and Mechanical Properties. Acta Mater. 2014, 76, 13–22. [Google Scholar] [CrossRef]
  23. Dak, G.; Sirohi, S.; Pandey, C. Study on Microstructure and Mechanical Behavior Relationship for Laser-Welded Dissimilar Joint of P92 Martensitic and 304L Austenitic Steel. Int. J. Press. Vessel. Pip. 2022, 196, 104629. [Google Scholar] [CrossRef]
  24. Chakraborty, G.; Rejeesh, R.; Zubairuddin, M.; Albert, S.K. Effect of Preheating and Post Heating in Reducing Diffusible Hydrogen Content and Hydrogen Assisted Cracking Susceptibility of Modified 9Cr–1Mo Steel. Sci. Technol. Weld. Join. 2020, 25, 637–643. [Google Scholar] [CrossRef]
  25. Köse, C.; Kaçar, R. The Effect of Preheat & Post Weld Heat Treatment on the Laser Weldability of AISI 420 Martensitic Stainless Steel. Mater. Des. 2014, 64, 221–226. [Google Scholar] [CrossRef]
  26. Pratikno, H.; Rachmatullah, T.; Ikhwani, H. Influence of Pre-Weld Heat Treatment and Aging Post-Weld Heat Treatment on Tensile Test and Microstructure of Aluminium 6061 Weld Joint. Int. J. Offshore Coast. Eng. (IJOCE) 2020, 4, 1–8. [Google Scholar] [CrossRef]
  27. Vaidya, W.V.; Horstmann, M.; Ventzke, V.; Petrovski, B.; Koçak, M.; Kocik, R.; Tempus, G. Improving Interfacial Properties of a Laser Beam Welded Dissimilar Joint of Aluminium AA6056 and Titanium Ti6Al4V for Aeronautical Applications. J. Mater. Sci. 2010, 45, 6242–6254. [Google Scholar] [CrossRef]
  28. Zhang, J.; Zhao, J.; Hu, K.; Gao, Q.; Zhan, X. Improving Intermetallic Compounds Inhomogeneity of Ti/Al Butt Joints by Dual Laser-Beam Bilateral Synchronous Welding-Brazing. Opt. Laser Technol. 2022, 146, 107533. [Google Scholar] [CrossRef]
  29. Zhou, X.; Duan, J.; Zhang, F.; Zhong, S. The Study on Mechanical Strength of Titanium-Aluminum Dissimilar Butt Joints by Laser Welding-Brazing Process. Materials 2019, 12, 712. [Google Scholar] [CrossRef]
  30. Zhao, J.; Jiang, P.; Geng, S.; Wang, Y.; Xu, B. Effect of Pulsed Laser Pretreatment Induced Pit-Structure on the Formation of Intermetallic Compounds in Titanium-Aluminum Dissimilar Welded Joints. Opt. Laser Technol. 2023, 167, 109589. [Google Scholar] [CrossRef]
  31. Kumar, C.; Das, M.; Paul, C.P.; Singh, B. Experimental Investigation and Metallographic Characterization of Fiber Laser Beam Welding of Ti-6Al-4V Alloy Using Response Surface Method. Opt. Lasers Eng. 2017, 95, 52–68. [Google Scholar] [CrossRef]
  32. Hydro Innovation & Technology. Technical datasheet—Extruded products. Alloy EN AW—6060 [AlMgSi]. Finspang, Sweden, Rev.2– 01/2019. Available online: https://www.hydro.com/Document/Doc/Hydro%20EN%20AW%206060.PDF?docId=7322 (accessed on 2 September 2023).
  33. ISO 6892-1:2016; Metallic Materials—Tensile Testing—Part 1: Method of Test at Room Temperature. International Organization for Standardization: Geneva, Switzerland.
  34. Pereira, A.; Cabrinha, A.; Rocha, F.; Marques, P.; Fernandes, F.; Alves de Sousa, R.; Pereira, A.B.; Cabrinha, A.; Rocha, F.; Marques, P.; et al. Dissimilar Metals Laser Welding between DP1000 Steel and Aluminum Alloy 1050. Metals 2019, 9, 102. [Google Scholar] [CrossRef]
  35. Fernandes, F.A.O.; Pereira, A.B.; Guimarães, B.; Almeida, T. Laser Welding of Transmitting High-Performance Engineering Thermoplastics. Polymers 2020, 12, 402. [Google Scholar] [CrossRef]
  36. Pereira, A.B.; Fernandes, F.A.O.; de Morais, A.B.; Quintão, J. Mechanical Strength of Thermoplastic Polyamide Welded by Nd:YAG Laser. Polymers 2019, 11, 1381. [Google Scholar] [CrossRef]
  37. Soysal, T.; Kou, S.; Tat, D.; Pasang, T. Macrosegregation in Dissimilar-Metal Fusion Welding. Acta Mater. 2016, 110, 149–160. [Google Scholar] [CrossRef]
Figure 1. Samples to weld: (a) dimensions; (b) (left) aluminum, (right) titanium.
Figure 1. Samples to weld: (a) dimensions; (b) (left) aluminum, (right) titanium.
Crystals 13 01448 g001
Figure 2. Lap joint configuration—direct laser welding on titanium.
Figure 2. Lap joint configuration—direct laser welding on titanium.
Crystals 13 01448 g002
Figure 3. Designed clamping device.
Figure 3. Designed clamping device.
Crystals 13 01448 g003
Figure 4. Experimental setup: lap joint between aluminum and titanium specimens, each clamped with a granite-copper device, making it possible to preheat and post-weld heat the samples. The yellow hose guides the shielding gas.
Figure 4. Experimental setup: lap joint between aluminum and titanium specimens, each clamped with a granite-copper device, making it possible to preheat and post-weld heat the samples. The yellow hose guides the shielding gas.
Crystals 13 01448 g004
Figure 5. Sample type II after tensile testing. Fracture next to weld bead.
Figure 5. Sample type II after tensile testing. Fracture next to weld bead.
Crystals 13 01448 g005
Figure 6. (a) SEM micrograph (magnification of 180×). (b) EDS element mapping (aluminum: red; titanium: blue).
Figure 6. (a) SEM micrograph (magnification of 180×). (b) EDS element mapping (aluminum: red; titanium: blue).
Crystals 13 01448 g006
Figure 7. SEM micrograph with 8 points of interest identified for composition analysis (magnification of 180×).
Figure 7. SEM micrograph with 8 points of interest identified for composition analysis (magnification of 180×).
Crystals 13 01448 g007
Table 1. Chemical composition of alloy EN AW-6060 (wt.%) [32].
Table 1. Chemical composition of alloy EN AW-6060 (wt.%) [32].
Si FeCuMnMgCrTiAl
0.3–0.60.1–0.30–0.10–0.10.35–0.60–0.050–0.1Balance
Table 2. Mechanical properties of alloy EN AW-6060-T6 with a wall thickness lower than 5 mm according to EN 755-2:2016 [31].
Table 2. Mechanical properties of alloy EN AW-6060-T6 with a wall thickness lower than 5 mm according to EN 755-2:2016 [31].
Yield Strength (MPa)Ultimate Tensile Strength (MPa)Max. Elongation (%)Brinell Hardness (HB)Melting Range (°C)
150190870615–655
Table 3. Chemical composition of Ti-6Al-4V alloy (wt.%) [31].
Table 3. Chemical composition of Ti-6Al-4V alloy (wt.%) [31].
Al VCFeOTi
5.53.72.90.20.3Balance
Table 4. Mechanical properties of Ti-6Al-4V alloy at room temperature [31].
Table 4. Mechanical properties of Ti-6Al-4V alloy at room temperature [31].
Yield Strength (MPa)Ultimate Tensile Strength (MPa)Max. Elongation (%)Vickers Hardness (HV)Melting Range (°C)
85095711298–3021690
Table 5. Laser welding parameters.
Table 5. Laser welding parameters.
Sample TypePower (%)No. of Beads
I601
II651
III701
IV602
V652
Table 6. True maximum stress and corresponding true strain for one-bead cases.
Table 6. True maximum stress and corresponding true strain for one-bead cases.
Sample TypeTrue Stress (MPa)True Strain
I--
II900.090
III390.027
Table 7. True maximum stress and corresponding true strain for double-bead cases.
Table 7. True maximum stress and corresponding true strain for double-bead cases.
Sample True Stress (MPa)True Strain
7590.015
880.002
Table 8. Results of the EDS element mapping for 8 points of interest (from point 575 to 582) identified in Figure 7.
Table 8. Results of the EDS element mapping for 8 points of interest (from point 575 to 582) identified in Figure 7.
Composition (%)575576577578579580581582
Al88.322.448.576.535.559.326.281.7
Ti2.466.547.18.836.18.960.99.0
O4.47.04.511.920.215.68.43.7
C4.22.353.83.81.99.62.75.1
Disclaimer/Publisher’s Note: The statements, opinions and data contained in all publications are solely those of the individual author(s) and contributor(s) and not of MDPI and/or the editor(s). MDPI and/or the editor(s) disclaim responsibility for any injury to people or property resulting from any ideas, methods, instructions or products referred to in the content.

Share and Cite

MDPI and ACS Style

Fernandes, F.A.O.; Gonçalves, J.J.M.; Pereira, A.B. Evaluation of Laser Lap Weldability between the Titanium Alloy Ti-6Al-4V and Aluminum Alloy 6060-T6. Crystals 2023, 13, 1448. https://doi.org/10.3390/cryst13101448

AMA Style

Fernandes FAO, Gonçalves JJM, Pereira AB. Evaluation of Laser Lap Weldability between the Titanium Alloy Ti-6Al-4V and Aluminum Alloy 6060-T6. Crystals. 2023; 13(10):1448. https://doi.org/10.3390/cryst13101448

Chicago/Turabian Style

Fernandes, Fábio A. O., José J. M. Gonçalves, and António B. Pereira. 2023. "Evaluation of Laser Lap Weldability between the Titanium Alloy Ti-6Al-4V and Aluminum Alloy 6060-T6" Crystals 13, no. 10: 1448. https://doi.org/10.3390/cryst13101448

APA Style

Fernandes, F. A. O., Gonçalves, J. J. M., & Pereira, A. B. (2023). Evaluation of Laser Lap Weldability between the Titanium Alloy Ti-6Al-4V and Aluminum Alloy 6060-T6. Crystals, 13(10), 1448. https://doi.org/10.3390/cryst13101448

Note that from the first issue of 2016, this journal uses article numbers instead of page numbers. See further details here.

Article Metrics

Back to TopTop