The Electrochemical Performance of Al-Mg-Ga-Sn-xBi Alloy Used as the Anodic Material for Al-Air Battery in KOH Electrolytes
Abstract
1. Introduction
2. Experiment
2.1. Sample Preparation
2.2. Microstructural Observations
2.3. Hydrogen Evolution Test
2.4. Electrochemical Measurements
2.5. Battery Performance Tests
3. Results and Discussion
3.1. Microstructure
3.2. Self-Corrosion
3.3. Open Circuit Potential (OCP)
3.4. Potentiodynamic Polarization (Tafel)
3.5. Electrochemical Impedance Spectroscopy
3.6. Discharge Performance Test
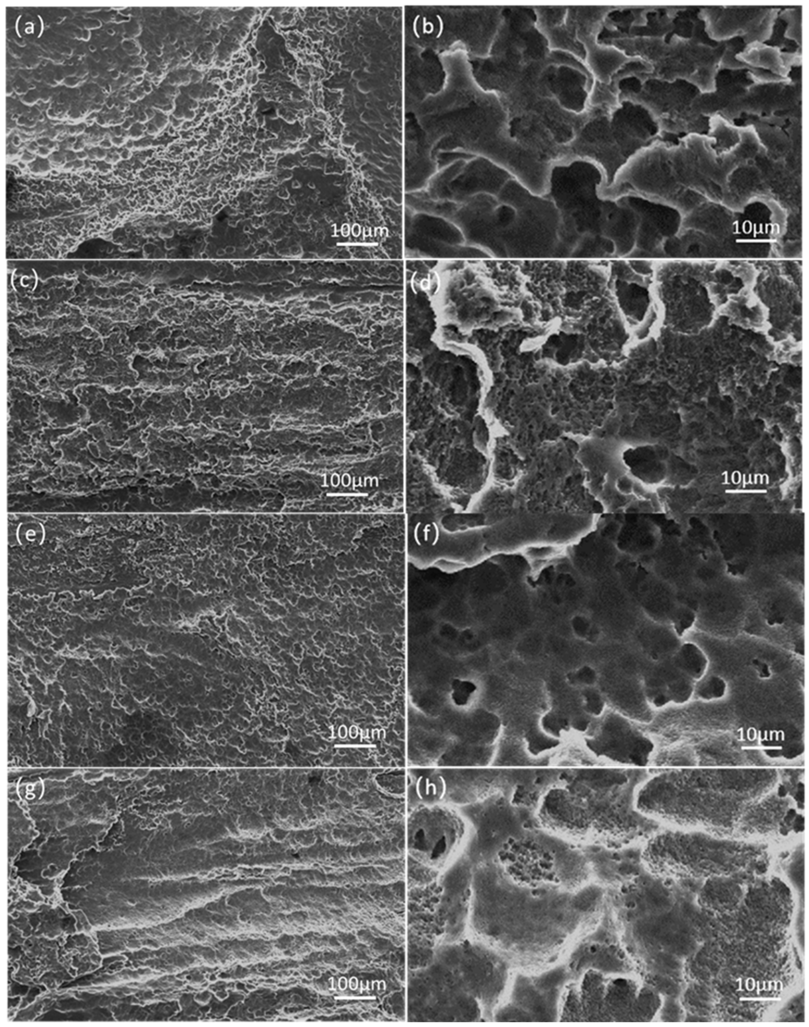
3.7. Corrosion Surface Morphology
4. Conclusions
Author Contributions
Funding
Conflicts of Interest
References
- Paster, M.; Ahluwalia, R.; Berry, G.; Elgowainy, A.; Lasher, S.; McKenney, K.; Gardiner, M. Hydrogen storage technology options for fuel cell vehicles: Well-to-wheel costs, energy efficiencies, and greenhouse gas emissions. Fuel Energy Abstr. 2011, 36, 14534–14551. [Google Scholar] [CrossRef]
- Yuan, J.L.; Wang, J.; She, Y.Y.; Hu, J.; Tao, P.P.; Lv, F.C.; Lu, Z.G.; Gu, Y.Y. BiOCl micro-assembles consisting of ultrafine nanoplates: A high performance electro-catalyst for air electrode of Al–air batteries. J. Power Source 2014, 263, 37–45. [Google Scholar] [CrossRef]
- Yang, T.-H.; Venkatesan, S.; Lien, C.-H.; Chang, J.-L.; Zen, J.-M. Nafion/lead oxide–manganese oxide combined catalyst for use as a highly efficient alkaline air electrode in zinc–air battery. Electrochim. Acta 2011, 56, 6205–6210. [Google Scholar] [CrossRef]
- Deyab, M. Effect of nonionic surfactant as an electrolyte additive on the performance of aluminum-air battery. J. Power Source 2019, 412, 520–526. [Google Scholar] [CrossRef]
- Khan, Z.; Vagin, M.; Crispin, X. Can Hybrid Na–Air Batteries Outperform Nonaqueous Na–O2 Batteries? Adv. Sci. 2020, 7, 1902866. [Google Scholar] [CrossRef]
- Salado, M.; Lizundia, E. Advances, challenges, and environmental impacts in metal–air battery electrolytes. Mater. Today Energy 2022, 28, 101064. [Google Scholar] [CrossRef]
- Baek, M.-J.; Choi, J.; Wi, T.-U.; Lim, H.Y.; Myung, M.H.; Lim, C.; Sung, J.; Park, J.-S.; Park, J.H.; Shim, Y.H.; et al. Strong interfacial energetics between catalysts and current collectors in aqueous sodium–air batteries. J. Mater. Chem. A 2022, 10, 4601–4610. [Google Scholar] [CrossRef]
- Mori, R. Addition of Ceramic Barriers to Aluminum–Air Batteries to Suppress By-product Formation on Electrodes. J. Electrochem. Soc. 2015, 162, A288–A294. [Google Scholar] [CrossRef]
- Hoque, M.; Hannan, M.; Mohamed, A.; Ayob, A. Battery charge equalization controller in electric vehicle applications: A review. Renew. Sustain. Energy Rev. 2017, 75, 1363–1385. [Google Scholar] [CrossRef]
- Wu, G.; Lin, S.; Yang, C. Alkaline Zn-air and Al-air cells based on novel solid PVA/PAA polymer electrolyte membranes. J. Membr. Sci. 2006, 280, 802–808. [Google Scholar] [CrossRef]
- Gudić, S.; Radošević, J.; Smoljko, I.; Kliškić, M. Cathodic breakdown of anodic oxide film on Al and Al–Sn alloys in NaCl solution. Electrochim. Acta 2005, 50, 5624–5632. [Google Scholar] [CrossRef]
- Elia, G.A.; Marquardt, K.; Hoeppner, K.; Fantini, S.; Lin, R.; Knipping, E.; Peters, W.; Drillet, J.-F.; Passerini, S.; Hahn, R. An Overview and Future Perspectives of Aluminum Batteries. Adv. Mater. 2016, 28, 7564–7579. [Google Scholar] [CrossRef]
- Gelman, D.; Lasman, I.; Elfimchev, S.; Starosvetsky, D.; Ein-Eli, Y. Aluminum corrosion mitigation in alkaline electrolytes containing hybrid inorganic/organic inhibitor system for power sources applications. J. Power Source 2015, 285, 100–108. [Google Scholar] [CrossRef]
- Ma, J.L.; Wen, J.B.; Zhu, H.X.; Li, Q.N. Electrochemical performances of Al-0.5Mg-0.1Sn-0.02In alloy in different solutions for Al-air battery. J. Power Source 2015, 293, 592–598. [Google Scholar]
- Xiong, W.; Qi, G.; Guo, X.; Lu, Z. Anodic dissolution of Al sacrificial anodes in NaCl solution containing Ce. Corros. Sci. 2011, 53, 1298–1303. [Google Scholar] [CrossRef]
- Elango, A.; Periasamy, V.M.; Paramasivam, M. Study on polyaniline-ZnO used as corrosion inhibitors of 57S aluminium in 2 M NaOH solution. Anti-Corros. Methods Mater. 2009, 56, 266–270. [Google Scholar] [CrossRef]
- Liang, R.; Su, Y.; Sui, X.-L.; Gu, D.-M.; Huang, G.-S.; Wang, Z.-B. Effect of Mg content on discharge behavior of Al-0.05Ga-0.05Sn-0.05Pb-xMg alloy anode for aluminum-air battery. J. Solid State Electrochem. 2018, 23, 53–62. [Google Scholar] [CrossRef]
- Moghanni-Bavil-Olyaei, H.; Arjomandi, J.; Hosseini, M. Effects of gallium and lead on the electrochemical behavior of Al-Mg-Sn-Ga-Pb as anode of high rate discharge battery. J. Alloys Compd. 2017, 695, 2637–2644. [Google Scholar] [CrossRef]
- Ma, J.; Wen, J.; Gao, J.; Li, Q. Performance of Al–1Mg–1Zn–0.1Ga–0.1Sn as anode for Al-air battery. Electrochim. Acta 2014, 129, 69–75. [Google Scholar] [CrossRef]
- Guo, G.Y.; Zhang, J.L.; Sun, K.L.; Hou, B.R. Effects of Bi and Ti on electrochemical property of Al-Zn-In sacrificial anode. J. Chin. J. Oceanol. Limnol. 1991, 9, 44–48. [Google Scholar]
- Qian, X.R.; Kong, X.D. The Effects of Pb, Bi on the Anodic Properties of Al-Zn-Ga-In Series Alloy. Mater. Sci. Forum 2016, 852, 65–72. [Google Scholar] [CrossRef]
- Jeong, Y.; Kim, W. Enhancement of mechanical properties and corrosion resistance of Mg–Ca alloys through microstructural refinement by indirect extrusion. Corros. Sci. 2014, 82, 392–403. [Google Scholar] [CrossRef]
- Li, L.; Liu, H.; Yan, Y.; Zhu, H.; Fang, H.; Luo, X.; Dai, Y.; Yu, K. Effects of alloying elements on the electrochemical behaviors of Al-Mg-Ga-In based anode alloys. Int. J. Hydrogen Energy 2019, 44, 12073–12084. [Google Scholar] [CrossRef]
- Ma, J.; Zhang, Y.; Ma, M.; Qin, C.; Ren, F.; Wang, G. Corrosion and discharge performance of a magnesium aluminum eutectic alloy as anode for magnesium–air batteries. Corros. Sci. 2020, 170, 108695. [Google Scholar] [CrossRef]
- He, J.-G.; Wen, J.-B.; Li, X.-D.; Wang, G.-W.; Xu, C.-H. Influence of Ga and Bi on electrochemical performance of Al-Zn-Sn sacrificial anodes. Trans. Nonferrous Met. Soc. China 2011, 21, 1580–1586. [Google Scholar] [CrossRef]
- Karaminezhaad, M.; Jafari, A.; Sarrafi, A.; Safi, G. Influence of bismuth on electrochemical behavior of sacrificial aluminum anode. Anti-Corros. Methods Mater. 2013, 53, 102–109. [Google Scholar] [CrossRef]
- Wang, Q.; Miao, H.; Xue, Y.J.; Sun, S.S.; Li, S.H.; Liu, Z.P. Performances of an Al–0.15 Bi–0.15 Pb–0.035 Ga alloy as an anode for Al–air batteries in neutral and alkaline electrolytes. RSC Adv. 2017, 7, 25838–25847. [Google Scholar] [CrossRef]
- Xiong, H.; Yu, K.; Yin, X.; Dai, Y.; Yan, Y.; Zhu, H. Effects of microstructure on the electrochemical discharge behavior of Mg-6wt%Al-1wt%Sn alloy as anode for Mg-air primary battery. J. Alloys Compd. 2016, 708, 652–661. [Google Scholar] [CrossRef]
- Baran, E.; Yazici, B. Effect of different nano-structured Ag doped TiO2-NTs fabricated by electrodeposition on the electrocatalytic hydrogen production. Int. J. Hydrogen Energy 2016, 41, 2498–2511. [Google Scholar] [CrossRef]
- Wei, M.X.; Gao, S.R.; Liu, H.L.; Wang, X.; Fu, H.P.; He, L.Z. Effect of Sn on the electrochemical properties of Al-Mg-Ga-Sn anode alloys. Mater. Rep. 2021, 35, 311. [Google Scholar]
- Reboul, M.C.; Gimenez, P.; Rameau, J.J. A Proposed Activation Mechanism for Al Anodes. Corrosion 1984, 40, 366–371. [Google Scholar] [CrossRef]
- Sovizi, M.; Afshari, M. Effect of nano zirconia on electrochemical performance, corrosion behavior and microstructure of Al-Mg-Sn-Ga anode for aluminum batteries. J. Alloys Compd. 2019, 792, 1088–1094. [Google Scholar] [CrossRef]
- Ma, J.L.; Wen, J.B.; Gao, J.W.; Li, Q.A. Performance of Al-0.5 Mg-0.02 Ga-0.1 Sn-0.5 Mn as anode for Al-air battery in NaCl solutions. J. Power Source 2014, 253, 419–423. [Google Scholar] [CrossRef]
- Gudić, S.; Smoljko, I.; Kliškić, M. The effect of small addition of tin and indium on the corrosion behavior of aluminium in chloride solution. J. Alloys Compd. 2010, 505, 54–63. [Google Scholar] [CrossRef]
- Souto, R.; Fernández-Mérida, L.; González, S.; Scantlebury, D. Comparative EIS study of different Zn-based intermediate metallic layers in coil-coated steels. Corros. Sci. 2006, 48, 1182–1192. [Google Scholar] [CrossRef]
- Wang, W.; Chen, D.; Yang, K. Investigation on microstructure and hydrogen generation performance of Al-rich alloys. Int. J. Hydrogen Energy 2010, 35, 12011–12019. [Google Scholar] [CrossRef]











| Alloys | Mg | Sn | Ga | Bi |
|---|---|---|---|---|
| Al-0.4Mg-0.15Ga-0.05Sn | 0.34 | 0.045 | 0.012 | 0 |
| Al-0.4Mg-0.15Ga-0.05Sn-0.08Bi | 0.37 | 0.040 | 0.011 | 0.074 |
| Al-0.4Mg-0.15Ga-0.05Sn-0.1Bi | 0.34 | 0.046 | 0.013 | 0.093 |
| Al-0.4Mg-0.15Ga-0.05Sn-0.12Bi | 0.36 | 0.039 | 0.011 | 0.115 |
| Point | Al/Mass % | Al/At % | Mg/Mass % | Mg/At % | Sn/Mass % | Sn/At % | Bi/Mass % | Bi/At % | Alloy % |
|---|---|---|---|---|---|---|---|---|---|
| 1 | 99.56 | 99.69 | 0.24 | 0.26 | 0.20 | 0.05 | - | - | x = 0 |
| 2 | 48.22 | 79.88 | 0.42 | 0.78 | 51.36 | 19.34 | - | - | x = 0 |
| 3 | 62.46 | 92.42 | 0.28 | 0.46 | - | - | 37.26 | 7.12 | x = 0.08 |
| 4 | 64.41 | 86.23 | 5.80 | 8.62 | - | - | 29.79 | 5.15 | x = 0.08 |
| 5 | 24.42 | 54.02 | 11.24 | 27.61 | - | - | 64.34 | 18.38 | x = 0.1 |
| 6 | 32.78 | 63.62 | 10.13 | 21.82 | 1.31 | 0.58 | 55.79 | 13.98 | x = 0.1 |
| 7 | 22.57 | 51.56 | 11.43 | 28.97 | - | - | 66.00 | 19.46 | x = 0.12 |
| 8 | 16.87 | 41.22 | 13.59 | 36.84 | - | - | 69.54 | 21.94 | x = 0.12 |
| Alloy | OCP (V vs. Hg/HgO) | Ecorr (V vs. Hg/HgO) | Jcorr (mA/cm2) | Rp (Ω/cm2) |
|---|---|---|---|---|
| 1 | −1.70 | −1.70 | 9.59 | 4.6 |
| 2 | −1.73 | −1.74 | 7.95 | 5.2 |
| 3 | −1.79 | −1.76 | 6.87 | 5.6 |
| 4 | −1.71 | −1.73 | 12.78 | 3.5 |
| Alloy 1 | Alloy 2 | Alloy 3 | Alloy 4 | |
|---|---|---|---|---|
| L (H cm2) | 9.164 × 10−7 | 1.35 × 10−6 | 7.909 × 10−7 | 7.163 × 10−7 |
| Rs (Ω cm2) | 1.384 | 0.9083 | 1.392 | 1.344 |
| CPE1 (F cm−2) | 4.979 × 10−5 | 4.662 × 10−5 | 3.365 × 10−5 | 8.783 × 10−5 |
| Rt (Ω cm2) | 1.324 | 2.084 | 3.292 | 1.167 |
| CPE2 (F cm−2) | 1.144 × 10−3 | 6.805 × 10−3 | 5.759 × 10−4 | 7.227 × 10−3 |
| R2 (Ω cm2) | 0.1487 | 0.1174 | 0.5979 | 0.1187 |
| x2 | 1.062 × 10−4 | 2.588 × 10−4 | 3.552 × 10−4 | 8.892 × 10−5 |
| Anodes | Operating Voltage (v) | Capacity Density (mAh g−1) | η (%) | Energy Density (mWh g−1) | ηfuel (%) |
|---|---|---|---|---|---|
| Al-Mg-Sn-Ga | 1.135 ± 0.02 | 2382.98 | 79.97 | 2704.68 | 32.39 |
| Al-Mg-Sn-Ga-0.08Bi | 1.229 ± 0.05 | 2466.96 | 82.78 | 3031.89 | 37.43 |
| Al-Mg-Sn-Ga-0.10Bi | 1.287 ± 0.02 | 2533.94 | 85.03 | 3261.18 | 40.26 |
| Al-Mg-Sn-Ga-0.12Bi | 1.150 ± 0.02 | 2343.10 | 79.63 | 2694.56 | 33.26 |
Publisher’s Note: MDPI stays neutral with regard to jurisdictional claims in published maps and institutional affiliations. |
© 2022 by the authors. Licensee MDPI, Basel, Switzerland. This article is an open access article distributed under the terms and conditions of the Creative Commons Attribution (CC BY) license (https://creativecommons.org/licenses/by/4.0/).
Share and Cite
Wang, Y.; Liu, H.; Jia, Z.; Yang, B.; He, L. The Electrochemical Performance of Al-Mg-Ga-Sn-xBi Alloy Used as the Anodic Material for Al-Air Battery in KOH Electrolytes. Crystals 2022, 12, 1785. https://doi.org/10.3390/cryst12121785
Wang Y, Liu H, Jia Z, Yang B, He L. The Electrochemical Performance of Al-Mg-Ga-Sn-xBi Alloy Used as the Anodic Material for Al-Air Battery in KOH Electrolytes. Crystals. 2022; 12(12):1785. https://doi.org/10.3390/cryst12121785
Chicago/Turabian StyleWang, Yueying, Hongliang Liu, Zhiming Jia, Binglin Yang, and Lizi He. 2022. "The Electrochemical Performance of Al-Mg-Ga-Sn-xBi Alloy Used as the Anodic Material for Al-Air Battery in KOH Electrolytes" Crystals 12, no. 12: 1785. https://doi.org/10.3390/cryst12121785
APA StyleWang, Y., Liu, H., Jia, Z., Yang, B., & He, L. (2022). The Electrochemical Performance of Al-Mg-Ga-Sn-xBi Alloy Used as the Anodic Material for Al-Air Battery in KOH Electrolytes. Crystals, 12(12), 1785. https://doi.org/10.3390/cryst12121785
