Influence of High Magnetic Field-Thermal Coupling Processing on Diffusion Bonding Properties and Element Diffusion of 1420 Al-Li Alloy
Abstract
1. Introduction
2. Materials and Methods
3. Results and Discussion
3.1. Effect of Bonding Temperature on Interfacial Microstructure and Joints Shear Strength
3.2. Effect of High Magnetic Field Heat Treatment on the Distribution and Diffusion of Mg Elements near the Interface
3.2.1. Mg Element Distribution near the Interface
3.2.2. Diffusion Coefficient of Mg Element in L2 Pure Aluminum
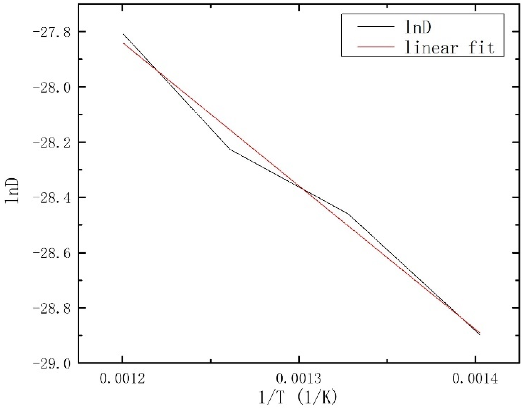
3.2.3. Diffusion Activation Energy of Mg Element in L2 Pure Aluminum
4. Conclusions
Author Contributions
Funding
Data Availability Statement
Conflicts of Interest
References
- Rioja, R.J.; Liu, J. The evolution of Al-Li base products for aerospace and space applications. Metall. Mater. Trans. A 2012, 43, 3325–3337. [Google Scholar] [CrossRef]
- Abd El-Aty, A.; Xu, Y.; Guo, X.; Zhang, S.H.; Ma, Y.; Chen, D. Strengthening mechanisms, deformation behavior, and anisotropic mechanical properties of Al-Li alloys: A review. J. Adv. Res. 2018, 10, 49–67. [Google Scholar] [CrossRef] [PubMed]
- Wang, Y.; Zhao, G. Hot Extrusion Processing of Al-Li Alloy Profiles and Related Issues: A Review. Chin. J. Mech. Eng. 2020, 33, 64. [Google Scholar] [CrossRef]
- Liu, T.; Wang, Q.; Zhang, H.; Wang, K.; Pang, X.; He, J. Effects of high magnetic fields on the microstructures and grain boundaries in binary Al-Li alloy. J. Alloys Compd. 2009, 469, 258–263. [Google Scholar] [CrossRef]
- Kablov, E.N.; Antipov, V.V.; Oglodkova, J.S.; Oglodkov, M.S. Development and Application Prospects of Aluminum-Lithium Alloys in Aircraft and Space Technology. Metallurgist 2021, 65, 72–81. [Google Scholar] [CrossRef]
- Lathashankar, B.; Tejaswini, G.C.; Suresh, R.; Swamy, N.H.S. Advancements in diffusion bonding of aluminium and its alloys: A comprehensive review of similar and dissimilar joints. Adv. Mater. Process. Technol. 2022, 1–19. [Google Scholar] [CrossRef]
- Li, Y.; Wang, H.; Niu, T.; Zhang, H.; Yuan, M. Study on SPF/DB Technology for Two-Sheet Hollow Structure of 1420 Al-Li Alloy. Metals 2022, 12, 389. [Google Scholar] [CrossRef]
- Jiang, S.; Jia, Y.; Lu, Z.; Shi, C.; Zhang, K. Superplastic forming/diffusion bonding without interlayer of 5A90 Al-Li alloy hollow double-layer structure. J. Mater. Eng. Perform. 2017, 26, 4265–4273. [Google Scholar] [CrossRef]
- Silva, M.; Ramos, A.S.; Vieira, M.T.; Simões, S. Diffusion bonding of Ti6Al4V to Al2O3 using Ni/Ti reactive multilayers. Metals 2021, 11, 655. [Google Scholar] [CrossRef]
- Assari, A.H.; Eghbali, B. Solid state diffusion bonding characteristics at the interfaces of Ti and Al layers. J. Alloys Compd. 2019, 773, 50–58. [Google Scholar] [CrossRef]
- Gao, H.; Li, N.; Ho, H.; Zhang, Y.; Zhang, N.; Wang, L.; Lin, J. Determination of a set of constitutive equations for an Al-Li alloy at SPF conditions. Mater. Today Proc. 2015, 2, S408–S413. [Google Scholar] [CrossRef]
- Xiao, H.; Zhang, K.; Shi, C.; Lu, Z.; Jiang, J. Influence of electropulsing treatment combined with pre-deformation on ageing behavior and mechanical properties of 5A90 Al-Li alloy. J. Alloys Compd. 2019, 784, 1234–1247. [Google Scholar] [CrossRef]
- Xu, J.; Huang, L.; Xu, Y.; Xie, B.; Zhao, M.; Su, H.; Wang, Y.; Li, J. Effect of pulsed electromagnetic field treatment on dislocation evolution and subsequent artificial aging behavior of 2195 Al-Li alloy. Mater. Charact. 2022, 187, 111872. [Google Scholar] [CrossRef]
- Wu, F.; Chen, W.; Zhao, B.; Hou, H.; Zhou, W.; Li, Z. Diffusion bonding of 1420 Al-Li alloy assisted by pure aluminum foil as interlayer. Materials 2020, 13, 1103. [Google Scholar] [CrossRef] [PubMed]
- Atabaki, M.M.; Idris, J. Low-temperature partial transient liquid phase diffusion bonding of Al/Mg2Si metal matrix composite to AZ91D using Al-based interlayer. Mater. Des. 2012, 34, 832–841. [Google Scholar] [CrossRef]
- Malekan, A.; Farvizi, M.; Mirsalehi, S.; Saito, N.; Nakashima, K. Influence of bonding time on the transient liquid phase bonding behavior of Hastelloy X using Ni-Cr-B-Si-Fe filler alloy. Mater. Sci. Eng. A 2019, 755, 37–49. [Google Scholar] [CrossRef]
- Han, J.; Wang, H.; Xu, A.; Niu, K.; Zheng, W. Externally-Physical-Field-Assisted Aging Precipitation in Aerospace Aluminum Alloys: A Review. Crit. Rev. Solid State Mater. Sci. 2022, 1–26. [Google Scholar] [CrossRef]
- Sarvari, M.; Abdollah-Zadeh, A.; Naffakh-Moosavy, H.; Rahimi, A.; Parsaeyan, H. Investigation of collision surfaces and weld interface in magnetic pulse welding of dissimilar Al/Cu sheets. J. Manuf. Process. 2019, 45, 356–367. [Google Scholar] [CrossRef]
- Li, J.; Pei, Q.; Wang, R.; Zhou, Y.; Zhang, Z.; Cao, Q.; Wang, D.; Mi, W.; Du, Y. Enhanced photocatalytic performance through magnetic field boosting carrier transport. ACS Nano 2018, 12, 3351–3359. [Google Scholar] [CrossRef]
- Li, Z.F.; Dong, J.; Zeng, X.Q.; Lu, C.; Ding, W.J.; Ren, Z.M. Influence of strong static magnetic field on intermediate phase growth in Mg-Al diffusion couple. J. Alloys Compd. 2007, 440, 132–136. [Google Scholar] [CrossRef]
- Yuan, Z.; Ren, Z.; Li, C.; Xiao, Q.; Wang, Q.; Dai, Y.; Wang, H. Effect of high magnetic field on diffusion behavior of aluminum in Ni-Al alloy. Mater. Lett. 2013, 108, 340–342. [Google Scholar] [CrossRef]
- Gubernatorov, V.V.; Sycheva, T.S.; Vladimirov, L.R.; Gundyrev, V.M.; Ivchenko, V.A.; Ovchinnikov, V.V. Effects of ion irradiation and magnetic field on primary recrystallization of metals. Phys. Met. Metallogr. 2009, 107, 68–72. [Google Scholar] [CrossRef]
- Zhou, C.H.; Ma, H.T.; Wang, L.; Li, X.W. Growth of subscale on Fe-20Ni binary alloy in the presence of magnetic field. Corros. Sci. 2013, 77, 292–296. [Google Scholar] [CrossRef]
- Ohtsuka, H.; Xu, Y.; Wada, H. Alignment of ferrite grains during austenite to ferrite transformation in a high magnetic field. Mater. Trans. JIM 2000, 41, 907–910. [Google Scholar] [CrossRef]
- Niu, T.; Hou, H.; Wang, Y.; Zhou, W.; Wu, F. Effect of high uniform magnetic field on joining property and element diffusion of 1420 Al-Li Alloy. Trans. China Weld. Inst. 2016, 37, 1–5. [Google Scholar]
- Wu, Y.; Wang, X.D.; Li, J.L.; Feng, Z.H. Effects of Solution Temperature on Microstructure of 2A66 Al-Cu-Li Alloy. Mater. Sci. Forum 2016, 850, 687–692. [Google Scholar]









| Li | Mg | Zr | Fe | Si | Ti | Cu | Al |
|---|---|---|---|---|---|---|---|
| 2.0 | 5.2 | 0.12 | 0.07 | 0.03 | ≤0.1 | 0.03 | Bal |
Publisher’s Note: MDPI stays neutral with regard to jurisdictional claims in published maps and institutional affiliations. |
© 2022 by the authors. Licensee MDPI, Basel, Switzerland. This article is an open access article distributed under the terms and conditions of the Creative Commons Attribution (CC BY) license (https://creativecommons.org/licenses/by/4.0/).
Share and Cite
Zhang, H.; Niu, T.; Li, Y.; Yuan, M. Influence of High Magnetic Field-Thermal Coupling Processing on Diffusion Bonding Properties and Element Diffusion of 1420 Al-Li Alloy. Crystals 2022, 12, 1508. https://doi.org/10.3390/cryst12111508
Zhang H, Niu T, Li Y, Yuan M. Influence of High Magnetic Field-Thermal Coupling Processing on Diffusion Bonding Properties and Element Diffusion of 1420 Al-Li Alloy. Crystals. 2022; 12(11):1508. https://doi.org/10.3390/cryst12111508
Chicago/Turabian StyleZhang, Huang, Tao Niu, Yaoming Li, and Meini Yuan. 2022. "Influence of High Magnetic Field-Thermal Coupling Processing on Diffusion Bonding Properties and Element Diffusion of 1420 Al-Li Alloy" Crystals 12, no. 11: 1508. https://doi.org/10.3390/cryst12111508
APA StyleZhang, H., Niu, T., Li, Y., & Yuan, M. (2022). Influence of High Magnetic Field-Thermal Coupling Processing on Diffusion Bonding Properties and Element Diffusion of 1420 Al-Li Alloy. Crystals, 12(11), 1508. https://doi.org/10.3390/cryst12111508

