A Coupled Modeling Simulator for Near-Field Processes in Cement Engineered Barrier Systems for Radioactive Waste Disposal
Abstract
1. Introduction
2. Modeling Software Used and Coupling with OpenMI
- GARFIELD-CHEMprovides as output: chemically-altered porosity, (−); and the leaching ratio data, where (mol/kgw) is the concentration of the ith mineral species that is simulated, for , where is the number of mineral species that are simulated;accepts as input: effective diffusion data, (m2/s), which overrides the in-built effective diffusion model; and information regarding timings and locations of cracks that appear in the system, fluxes of water through them and details of crack growth.
- MACBECEprovides as output: displacement data; and based on mechanical porosity change;accepts as input:; and data, which it uses to parameterize material properties.
- DEAFRAPprovides as output: timing and locations of cracks that appear in the system and details of crack growth.accepts as input:; and displacement data.
3. The GARFIELD-CHEM Reactive Transport Simulator
3.1. Reactive Transport Equations
3.2. Discretization
4. Effects of Chemical Alteration on Mechanical Parameters
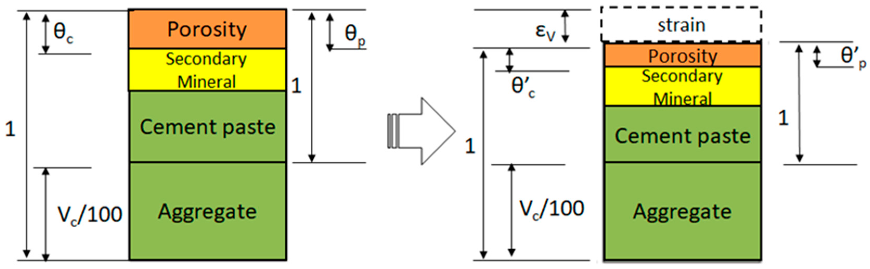
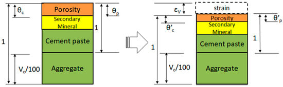
4.1. Modeling in MACBECE
4.2. Modeling in DEAFRAP
4.3. Relation between MACBECE and DEAFRAP
5. Application to TRU Gr3/4
5.1. GARFIELD-CHEM Model
5.2. MACBECE Model
5.3. DEAFRAP Model
6. Results
6.1. Before Cracking
6.1.1. Chemical Alteration
6.1.2. Porosity Alteration (Chemical) and Effective Diffusion Coefficients
6.1.3. Crack Distribution
6.1.4. Extraction of Backfill-Spanning Cracks
6.2. After Cracking
6.2.1. Hydraulic Analysis
6.2.2. Mesh Refinement after Cracking
6.2.3. Chemical Alteration
6.2.4. Porosity Alteration (Chemical)
7. Conclusions
Author Contributions
Funding
Conflicts of Interest
Appendix A
Appendix A.1. Thermodynamic Parameters for GARFIELD-CHEM Analysis
| Mineral | Reaction | Molar Volume (cc/mol) | Log K (25 °C) | Reaction Rate (mol m−2 s−1) | Specific Surface Area (m2/g) |
|---|---|---|---|---|---|
| Brucite | 24.630 | 17.1018 | 5.75 × 10−17 | 10 | |
| Calcite | 36.934 | 1.8487 | 6.30 × 10−6 | 0.02 | |
| CSH165 | 77.406 | 28.8407 | 3.63 × 10−9 | 22.43 | |
| CSH105 | 62.131 | 15.4797 | 1.10 × 10−11 | 62.48 | |
| Portlandite | 33.060 | 22.8002 | 1.00 × 10−6 | 10.44 |
| Aqueous Species | Reaction | Log K (25 °C) |
|---|---|---|
| 13.9951 | ||
| 7.0017 | ||
| 12.8501 | ||
| −1.0467 | ||
| −6.3813 | ||
| 10.3288 | ||
| −1.0357 | ||
| 7.3499 | ||
| 11.6795 | ||
| 8.6998 | ||
| 19.0646 | ||
| 9.8096 | ||
| 23.1701 |
Appendix A.2. Parameters for MACBECE Analysis
Appendix A.2.1. Specifications of Cement Materials
| Component | Material | Aggregate Ratio | Porosity | Real Density (g/cm3) | Compressive Strength (MPa) |
|---|---|---|---|---|---|
| Inner Liner, Outer Liner, Invert, Backfill | Concrete (W/C = 45%) | 67 vol% | 13% | 2.62 | 43 |
| Waste | Mortar (W/C = 55%) | 54 vol% | 19% | 2.58 | 35 |
| Property | Inner Liner/Outer Liner/ Invert/Backfill | Waste |
|---|---|---|
| Initial Young’s modulus E0 (MPa) | 3.04 × 104 | 1.75 × 104 |
| Poisson ratio ν(−) [before yield] | 0.20 | 0.20 |
| [after yield] | 0.45 | 0.45 |
| Effective overburden pressure σvi’ (Mpa) | Obtained by deadweight calculation | |
| Coefficient of earth pressure at rest Ki (−) | Obtained by deadweight calculation | |
| Initial elastic shear modulus G0(MPa) | G0 = E0/2(1 + ν) | |
| Initial adhesive force c0 (MPa) | 21.5 | 17.5 |
| internal frictional angle φ (deg.) | 0 | 0 |
| Initial compressive strength σc0 (MPa) | 43 | 35 |
| Minimum compressive strength σc min (MPa) | 0.43 | 0.35 |
| Air dried weight of unit volume γ (kN/m3) | 22.8 | 20.9 |
| Initial tensile strength σt (MPa) | 4.3 | 3.5 |
| Minimum tensile strength σt min (MPa) | 0.043 | 0.035 |
| Rigidity reduction ratio after cracking (−) | 1/100 | 1/100 |
| Water viscosity (m2/s) | 1.0 × 10−6 | 1.0 × 10−6 |
| Number of cracks per element | 1.0 | 1.0 |
Appendix A.2.2. Properties of Metal Materials
| Waste (Steel Package) | Waste (Drum Can) | |
|---|---|---|
| Corrosion swelling ratio β (−) | 3.2 | |
| Rigidity (sound region) E0 (MPa) | 211,400 | |
| Rigidity (corroded region) Ecor (MPa) | 250 | |
| Poisson ratio ν (−) | 0.333 | |
Appendix A.3. Relation between Corrosion Swelling Rate and Distortion Increasing Rate

Appendix A.4. Distortion Increasing Rate for Steel Packages

| Number | Δεx (%/Year) | Δεy (%/Year) |
|---|---|---|
| 14 | 100γ/hx = 66.667γ (hx = 0.75 × 2) | 100γ/hy = 20000γ (hy = 0.005) |
| 15 | 100γ/hx = 20000γ (hx = 0.005) | 100γ/hy = 90.909γ (hy = 1.1) |
| 16 | 100γ/hx = 66.667γ (hx = 0.75 × 2) | 100γ/hy = 90.909γ (hy = 1.1) |
| 17 | 100γ/hx = 166.667γ (hx = 0.6) | 100γ/hy = 62500γ (hy = 0.0016) |
| 18 | 100γ/hx = 62500γ (hx = 0.0016) | 100γ/hy = 111.111γ (hy = 0.9) |
| 19 | 100γ/hx = 166.667γ (hx = 0.6) | 100γ/hy = 111.111γ (hy = 0.9) |
Properties for the Rock Material
| Property | Value |
|---|---|
| Unit weight γt (kN/m3) | 22.0 |
| Uniaxial compressive strength qu (MPa) | 15.0 |
| Tensile strength σt (MPa) | 2.1 |
| Initial Young’s modulus E0 (MPa) | 3.50 × 103 |
| Initial Poisson ratio ν0 (−) | 0.30 |
| Initial overburden pressure σvi (MPa) | 11.0 |
| Lateral pressure coefficient Ki (−) | 1.066 |
References
- Carter, A.; Kelly, M.; Bailey, L. Radioactive high level waste insight modelling for geological disposal facilities. Phys. Chem. Earth Parts A/B/C 2013, 64, 1–11. [Google Scholar] [CrossRef]
- Parkhurst, D.L.; Appelo, C. Description of Input and Examples for PHREEQC Version 3: A Computer Program for Speciation, Batch-Reaction, One-Dimensional Transport, and Inverse Geochemical Calculations; Techniques and Methods; U.S. Geological Survey: Denver, CO, USA, 2013.
- Lichtner, P.C.; Hammond, G.E.; Lu, C.; Karra, S.; Bisht, G.; Andre, B.; Mills, R.T.; Kumar, J. PFLOTRAN User Manual: A Massively Parallel Reactive Flow and Transport Model for Describing Surface and Subsurface Processes; Office of Scientific and Technical Information (OSTI): Oak Ridge, TN, USA, 2015. [CrossRef]
- Bethke, C.M.; Farrell, B.; Yeakel, S. The Geochemist’s Workbench, Version 12.0: GWB Essentials Guide; Aqueous Solutions, LLC.: Champaign, IL, USA, 2018. [Google Scholar]
- Hibbitt, D.; Karlsson, B.; Sorensen, P. ABAQUS/CAE User’s Manual, 6.11; Simulia Corp.: Johnston, RI, USA, 2013. [Google Scholar]
- COMSOL Multiphysics® v. 5.4. www.comsol.com; COMSOL AB: Stockholm, Sweden, 2018.
- Eymard, R.; Gallouët, T.; Herbin, R. Finite volume methods. In Handbook of Numerical Analysis; Ciarlet, P.G., Lions, J.L., Eds.; Elsevier: Amsterdam, The Netherlands, 1997; Volume 7, pp. 713–1018. [Google Scholar] [CrossRef]
- Johnson, C. Numerical Solution of Partial Differential Equations by the Finite Element Method. Math. Comput. 1989, 52, 247. [Google Scholar] [CrossRef]
- Shimizu, H.; Murata, S.; Ishida, T. The distinct element analysis for hydraulic fracturing in hard rock considering fluid viscosity and particle size distribution. Int. J. Rock Mech. Min. Sci. 2011, 48, 712–727. [Google Scholar] [CrossRef]
- Tryggvason, G.; Bunner, B.; Esmaeeli, A.; Jurič, D.; Al-Rawahi, N.; Tauber, W.; Han, J.; Nas, S.; Jan, Y.-J. A Front-Tracking Method for the Computations of Multiphase Flow. J. Comput. Phys. 2001, 169, 708–759. [Google Scholar] [CrossRef]
- Gregersen, J.B.; Gijsbers, P.J.A.; Westen, S.J.P. OpenMI: Open modelling interface. J. Hydroinform. 2007, 9, 175–191. [Google Scholar] [CrossRef]
- JAEA; FEPC. Second Progress Report on Research and Development for TRU Waste Disposal in Japan—Repository Design, Safety Assessment and Means of Implementation in the Generic Phase—, JAEA-Review 2007-010; FEPC TRU-TR2-2007-01, Technical Report; Japan Atomic Energy Agency (JAEA): Tokai, Ibaraki, Japan; The Federation of Electric Power Companies Japan (FEPC): Chiyoda, Tokyo, Japan, 2007. [Google Scholar]
- Ohno, S.; Morikawa, S.; Mihara, M. The Rock Creep Evaluation in the Analysis System for the Long-Term Behavior of TRU Waste Disposal System. In Proceedings of the ASME 2009 12th International Conference on Environmental Remediation and Radioactive Waste Management, Liverpool, UK, 11–15 October 2009; Volume 2, pp. 291–297. [Google Scholar]
- Mihara, M.; Hirano, F.; Takayama, Y.; Kyokawa, H.; Ohno, S. Long-term mechanical analysis code considering chemical alteration for a TRU waste geological repository. Genshiryoku Bakkuendo Kenkyu (Internet) 2017, 24, 15–25. [Google Scholar]
- JAEA. The Project for Validating Assessment Methodology in Geological Disposal System; Summary Report for JFY2013-2017; Japan Atomic Energy Agency (JAEA): Tokai, Ibaraki, Japan, 2018. (In Japanese) [Google Scholar]
- Moore, R.; Gijsbers, P.; Fortune, D.; Gergersen, J.; Blind, M. OpenMI Document Series: Part A Scope for the OpenMI (Version 1.4). IT Frameworks (HarmonIT) Contract EVK1-CT-2001-00090. Available online: https://www.openmi.org/openmi-around-the-world/development-tools (accessed on 28 August 2020).
- Steefel, C.I.; Appelo, C.A.J.; Arora, B.; Jacques, D.; Kalbacher, T.; Kolditz, O.; Lagneau, V.; Lichtner, P.C.; Mayer, K.U.; Meeussen, J.C.L.; et al. Reactive transport codes for subsurface environmental simulation. Comput. Geosci. 2014, 19, 445–478. [Google Scholar] [CrossRef]
- Zhu, C.; Anderson, G. Environmental Applications of Geochemical Modeling; Cambridge University Press: Cambridge, UK, 2002. [Google Scholar]
- Bethke, C.M. Geochemical and Biogeochemical Reaction Modeling; Cambridge University Press: Cambridge, UK, 2007. [Google Scholar] [CrossRef]
- Pitzer, K.S. Activity Coefficients in Electrolyte Solutions, 2nd ed.; CRC Press: Boca Raton, FL, USA, 1991. [Google Scholar]
- Archie, G. The Electrical Resistivity Log as an Aid in Determining Some Reservoir Characteristics. Trans. AIME 1942, 146, 54–62. [Google Scholar] [CrossRef]
- Hindmarsh, A.C.; Brown, P.N.; Grant, K.E.; Lee, S.L.; Serban, R.; Shumaker, D.E.; Woodward, C.S. SUNDIALS, suite of nonlinear and differential/algebraic equation solvers. ACMTrans. Math. Softw. 2005, 31, 363–396. [Google Scholar] [CrossRef]
- Wilson, J.C.; Benbow, S.; Metcalfe, R. Reactive transport modelling of a cement backfill for radioactive waste disposal. Cem. Concr. Res. 2018, 111, 81–93. [Google Scholar] [CrossRef]
- Arndt, D.; Bangerth, W.; Clevenger, T.C.; Davydov, D.; Fehling, M.; Garcia-Sanchez, D.; Harper, G.; Heister, T.; Heltai, L.; Kronbichler, M.; et al. The deal.II library, Version 9.1. J. Numer. Math. 2019, 27, 203–213. [Google Scholar] [CrossRef]
- Okubo, S. Analytical Consideration of Constitutive Equation of Variable Compliance Type. Shigen-to-Sozai 1992, 108, 601–606. [Google Scholar] [CrossRef]
- Motojima, M.; Kitahara, Y.; Ito, H. The Stability of Rock Foundation with Considering Strain-Softening Material; CRIEPI Technical Report; Central Research Institute of Electric Power Industry (CRIEPI): Tokyo, Japan, 1981. (In Japanese) [Google Scholar]
- Rots, J. Computational Modelling of Concrete Fracture. Ph.D. Thesis, Delft University of Technology, Delft, The Netherlands, 1988. [Google Scholar]
- Cundall, P.A.; Strack, O.D.L. A discrete numerical model for granular assemblies. Géotechnique 1979, 29, 47–65. [Google Scholar] [CrossRef]
- Potyondy, D.; Cundall, P. A bonded-particle model for rock. Int. J. Rock Mech. Min. Sci. 2004, 41, 1329–1364. [Google Scholar] [CrossRef]
- Geuzaine, C.; Remacle, J.-F. Gmsh: A 3-D finite element mesh generator with built-in pre- and post-processing facilities. Int. J. Numer. Methods Eng. 2009, 79, 1309–1331. [Google Scholar] [CrossRef]
- Yui, M.; Sasamoto, H.; Arthur, R. Geostatistical and geochemical classification of groundwaters considered in safety assessment of a deep geologic repository for high-level radioactive wastes in Japan. Geochem. J. 2004, 38, 33–42. [Google Scholar] [CrossRef][Green Version]
- JAEA Advanced Assessment Technology Development for Impact of Cement on Geological Disposal System for Long-lived Radioactive Waste; Annual Report for JFY2014, JAEA Technical Report; Japan Atomic Energy Agency (JAEA): Tokai, Ibaraki, Japan, 2015. (In Japanese)
- Lin, H.C.J.; Richards, D.R.; Yeh, G.T.; Cheng, J.R.; Cheng, H.P. FEMWATER: A Three-Dimensional Finite Element Computer Model for Simulating Density-Dependent Flow and Transport in Variably Saturated Media (No. WES/TR/CHL-97-12); Army Engineer Waterways Experiment Station Vicksburg Ms Coastal Hydraulics Lab: Vicksburg, MS, USA, 1997. [Google Scholar]
- Snow, D.T. Anisotropie Permeability of Fractured Media. Water Resour. Res. 1969, 5, 1273–1289. [Google Scholar] [CrossRef]
- JAEA. The Project for Validating Assessment Methodology in Geological Disposal System; Annual Report for JFY2016, JAEA Technical Report; Japan Atomic Energy Agency (JAEA): Tokai, Ibaraki, Japan, 2017. (In Japanese) [Google Scholar]
- Hirano, F.; Otani, Y.; Kyokawa, H.; Mihara, M.; Shimizu, H.; Honda, A. Crack Formation in Cementitious Materials Used for an Engineering Barrier System and Their Impact on Hydraulic Conductivity from the Viewpoint of Performance Assessment of a TRU Waste Disposal System. Trans. At. Energy Soc. Jpn. 2015, 15, 97–114. [Google Scholar] [CrossRef]

















| Mineral | Waste (mol/m3) | Backfill/Invert/Inner Liner/Outer Liner (mol/m3) |
|---|---|---|
| Brucite | 0 | 0 |
| Calcite | 0 | 0 |
| CSH165 * | 1734 | 1318 |
| CSH105 * | 0 | 0 |
| Portlandite | 2142 | 1628 |
| Porosity (−) | 0.19 | 0.13 |
| Initial Porewater (mol/kg) | External Water (mol/kg) | |
|---|---|---|
| pH | 13.49 | 8.46 |
| C | 3.83 × 10−4 | 3.54 × 10−3 |
| Ca | 7.09 × 10−4 | 1.09 × 10−4 |
| K | 2.51 × 10−1 | 6.15 × 10−5 |
| Mg | 2.15 × 10−9 | 5.00 × 10−5 |
| Na | 2.19 × 10−1 | 3.55 × 10−3 |
| Si | 1.18 × 10−5 | 3.39 × 10−4 |
| Uncracked | Cracked | |||
|---|---|---|---|---|
| Waste | 1.79 × 10−11 | 3.05 | 4.64 × 10−10 | 1.00 |
| Backfill/Invert/Inner Liner/Outer Liner | 4.51 × 10−12 | 3.05 | 2.95 × 10−10 | 1.00 |
| Parameter | Value |
|---|---|
| Crack aperture | 0.84 × 10−3 (m) |
| Volumetric flux | 1.16 × 10−10 (m3/s) |
| Crack geometry | Piecewise linear pathway based on Figure 14. |
© 2020 by the authors. Licensee MDPI, Basel, Switzerland. This article is an open access article distributed under the terms and conditions of the Creative Commons Attribution (CC BY) license (http://creativecommons.org/licenses/by/4.0/).
Share and Cite
Benbow, S.J.; Kawama, D.; Takase, H.; Shimizu, H.; Oda, C.; Hirano, F.; Takayama, Y.; Mihara, M.; Honda, A. A Coupled Modeling Simulator for Near-Field Processes in Cement Engineered Barrier Systems for Radioactive Waste Disposal. Crystals 2020, 10, 767. https://doi.org/10.3390/cryst10090767
Benbow SJ, Kawama D, Takase H, Shimizu H, Oda C, Hirano F, Takayama Y, Mihara M, Honda A. A Coupled Modeling Simulator for Near-Field Processes in Cement Engineered Barrier Systems for Radioactive Waste Disposal. Crystals. 2020; 10(9):767. https://doi.org/10.3390/cryst10090767
Chicago/Turabian StyleBenbow, Steven J., Daisuke Kawama, Hiroyasu Takase, Hiroyuki Shimizu, Chie Oda, Fumio Hirano, Yusuke Takayama, Morihiro Mihara, and Akira Honda. 2020. "A Coupled Modeling Simulator for Near-Field Processes in Cement Engineered Barrier Systems for Radioactive Waste Disposal" Crystals 10, no. 9: 767. https://doi.org/10.3390/cryst10090767
APA StyleBenbow, S. J., Kawama, D., Takase, H., Shimizu, H., Oda, C., Hirano, F., Takayama, Y., Mihara, M., & Honda, A. (2020). A Coupled Modeling Simulator for Near-Field Processes in Cement Engineered Barrier Systems for Radioactive Waste Disposal. Crystals, 10(9), 767. https://doi.org/10.3390/cryst10090767

