F,O,S-Codoped Graphitic Carbon Nitride as an Efficient Photocatalyst for the Synthesis of Benzoxazoles and Benzimidazoles
Abstract
1. Introduction
2. Results
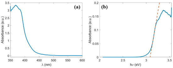
2.1. Characterization of the Photocatalyst
2.2. Photocatalytic Synthesis of Benzoxazoles and Benzimidazoles
2.2.1. Catalytic Conditions and Yields
2.2.2. Spectral Data of the Synthesized Products
3. Discussion
3.1. On the Role of the Doping Elements
3.2. Reaction Mechanism
3.3. On the Advantages of the Novel Photocatalyst for the Synthesis of Benzoxazoles and Benzimidazoles
4. Materials and Methods
4.1. Reagents
4.2. Synthesis of the Photocatalyst
4.3. Characterization of the Photocatalyst
4.4. Synthesis of Benzoxazoles and Benzimidazoles
5. Conclusions
Supplementary Materials
Author Contributions
Funding
Institutional Review Board Statement
Informed Consent Statement
Data Availability Statement
Acknowledgments
Conflicts of Interest
References
- Seth, K.; Garg, S.K.; Kumar, R.; Purohit, P.; Meena, V.S.; Goyal, R.; Banerjee, U.C.; Chakraborti, A.K. 2-(2-arylphenyl)benzoxazole as a novel anti-inflammatory scaffold: Synthesis and biological evaluation. ACS Med. Chem. Lett. 2014, 5, 512–516. [Google Scholar] [CrossRef] [PubMed]
- Zhang, W.; Liu, J.; Macho, J.M.; Jiang, X.; Xie, D.; Jiang, F.; Liu, W.; Fu, L. Design, synthesis and antimicrobial evaluation of novel benzoxazole derivatives. Eur. J. Med. Chem. 2017, 126, 7–14. [Google Scholar] [CrossRef] [PubMed]
- Mortimer, C.G.; Wells, G.; Crochard, J.-P.; Stone, E.L.; Bradshaw, T.D.; Stevens, M.F.G.; Westwell, A.D. Antitumor benzothiazoles. 26. 2-(3,4-dimethoxyphenyl)-5-fluorobenzothiazole (GW 610, NSC 721648), a simple fluorinated 2-arylbenzothiazole, shows potent and selective inhibitory activity against lung, colon, and breast cancer cell lines. J. Med. Chem. 2005, 49, 179–185. [Google Scholar] [CrossRef] [PubMed]
- Gerova, M.S.; Stateva, S.R.; Radonova, E.M.; Kalenderska, R.B.; Rusew, R.I.; Nikolova, R.P.; Chanev, C.D.; Shivachev, B.L.; Apostolova, M.D.; Petrov, O.I. Combretastatin A-4 analogues with benzoxazolone scaffold: Synthesis, structure and biological activity. Eur. J. Med. Chem. 2016, 120, 121–133. [Google Scholar] [CrossRef]
- Nguyen, T.T.; Nguyen, X.-T.T.; Nguyen, T.-L.H.; Tran, P.H. Synthesis of benzoxazoles, benzimidazoles, and benzothiazoles using a brønsted acidic ionic liquid gel as an efficient heterogeneous catalyst under a solvent-free condition. ACS Omega 2019, 4, 368–373. [Google Scholar] [CrossRef]
- Vafaeezadeh, M.; Alinezhad, H. Brønsted acidic ionic liquids: Green catalysts for essential organic reactions. J. Mol. Liq. 2016, 218, 95–105. [Google Scholar] [CrossRef]
- Pham, P.T.; Nguyen, H.T.; Nguyen, T.T.; Nguyen, L.H.T.; Dang, M.-H.D.; Doan, T.L.H.; Pham, D.D.; Nguyen, C.T.; Tran, P.H. Rapid and simple microwave-assisted synthesis of benzoxazoles catalyzed by [cholineCl][oxalic acid]. Catalysts 2022, 12, 1394. [Google Scholar] [CrossRef]
- Verma, S.K.; Verma, R.; Girish, Y.R.; Xue, F.; Yan, L.; Verma, S.; Singh, M.; Vaishnav, Y.; Shaik, A.B.; Bhandare, R.R.; et al. Heterogeneous graphitic carbon nitrides in visible-light-initiated organic transformations. Green Chem. 2022, 24, 438–479. [Google Scholar] [CrossRef]
- Wang, J.; Wang, S. A critical review on graphitic carbon nitride (g-C3N4)-based materials: Preparation, modification and environmental application. Coord. Chem. Rev. 2022, 453, 214338. [Google Scholar] [CrossRef]
- Zhang, L.; Liu, D.; Guan, J.; Chen, X.; Guo, X.; Zhao, F.; Hou, T.; Mu, X. Metal-free g-C3N4 photocatalyst by sulfuric acid activation for selective aerobic oxidation of benzyl alcohol under visible light. Mater. Res. Bull. 2014, 59, 84–92. [Google Scholar] [CrossRef]
- Goodarzi, N.; Rashidizadeh, A.; Ghafuri, H. ompg-C3N4/SO3H organocatalyst-mediated green synthesis of 1,2-dihydro-1-arylnaphtho[1,2-e][1,3] oxazin-3-ones under solvent-free and mild conditions: A fast and facile one-pot three-component approach. Mon. Chem.—Chem. Mon. 2020, 151, 791–798. [Google Scholar] [CrossRef]
- Veisi, H.; Mohammadi, P.; Ozturk, T. Design, synthesis, characterization, and catalytic properties of g-C3N4-SO3H as an efficient nanosheet ionic liquid for one-pot synthesis of pyrazolo[3,4-b]pyridines and bis(indolyl)methanes. J. Mol. Liq. 2020, 303, 112625. [Google Scholar] [CrossRef]
- Chu, Y.-C.; Lin, T.-J.; Lin, Y.-R.; Chiu, W.-L.; Nguyen, B.-S.; Hu, C. Influence of P,S,O-Doping on g-C3N4 for hydrogel formation and photocatalysis: An experimental and theoretical study. Carbon 2020, 169, 338–348. [Google Scholar] [CrossRef]
- Dante, R.C.; Martín-Ramos, P.; Sánchez-Arévalo, F.M.; Huerta, L.; Bizarro, M.; Navas-Gracia, L.M.; Martín-Gil, J. Synthesis of crumpled nanosheets of polymeric carbon nitride from melamine cyanurate. J. Solid State Chem. 2013, 201, 153–163. [Google Scholar] [CrossRef]
- Jiang, J.; Zou, J.; Wee, A.T.S.; Zhang, W. Use of single-layer g-C3N4/Ag hybrids for surface-enhanced raman scattering (SERS). Sci. Rep. 2016, 6, 34599. [Google Scholar] [CrossRef]
- Phuc, N.V.; An, D.T.; Tri, N.N.; Ha, T.H.; Hien, T.T.T.; Hung, N.P.; Vo, V. Synthesis and photocatalytic activity of fluorine doped-g-C3N4. Appl. Mech. Mater. 2019, 889, 24–32. [Google Scholar] [CrossRef]
- Mazánek, V.; Jankovský, O.; Luxa, J.; Sedmidubský, D.; Janoušek, Z.; Šembera, F.; Mikulics, M.; Sofer, Z. Tuning of fluorine content in graphene: Towards large-scale production of stoichiometric fluorographene. Nanoscale 2015, 7, 13646–13655. [Google Scholar] [CrossRef]
- You, R.; Dou, H.; Chen, L.; Zheng, S.; Zhang, Y. Graphitic carbon nitride with S and O codoping for enhanced visible light photocatalytic performance. RSC Adv. 2017, 7, 15842–15850. [Google Scholar] [CrossRef]
- Wang, X.; Wang, W.; Liu, Y.; Ren, M.; Xiao, H.; Liu, X. Characterization of conformation and locations of C–F bonds in graphene derivative by polarized ATR-FTIR. Anal. Chem. 2016, 88, 3926–3934. [Google Scholar] [CrossRef]
- Lin, W.; Lu, K.; Zhou, S.; Wang, J.; Mu, F.; Wang, Y.; Wu, Y.; Kong, Y. Defects remodeling of g-C3N4 nanosheets by fluorine-containing solvothermal treatment to enhance their photocatalytic activities. Appl. Surf. Sci. 2019, 474, 194–202. [Google Scholar] [CrossRef]
- Yang, X.; Qian, F.; Zou, G.; Li, M.; Lu, J.; Li, Y.; Bao, M. Facile fabrication of acidified g-C3N4/g-C3N4 hybrids with enhanced photocatalysis performance under visible light irradiation. Appl. Catal. B Environ. 2016, 193, 22–35. [Google Scholar] [CrossRef]
- Sun, L.; Li, Y.; Feng, W. Gas-phase fluorination of g-C3N4 for enhanced photocatalytic hydrogen evolution. Nanomaterials 2021, 12, 37. [Google Scholar] [CrossRef] [PubMed]
- Liu, G.; Niu, P.; Sun, C.; Smith, S.C.; Chen, Z.; Lu, G.Q.; Cheng, H.-M. Unique electronic structure induced high photoreactivity of sulfur-doped graphitic C3N4. J. Am. Chem. Soc. 2010, 132, 11642–11648. [Google Scholar] [CrossRef] [PubMed]
- Wang, Y.; Di, Y.; Antonietti, M.; Li, H.; Chen, X.; Wang, X. Excellent visible-light photocatalysis of fluorinated polymeric carbon nitride solids. Chem. Mater. 2010, 22, 5119–5121. [Google Scholar] [CrossRef]
- Dong, G.; Zhao, K.; Zhang, L. Carbon self-doping induced high electronic conductivity and photoreactivity of g-C3N4. Chem. Commun. 2012, 48, 6178. [Google Scholar] [CrossRef]
- Cheng, H.; Feng, Y.; Fu, Y.; Zheng, Y.; Shao, Y.; Bai, Y. Understanding and minimizing non-radiative recombination losses in perovskite light-emitting diodes. J. Mater. Chem. C 2022, 10, 13590–13610. [Google Scholar] [CrossRef]
- Layek, S.; Agrahari, B.; Kumar, A.; Dege, N.; Pathak, D.D. Synthesis and X-ray crystal structures of three new nickel(II) complexes of benzoylhydrazones: Catalytic applications in the synthesis of 2-arylbenzoxazoles. Inorg. Chim. Acta 2019, 500, 119222. [Google Scholar] [CrossRef]
- Li, Y.; Li, X.; Zhang, H.; Fan, J.; Xiang, Q. Design and application of active sites in g-C3N4-based photocatalysts. J. Mater. Sci. Technol. 2020, 56, 69–88. [Google Scholar] [CrossRef]
- Katsumata, H.; Tateishi, I.; Furukawa, M.; Kaneco, S. Highly photocatalytic hydrogen generation over P-doped g-C3N4 with aromatic ring structure. Mater. Lett. 2021, 299, 130068. [Google Scholar] [CrossRef]
- Stolbov, S.; Zuluaga, S. Sulfur doping effects on the electronic and geometric structures of graphitic carbon nitride photocatalyst: Insights from first principles. J. Phys. Condens. Matter 2013, 25, 085507. [Google Scholar] [CrossRef]
- Wang, H.; Zhang, X.; Xie, J.; Zhang, J.; Ma, P.; Pan, B.; Xie, Y. Structural distortion in graphitic-C3N4 realizing an efficient photoreactivity. Nanoscale 2015, 7, 5152–5156. [Google Scholar] [CrossRef]
- Liu, H.; Wang, X.; Xu, H.; Luo, C. Facile synthesis of F-doped g-C3N4/Bi2Fe4O9 heterostructure with Z-scheme for enhanced photocatalytic performance in NO oxidation. J. Phys. Chem. Solids 2020, 146, 109500. [Google Scholar] [CrossRef]
- Kobkeatthawin, T.; Trakulmututa, J.; Amornsakchai, T.; Kajitvichyanukul, P.; Smith, S.M. Identification of active species in photodegradation of aqueous imidacloprid over g-C3N4/TiO2 nanocomposites. Catalysts 2022, 12, 120. [Google Scholar] [CrossRef]
- Li, Z.; Song, H.; Guo, R.; Zuo, M.; Hou, C.; Sun, S.; He, X.; Sun, Z.; Chu, W. Visible-light-induced condensation cyclization to synthesize benzimidazoles using fluorescein as a photocatalyst. Green Chem. 2019, 21, 3602–3605. [Google Scholar] [CrossRef]
- Xiao, J.; Xie, Y.; Rabeah, J.; Brückner, A.; Cao, H. Visible-light photocatalytic ozonation using graphitic C3N4 catalysts: A hydroxyl radical manufacturer for wastewater treatment. Acc. Chem. Res. 2020, 53, 1024–1033. [Google Scholar] [CrossRef]
- Fekri, L.Z.; Nikpassand, M.; Shariati, S.; Aghazadeh, B.; Zarkeshvari, R.; Norouz pour, N. Synthesis and characterization of amino glucose-functionalized silica-coated NiFe2O4 nanoparticles: A heterogeneous, new and magnetically separable catalyst for the solvent-free synthesis of 2,4,5–trisubstituted imidazoles, benzo[d]imidazoles, benzo[d] oxazoles and azo-linked benzo[d]oxazoles. J. Organomet. Chem. 2018, 871, 60–73. [Google Scholar] [CrossRef]
- Bahrami, K.; Karami, Z. Core/shell structured ZnO@SiO2-TTIP composite nanoparticles as an effective catalyst for the synthesis of 2-substituted benzimidazoles and benzothiazoles. J. Exp. Nanosci. 2018, 13, 272–283. [Google Scholar] [CrossRef]









| C 1s %at. | N 1s %at. | F 1s %at. | O 1s %at. | S 2p %at. | Si 2p %at. | |
|---|---|---|---|---|---|---|
| Wide scans | 36.24 | 41.81 | 9.73 | 9.67 | 2.23 | 0.32 |
| High-resolution regions | 37.07 | 42.69 | 9.05 | 8.99 | 1.93 | 0.27 |
| C %at. | N %at. | F %at. | O %at. | S %at. | Si %at. |
|---|---|---|---|---|---|
| 52.58 | 37.10 | 1.40 | 2.48 | 4.26 | 2.18 |
| Aldehyde | 2-Aminophenol | Catalyst | Irrad. Time (min) | Total Weigh (mg) | Benzoxazole (mg) | TON a | TOF b (h−1) | Yield c (%) | ||||
|---|---|---|---|---|---|---|---|---|---|---|---|---|
| mg | mmol | mg | mmol | mg | wt% | |||||||
| Benzaldehyde | 228 | 2.15 | 225 | 2.06 | 3 | 0.65 | 15 | 456 | 58 | 9 | 36 | 12.7 |
| 301 | 2.84 | 299 | 2.73 | 3 | 0.50 | 15 | 603 | 33 | 5 | 21 | 5.5 | |
| 280 | 2.64 | 274 | 2.51 | 6 | 1.07 | 30 | 560 | 490 | 39 | 77 | 87.5 | |
| 53 | 0.50 | 55 | 0.52 | 1 | 0.92 | 30 | 109 | 60 | 28 | 56 | 55.0 | |
| 53 | 0.50 | 53 | 0.49 | 0.5 | 0.47 | 15 | 107 | 30 | 31 | 123 | 28.0 | |
| 53 | 0.50 | 55 | 0.52 | 1.0 * | 0.92 * | 30 | 109 | 25 | 12 | 23 | 22.9 | |
| 4-chlorobenzaldehyde | 399 | 2.84 | 299 | 2.74 | 3 | 0.43 | 30 | 701 | 40 | 5 | 11 | 5.7 |
| 389 | 2.77 | 302 | 2.77 | 10 | 1.43 | 30 | 701 | 600 | 24 | 48 | 85.6 | |
| 415 | 2.95 | 322 | 2.95 | 9 | 1.20 | 30 | 746 | 605 | 27 | 54 | 81.1 | |
| 70 | 0.50 | 55 | 0.50 | 1.3 | 1.03 | 15 | 126 | 60 | 19 | 74 | 47.6 | |
| 70 | 0.50 | 55 | 0.50 | 0.6 | 0.48 | 15 | 126 | 30 | 20 | 80 | 23.8 | |
| 70 | 0.50 | 55 | 0.50 | 1.3 * | 1.03 * | 15 | 126 | 15 | 5 | 18 | 11.9 | |
| 2-naphtaldehyde | 78 | 0.50 | 55 | 0.50 | 2.6 | 1.91 | 30 | 136 | 80 | 12 | 23 | 58.8 |
| 78 | 0.50 | 55 | 0.50 | 2.6 | 1.91 | 30 | 136 | 90 | 13 | 26 | 66.2 | |
| 156 | 1.00 | 110 | 1.00 | 3.0 | 1.11 | 30 | 269 | 180 | 23 | 46 | 66.9 | |
| 156 | 1.00 | 110 | 1.00 | 2.0 | 0.75 | 15 | 268 | 100 | 20 | 82 | 37.3 | |
| 156 | 1.00 | 110 | 1.00 | 4.0 | 1.48 | 15 | 270 | 150 | 14 | 57 | 55.5 | |
| 156 | 1.00 | 110 | 1.00 | 2.0 * | 0.75 * | 15 | 268 | 35 | 7 | 29 | 13.1 | |
| 2-hydroxybenzaldehyde | 61 | 0.50 | 55 | 0.50 | 1.2 | 1.02 | 15 | 117 | 92 | 34 | 134 | 78.6 |
| 61 | 0.50 | 55 | 0.50 | 1.2 | 1.02 | 15 | 117 | 88 | 32 | 128 | 75.2 | |
| 122 | 1.00 | 110 | 1.00 | 1.8 | 0.77 | 15 | 234 | 120 | 29 | 116 | 51.3 | |
| 122 | 1.00 | 110 | 1.00 | 3.0 | 1.28 | 30 | 235 | 185 | 27 | 53 | 78.7 | |
| 122 | 1.00 | 110 | 1.00 | 4.5 | 1.90 | 30 | 237 | 196 | 19 | 38 | 82.7 | |
| 122 | 1.00 | 110 | 1.00 | 3.0 * | 1.28 * | 30 | 235 | 45 | 7 | 13 | 19.1 | |
| 2-methoxybenzaldehyde | 68 | 0.50 | 55 | 0.50 | 1.2 | 0.97 | 15 | 124 | 65 | 22 | 88 | 52.4 |
| 68 | 0.50 | 55 | 0.50 | 1.2 | 0.97 | 15 | 124 | 72 | 10 | 40 | 58.1 | |
| 136 | 1.00 | 110 | 1.00 | 3.0 | 1.20 | 15 | 249 | 150 | 20 | 80 | 60.2 | |
| 136 | 1.00 | 110 | 1.00 | 5.0 | 2.00 | 30 | 250 | 189 | 16 | 32 | 75.6 | |
| 136 | 1.00 | 110 | 1.00 | 6.0 | 2.34 | 30 | 251 | 195 | 13 | 26 | 77.7 | |
| 136 | 1.00 | 110 | 1.00 | 3.0 * | 1.2 * | 30 | 249 | 34 | 5 | 19 | 13.7 | |
| Aldehyde | 1,2-Phenylenediamine | Catalyst | Irrad. Time (min) | Total Weight (mg) | Benzimidazole (mg) | TON a | TOF b (h−1) | Yield c (%) | ||||
|---|---|---|---|---|---|---|---|---|---|---|---|---|
| mg | mmoL | mg | mmoL | mg | wt% | |||||||
| Benzaldehyde | 106 | 1.00 | 108 | 1.00 | 6.0 | 2.73 | 30 | 220 | 143 | 4 | 8 | 65 |
| 212 | 2.00 | 216 | 2.00 | 3.2 | 0.74 | 30 | 431 | 78 | 2 | 4 | 18 | |
| 280 | 2.64 | 274 | 2.53 | 6.0 | 1.09 | 30 | 550 | 347 | 4 | 8 | 63 | |
| 53 | 0.50 | 55 | 0.52 | 1.0 | 0.92 | 15 | 109 | 49 | 18 | 72 | 45 | |
| 53 | 0.50 | 53 | 0.49 | 0.5 | 0.47 | 15 | 107 | 26 | 21 | 84 | 24 | |
| 53 | 0.50 | 55 | 0.52 | 1.0 * | 0.92 * | 15 | 109 | 16 | 6 | 24 | 15 | |
| 4-chlorobenzaldehyde | 140 | 1.00 | 108 | 1.00 | 3.0 | 1.20 | 30 | 251 | 189 | 38 | 76 | 75 |
| 280 | 2.00 | 216 | 2.00 | 10.0 | 2.04 | 30 | 490 | 382 | 15 | 31 | 78 | |
| 415 | 3.91 | 433 | 4.00 | 9.0 | 1.05 | 30 | 857 | 686 | 31 | 61 | 80 | |
| 70 | 0.50 | 55 | 0.50 | 1.3 | 1.03 | 15 | 126 | 98 | 31 | 122 | 78 | |
| 70 | 0.50 | 55 | 0.50 | 0.6 | 0.48 | 15 | 126 | 32 | 21 | 84 | 25 | |
| 70 | 0.50 | 55 | 0.50 | 1.3 * | 1.0 * | 15 | 126 | 15 | 5 | 19 | 12 | |
| 2-naphtaldehyde | 78 | 0.50 | 55 | 0.50 | 2.6 | 1.91 | 15 | 136 | 106 | 15 | 62 | 78 |
| 156 | 1.00 | 108 | 1.00 | 0.9 | 0.34 | 15 | 265 | 48 | 20 | 78 | 18 | |
| 312 | 2.00 | 216 | 2.00 | 1.3 | 0.25 | 15 | 529 | 132 | 38 | 154 | 25 | |
| 78 | 0.50 | 55 | 0.50 | 2.0 | 1.50 | 30 | 135 | 115 | 67 | 134 | 85 | |
| 78 | 0.50 | 55 | 0.50 | 4.0 | 2.92 | 30 | 137 | 112 | 11 | 21 | 82 | |
| 78 | 0.50 | 55 | 0.50 | 2.0 * | 1.5 * | 30 | 135 | 30 | 17 | 35 | 22 | |
| 2-hydroxybenzaldehyde | 122 | 1.00 | 108 | 1.00 | 1.4 | 0.61 | 15 | 231 | 74 | 24 | 94 | 32 |
| 244 | 2.00 | 216 | 2.00 | 2.7 | 0.58 | 15 | 462 | 116 | 19 | 76 | 25 | |
| 61 | 0.50 | 108 | 0.50 | 2.3 | 1.35 | 15 | 171 | 152 | 29 | 116 | 89 | |
| 61 | 0.50 | 108 | 0.50 | 2.7 | 1.57 | 30 | 172 | 143 | 24 | 95 | 83 | |
| 61 | 0.50 | 108 | 0.50 | 4.0 | 2.31 | 30 | 173 | 151 | 17 | 67 | 87 | |
| 61 | 0.50 | 108 | 0.50 | 4.0 * | 2.3 * | 30 | 173 | 33 | 17 | 67 | 19 | |
| 2-methoxybenzaldehyde | 136 | 1.00 | 108 | 1.00 | 2.2 | 0.89 | 15 | 246 | 81 | 33 | 132 | 43 |
| 312 | 2.00 | 216 | 2.00 | 1.9 | 0.77 | 15 | 246 | 86 | 18 | 73 | 35 | |
| 68 | 0.50 | 54 | 0.50 | 2.2 | 1.77 | 15 | 124 | 94 | 38 | 152 | 76 | |
| 68 | 0.50 | 54 | 0.50 | 2.5 | 2.02 | 30 | 124 | 87 | 18 | 35 | 70 | |
| 68 | 0.50 | 54 | 0.50 | 1.9 | 0.85 | 30 | 124 | 83 | 18 | 36 | 67 | |
| 68 | 0.50 | 54 | 0.50 | 2.5 * | 2.0 * | 30 | 124 | 15 | 18 | 35 | 12 | |
Disclaimer/Publisher’s Note: The statements, opinions and data contained in all publications are solely those of the individual author(s) and contributor(s) and not of MDPI and/or the editor(s). MDPI and/or the editor(s) disclaim responsibility for any injury to people or property resulting from any ideas, methods, instructions or products referred to in the content. |
© 2023 by the authors. Licensee MDPI, Basel, Switzerland. This article is an open access article distributed under the terms and conditions of the Creative Commons Attribution (CC BY) license (https://creativecommons.org/licenses/by/4.0/).
Share and Cite
Santiago-Aliste, A.; Sánchez-Hernández, E.; Andrés-Juan, C.; Chamorro-Posada, P.; Antorrena, G.; Martín-Gil, J.; Martín-Ramos, P. F,O,S-Codoped Graphitic Carbon Nitride as an Efficient Photocatalyst for the Synthesis of Benzoxazoles and Benzimidazoles. Catalysts 2023, 13, 385. https://doi.org/10.3390/catal13020385
Santiago-Aliste A, Sánchez-Hernández E, Andrés-Juan C, Chamorro-Posada P, Antorrena G, Martín-Gil J, Martín-Ramos P. F,O,S-Codoped Graphitic Carbon Nitride as an Efficient Photocatalyst for the Synthesis of Benzoxazoles and Benzimidazoles. Catalysts. 2023; 13(2):385. https://doi.org/10.3390/catal13020385
Chicago/Turabian StyleSantiago-Aliste, Alberto, Eva Sánchez-Hernández, Celia Andrés-Juan, Pedro Chamorro-Posada, Guillermo Antorrena, Jesús Martín-Gil, and Pablo Martín-Ramos. 2023. "F,O,S-Codoped Graphitic Carbon Nitride as an Efficient Photocatalyst for the Synthesis of Benzoxazoles and Benzimidazoles" Catalysts 13, no. 2: 385. https://doi.org/10.3390/catal13020385
APA StyleSantiago-Aliste, A., Sánchez-Hernández, E., Andrés-Juan, C., Chamorro-Posada, P., Antorrena, G., Martín-Gil, J., & Martín-Ramos, P. (2023). F,O,S-Codoped Graphitic Carbon Nitride as an Efficient Photocatalyst for the Synthesis of Benzoxazoles and Benzimidazoles. Catalysts, 13(2), 385. https://doi.org/10.3390/catal13020385

