A High-Sensitivity MEMS Piezoresistive Pressure Sensor for Intracranial Pressure Monitoring
Abstract
1. Introduction
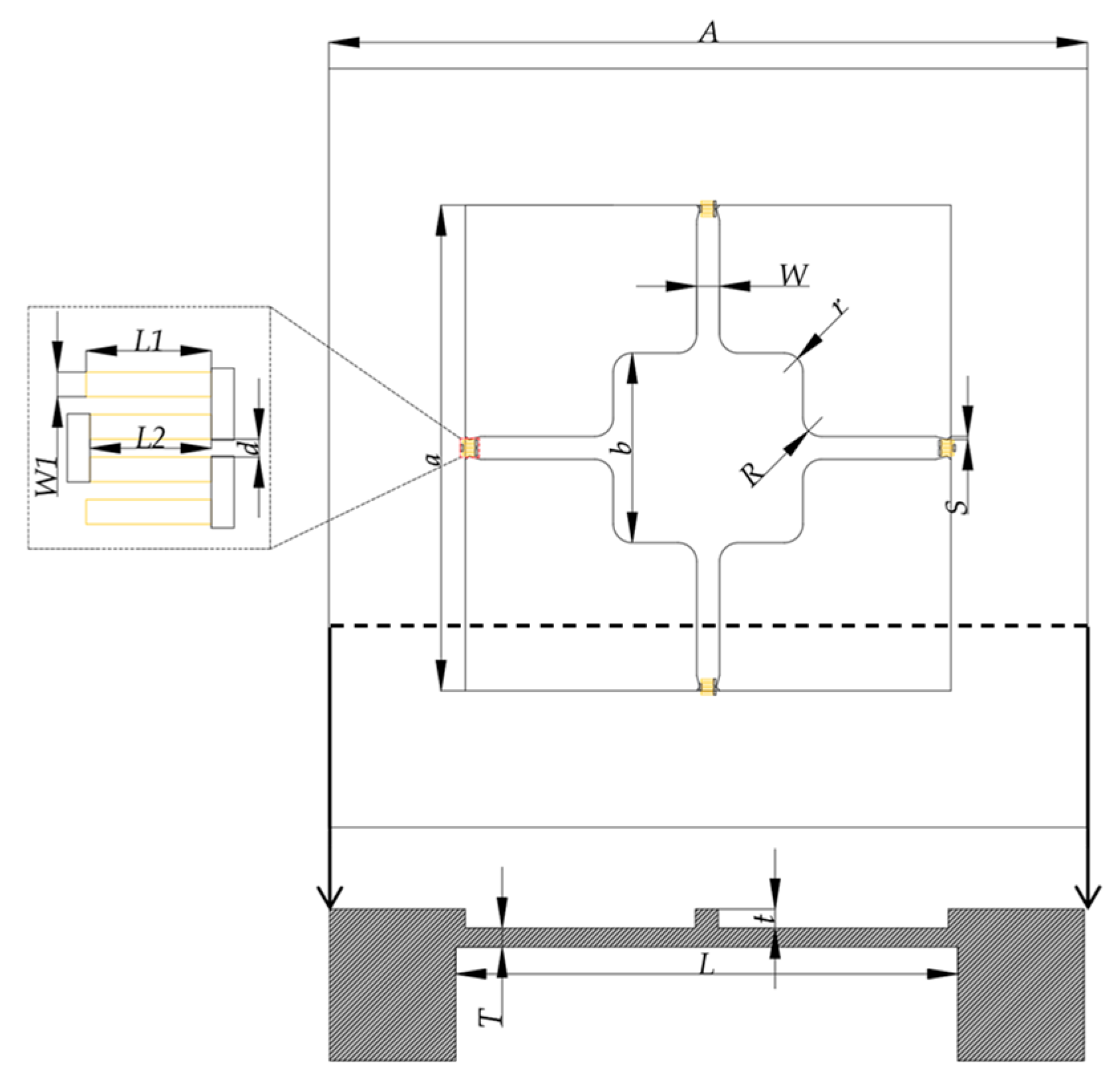
2. Design Methods of Piezoresistive Sensor
3. Fabrication
4. Discussion
4.1. Characterization with Gas Pressure
4.2. Characterization with Liquid Pressure
5. Conclusions
Author Contributions
Funding
Institutional Review Board Statement
Informed Consent Statement
Data Availability Statement
Conflicts of Interest
References
- Smith, M. Monitoring intracranial pressure in traumatic brain injury. Anesth. Analg. 2008, 106, 240–248. [Google Scholar] [CrossRef] [PubMed]
- Mokri, B. The Monro–Kellie hypothesis: Applications in CSF volume depletion. Neurology 2001, 56, 1746–1748. [Google Scholar] [CrossRef] [PubMed]
- Cosman, E.R.; Zervas, N.T.; Chapman, P.H.; Cosman, B.J.; Arnold, M.A. A telemetric pressure sensor for ventricular shunt systems. Surg. Neurol. 1979, 11, 287–294. [Google Scholar] [PubMed]
- Kroin, J.S.; McCarthy, R.J.; Stylos, L.; Miesel, K.; Ivankovich, A.D.; Penn, R.D. Long-term testing of an intracranial pressure monitoring device. J. Neurosurg. 2000, 93, 852–858. [Google Scholar] [CrossRef] [PubMed]
- Miyake, H.; Ohta, T.; Kajimoto, Y.; Matsukawa, M.; Miyake, H. A new ventriculoperitoneal shunt with a telemetric intracranial pressure sensor: Clinical experience in 94 patients with hydrocephalus. Neurosurgery 1997, 40, 931–935. [Google Scholar] [CrossRef] [PubMed]
- Penn, R.D.; Lee, M.C.; Linninger, A.A.; Miesel, K.; Lu, S.N.; Stylos, L. Pressure gradients in the brain in an experimental model of hydrocephalus. J. Neurosurg. 2005, 102, 1069–1075. [Google Scholar] [CrossRef] [PubMed]
- Zervas, N.T.; Cosman, E.R.; Cosman, B.J. A pressure-balanced radio-telemetry system for the measurement of intracranial pressure: A preliminary design report. J. Neurosurg. 1977, 47, 899–911. [Google Scholar] [CrossRef] [PubMed]
- Kauppinen, M. Insertion of intracranial monitoring devices. In Management of Severe Traumatic Brain Injury: Evidence, Tricks, and Pitfalls; Springer: Berlin/Heidelberg, Germany, 2012; pp. 117–121. [Google Scholar]
- Chen, F.; Zhang, S.; Li, B.; Zhang, J.; Ran, M.; Qi, B. A review of invasive intracranial pressure monitoring following surgery for hypertensive cerebral hemorrhage. Front. Neurol. 2023, 14, 1108722. [Google Scholar] [CrossRef] [PubMed]
- Evensen, K.B.; Eide, P.K. Measuring intracranial pressure by invasive, less invasive or non-invasive means: Limitations and avenues for improvement. Fluids Barriers CNS 2020, 17, 34. [Google Scholar] [CrossRef] [PubMed]
- Zhang, Y.; Zhang, Z.; Pang, B.; Yuan, L.; Ren, T. Tiny MEMS-based pressure sensors in the measurement of Intracranial Pressure. Tsinghua Sci. Technol. 2014, 19, 161–167. [Google Scholar] [CrossRef]
- Rahman, S.H.A.; Soin, N.; Ibrahim, F. Analysis of MEMS diaphragm of piezoresistive intracranial pressure sensor. In Proceedings of the 2014 IEEE Conference on Biomedical Engineering and Sciences (IECBES), Kuala Lumpur, Malaysia, 8–10 December 2014; IEEE: Piscataway, NJ, USA, 2014; pp. 681–685. [Google Scholar]
- Sattayasoonthorn, P.; Suthakorn, J.; Chamnanvej, S.; Miao, J.; Kottapalli, A.G.P. LCP MEMS implantable pressure sensor for Intracranial Pressure measurement. In Proceedings of the 7th IEEE International Conference on Nano/Molecular Medicine and Engineering, Phuket, Thailand, 10–13 November 2013; IEEE: Piscataway, NJ, USA, 2013; pp. 63–67. [Google Scholar]
- Raghunathan, A.; Antony, J.K. MEMS based intracranial pressure monitoring sensor. In Proceedings of the 2017 2nd IEEE International Conference on Recent Trends in Electronics, Information & Communication Technology (RTEICT), Bangalore, India, 19–20 May 2017; IEEE: Piscataway, NJ, USA, 2017; pp. 451–456. [Google Scholar]
- Mohamad, M.; Soin, N.; Ibrahim, F. Design of a high sensitivity MEMS piezoresistive intracranial pressure sensor using three turns meander shaped piezoresistors. In Proceedings of the 2016 International Conference on Bio-Engineering for Smart Technologies (BioSMART), Dubai, United Arab Emirates, 4–7 December 2016; IEEE: Piscataway, NJ, USA, 2016; pp. 1–4. [Google Scholar]
- Harika, P.B.; Kundu, S. Design of MEMS-based piezoresistive pressure sensor using two concentric wheatstone bridge circuits for intracranial pressure measurement. In Proceedings of the 2022 IEEE International Conference of Electron Devices Society Kolkata Chapter (EDKCON), Kolkata, India, 26–27 November 2022; IEEE: Piscataway, NJ, USA, 2022; pp. 380–385. [Google Scholar]
- Meng, X.; Zhao, Y. Packaging a piezoresistive pressure sensor for intracranial pressure monitoring. In Proceedings of the SENSORS, 2014 IEEE, Valencia, Spain, 2–5 November 2014; IEEE: Piscataway, NJ, USA, 2014; pp. 1827–1830. [Google Scholar]
- Wu, Z.Z.; Bhattacharjee, N.; Li, C.Y.; Hartings, J.A.; Narayan, R.K.; Ahn, C.H. A new intracranial pressure sensor on polyimide lab-on-a-tube using exchanged polysilicon piezoresistors. In Proceedings of the 2013 Transducers & Eurosensors XXVII: The 17th International Conference on Solid-State Sensors, Actuators and Microsystems (TRANSDUCERS & EUROSENSORS XXVII), Barcelona, Spain, 16–20 June 2013; IEEE: Piscataway, NJ, USA, 2013; pp. 1779–1782. [Google Scholar]
- Tian, B.; Zhao, Y.; Jiang, Z. The novel structural design for pressure sensors. Sens. Rev. 2010, 30, 305–313. [Google Scholar] [CrossRef]
- Yu, Z.; Zhao, Y.; Sun, L.; Tian, B.; Jiang, Z. Incorporation of beams into bossed diaphragm for a high sensitivity and overload micro pressure sensor. Rev. Sci. Instrum. 2013, 84, 015004. [Google Scholar] [CrossRef] [PubMed]
- Tran, A.V.; Zhang, X.; Zhu, B. The development of a new piezoresistive pressure sensor for low pressures. IEEE Trans. Ind. Electron. 2017, 65, 6487–6496. [Google Scholar] [CrossRef]
- Yu, Z.; Zhao, Y.; Li, L.; Li, C.; Liu, Y.; Tian, B. Realization of a micro pressure sensor with high sensitivity and overload by introducing beams and Islands. Microsyst. Technol. 2015, 21, 739–747. [Google Scholar] [CrossRef]
- Li, C.; Cordovilla, F.; Jagdheesh, R.; Ocaña, J.L. Design and optimization of a novel structural MEMS piezoresistive pressure sensor. Microsyst. Technol. 2017, 23, 4531–4541. [Google Scholar] [CrossRef]













| Parameter | Description | Value (μm) |
|---|---|---|
| A | The side length of sensor | 2300 |
| a | The side length of front diaphragm | 1280 |
| b | The side length of central mass | 500 |
| L | The side length of backside diaphragm | 1330 |
| W | The width of the beams | 60 |
| R | The corner radius | 50 |
| r | The corner radius of central mass | 50 |
| S | The penetration distance of notch | 8 |
| t | The thickness of beams and central mass | 7 |
| T | The thickness of diaphragm | 8 |
| L1 | The length of single-strip piezoresistors | 33 |
| L2 | The length of the other single-strip piezoresistors | 32 |
| W1 | The width of piezoresistors | 6.5 |
| d | The distance between two strips of piezoresistors | 4.7 |
| Parameter | Value |
|---|---|
| Maximum pressure (kPa) | 10 |
| Supply voltage (V) | 5 |
| Full-scale span (mV) | 79.35 |
| Sensitivity (mV/V/kPa) | 1.59 |
| Nonlinearity (%F.S) | −0.22 |
| Hysteresis (%F.S) | 1.10 |
| Repeatability (%F.S) | 2.40 |
| Parameter | This Work | NOVA-P330 | [16] | [17] | [18] |
|---|---|---|---|---|---|
| Diaphragm (μm × μm) | 1300 × 1300 | - | 400 × 400 | 900 × 900 | radius 500 |
| Operating range (mmHg) | −75 to 75 | −30 to 300 | 0 to 7500 | −75 to 250 | 0 to 45 |
| Sensitivity (mV/V/kPa) | 1.59 | 0.112 | 0.127 | 0.075 | 1.275 |
| Nonlinearity error (%F.S) | −0.22 | 0.15 | - | <1.2 | 0.996 |
| Test condition | Gas | Gas | Gas | Gas | Liquid |
Disclaimer/Publisher’s Note: The statements, opinions and data contained in all publications are solely those of the individual author(s) and contributor(s) and not of MDPI and/or the editor(s). MDPI and/or the editor(s) disclaim responsibility for any injury to people or property resulting from any ideas, methods, instructions or products referred to in the content. |
© 2026 by the authors. Licensee MDPI, Basel, Switzerland. This article is an open access article distributed under the terms and conditions of the Creative Commons Attribution (CC BY) license.
Share and Cite
Yang, Z.; Tang, Y.; Tang, F.; Xie, B.; Ran, X.; Xie, H. A High-Sensitivity MEMS Piezoresistive Pressure Sensor for Intracranial Pressure Monitoring. Micromachines 2026, 17, 245. https://doi.org/10.3390/mi17020245
Yang Z, Tang Y, Tang F, Xie B, Ran X, Xie H. A High-Sensitivity MEMS Piezoresistive Pressure Sensor for Intracranial Pressure Monitoring. Micromachines. 2026; 17(2):245. https://doi.org/10.3390/mi17020245
Chicago/Turabian StyleYang, Zhiwen, Yue Tang, Fang Tang, Bo Xie, Xi Ran, and Huikai Xie. 2026. "A High-Sensitivity MEMS Piezoresistive Pressure Sensor for Intracranial Pressure Monitoring" Micromachines 17, no. 2: 245. https://doi.org/10.3390/mi17020245
APA StyleYang, Z., Tang, Y., Tang, F., Xie, B., Ran, X., & Xie, H. (2026). A High-Sensitivity MEMS Piezoresistive Pressure Sensor for Intracranial Pressure Monitoring. Micromachines, 17(2), 245. https://doi.org/10.3390/mi17020245

