A Novel In-Circuit Impedance Modeling Method and Variation Characteristics Analysis for SMPS
Abstract
1. Introduction
- (1)
- Based on the concept of the inductive coupling approach, a novel method for in-circuit impedance modeling is proposed.
- (2)
- Based on the proposed method, the in-circuit impedance modeling for a buck converter and any SMPS with n switching modes is derived.
- (3)
- Based on the derived model, the influencing factors of the in-circuit impedance for the SMPS are analyzed, and the variation characteristics are revealed.
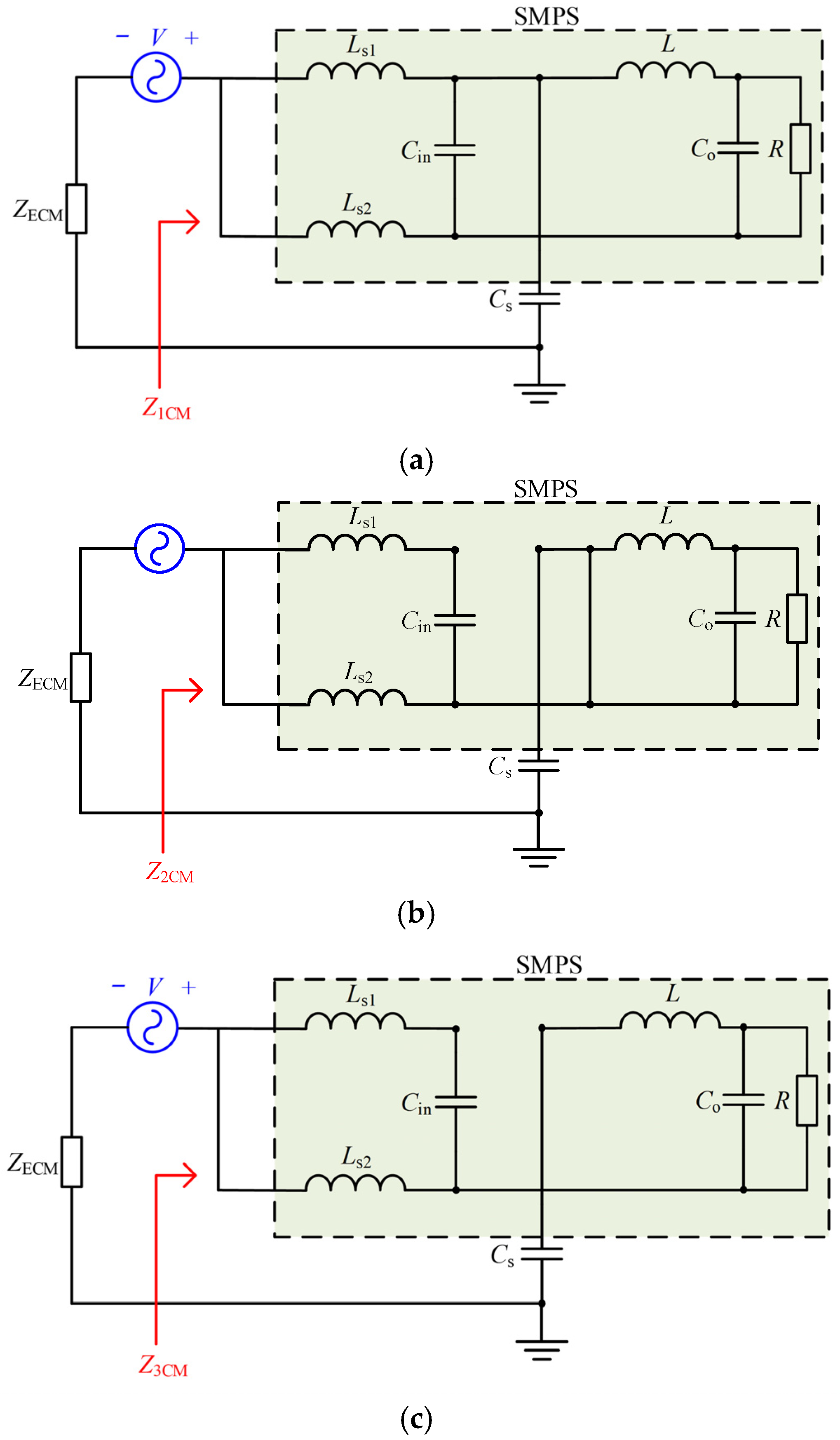
2. The Differences in In-Circuit Impedances After Different Substitution Methods

3. A Novel In-Circuit Impedance Modeling Method

4. Variation Characteristics Analysis of the In-Circuit Impedance for the SMPS
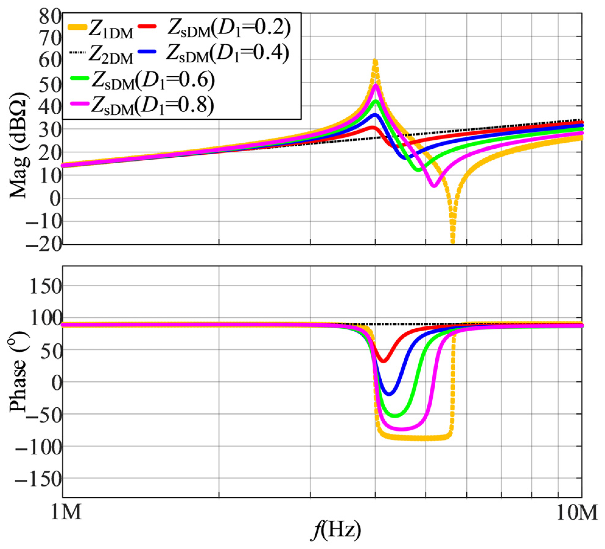
4.1. Variation Characteristics Analysis
- (1)
- The greater D1 is, the longer the SMPS operates in Mode 1, and the closer Zs approaches the modal impedance under Mode 1 Z1. Similarly, the greater D2 is, the longer the SMPS operates in Mode 2, and the closer Zs approaches the modal impedance under Mode 2 Z2;
- (2)
- When ZE is much greater than Z1 and Z2, Zs approaches Z1D1 + Z2D2; when ZE is much smaller than Z1 and Z2, Zs approaches (Z1/D1)//(Z2/D2).
- (1)
- The greater Di (i = 1, 2, …, n) is, the closer Zs approaches Zi (i = 1, 2, …, n);
- (2)
- When ZE is much greater than Zi, Zs approaches (32); when ZE is much smaller than Zi, Zs approaches (33).
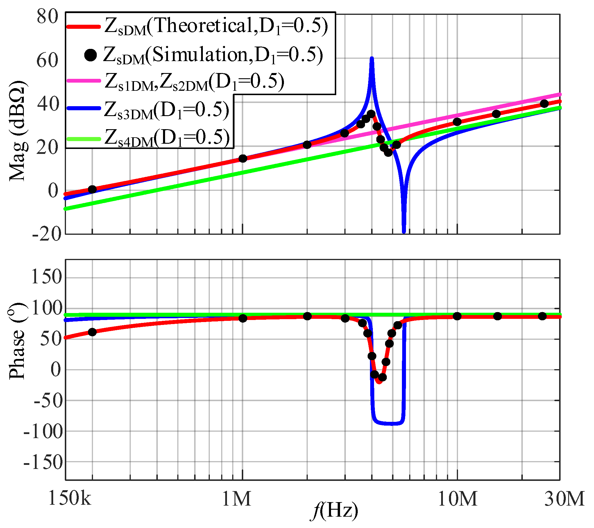
4.2. Simulation Verification
5. Experimental Verification
6. Conclusions
- (1)
- The in-circuit impedance of an SMPS is related to the external impedance, the modal impedance under different switching modes, and the proportion of each switching mode;
- (2)
- The greater Di is, the closer Zs approaches Zi;
- (3)
- When ZE is much greater than Zi, Zs approaches (32), and when ZE is much smaller than Zi, Zs approaches (33).
Author Contributions
Funding
Informed Consent Statement
Data Availability Statement
Conflicts of Interest
References
- Mainali, K.; Oruganti, R. Conducted EMI mitigation techniques for switch-mode power converters: A survey. IEEE Trans. Power Electron. 2010, 25, 2344–2356. [Google Scholar] [CrossRef]
- Borsalani, J.; Dastfan, A.; Ghalibafan, J. An integrated EMI choke with improved DM inductance. IEEE Trans. Power Electron. 2021, 36, 1646–1658. [Google Scholar] [CrossRef]
- Shin, D.; Jeong, S.; Kim, J. Quantified design guidelines of a compact transformerless active EMI filter for performance, stability, and high voltage immunity. IEEE Trans. Power Electron. 2018, 33, 6723–6737. [Google Scholar] [CrossRef]
- Chen, W.; Yang, X.; Wang, Z. A novel hybrid common-mode EMI filter with active impedance multiplication. IEEE Trans. Ind. Electron. 2011, 58, 1826–1834. [Google Scholar]
- Fan, F.; See, K.Y.; Liu, X.; Li, K.; Gupta, A.K. Systematic common-mode filter design for inverter-driven motor system based on in-circuit impedance extraction. IEEE Trans. Electromagn. Compat. 2020, 62, 1711–1722. [Google Scholar] [CrossRef]
- Tarateeraseth, V.; See, K.Y.; Canavero, F.G.; Chang, R.W. Systematic electromagnetic interference filter design based on information from in-circuit impedance measurements. IEEE Trans. Electromagn. Compat. 2010, 52, 588–598. [Google Scholar] [CrossRef]
- Hu, H.; Pan, P.; Song, Y.; He, Z. A novel controlled frequency band impedance measurement approach for single-phase railway traction power system. IEEE Trans. Ind. Electron. 2020, 67, 244–253. [Google Scholar] [CrossRef]
- Chen, H.; Yan, Y.; Zhao, H. Extraction of common-mode impedance of an inverter-fed induction motor. IEEE Trans. Electromagn. Compat. 2016, 58, 599–606. [Google Scholar] [CrossRef]
- Zheng, F.; Wang, W.; Zhao, X.; Cui, M.; Zhang, Q.; He, G. Identifying electromagnetic noise-source impedance using hybrid of measurement and calculation method. IEEE Trans. Power Electron. 2019, 34, 9609–9618. [Google Scholar] [CrossRef]
- Shang, X.; Su, D.; Xu, H.; Peng, Z. A Noise Source Impedance Extraction Method for Operating SMPS Using Modified LISN and Simplified Calibration Procedure. IEEE Trans. Power Electron. 2017, 32, 4132–4139. [Google Scholar]
- See, K.Y.; Deng, J. Measurement of noise source impedance of SMPS using a two probes approach. IEEE Trans. Power Electron. 2004, 19, 862–868. [Google Scholar] [CrossRef]
- Tarateeraseth, V.; Hu, B.; See, K.Y.; Canavero, F.G. Accurate Extraction of Noise Source Impedance of an SMPS Under Operating Conditions. IEEE Trans. Power Electron. 2010, 25, 111–117. [Google Scholar]
- Zhao, Z.; Weerasinghe, A.; Wang, W.; Chua, E.K.; See, K.Y. Eliminating the Effect of Probe-to-Probe Coupling in Inductive Coupling Method for In-Circuit Impedance Measurement. IEEE Trans. Instrum. Meas. 2021, 70, 1000908. [Google Scholar] [CrossRef]
- Ji, J.; Zhang, D.; Li, T.; Lu, J. Modeling of In-Circuit Impedance Measurement for SMPS Considering Power Noise Source. IEEE Trans. Instrum. Meas. 2025, 74, 9000310. [Google Scholar] [CrossRef]
- Negri, S.; Spadacini, G.; Grassi, F.; Pignari, S.A. Inductively Coupled in-Circuit Measurement of Two-Port Admittance Parameters. IEEE Trans. Ind. Electron. 2024, 71, 13351–13360. [Google Scholar] [CrossRef]
- Zhao, Z.; See, K.Y.; Chua, E.K.; Narayanan, A.S.; Chen, W.; Weerasinghe, A. Time-Variant In-Circuit Impedance Monitoring Based on the Inductive Coupling Method. IEEE Trans. Instrum. Meas. 2019, 68, 169–176. [Google Scholar] [CrossRef]
- Weerasinghe, A.; Zhao, Z.; Sun, Q.; Fan, F.; Tu, P.; Wang, W.; See, K.Y. A Novel Single-Probe Setup for Multifrequency Simultaneous Measurement of In-Circuit Impedance. IEEE Trans. Ind. Electron. 2023, 70, 9538–9549. [Google Scholar] [CrossRef]
- Yang, L.; Zhao, H.; Wang, S.; Zhi, Y. Common-Mode EMI Noise Analysis and Reduction for AC–DC–AC Systems With Paralleled Power Modules. IEEE Trans. Power Electron. 2020, 35, 6989–7000. [Google Scholar] [CrossRef]
- Li, Y.; Wang, S.; Sheng, H.; Lakshmikanthan, S. Investigate and Reduce Capacitive Couplings in a Flyback Adapter with a DC-Bus Filter to Reduce EMI. IEEE Trans. Power Electron. 2020, 35, 6963–6973. [Google Scholar]
- Li, Y.; Zhang, H.; Wang, S.; Sheng, H.; Chng, C.P.; Lakshmikanthan, S. Investigating Switching Transformers for Common Mode EMI Reduction to Remove Common Mode EMI Filters and Y-Capacitors in Flyback Converters. IEEE J. Emerg. Sel. Top. Ind. Electron. 2018, 6, 2287–2301. [Google Scholar] [CrossRef]
















| Parameter | Quantity |
|---|---|
| Ls1/Ls2 (μH) | 0.2 |
| L (μH) | 37.5 |
| EPC (nF) | 4 |
| Cin (μF) | 10 |
| ESL (nH) | 400 |
| ESR (mΩ) | 100 |
| Co (μF) | 100 |
| R (Ω) | 160 |
Disclaimer/Publisher’s Note: The statements, opinions and data contained in all publications are solely those of the individual author(s) and contributor(s) and not of MDPI and/or the editor(s). MDPI and/or the editor(s) disclaim responsibility for any injury to people or property resulting from any ideas, methods, instructions or products referred to in the content. |
© 2026 by the authors. Licensee MDPI, Basel, Switzerland. This article is an open access article distributed under the terms and conditions of the Creative Commons Attribution (CC BY) license.
Share and Cite
Zhan, J.; Zhang, Z.; Zhang, R.; Gong, C.; Chen, J. A Novel In-Circuit Impedance Modeling Method and Variation Characteristics Analysis for SMPS. Micromachines 2026, 17, 232. https://doi.org/10.3390/mi17020232
Zhan J, Zhang Z, Zhang R, Gong C, Chen J. A Novel In-Circuit Impedance Modeling Method and Variation Characteristics Analysis for SMPS. Micromachines. 2026; 17(2):232. https://doi.org/10.3390/mi17020232
Chicago/Turabian StyleZhan, Jun, Ziliang Zhang, Rongxuan Zhang, Chunying Gong, and Jie Chen. 2026. "A Novel In-Circuit Impedance Modeling Method and Variation Characteristics Analysis for SMPS" Micromachines 17, no. 2: 232. https://doi.org/10.3390/mi17020232
APA StyleZhan, J., Zhang, Z., Zhang, R., Gong, C., & Chen, J. (2026). A Novel In-Circuit Impedance Modeling Method and Variation Characteristics Analysis for SMPS. Micromachines, 17(2), 232. https://doi.org/10.3390/mi17020232

