A Peak Current Mode Boost DC-DC Converter with Hybrid Spread Spectrum
Abstract
1. Introduction
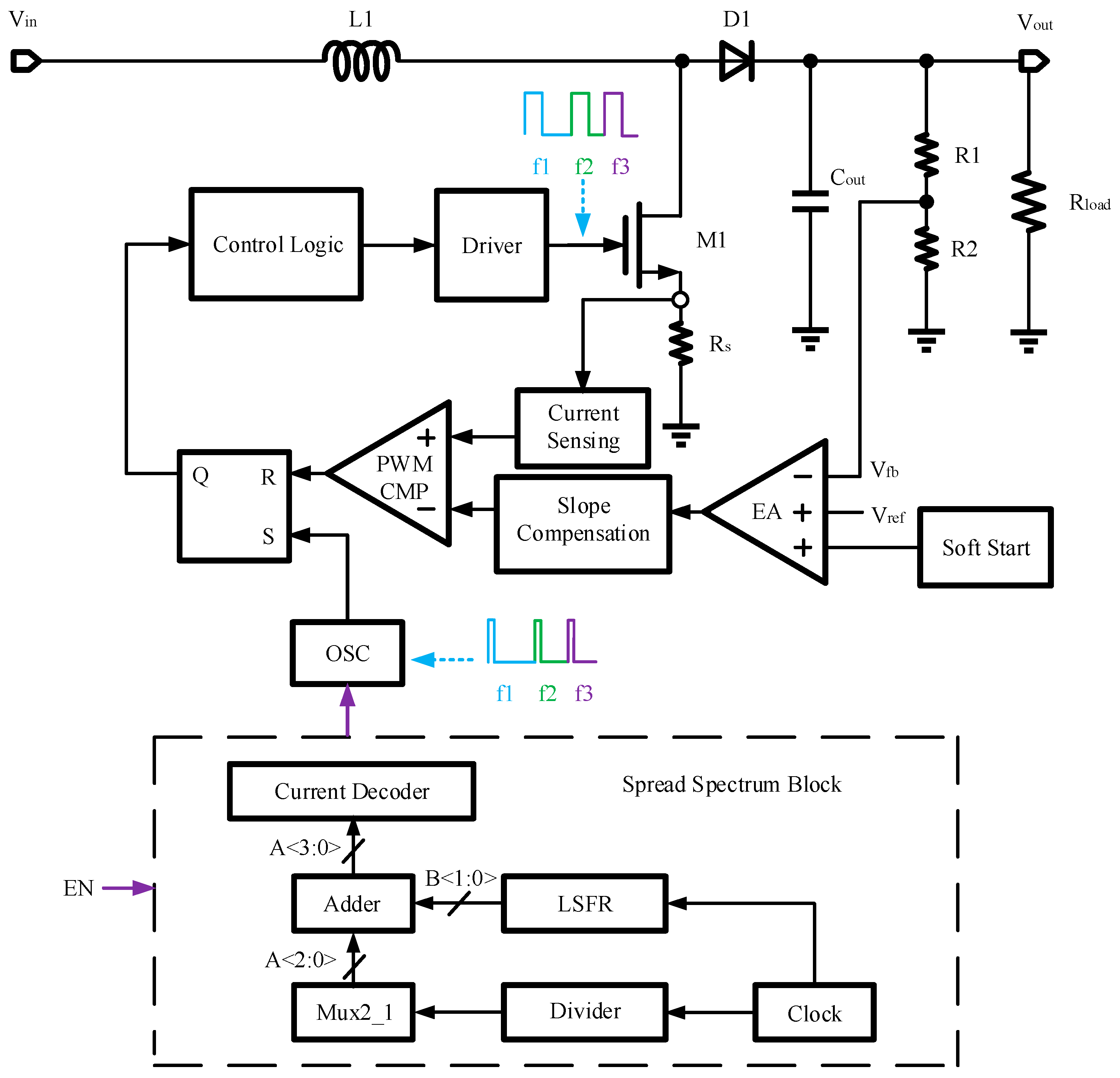
2. Materials and Methods
2.1. Spread Spectrum Explanation
2.2. Spread Spectrum Design
2.3. Oscillator
2.4. Clock
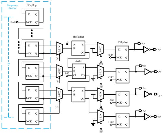
2.5. Binary Number Generator
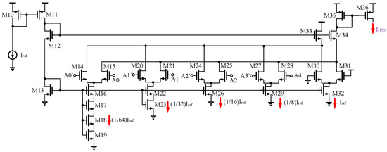
2.6. Current Decoder
3. Simulation Results
4. Discussion
5. Conclusions
Author Contributions
Funding
Data Availability Statement
Conflicts of Interest
References
- Park, Y.-J.; Park, J.-H.; Kim, H.-J.; Hocheol, R.; Kim, S.Y.; Pu, Y.G. A Design of a 92.4% Efficiency Triple Mode Control DC–DC Buck Converter with Low Power Retention Mode and Adaptive Zero Current Detector for IoT/Wearable Applications. IEEE Trans. Power Electron. 2017, 32, 6946–6960. [Google Scholar] [CrossRef]
- Tekin, H.; Setrekli, G.; Murtulu, E.; Karşıyaka, H.; Ertekin, D. A Proposed Single-Input Multi-Output Battery-Connected DC–DC Buck–Boost Converter for Automotive Applications. Electron 2023, 12, 4381. [Google Scholar] [CrossRef]
- Touré, M.L.; Camara, M.B.; Dakyo, B. Symmetrical Multilevel High Voltage-Gain Boost Converter Control Strategy for Photovoltaic Systems Applications. Electronics 2024, 13, 2565. [Google Scholar] [CrossRef]
- Monteiro, J.; Pires, V.F.; Foito, D.; Cordeiro, A.; Silva, J.F.; Pinto, S. A Buck-Boost Converter with Extended Duty-Cycle Range in the Buck Voltage Region for Renewable Energy Sources. Electronics 2023, 12, 584. [Google Scholar] [CrossRef]
- Kok, C.L.; Siek, L. Designing a Twin Frequency Control DC-DC Buck Converter Using Accurate Load Current Sensing Technique. Electronics 2024, 13, 45. [Google Scholar] [CrossRef]
- Kok, C.L.; Tang, H.; Teo, T.H.; Koh, Y.Y. A DC-DC Converter with Switched-Capacitor Delay Deadtime Controller and Enhanced Unbalanced-Input Pair Zero-Current Detector to Boost Power Efficiency. Electronics 2024, 13, 1237. [Google Scholar] [CrossRef]
- Tan, C.B.; Siek, L. A 10 V-to-1 V Double Step-Down Buck Converter Using Time-Based Current Mode Control with Minimum Delay Frequency Difference Phase Adder for 1 MHz Operation. J. Low Power Electron. Appl. 2024, 14, 58. [Google Scholar] [CrossRef]
- Wu, C.; Zhang, J.; Zhang, Y.; Zeng, Y. A 7.5-mV Input and 88%-Efficiency Single-Inductor Boost Converter with Self-Startup and MPPT for Thermoelectric Energy Harvesting. Micromachines 2023, 14, 60. [Google Scholar] [CrossRef] [PubMed]
- Huang, H.-Y.; Villaruz, H.M.; Mapula, N.M. High-Efficiency Low-EMI Buck Converter Using Multistep PWL and PVT Insensitive Oscillator. IEEE Trans. Power Electron. 2022, 37, 9325–9332. [Google Scholar] [CrossRef]
- Chu, Y.; Wang, S.; Wang, Q. Modeling and Stability Analysis of Active/Hybrid Common-Mode EMI Filters for DC/DC Power Converters. IEEE Trans. Power Electron. 2016, 31, 6254–6263. [Google Scholar] [CrossRef]
- Zhang, Y.; Jiang, D. An Active EMI Filter in Grounding Circuit for DC Side CM EMI Suppression in Motor Drive System. IEEE Trans. Power Electron. 2022, 37, 2983–2992. [Google Scholar] [CrossRef]
- Zhai, L.; Hu, G.; Lv, M.; Zhang, T.; Hou, R. Comparison of Two Design Methods of EMI Filter for High Voltage Power Supply in DC-DC Converter of Electric Vehicle. IEEE Access 2020, 8, 66564–66577. [Google Scholar] [CrossRef]
- Bai, Y.; Hu, S.; Tahir, M.; Yang, Z.; Zhi, Y. An Active EMI Filter Using Predictive Pulsed Compensation for Common Mode Noise Suppression of Boost Converters. IEEE J. Emerg. Sel. Top. Power Electron. 2024, 12, 3426–3438. [Google Scholar] [CrossRef]
- Ke, X.; Sankman, J.; Chen, Y.; He, L.; Ma, D.B. A Tri-Slope Gate Driving GaN DC–DC Converter with Spurious Noise Compression and Ringing Suppression for Automotive Applications. IEEE J. Solid-State Circuits 2018, 53, 247–260. [Google Scholar] [CrossRef]
- Ding, Y.; Zhu, C.; Gu, J.; Zhang, Z.; Lu, Y.; Xu, Y. A Cost-Efficient Active Gate Driver for Seamless Slew Rate Control of SiC MOSFETs. IEEE Trans. Power Electron. 2024, 39, 12558–12569. [Google Scholar] [CrossRef]
- Yang, Y.; Huang, M.; Du, S.; Martins, R.P.; Lu, Y. A Level Shifter with Almost Full Immunity to Positive dv/dt for Buck Converters. IEEE Trans. Circuits Syst. I Regul. Pap. 2023, 70, 4595–4604. [Google Scholar] [CrossRef]
- Mukherjee, R.; Patra, A.; Banerjee, S. Impact of a Frequency Modulated Pulsewidth Modulation (PWM) Switching Converter on the Input Power System Quality. IEEE Trans. Power Electron. 2010, 25, 1450–1459. [Google Scholar] [CrossRef]
- Ma, Z.; Wang, S.; Sheng, H.; Lakshmikanthan, S. Modeling, Analysis and Mitigation of Radiated EMI Due to PCB Ground Impedance in a 65 W High-Density Active-Clamp Flyback Converter. IEEE Trans. Ind. Electron. 2023, 70, 12267–12277. [Google Scholar] [CrossRef]
- Bhargava, A.; Pommerenke, D.; Kam, K.W.; Centola, F.; Lam, C.W. DC-DC Buck Converter EMI Reduction Using PCB Layout Modification. IEEE Trans. Electromagn. Compat. 2011, 53, 806–813. [Google Scholar] [CrossRef]
- Yen, W.-W.; Chao, P.C.-P. A ZVS Phase-Shift Full-Bridge Converter with Input Current Steering to Reduce EMI Noise. IEEE Trans. Power Electron. 2022, 37, 11937–11950. [Google Scholar] [CrossRef]
- Safaee, A.; Jain, P.K.; Bakhshai, A. An Adaptive ZVS Full-Bridge DC–DC Converter with Reduced Conduction Losses and Frequency Variation Range. IEEE Trans. Power Electron. 2015, 30, 4107–4118. [Google Scholar] [CrossRef]
- Wang, Z.; Li, H.; Chu, Z.; Zhang, C.; Yang, Z.; Shao, T.; Hu, Y. A Review of EMI Research in Modular Multilevel Converter for HVDC Applications. IEEE Trans. Power Electron. 2022, 37, 14482–14498. [Google Scholar] [CrossRef]
- Huang, Y.; Lin, L.; Shi, X.; Yin, T.; Yan, S. A Trigger Signals Modification Scheme for Common-Mode Conducted EMI Reduction of Modular Multilevel Converter. IEEE J. Emerg. Sel. Top. Power Electron. 2022, 10, 7214–7224. [Google Scholar] [CrossRef]
- Huang, H.-H.; Chen, C.-L.; Chen, K.-H. Adaptive window control (AWC) technique for hysteresis DC-DC buck converters with improved light and heavy load performance. IEEE Trans. Power Electron. 2009, 24, 1607–1617. [Google Scholar] [CrossRef]
- Lin, Y.-C.; Chen, C.-J.; Chen, D.; Wang, B. A ripple-based constant on-time control with virtual inductor current and o set cancellation for DC power converters. IEEE Trans. Power Electron. 2012, 27, 4301–4310. [Google Scholar] [CrossRef]
- Pareschi, F.; Setti, G.; Rovatti, R.; Frattini, G. Practical Optimization of EMI Reduction in Spread Spectrum Clock Generators with Application to Switching DC/DC Converters. IEEE Trans. Power Electron. 2014, 29, 4646–4657. [Google Scholar] [CrossRef]
- Pareschi, F.; Rovatti, R.; Setti, G. EMI Reduction via Spread Spectrum in DC/DC Converters: State of the Art, Optimization, and Tradeoffs. IEEE Access 2015, 3, 2857–2874. [Google Scholar] [CrossRef]
- Lin, F.; Chen, D.Y. Reduction of power supply EMI emission by switching frequency modulation. IEEE Trans. Power Electron 1994, 9, 132–137. [Google Scholar]
- Gamoudi, R.; Chariag, D.E.; Sbita, L. A review of spread spectrum-based PWM techniques—A novel fast digital implementation. IEEE Trans. Power Electron. 2018, 33, 10292–10307. [Google Scholar] [CrossRef]
- Song, M.; Ahn, S.; Jung, I.; Kim, Y.; Kim, C. Piecewise linear modulation technique for spread spectrum clock generation. IEEE Trans. Large Scale Integr. Syst. 2013, 21, 1234–1245. [Google Scholar] [CrossRef]
- Chang, H.H.; Hua, I.H.; Liu, S.I. A spread-spectrum clock generator with triangular modulation. IEEE J. Solid-State Circuits 2003, 38, 673–676. [Google Scholar] [CrossRef]
- Mihali, F.; Kos, D. Reduced Conductive EMI in Switched-Mode DC–DC Power Converters Without EMI Filters: PWM Versus Randomized PWM. IEEE Trans. Power Electron. 2006, 21, 1783–1794. [Google Scholar] [CrossRef]
- Ho, E.N.Y.; Mok, P.K.T. Design of PWM Ramp Signal in Voltage-Mode CCM Random Switching Frequency Buck Converter for Conductive EMI Reduction. IEEE Trans. Circuits Syst. I Regul. Pap. 2013, 60, 505–515. [Google Scholar] [CrossRef]
- Tao, C.; Fayed, A.A. PWM Control Architecture with Constant Cycle Frequency Hopping and Phase Chopping for Spur-Free Operation in Buck Regulators. IEEE Trans. Very Large Scale Integr. (VLSI) Syst. 2013, 21, 1596–1607. [Google Scholar] [CrossRef]
- Lee, C.F.; Mok, P.K.T. A monolithic current-mode CMOS DC-DC converter with on-chip current-sensing technique. IEEE J. Solid-State Circuits 2004, 39, 3–14. [Google Scholar] [CrossRef]
- Rad, A.B.; Kargaran, M.; Moosavi, S.M.R.; Meghdadi, M.; Medi, A. An Ultra-Low-Noise Buck Converter for Noise-Sensitive Applications. IEEE Trans. Power Electron. 2024, 39, 2169–2179. [Google Scholar]
- Razavi, B. The Current-Steering DAC [A Circuit for All Seasons]. Solid-State Circuits Mag. 2018, 10, 11–15. [Google Scholar] [CrossRef]
- Chen, Y.; Ma, D.B. EMI-Regulated GaN-Based Switching Power Converter with Markov Continuous Random Spread-Spectrum Modulation and One-Cycle on-Time Rebalancing. IEEE J. Solid-State Circuits 2019, 54, 3306–3315. [Google Scholar] [CrossRef]
- Texas Instruments. LM5140 Datasheet; Texas Instruments: Dallas, TX, USA, 2016. [Google Scholar]
- Leoncini, M.; Bertolini, A.; Melillo, P.; Gasparini, A.; Levantino, S.; Ghioni, M. Spread-Spectrum Frequency Modulation in a DC/DC Converter with Time-Based Control. IEEE Trans. Power Electron. 2023, 38, 4207–4211. [Google Scholar] [CrossRef]
- Li, F.; Zhou, C.; Bao, W.; Bi, C.; Zeng, P.; Du, Z. Design and Implementation of a New Hybrid EMI Filter for DC-DC Converter with SiC MOSFETs. In Proceedings of the 2023 6th Asia Conference on Energy and Electrical Engineering (ACEEE), Chengdu, China, 21–23 July 2023; pp. 46–50. [Google Scholar]















| Parameter | Value |
|---|---|
| Input voltage | 4 V–9 V |
| Output voltage | 12 V |
| power inductor | 4.7 μH |
| output capacitor | 12 μF |
| load current | 0–1 A |
| switching frequency | 2 MHz |
| spread spectrum range | ±7.8% |
| [39] | [9] | [40] | [41] | This Work | |
|---|---|---|---|---|---|
| Year | 2016 | 2022 | 2023 | 2024 | 2025 |
| Topology | Buck | Buck | Buck | Buck | Boost |
| EMI suppression method | Slew rate control | Spread spectrum | Spread spectrum | EMI filter | Spread spectrum |
| Need of-chip components | No | No | No | Yes | No |
| Process (μm) | / | 0.18 | 0.18 | / | 0.5 |
| Switching frequency (MHz) | / | 2 | 1.5 | / | 2 |
| spread spectrum way | / | Onion | Triangular | / | HSS |
| spread spectrum range (%) | / | ±10 | ±5 | / | ±7.8 |
| EMI attenuation (dBμV) | 20 | 12 | 11.5 | 30 | 12.29 |
| Efficiency loss (%) | <3 | / | <1 | / | <1 |
| Output voltage jitter (mV) | / | 43 | 40 | / | 43.2 |
Disclaimer/Publisher’s Note: The statements, opinions and data contained in all publications are solely those of the individual author(s) and contributor(s) and not of MDPI and/or the editor(s). MDPI and/or the editor(s) disclaim responsibility for any injury to people or property resulting from any ideas, methods, instructions or products referred to in the content. |
© 2025 by the authors. Licensee MDPI, Basel, Switzerland. This article is an open access article distributed under the terms and conditions of the Creative Commons Attribution (CC BY) license (https://creativecommons.org/licenses/by/4.0/).
Share and Cite
Zhong, X.; Yu, J.; Shen, Y.; Li, J. A Peak Current Mode Boost DC-DC Converter with Hybrid Spread Spectrum. Micromachines 2025, 16, 862. https://doi.org/10.3390/mi16080862
Zhong X, Yu J, Shen Y, Li J. A Peak Current Mode Boost DC-DC Converter with Hybrid Spread Spectrum. Micromachines. 2025; 16(8):862. https://doi.org/10.3390/mi16080862
Chicago/Turabian StyleZhong, Xing, Jianhai Yu, Yongkang Shen, and Jinghu Li. 2025. "A Peak Current Mode Boost DC-DC Converter with Hybrid Spread Spectrum" Micromachines 16, no. 8: 862. https://doi.org/10.3390/mi16080862
APA StyleZhong, X., Yu, J., Shen, Y., & Li, J. (2025). A Peak Current Mode Boost DC-DC Converter with Hybrid Spread Spectrum. Micromachines, 16(8), 862. https://doi.org/10.3390/mi16080862

