Actuators with Two Double Gimbal Magnetically Suspended Control Moment Gyros for the Attitude Control of the Satellites
Abstract
1. Introduction
2. Attitude Definition and Calculation
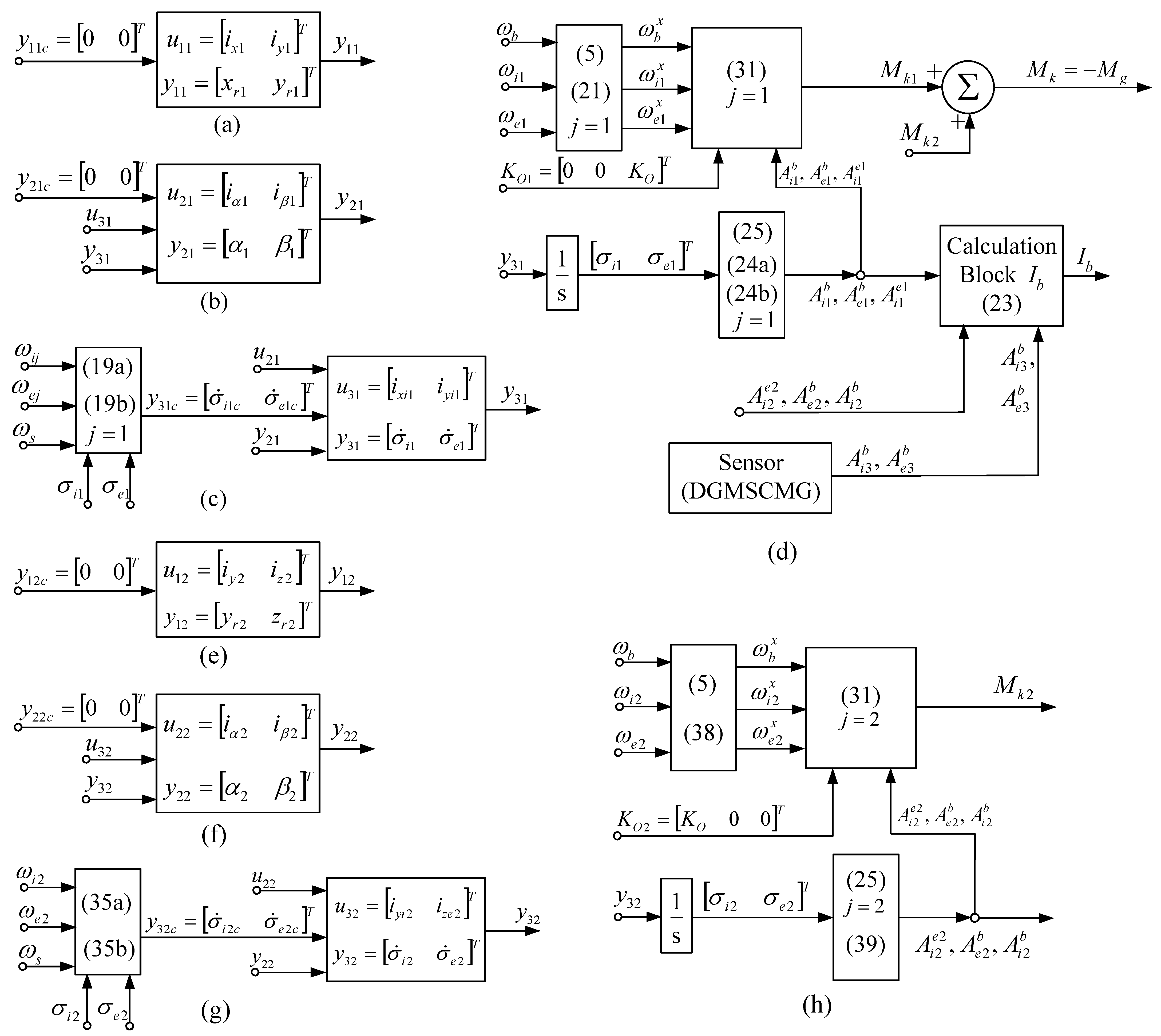
3. Dynamic Models of the Actuators with N = 2 DGMSCMGs
3.1. DGMSCMGs with Paralel Architecture
3.2. DGMSCMGs with Orthogonal Architecture
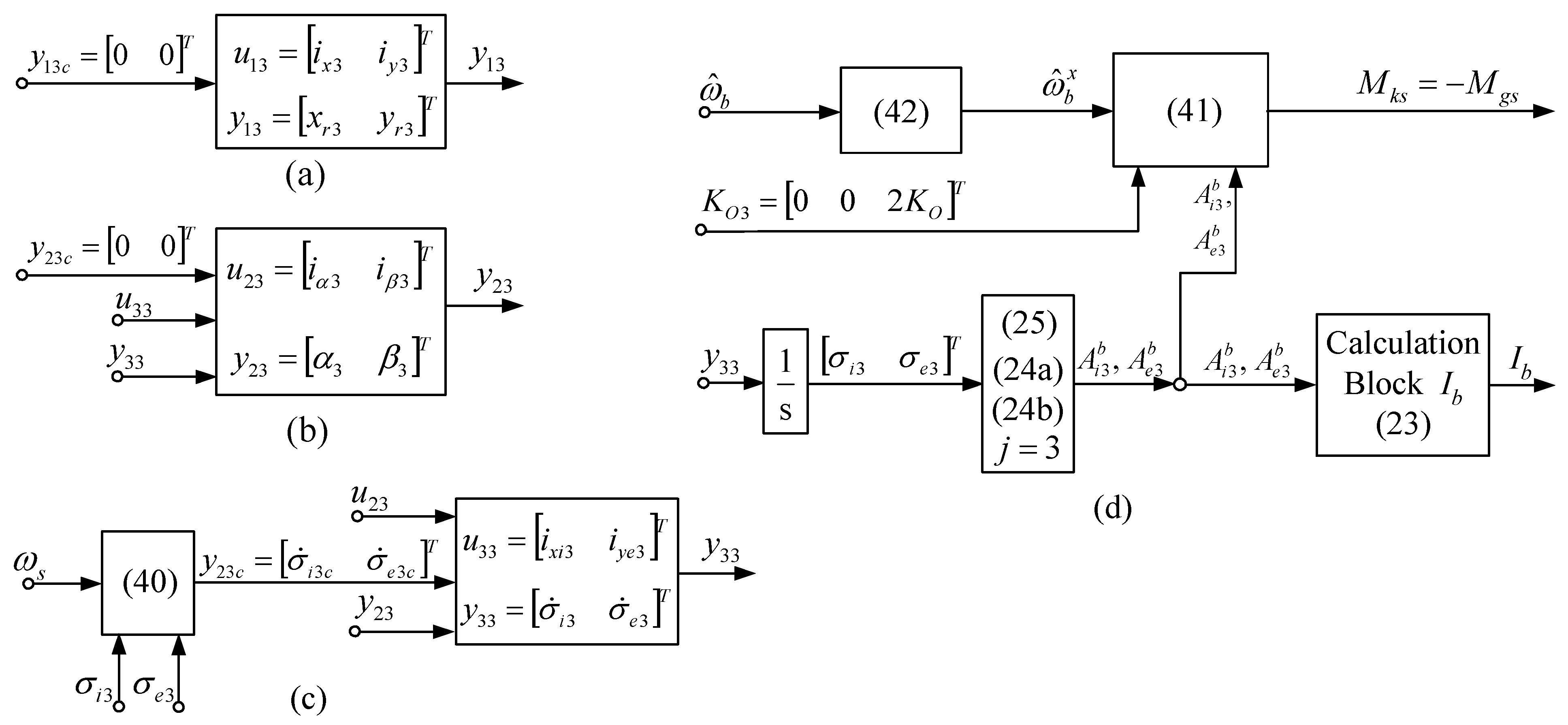
4. Dynamics of DGMSCMG 3 Sensor for Satellite Absolute Angular Rate Measurement
5. Satellite’s Attitude Control Using PD-Type Controller
6. Numerical Simulations
- the components of the vectors of the linear displacements associated to the rotors of the gyro-motors, with respect to the precession axes, i.e.,
- the components of the error vectors with
- the components of the pseudo-command vectors for the control of the gyroscopic rotor’s linear displacements, namely
- the components of the command vectors i.e., the currents applied to the correction stator coils of the gyroscopic rotors’ magnetic bearings;
- the components of the vectors associated with the gyroscopic rotors, namely the vectors consisting of the precession angles, the precession angular rates, and the precession angles’ errors, respectively;
- the components of the control vectors and the components of the pseudo-command vectors all of them associated with the subsystems for the adaptive control of the precession angles; the vectors contain the command currents applied to the same coils of the bearings;
- the components of the vectors (calculated angular rates), (rotation angular rates), (error angular rates), and (rotation angles of the gimbals);
- the components of the vectors and associated to the command servo systems for the gimbals for the two DGMSCMGs; contain the currents applied to the command coils of the correction motors on the inner and outer gimbals.
7. Conclusions
Author Contributions
Funding
Institutional Review Board Statement
Informed Consent Statement
Data Availability Statement
Conflicts of Interest
References
- Zhon, J.; Zhon, D. Spacecraft Attitude Control with Double—Gimbaled Control Moment Gyroscopes. In Proceedings of the IEEE International Conference on Robotics and Biomimetics, Sanya, China, 5–8 December 2017. [Google Scholar]
- Zheng, S.; Han, B. Investigations of an Integrated Angular Velocity Measurement and Attitude Control System for Spacecraft Using Magnetically Suspended Double—Gimbal CMGs. Space Res. 2013, 51, 2216–2228. [Google Scholar] [CrossRef]
- Peng, C.; Fang, J.; Xu, S. Composite anti-disturbance controller for magnetically suspended control moment gyro subject to mismatched disturbances. Nonlinear Dyn. 2015, 79, 1563–1573. [Google Scholar] [CrossRef]
- Narita, M.; Chen, G.; Takami, I. Gain scheduling controller synthesis for active magnetic beaaring based on parameter dependent LMI with convexity condition. In Proceedings of the IEEE International Conference 2nd on Control and Robotics Engineering, Bangkok, Thailand, 1–3 April 2017; pp. 63–67. [Google Scholar]
- Higashiyama, D.; Shoji, Y.; Satoh, S.; Jikuya, I.; Yamada, K. Attitude control for spacecraft using pyramid-type variable-speed control moment gyros. Acta Astronaut. 2020, 173, 252–265. [Google Scholar] [CrossRef]
- Shelke, S. Controllability of Radial Magnetic Bearing. In Proceedings of the 3rd International Conference of Innovation Automation and Mechatronics Engineering—ICIAME, Vallabh Vidhyanagar, India, 5–6 February 2016; pp. 106–113. [Google Scholar]
- Han, B.; Ma, J.; Li, H. Reserch on Nelinear Friction Compensation of Harmonic Drive in Gimbal Servo—System of DGCMG. Int. J. Control Autom. Syst. 2016, 14, 779–786. [Google Scholar] [CrossRef]
- Sasaki, T.; Shimomura, T.; Schaub, H. Robust attitude control using a double-gimbal variable-speed control moment gyroscope. J. Spacecr. Rocket. 2018, 55, 1235–1247. [Google Scholar] [CrossRef]
- Lungu, R.; Lungu, M.; Efrim, C. Attitude adaptive control of satellites using double-gimbal magnetically suspended control moment gyros. Aerosp. Sci. Technol. 2022, 126, 107652. [Google Scholar] [CrossRef]
- Lungu, R.; Lungu, M.; Efrim, C. Adaptive control of DGMSCMG using dynamic inversion and neural networks. Adv. Space Res. 2021, 68, 3478–3494. [Google Scholar] [CrossRef]
- Xiaocen, C.; Maoyin, C. Precise Control of Magnetically Suspended Doble-Gimbal Control Moment Gyroscope Using Differential Geometric Decopling Method. Chin. J. Aeronaut. 2013, 26, 1017–1028. [Google Scholar]
- Lungu, R.; Efrim, C.; Zheng, Z.; Lungu, M. Dynamic Inversion Based Control of DGMSCMGs. Part2: Control Architecture Design and Validation. In Proceedings of the IEEE International Conference on Applied and Theoretical Electricity, Craiova, Romania, 27–29 May 2021. [Google Scholar]
- Cui, P.; Cui, J.; Yang, Q.; Zheng, S. The Coupling Characteristic Investigation of Double-Gimbal Magnetically Suspended Control Moment Gyro Used on Agile Maneuver Spacecraft. Math. Probl. Eng. 2015, 2015, 78145. [Google Scholar] [CrossRef]
- Li, H.; Yang, S.; Ren, H. Dinamic Decoupling Control of DGCMG Gimbal System via State Feedback Linearization. Mechatronics 2016, 36, 127–135. [Google Scholar] [CrossRef]
- Sasaki, T.; Shimomura, T.; Pullen, S.; Schaub, H. Attitude and vibration control with double-gimbal variable-speed control moment gyros. Acta Astronaut. 2018, 152, 740–751. [Google Scholar] [CrossRef]
- Lungu, M. Backstepping Control Method in Aerospace Engineering; Academica Greifswald Publisher: Rostock, Germany, 2022. [Google Scholar]
- Lungu, M.; Lungu, R. Adaptive neural network-based satellite attitude control by using the dynamic inversion technique and a VSCMG pyramidal cluster. Complexity 2019, 2019, 1645042. [Google Scholar] [CrossRef]
- Liu, F.; Gao, F.; Zhang, W.; Zhang, B.; He, J. The optimization design with minimum power for variable speed control moment gyroscopes with integrated power and attitude control. Aerosp. Sci. Technol. 2019, 88, 287–297. [Google Scholar] [CrossRef]
- Yuandong, L.I.; Qinglei, H.U.; Xiaodong, S.H. Neural network-based fault diagnosis for spacecraft with single-gimbal control moment gyros. Chin. J. Aeronaut. 2021, 35, 261–273. [Google Scholar]
- Sasaki, T.; Shimomura, T.; Kanata, S. LPV control and singularity avoidance of a spacecraft with DGCMGs. IFAC-PapersOnLine 2016, 49, 152–157. [Google Scholar] [CrossRef]
- Walker, J.M.; Culbertson, H.; Raitor, M.; Okamura, A. Haptic orientation guidance using two parallel double-gimbal control moment gyroscopes. IEEE Trans. Haptics 2017, 11, 267–278. [Google Scholar] [CrossRef]
- Leeghim, H.; Kim, D. Singularity-robust control moment gyro allocation strategy for spacecraft attitude control in the presence of disturbances. Aerosp. Sci. Technol. 2021, 119, 107178. [Google Scholar] [CrossRef]
- Lungu, R.; Lungu, M.; Ioan, M. Determination and control of the satellites’ attitude by using a pyramidal configuration of four control moment gyros. In Proceedings of the 12th IEEE International Conference on Informatics in Control, Automation and Robotics, Colmar, France, 21–23 July 2015; pp. 448–456. [Google Scholar]
- Isidori, A. Nonlinear Control Systems; Springer: Berlin/Heidelberg, Germany, 1995. [Google Scholar]
- Lungu, M. Control of double gimbal control moment gyro systems using the backstepping control method and a nonlinear disturbance observer. Acta Astronaut. 2021, 180, 639–649. [Google Scholar] [CrossRef]
- Acquatella, B.P.; Briese, L.E.; Schnepper, K. Guidance command generation and nonlinear dynamic inversion control for reusable launch vehicles. Acta Astronaut. 2020, 174, 334–346. [Google Scholar] [CrossRef]
- Ma, Z.Q.; Huang, P.F. Discrete-time sliding mode control for deployment of tethered space robot with only length and angle measurement. IEEE Trans. Aerosp. Electron. Syst. 2020, 56, 585–596. [Google Scholar] [CrossRef]
- Li, H.; Yu, J. Anti-disturbance control based on cascade ESO and sliding mode control for gimbal system of double gimbal CMG. IEEE Access 2019, 8, 5644–5654. [Google Scholar] [CrossRef]
- Han, B.; Chen, Y.; Zheng, S.; Li, M.; Shi, Y. Robust Control for a magnetically suspended control moment gyro with strong gyroscopic effects. In Proceedings of the IECON Annual Conference of the IEEE Industrial Electronics Society, Washington, DC, USA, 21–23 October 2018; pp. 2440–2446. [Google Scholar]
- Wie, B.; Lu, J. Feedback Control Logic for Spacecraft Eigenaxis Rotation Under Slew Rate and Control Constrains. J. Guid. Control Dyn. 1995, 18, 1372–1379. [Google Scholar] [CrossRef]
- Schweitzer, R. Active Magnetic Bearings—Chances and Limitations; International Center for Magnetic Bearings, EHT: Zurich, Switzerland, 2017. [Google Scholar]
- Yoon, H.; Tsiostras, P. Spacecraft adaptive attitude and power tracking with variable speed control moment giroscopes. J. Guid. Control Dyn. 2002, 25, 1081–1090. [Google Scholar] [CrossRef]
- Sasaki, T.; Shimomura, T. Convex optimization for power tracking of double-gimbal variable-speed control moment gyroscopes. J. Spacecr. Rocket. 2018, 55, 541–551. [Google Scholar] [CrossRef]
- Sasaki, T.; Shimomura, T. Fault-tolerant arhitecture of two parallel double-gimbal variable-speed control moment gyros. In Proceedings of the AIAA Guidance, Navigation andControl Conference, San Diego, CA, USA, 4–8 January 2016. [Google Scholar]

















| Parameter | Value | Parameter | Value | Parameter | Value | Parameter | Value |
|---|---|---|---|---|---|---|---|
| m [kg] | 2.8 | Jiz [kg·m2] | Jry [kg·m2] | kxr [N/A] | 0.21 | ||
| lm [m] | Jey [kg·m2] | Jrz [kg·m2] | kyr [N/A] | 0.21 | |||
| ls [m] | khx [N/m] | 0.8 | Jix [kg·m2] | kxi [Nm/A] | |||
| Jrx [kg·m2] | khy [N/m] | 0.8 | Jiy [kg·m2] | kye [Nm/A] |
Disclaimer/Publisher’s Note: The statements, opinions and data contained in all publications are solely those of the individual author(s) and contributor(s) and not of MDPI and/or the editor(s). MDPI and/or the editor(s) disclaim responsibility for any injury to people or property resulting from any ideas, methods, instructions or products referred to in the content. |
© 2024 by the authors. Licensee MDPI, Basel, Switzerland. This article is an open access article distributed under the terms and conditions of the Creative Commons Attribution (CC BY) license (https://creativecommons.org/licenses/by/4.0/).
Share and Cite
Lungu, R.; Tudosie, A.-N.; Lungu, M.-A.; Crăciunoiu, N.-C. Actuators with Two Double Gimbal Magnetically Suspended Control Moment Gyros for the Attitude Control of the Satellites. Micromachines 2024, 15, 1159. https://doi.org/10.3390/mi15091159
Lungu R, Tudosie A-N, Lungu M-A, Crăciunoiu N-C. Actuators with Two Double Gimbal Magnetically Suspended Control Moment Gyros for the Attitude Control of the Satellites. Micromachines. 2024; 15(9):1159. https://doi.org/10.3390/mi15091159
Chicago/Turabian StyleLungu, Romulus, Alexandru-Nicolae Tudosie, Mihai-Aureliu Lungu, and Nicoleta-Claudia Crăciunoiu. 2024. "Actuators with Two Double Gimbal Magnetically Suspended Control Moment Gyros for the Attitude Control of the Satellites" Micromachines 15, no. 9: 1159. https://doi.org/10.3390/mi15091159
APA StyleLungu, R., Tudosie, A.-N., Lungu, M.-A., & Crăciunoiu, N.-C. (2024). Actuators with Two Double Gimbal Magnetically Suspended Control Moment Gyros for the Attitude Control of the Satellites. Micromachines, 15(9), 1159. https://doi.org/10.3390/mi15091159

