A High-Precision Bandgap Reference with Chopper Stabilization and V-Curve Compensation Technique
Abstract
:1. Introduction
2. Materials and Methods
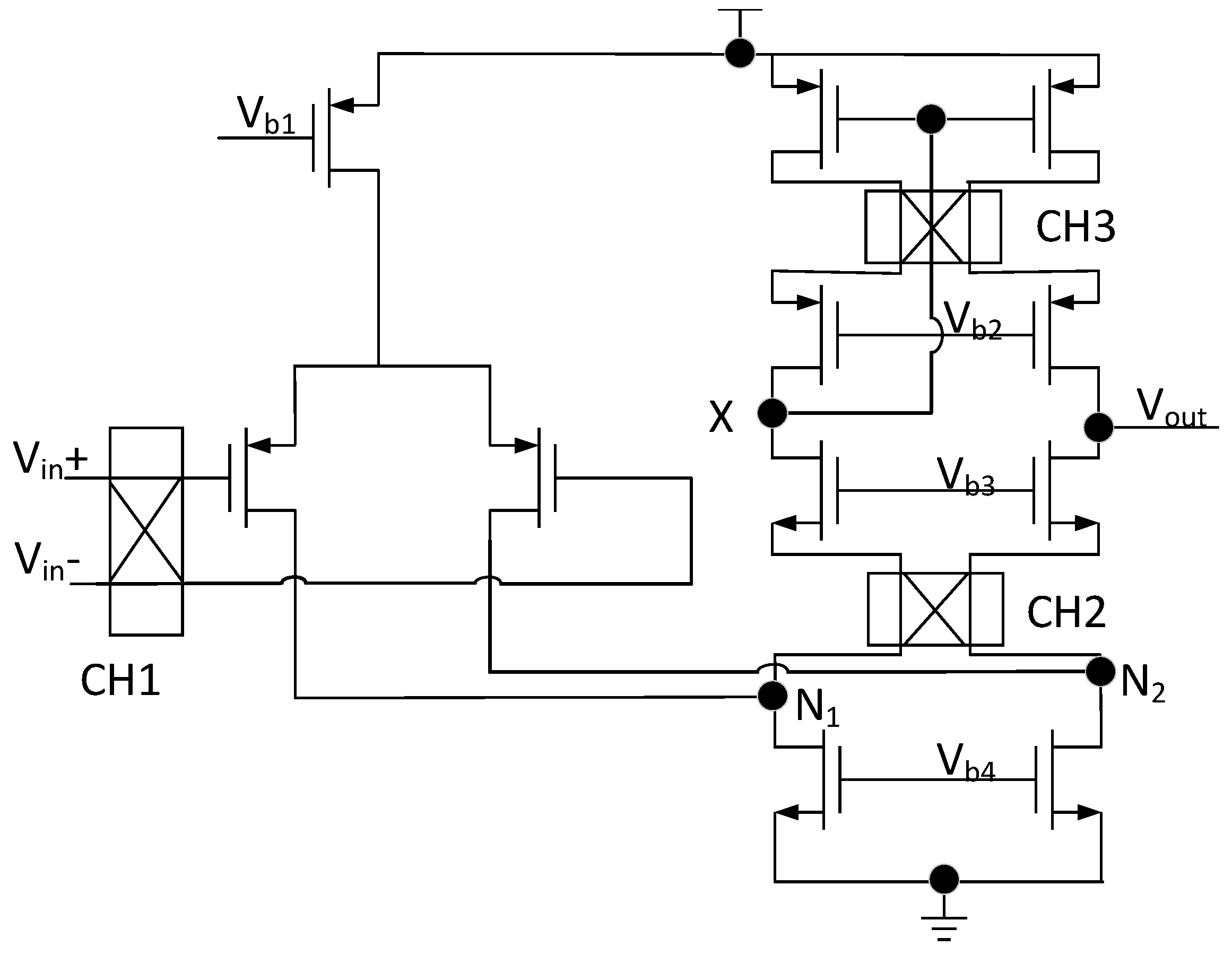
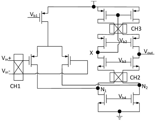
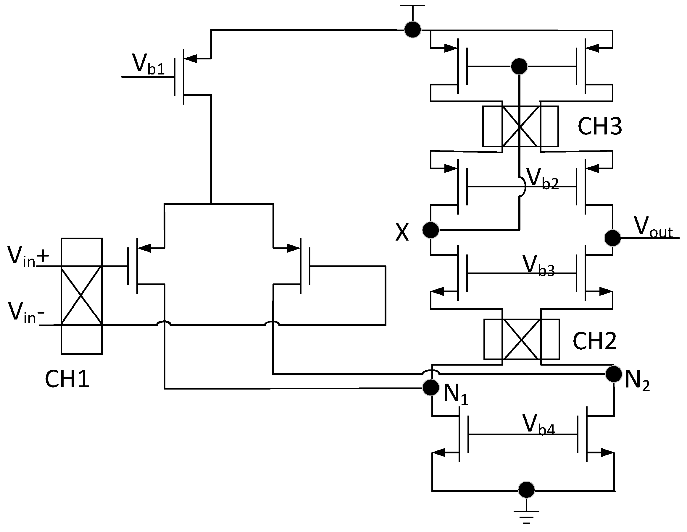
2.1. Chopper-Stabilization Technique
2.2. V-Curve Compensation Technique
3. Results
4. Discussion
5. Conclusions
Author Contributions
Funding
Data Availability Statement
Acknowledgments
Conflicts of Interest
References
- Zhu, J.; Liu, X.; Shi, Q.; He, T.; Sun, Z.; Guo, X.; Liu, W.; Sulaiman, O.B.; Dong, B.; Lee, C. Development trends and perspectives of future sensors and MEMS/NEMS. Micromachines 2019, 11, 7. [Google Scholar] [CrossRef] [PubMed]
- Leung, K.N.; Mok, P.K.T. A sub-1-V 15-ppm/°C CMOS bandgap voltage reference without requiring low threshold voltage device. IEEE J. Solid-State Circuits 2002, 37, 526–530. [Google Scholar] [CrossRef]
- Li, J.H.; Zhang, X.; Yu, M. A 1.2-V Piecewise Curvature-Corrected Bandgap Reference in 0.5μm CMOS Process. IEEE Trans. Very Large Scale Integr. (VLSI) Syst. 2010, 19, 1118–1122. [Google Scholar] [CrossRef]
- Osaki, Y.; Hirose, T.; Kuroki, N.; Numa, M. 1.2-V supply, 100-nW, 1.09-V bandgap and 0.7-V supply, 52.5-nW, 0.55-V subbandgap reference circuits for nanowatt CMOS LSIs. IEEE J. Solid-State Circuits 2013, 48, 1530–1538. [Google Scholar] [CrossRef]
- Duan, Q.; Roh, J. A 1.2-V 4.2 ppm/°C High-Order Curvature-Compensated CMOS Bandgap Reference. IEEE Trans. Circuits Syst. I Regul. Pap. 2014, 62, 662–670. [Google Scholar] [CrossRef]
- Redouté, J.M.; Steyaert, M. Kuijk bandgap voltage reference with high immunity to EMI. IEEE Trans. Circuits Syst. II Express Briefs 2010, 57, 75–79. [Google Scholar] [CrossRef]
- Leung, K.N.; Mok, P.K.T.; Leung, C.Y. A 2-V 23-μA 5.3-ppm/°C curvature-compensated CMOS bandgap voltage reference. IEEE J. Solid-State Circuits 2003, 38, 561–564. [Google Scholar] [CrossRef]
- Wang, J.P.; Jiang, J.G.; Zhou, X.F. Less occupied and ultra low noise LDO design. Analog. Integr. Circuits Signal Process. 2014, 81, 453–459. [Google Scholar] [CrossRef]
- Li, J.; Zhang, X.; Yu, M. A 166MS/s 31 mW pipelined interpolating ADC in 0.18 µm CMOS with on-chip LDO regulator. In Proceedings of the 2011 Cross Strait Quad-Regional Radio Science and Wireless Technology Conference, Harbin, China, 26–30 July 2011; pp. 1520–1523. [Google Scholar]
- Zhang, Y.; Zhao, Y.; Huang, R.; Liang, C.J.; Chiang, C.W.; Kuan, Y.C.; Chang, M.C.F. A 23.6–38.3 GHz low-noise PLL with digital ring oscillator and multi-ratio injection-locked dividers for millimeter-wave sensing. In Proceedings of the 2020 IEEE Radio Frequency Integrated Circuits Symposium (RFIC), Los Angeles, CA, USA, 4–6 August 2020; pp. 3–6. [Google Scholar]
- Zhang, W.J.; Liu, M.L.; Xie, L.; Peng, L.J.; Jin, X.L. Low noise voltage reference for MEMS acceleration sensor readout circuit. In Proceedings of the 2016 13th IEEE International Conference on Solid-State and Integrated Circuit Technology (ICSICT), Hangzhou, China, 25–28 October 2016; pp. 943–945. [Google Scholar]
- Nie, K.; Zha, W.; Shi, X.; Li, J.; Xu, J.; Ma, J. A single slope ADC with row-wise noise reduction technique for CMOS image sensor. IEEE Trans. Circuits Syst. I Regul. Pap. 2020, 67, 2873–2882. [Google Scholar] [CrossRef]
- Liu, L.; Liao, X.; Mu, J. A 3.6μVrms noise, 3 ppm/°C TC bandgap reference with offset/noise suppression and five piece linear compensation. IEEE Trans. Circuits Syst. I Regul. Pap. 2019, 66, 3786–3796. [Google Scholar] [CrossRef]
- Lv, D.; Ma, H.; Liu, F.; Hong, Z. A curvature corrected bandgap reference with mismatch cancelling and noise reduction. In Proceedings of the 2019 IEEE 13th International Conference on ASIC, Chongqing, China, 29 October–1 November 2019; pp. 1–4. [Google Scholar]
- Fu, X.; Colombo, D.M.; Yin, Y.; El-Sankary, K. Low Noise, High PSRR, High-Order Piecewise Curvature Compensated CMOS Bandgap Reference. IEEE Access 2022, 10, 110970–110982. [Google Scholar] [CrossRef]
- Sowmyashree, S.; Shrimali, H. A Low Noise Bandgap Reference with 0.89 V Vref, 0.88 μV rms noise and 80 dB of PSRR. In Proceedings of the 2023 36th International Conference on VLSI Design and 2023 22nd International Conference on Embedded Systems (VLSID), Hyderabad, India, 8–12 January 2023; pp. 1–6. [Google Scholar]
- Enz, C.C.; Vittoz, E.A.; Krummenacher, F. A CMOS chopper amplifier. IEEE J. Solid-State Circuits 1987, 22, 335–342. [Google Scholar] [CrossRef]
- Zou, J.; Wei, Q.; Zhou, B.; Li, X.; Ju, C.; Zhang, R.; Chen, Z. A 442.1 nVpp, 13.07 ppm/°C ultra-low noise bandgap reference circuit in 180 nm BCD process. In Proceedings of the IEEE International Symposium on Circuits and Systems (ISCAS), Daegu, Republic of Korea, 22–28 May 2021; pp. 1–4. [Google Scholar]
- Chen, H.M.; Lee, C.C.; Jheng, S.H.; Chen, W.C.; Lee, B.Y. A sub-1 ppm/°C precision bandgap reference with adjusted-temperature-curvature compensation. IEEE Trans. Circuits Syst. I Regul. Pap. 2017, 64, 1308–1317. [Google Scholar] [CrossRef]
- Yan, T.; Chi-Wa, U.; Law, M.K.; Lam, C.S. A−40 °C–125 °C, 1.08 ppm/°C, 918 nW bandgap voltage reference with segmented curvature compensation. Microelectron. J. 2020, 105, 104897. [Google Scholar] [CrossRef]
- Hu, J.; Sun, J.; Bai, Y.; Xu, H.; Du, T.; Li, G.; Chen, Y. A novel 1.03 ppm/°C wide-temperature-range curvature-compensated bandgap voltage reference. In Proceedings of the 2018 IEEE 2nd International Conference on Circuits, System and Simulation (ICCSS), Guangzhou, China, 14–16 July 2018; pp. 22–26. [Google Scholar]
- Menolfi, C.; Huang, Q. A low—Noise CMOS instrumentation amplifier for thermoelectric infrared detectors. IEEE J. Solid State Circuits 1997, 32, 968–976. [Google Scholar] [CrossRef]
- O’Donnell, R. Circuit techniques for reducing the effects of op-amp imperfections: Autozeroing, correlated double sampling, and chopper stabilization-Prologue. Proc. IEEE 1996, 84, 1582–1583. [Google Scholar]
- Falconi, C.; D’Amico, A.; Faccio, M. Design of accurate analog circuits for low voltage low power CMOS systems. In Proceedings of the 2003 International Symposium on Circuits and Systems, ISCAS’03, Vancouver, BC, Canada, 12–15 May 2003. [Google Scholar]













| Design | [15] | [16] | [18] | [21] | [This Work] | |
|---|---|---|---|---|---|---|
| Parameter | ||||||
| Process (μm) | 0.18COMS | 0.065CMOS | 0.18BCD | 0.15CMOS | 0.18CMOS | |
| Output noise (nV/) | 1420 @320 Hz | 880 @10Hz | 442 @0.1–10 Hz | —— | 616 @1 Hz | |
| Temperature coefficient (ppm/°C) | 5–15 | 13.03 | 13.07 | 1.03 | 2.31 | |
| Power supply (V) | 2.7–3.3 | —— | 5 | 1.8 | 1.8 | |
| Power supply-rejection ratio (dB) | 80@DC | 80@1 MHz | 81.28@10 Hz | 83@100 Hz | 73@10 kHz | |
| Line regulation (mV/V) | 0.05 | —— | —— | 0.2 | 0.33 | |
Disclaimer/Publisher’s Note: The statements, opinions and data contained in all publications are solely those of the individual author(s) and contributor(s) and not of MDPI and/or the editor(s). MDPI and/or the editor(s) disclaim responsibility for any injury to people or property resulting from any ideas, methods, instructions or products referred to in the content. |
© 2023 by the authors. Licensee MDPI, Basel, Switzerland. This article is an open access article distributed under the terms and conditions of the Creative Commons Attribution (CC BY) license (https://creativecommons.org/licenses/by/4.0/).
Share and Cite
Chen, E.; Wu, T.; Yu, J.; Yin, L. A High-Precision Bandgap Reference with Chopper Stabilization and V-Curve Compensation Technique. Micromachines 2024, 15, 74. https://doi.org/10.3390/mi15010074
Chen E, Wu T, Yu J, Yin L. A High-Precision Bandgap Reference with Chopper Stabilization and V-Curve Compensation Technique. Micromachines. 2024; 15(1):74. https://doi.org/10.3390/mi15010074
Chicago/Turabian StyleChen, Enming, Thomas Wu, Jianhai Yu, and Liang Yin. 2024. "A High-Precision Bandgap Reference with Chopper Stabilization and V-Curve Compensation Technique" Micromachines 15, no. 1: 74. https://doi.org/10.3390/mi15010074
APA StyleChen, E., Wu, T., Yu, J., & Yin, L. (2024). A High-Precision Bandgap Reference with Chopper Stabilization and V-Curve Compensation Technique. Micromachines, 15(1), 74. https://doi.org/10.3390/mi15010074
