Design of a Template-Based Electrophoretically Assisted Micro-Ultrasonic Machining Micro-Channel Machine Tool and Its Machining Experiment
Abstract
:1. Introduction
2. Principle of Template-Based Electrophoretically Assisted Micro-Ultrasonic Machining
3. Design of an Experimental Machine Tool
3.1. Key Components Design of the Machine Tool
3.1.1. Design of a Vertical Sliding Table
3.1.2. Design of a Micro 3D Motion Platform
3.1.3. Pressure Sensor
3.1.4. Design of an Ultrasonic Vibration System
3.1.5. Design of a Working Fluid Tank
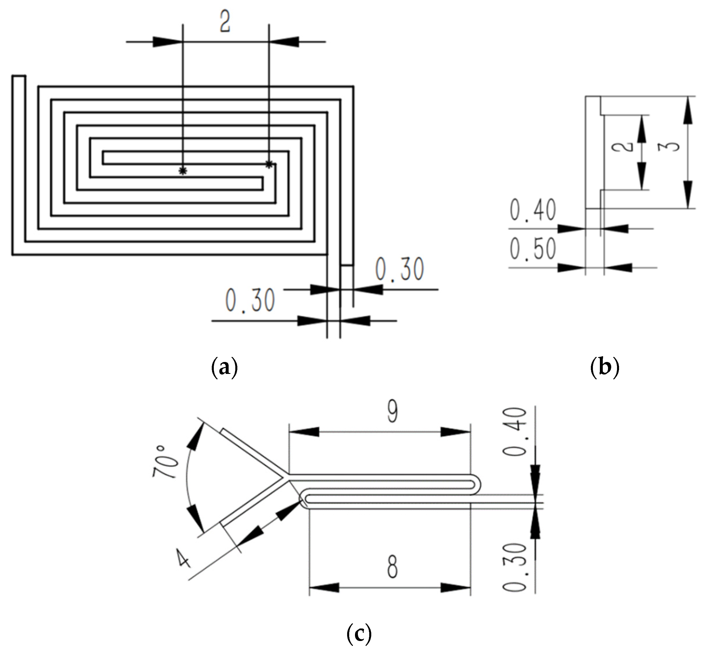
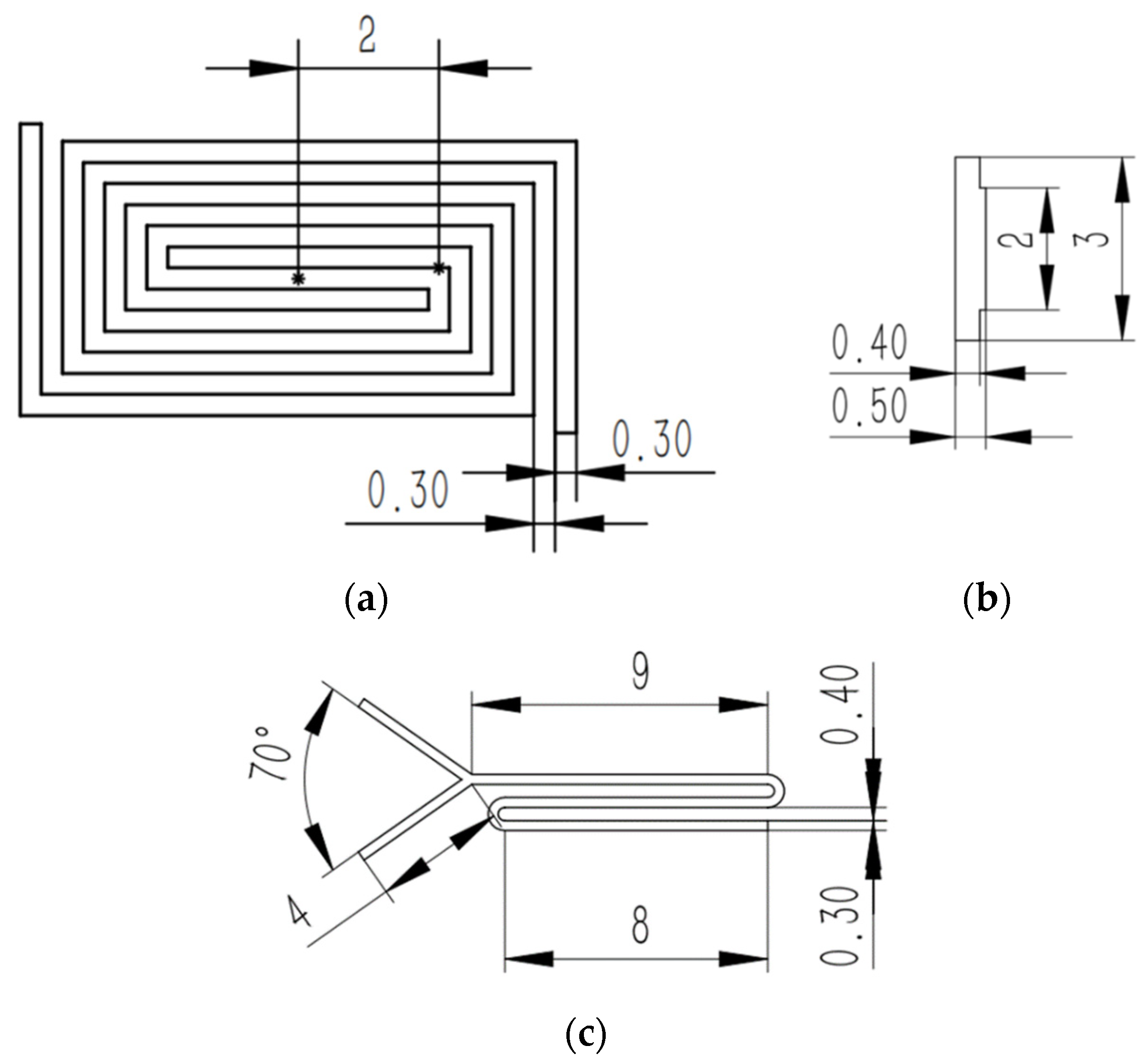
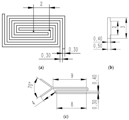
3.1.6. Design of a Template Tool
3.1.7. Machine Tool of TBEPAMUSM
3.2. Control System Design of the TBEPAMUSM Machine Tool
3.2.1. Constant Force Tool Setting Module
3.2.2. Constant Force Control Machining Module
3.2.3. The Interface of the Control System
4. Machining Experiment and Result Analysis
4.1. Experimental Study on Micro-Channel Machining
4.2. Comparative Experiment
5. Conclusions
- The template-based electrophoretically assisted micro-ultrasonic machining micro-channel machine tool can effectively implement the micro-channel machining of hard and brittle materials. The hardware part of the machine tool includes a vertical sliding table, a micro three-dimensional motion platform, an ultrasonic vibration system, a pressure sensor, a working fluid tank, and a template tool. The software part of the machine tool uses LabVIEW for modular development, which includes: an initialization module, fast positioning module, constant force tool setting module, constant force control machining module, and real-time position display module.
- The machining experiments of different micro-channel shapes show that: the step-shaped micro-straight groove with the smallest contact area with the workpiece has the highest machining rate.
- The machining experiments of different material substrates of micro-channels show that: the efficiency of micro-channels on single-crystal silicon is better than that on soda-lime glass.
- Compared with micro-ultrasonic machining, template-based electrophoretically assisted micro-ultrasonic machining can effectively reduce the surface roughness of micro-grooves and has a positive effect on the material removal rate.
Author Contributions
Funding
Data Availability Statement
Conflicts of Interest
References
- Shi, H.; Cao, Y.; Xie, Z.; Zhao, Y.; Zhang, C.; Chen, Z. Multi-parameter photoelectric data fitting for microfluidic sweat colorimetric analysis. Sens. Actuators B Chem. 2022, 372, 132644. [Google Scholar] [CrossRef]
- Song, F.; Wang, C.; Wang, C.; Wang, J.; Wu, Y.; Wang, Y.; Liu, H.; Zhang, Y.; Han, L. Multi-Phenotypic Exosome Secretion Profiling Microfluidic Platform for Exploring Single-Cell Heterogeneity. Small Methods 2022, 6, 2200717. [Google Scholar] [CrossRef] [PubMed]
- Dubeau-Laramée, G.; Rivière, C.; Jean, I.; Mermut, O.; Cohen, L.Y. Microflow1, a sheathless fiber-optic flow cytometry biomedical platform: Demonstration onboard the international space station. Cytom. Part A 2014, 85, 322–331. [Google Scholar] [CrossRef] [PubMed]
- Qiang, J. Designing and Implementation of Sampling Device Based on the Space Station’s Automatic Air Microbial. Master’s Thesis, Beijing Institute of Technology, Beijing, China, 2018. [Google Scholar] [CrossRef]
- Xun, W.-P. Research on the Polymer Microfluidic Chip Technology for Flow Cytometry in Spaceflight. Ph.D. Thesis, Northwestern Polytechnical University, Xi’an, China, 2019. [Google Scholar] [CrossRef]
- Xiang, T.; Hou, J.; Xie, H.; Liu, X.; Gong, T.; Zhou, S. Biomimetic micro/nano structures for biomedical applications. Nano Today 2020, 35, 100980. [Google Scholar] [CrossRef]
- Yang, R.; Ouyang, Z.; Guo, H.; Qu, J.; Xia, J.; Shen, M.; Shi, X. Microfluidic synthesis of intelligent nanoclusters of ultrasmall iron oxide nanoparticles with improved tumor microenvironment regulation for dynamic MR imaging-guided tumor photothermo-chemo-chemodynamic therapy. Nano Today 2022, 46, 101615. [Google Scholar] [CrossRef]
- Zhang, K.; Wang, M.; Liu, T.; Chu, Z.; Jin, W. Scalable Printing of Prussian Blue Analogue@Au Edge-Rich Microcubes as Flexible Biosensing Microchips Performing Ultrasensitive Sucrose Fermentation Monitoring. ACS Appl. Mater. Interfaces 2022, 14, 40569–40578. [Google Scholar] [CrossRef]
- Zhao, P.; Liu, Y.; Chen, Y.; Yang, M.; Zhao, S.; Qi, N.; Wang, Y.; Huo, D.; Hou, C. Hemin-Functionalized Microfluidic Chip with Dual-Electric Signal Outputs for Accurate Determination of Uric Acid. ACS Appl. Mater. Interfaces 2022, 14, 41369–41378. [Google Scholar] [CrossRef]
- Xu, C.; Zhao, J.; Chen, S.; Sakharov, I.Y.; Hu, S.; Zhao, S. An ultrasensitive bunge bedstraw herb type DNA machine for absolute quantification of mRNA in single cell. Biosens. Bioelectron. 2022, 217, 114702. [Google Scholar] [CrossRef]
- Yeom, D.; Kim, J.; Kim, S.; Ahn, S.; Choi, J.; Kim, Y.; Koo, C. A Thermocycler Using a Chip Resistor Heater and a Glass Microchip for a Portable and Rapid Microchip-Based PCR Device. Micromachines 2022, 13, 339. [Google Scholar] [CrossRef]
- Dziomba, S.; Araya-Farias, M.; Taverna, M.; Guerrouache, M.; Carbonnier, B.; Tran, N.T. Microscope-assisted UV-initiated preparation of well-defined porous polymer monolithic plugs in glass microchips for peptide preconcentration. Anal. Bioanal. Chem. 2017, 409, 2155–2162. [Google Scholar] [CrossRef]
- Li, X.-L. High-Efficiency Fabrication of Multifunctional Glass Microfluidic Devices Using Ultrafast Laser-Assisted Chemical Etching. Ph.D. Thesis, East China Normal University, Shanghai, China, 2022. [Google Scholar] [CrossRef]
- Li, Y.; Kang, Q.-S.; Sun, G.-P.; Su, L.-J.; Zheng, Z.-H.; Zhang, Z.-F.; Wang, H.-Z.; He, Z.-K.; Huang, W.-H. Microchip-based immunoassays with application of silicon dioxide nanoparticle film. Anal. Bioanal. Chem. 2012, 403, 2449–2457. [Google Scholar] [CrossRef]
- Cao, J.; Wu, Y.; Li, J.; Zhang, Q. Study on the material removal process in ultrasonic-assisted grinding of SiC ceramics using smooth particle hydrodynamic (SPH) method. Int. J. Adv. Manuf. Technol. 2016, 83, 985–994. [Google Scholar] [CrossRef]
- Saha, C.K.; Cooper, A.R. Effect of Etched Depth on Glass Strength. J. Am. Ceram. Soc. 1984, 67, 158–160. [Google Scholar] [CrossRef]
- Tsopanos, S.; Sutcliffe, C.-J.; Owen, I. The manufacture of micro cross-flow heat exchangers by selective laser melting. In Proceedings of the Fifth International Conference on Enhanced, Compact and Ultra-Compact Heat Exchangers: Science, Engineering and Technology, Engineering Conferences International, Hoboken, NJ, USA, 22–27 June 2005; pp. 410–417. Available online: https://dc.engconfintl.org/heatexchangerfall2005/45 (accessed on 11 April 2023).
- Wilson, M.E.; Kota, N.; Kim, Y.; Wang, Y.; Stolz, D.B.; LeDuc, P.R.; Ozdoganlar, O.B. Fabrication of circular microfluidic channels by combining mechanical micromilling and soft lithography. Lab Chip 2011, 11, 1550–1555. [Google Scholar] [CrossRef] [PubMed]
- Jain, A.; Singh, G.; Jain, V.; Gupta, D. Feasibility analysis for machining serpentine microchannels on glass using rotary ultrasonic milling. Measurement 2020, 160, 107844. [Google Scholar] [CrossRef]
- McDonald, J.C.; Duffy, D.C.; Anderson, J.R.; Chiu, D.T.; Wu, H.; Schueller, O.J.; Whitesides, G.M. Fabrication of microfluidic systems in poly (dimethylsiloxane). Electrophor. Int. J. 2000, 21, 27–40. [Google Scholar] [CrossRef]
- Chen, X.-X.; Wang, H.; Zhang, W.-W. Study on Mechanism and Technology of Rotary Ultrasonic Machining of Ceramic MaterialsDiscretized by Micro-textured Arrays. Electromach. Mould 2020, 3, 64–68. [Google Scholar]
- Abdo, B.M.; Anwar, S.; El-Tamimi, A. Machinability study of biolox forte ceramic by milling microchannels using rotary ultrasonic machining. J. Manuf. Process. 2019, 43, 175–191. [Google Scholar] [CrossRef]
- Zhao, J.; Huang, J.; Xiang, Y.; Wang, R.; Xu, X.; Ji, S.; Hang, W. Effect of a protective coating on the surface integrity of a microchannel produced by microultrasonic machining. J. Manuf. Process. 2021, 61, 280–295. [Google Scholar] [CrossRef]
- Tateishi, T.; Yoshihara, N.; Yan, J.W.; Kuriyagawa, T. Fabrication of High-Aspect Ratio Micro Holes on Hard Brittle Materials -Study on Electrorheological Fluid-Assisted Micro Ultrasonic Machining. Key Eng. Mater. 2009, 389–390, 264–270. [Google Scholar] [CrossRef]
- Tateishi, T.; Shimada, K.; Yoshihara, N.; Yan, J.W.; Kuriyagawa, T. Control of the Behavior of Abrasive Grains by the Effect of Electrorheological Fluid Assistance—Study on Electrorheological Fluid-Assisted Micro Ultrasonic Machining. Adv. Mater. Res. 2009, 849, 696–701. [Google Scholar] [CrossRef]
- Tateishi, T.; Yoshihara, N.; Yan, J.; Kuriyagawa, T. Study on electrorheological fluid-assisted microultrasonic machining. Int. J. Abras. Technol. 2009, 1, 70. [Google Scholar] [CrossRef]
- Tateishi, T.; Shimada, K.; Yoshihara, N.; Yan, J.W.; Kuriyagawa, T. Effect of Electrorheological Fluid Assistance on Micro Ultrasonic Machining. Adv. Mater. Res. 2009, 832, 69–70. [Google Scholar] [CrossRef]
- Lian, H.S.; Guo, Z.N.; Liu, J.W.; Huang, Z.G.; He, J.F. Experimental study of electrophoretically assisted micro-ultrasonic machining. Int. J. Adv. Manuf. Technol. 2016, 85, 2115–2124. [Google Scholar] [CrossRef]

























| Material | Conductivity (IACS)/% | Resistivity (Ω·m) | Density (g/cm3) | Yield Strength (MPa) | Tensile Strength (MPa) |
|---|---|---|---|---|---|
| Duralumin | 41 | 0.0415 | 2.82 | 455 | 510 |
| Methods | Ra (μm) | MRR (106 μm3/min) | |||
|---|---|---|---|---|---|
| 1 | 2 | 3 | Average | ||
| With electrophoresis assistance | 1.803 | 2.137 | 1.936 | 1.959 | 0.859 |
| Without electrophoresis assistance | 2.279 | 2.606 | 2.749 | 2.545 | 0.828 |
Disclaimer/Publisher’s Note: The statements, opinions and data contained in all publications are solely those of the individual author(s) and contributor(s) and not of MDPI and/or the editor(s). MDPI and/or the editor(s) disclaim responsibility for any injury to people or property resulting from any ideas, methods, instructions or products referred to in the content. |
© 2023 by the authors. Licensee MDPI, Basel, Switzerland. This article is an open access article distributed under the terms and conditions of the Creative Commons Attribution (CC BY) license (https://creativecommons.org/licenses/by/4.0/).
Share and Cite
Lian, H.; Zhang, L.; Chen, X.; Deng, C.; Mo, Y. Design of a Template-Based Electrophoretically Assisted Micro-Ultrasonic Machining Micro-Channel Machine Tool and Its Machining Experiment. Micromachines 2023, 14, 1360. https://doi.org/10.3390/mi14071360
Lian H, Zhang L, Chen X, Deng C, Mo Y. Design of a Template-Based Electrophoretically Assisted Micro-Ultrasonic Machining Micro-Channel Machine Tool and Its Machining Experiment. Micromachines. 2023; 14(7):1360. https://doi.org/10.3390/mi14071360
Chicago/Turabian StyleLian, Haishan, Linpeng Zhang, Xiaojun Chen, Cuiyuan Deng, and Yuandong Mo. 2023. "Design of a Template-Based Electrophoretically Assisted Micro-Ultrasonic Machining Micro-Channel Machine Tool and Its Machining Experiment" Micromachines 14, no. 7: 1360. https://doi.org/10.3390/mi14071360
APA StyleLian, H., Zhang, L., Chen, X., Deng, C., & Mo, Y. (2023). Design of a Template-Based Electrophoretically Assisted Micro-Ultrasonic Machining Micro-Channel Machine Tool and Its Machining Experiment. Micromachines, 14(7), 1360. https://doi.org/10.3390/mi14071360
