Application of Compact Folded-Arms Square Open-Loop Resonator to Bandpass Filter Design
Abstract
1. Introduction
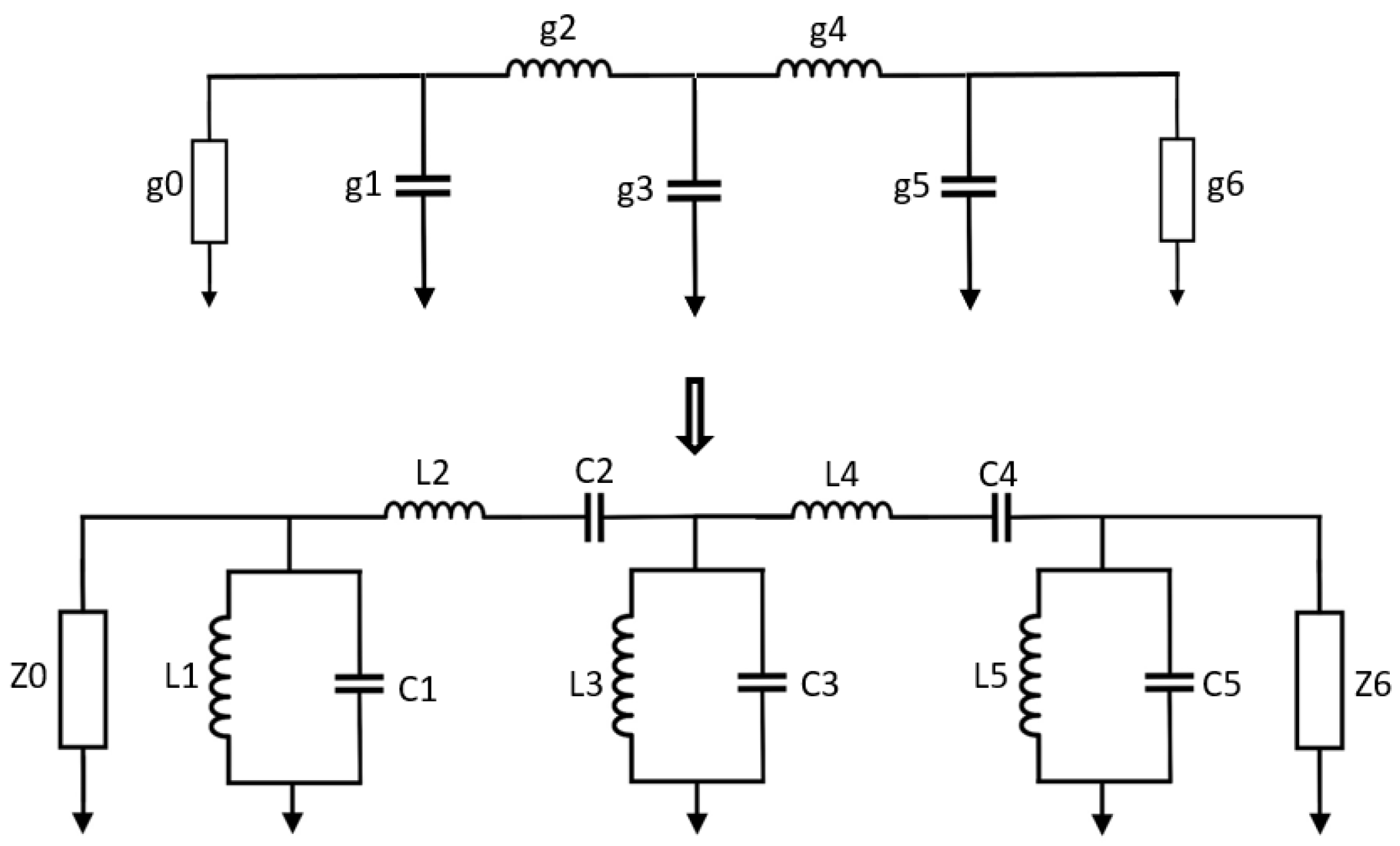
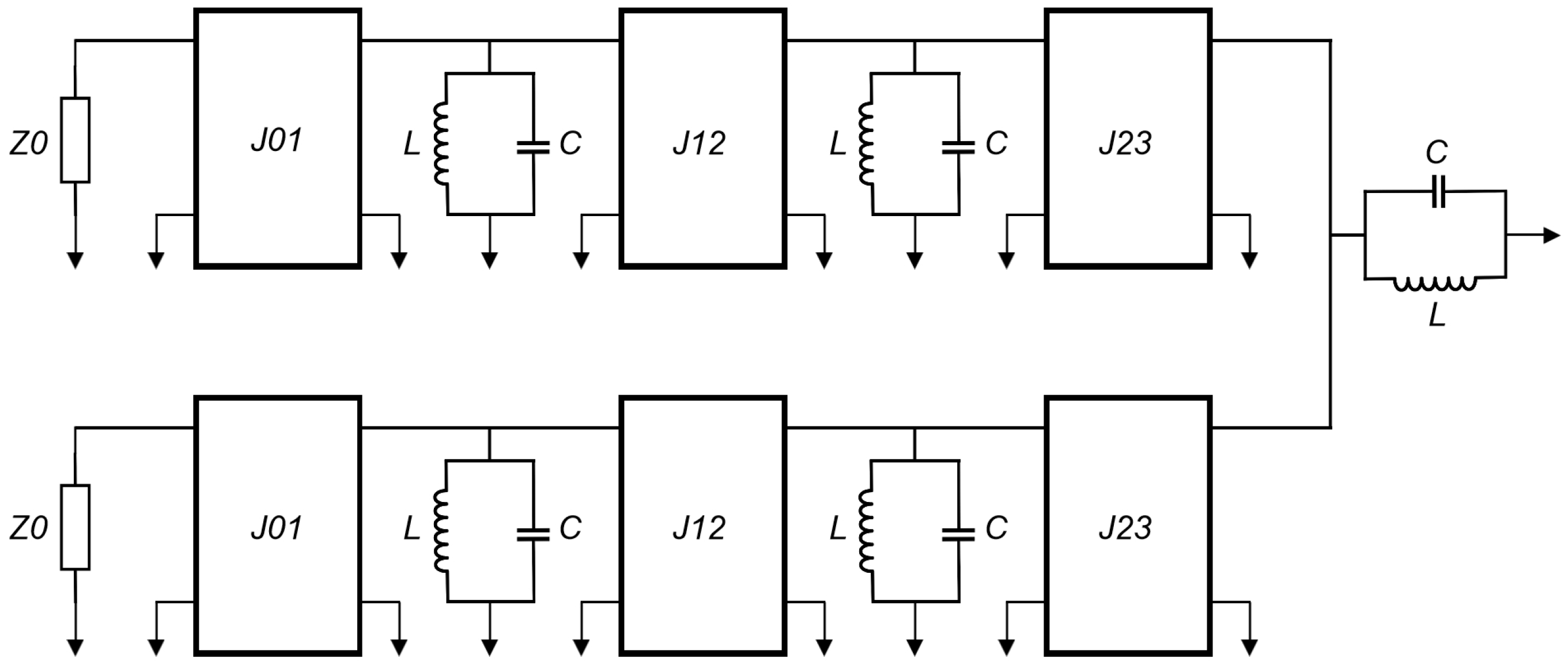
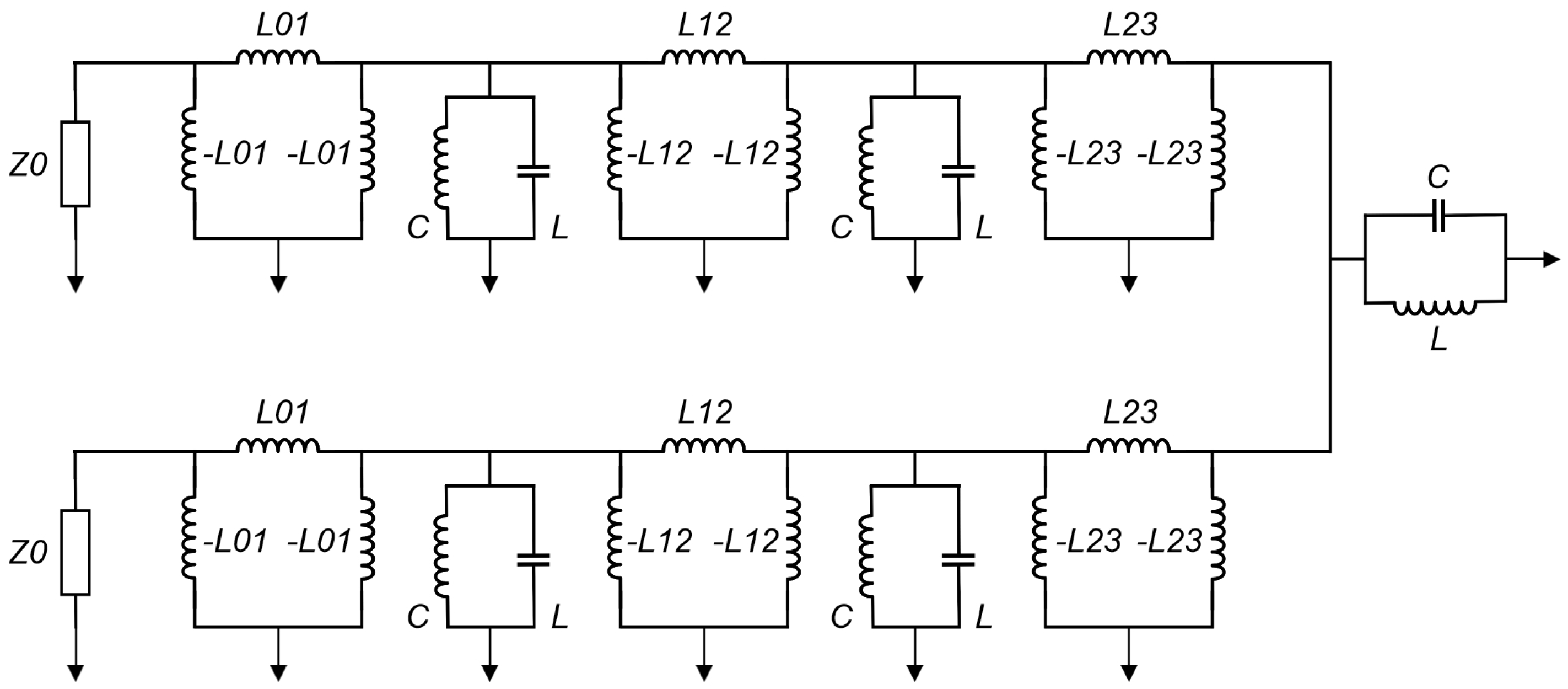
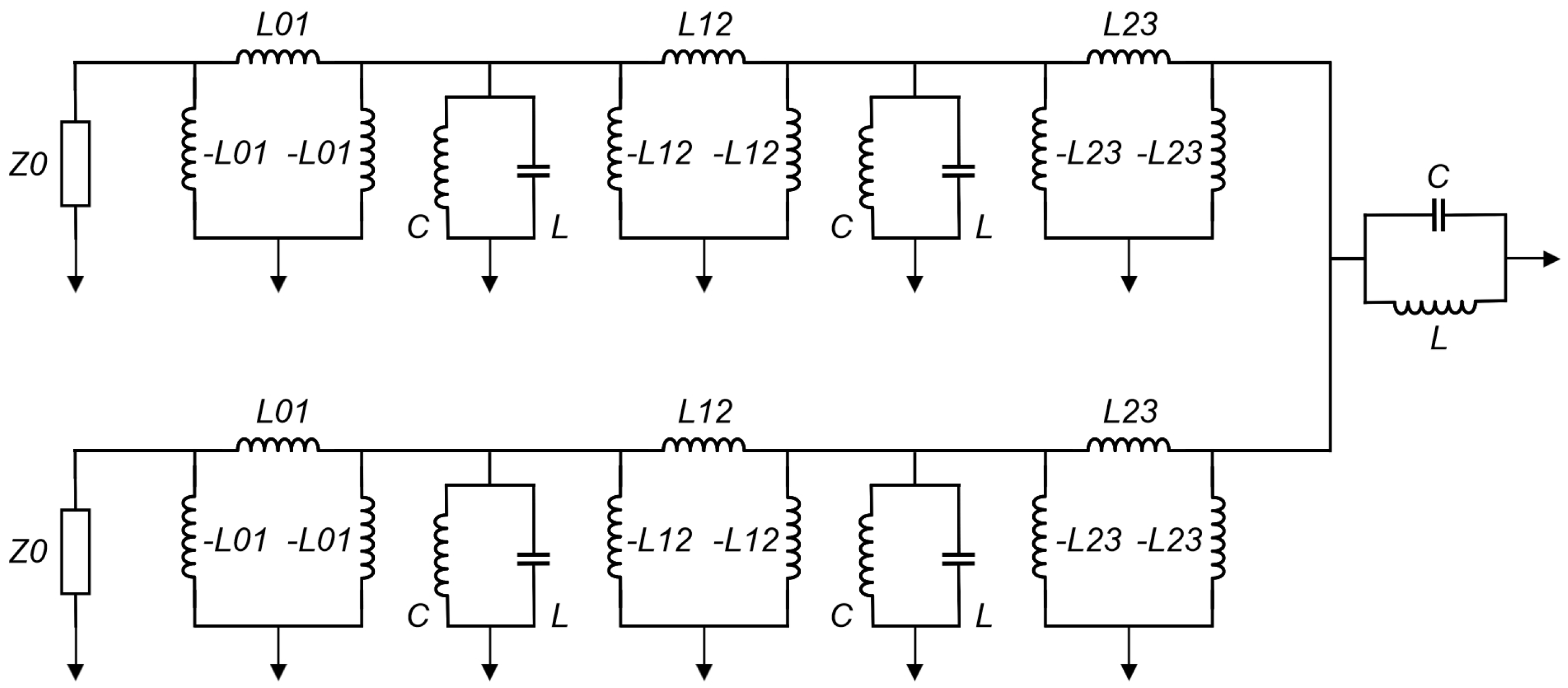
2. Circuit Modelling of Bandpass Filter
3. Microstrip Filter Design
3.1. Resonator Dimension
3.2. Coupling Coefficient and External Quality Factor Extraction
4. Filter Simulation
5. Filter Experimentation
6. Results Discussion
7. Conclusions
Author Contributions
Funding
Conflicts of Interest
References
- Hong, J.-S. Microstrip Filters for RF/Microwave Applications, 2nd ed.; Wiley: New York, NY, USA, 2011; pp. 1–635. [Google Scholar]
- Prasetya, B.; Rohmah, Y.S.; Nurmantris, D.A.; Mulyawati, S.; Dipayana, R. Band pass filter comparison of hairpin line and square open-loop resonator method for digital TV community. Bull. Electr. Eng. Inform. 2021, 10, 101–110. [Google Scholar] [CrossRef]
- Nwajana, A.O.; Yeo, K.S.K. Microwave diplexer purely based on direct synchronous and asynchronous coupling. Radioengineering 2016, 25, 247–252. [Google Scholar] [CrossRef]
- Mitic, M.; Nedelchev, M.; Kolev, A.; Marinkovic, Z. ANN based design of microstrip square open loop resonator filters. In Proceedings of the 2020 Joint International Conference on Digital Arts, Media and Technology with ECTI Northern Section Conference on Electrical, Electronics, Computer and Telecommunications Engineering (ECTI DAMT & NCON), Pattaya, Thailand, 11–14 March 2020; IEEE: Piscataway Township, NJ, USA, 2020; pp. 158–161. [Google Scholar]
- Astuti, D.W.; Perkasa, R.A.; Muslim; Pahlevi, T.A. HMSIW bandpass filter using square open loop resonator for short range device applications. In Proceedings of the 2019 IEEE 14th Malaysia International Conference on Communication (MICC), Selangor, Malaysia, 2–4 December 2019; IEEE: Piscataway Township, NJ, USA, 2019; pp. 36–39. [Google Scholar]
- Nwajana, A.O.; Yeo, K.S.K. Multi-coupled resonator microwave diplexer with high isolation. In Proceedings of the 46th European Microwave Conference (EuMC), London, UK, 4–6 October 2016; IEEE: Piscataway Township, NJ, USA, 2016; pp. 1167–1170. [Google Scholar]
- Shaheen, M.M.; Mahmoud, N.M.; Ali, M.A.; Nasr, M.E.; Hussein, A.H. Implementation of a highly selective microstrip diplexer with low insertion loss using square open-loop resonators and a T-junction combiner. Radioengineering 2022, 31, 357–361. [Google Scholar] [CrossRef]
- Jarchi, S.; Khalily, M.; Tafazolli, R. Effects of metamaterial loading on miniaturization of loop and open loop microstrip filters. In Proceedings of the 2020 International Conference on UK-China Emerging Technologies (UCET), Glasgow, UK, 20–21 August 2020; IEEE: Piscataway Township, NJ, USA, 2020; pp. 1–4. [Google Scholar]
- Astuti, D.W.; Juwanto; Alaydrus, M. A bandpass filter based on square open loop resonators at 2.45 GHz. In Proceedings of the 3rd International Conference on Instrumentation, Communications, Information Technology and Biomedical Engineering (ICICI-BME), Bandung, Indonesia, 7–8 November 2013; IEEE: Piscataway Township, NJ, USA, 2013; pp. 147–151. [Google Scholar]
- Santana, M.P.; Barbosa, E.V.S.; Rondineau, S.R.M.J. Design of Ku–band filters and diplexer for a heterodyne transceiver using coupled open–loop resonator cells. In Proceedings of the 2020 Workshop on Communication Networks and Power Systems (WCNPS), Brasilia, Brazil, 12–13 November 2020; IEEE: Piscataway Township, NJ, USA, 2020; pp. 1–6. [Google Scholar]
- Gorur, A.K.; Turkeli, A.; Dogan, E.; Karpuz, C.; Gorur, A. A novel compact microstrip diplexer with closely spaced channels. In Proceedings of the 2020 50th European Microwave Conference (EuMC), Utrecht, the Netherlands, 12–14 January 2021; IEEE: Piscataway Township, NJ, USA, 2021; pp. 116–119. [Google Scholar]
- Mansour, G.; Rahim, M.K.A.; Aldeeb, H.A. Cross–Coupled microstrip bandpass filters with finite frequency transmission zeros. In Proceedings of the 2021 IEEE 1st International Maghreb Meeting of the Conference on Sciences and Techniques of Automatic Control and Computer Engineering MI-STA, Tripoli, Libya, 25–27 May 2021; IEEE: Piscataway Township, NJ, USA, 2021; pp. 684–688. [Google Scholar]
- Alkhafaji, M.K. Electrically coupled folded arm resonator with the feedline patch antenna for spurious harmonic suppression and bandwidth improvement. Iraqi J. Electr. Electron. Eng. 2020, 16, 33–38. [Google Scholar] [CrossRef]
- Ledezma, L.M. A Study on the Miniaturization of Microstrip Square Open-Loop Resonators. Master of Science Thesis, University of South Florida, Tampa, FL, USA, 2011; pp. 1–58. [Google Scholar]
- Cameron, R.J.; Kudsia, C.M.; Mansour, R.R. Microwave Filters for Communication Systems: Fundamentals, Design, and Applications, 2nd ed.; Wiley: New York, NY, USA, 2018; pp. 1–928. [Google Scholar]
- Hong, J.-S.; Lancaster, M.J. Coupling of microstrip square open-loop resonators for cross-coupled planar microwave filters. IEEE Trans. Microw. Theory Tech. 1996, 44, 2099–2109. [Google Scholar] [CrossRef]
- Sanchez-Martinez, J.J.; Marquez-Segura, E.; Lucyszyn, S. Design of compact wideband bandpass filters based on multiconductor transmission lines with interconnected alternate lines. IEEE Microw. Wirel. Compon. Lett. 2014, 24, 454–456. [Google Scholar] [CrossRef]
- Zhang, P.; Liu, L.; Chen, D.; Weng, M.-H.; Yang, R.-Y. Application of a stub-loaded square ring resonator for wideband bandpass filter design. Electronics 2020, 9, 176. [Google Scholar] [CrossRef]
- Nwajana, A.O.; Obi, E.R. A review on SIW and its applications to microwave components. Electronics 2022, 11, 1160. [Google Scholar] [CrossRef]
- Zhang, R.; Zhu, L. Synthesis design of a wideband bandpass filter with inductive coupling short-circuited multi-mode resonator. IEEE Microw. Wirel. Compon. Lett. 2012, 22, 509–511. [Google Scholar] [CrossRef]
- Shaman, H.N. New S-band bandpass filter (BPF) with wideband passband for wireless communication systems. IEEE Microw. Wirel. Compon. Lett. 2012, 22, 242–244. [Google Scholar] [CrossRef]
- Ayinala, K.D.; Sahu, P.K. An SRR–loaded compact triple–band 4–Element MIMO design for WLAN/WiMAX/C–band applications. In Proceedings of the 2022 IEEE Wireless Antenna and Microwave Symposium (WAMS), Rourkela, India, 5–8 June 2022; IEEE: Piscataway Township, NJ, USA, 2022; pp. 1–5. [Google Scholar]
- Nedelchev, M.; Mitic, M.; Kolev, A.; Marinkovic, Z. Modeling and design of microstrip coupled resonator filters based on ANNs. In Proceedings of the 2020 43rd International Conference on Telecommunications and Signal Processing (TSP), Milan, Italy, 7–9 July 2020; IEEE: Piscataway Township, NJ, USA, 2020; pp. 470–473. [Google Scholar]











| Ref. | f0 (GHz) | Filter Order | Footprint (λg × λg) | IL 1 (dB) | RL 2 (dB) |
|---|---|---|---|---|---|
| [16] [17] [19] [20] | 3.5 4.5 3.4 3.0 | 3 2 5 4 | 0.17 × 0.16 0.28 × 0.09 0.37 × 0.10 0.24 × 0.07 | 0.6 1.6 0.5 1.0 | 13.0 10.0 10.0 11.0 |
| This work | 2.2 | 5 | 0.26 × 0.05 | 0.9 | 19.2 |
Disclaimer/Publisher’s Note: The statements, opinions and data contained in all publications are solely those of the individual author(s) and contributor(s) and not of MDPI and/or the editor(s). MDPI and/or the editor(s) disclaim responsibility for any injury to people or property resulting from any ideas, methods, instructions or products referred to in the content. |
© 2023 by the authors. Licensee MDPI, Basel, Switzerland. This article is an open access article distributed under the terms and conditions of the Creative Commons Attribution (CC BY) license (https://creativecommons.org/licenses/by/4.0/).
Share and Cite
Nwajana, A.O.; Obi, E.R. Application of Compact Folded-Arms Square Open-Loop Resonator to Bandpass Filter Design. Micromachines 2023, 14, 320. https://doi.org/10.3390/mi14020320
Nwajana AO, Obi ER. Application of Compact Folded-Arms Square Open-Loop Resonator to Bandpass Filter Design. Micromachines. 2023; 14(2):320. https://doi.org/10.3390/mi14020320
Chicago/Turabian StyleNwajana, Augustine O., and Emenike Raymond Obi. 2023. "Application of Compact Folded-Arms Square Open-Loop Resonator to Bandpass Filter Design" Micromachines 14, no. 2: 320. https://doi.org/10.3390/mi14020320
APA StyleNwajana, A. O., & Obi, E. R. (2023). Application of Compact Folded-Arms Square Open-Loop Resonator to Bandpass Filter Design. Micromachines, 14(2), 320. https://doi.org/10.3390/mi14020320

