Design and Implementation of an Online Efficiency-Optimized Multi-Functional Compensator for Wind Turbine Generators
Abstract
:1. Introduction
2. WTGIC System Configuration and Operating Modes
2.1. Operating Mode 1: Independent Charging/Discharging of ESU
2.2. Operating Mode 2: PQ Improvement
2.3. Operating Mode 3: WTG Power Smoothing
3. Design of WTGIC Power Converters and Development of Required Controllers and Algorithms
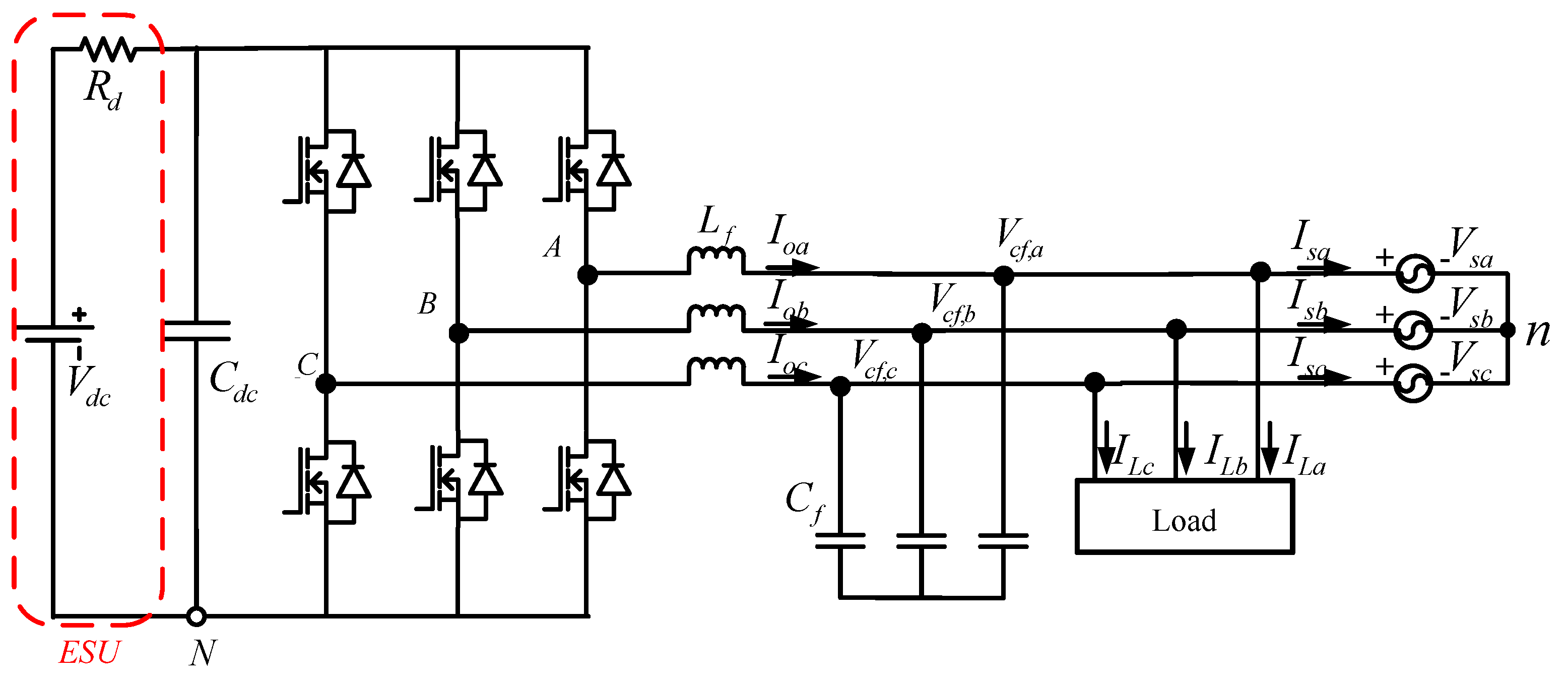
3.1. WTGIC Power Converters
3.2. Real-Time Efficiency Optimization Strategy and Control
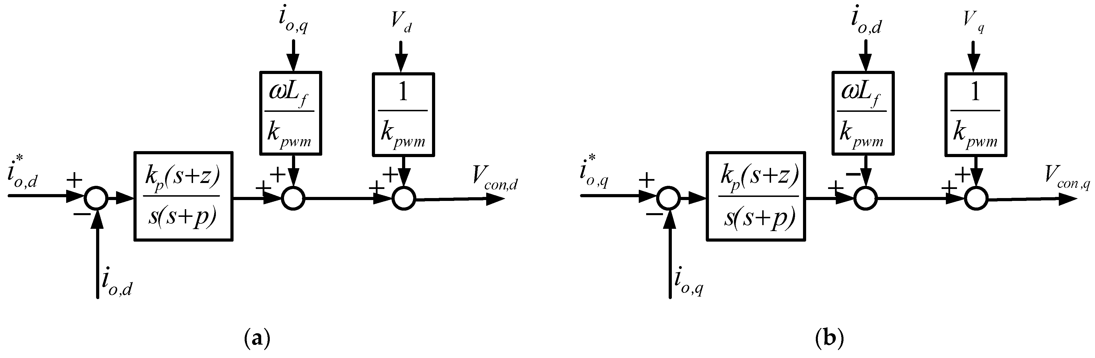
3.2.1. WTGIC Inner Loops—Inductor Current Control
3.2.2. WTGIC Outer Loops—P and Q Control
3.2.3. WTGIC’s Harmonic Current Compensation Technique
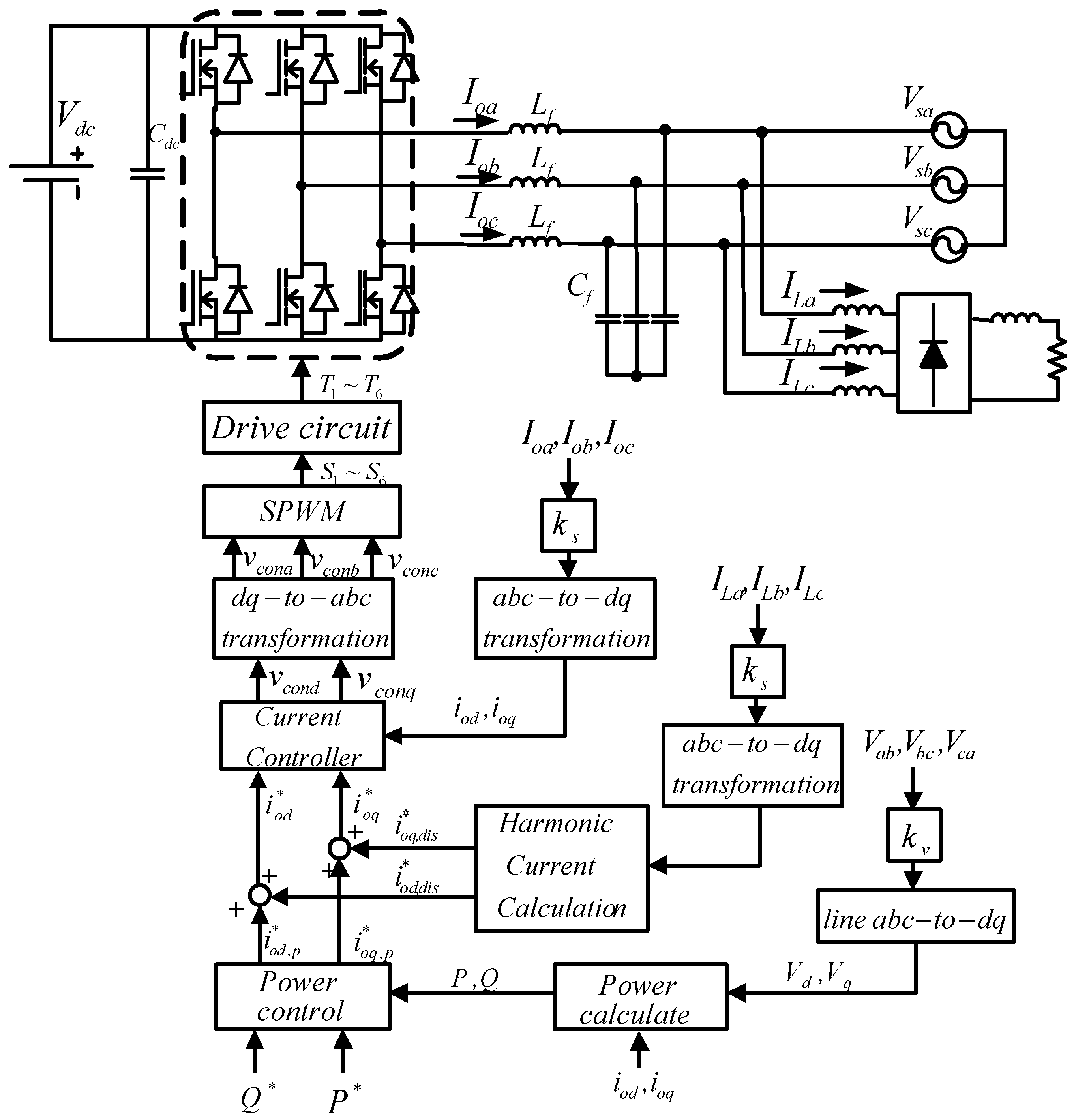
3.2.4. Complete Control Architecture
4. System-Wide Simulation of Proposed WTGIC
4.1. Operating Mode 1: Independent Charge/Discharge of ESU
4.2. Operating Mode 2: PQ Improvement
4.3. Operating Mode 3: WTG Power Smoothing
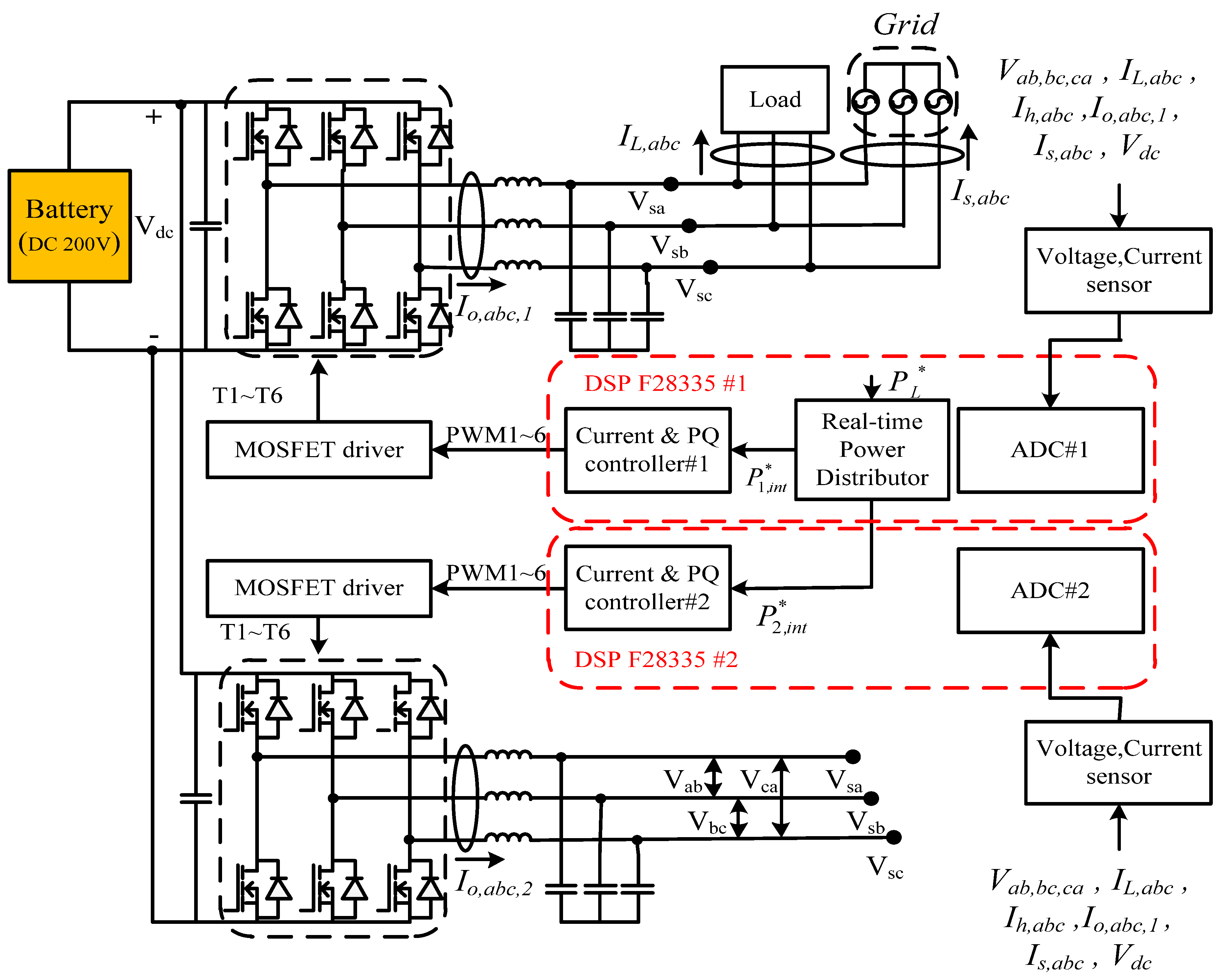
5. Small-Capacity Hardware Implementation of Proposed WTGIC
5.1. Operating Mode 1: Independent Charge/Discharge of ESU
5.2. Operating Mode 2: PQ Improvement
5.3. Operating Mode 3: WTG Power Smoothing
6. Conclusions
Author Contributions
Funding
Data Availability Statement
Acknowledgments
Conflicts of Interest
References
- Dio, V.D.; Favuzza, S.; Cascia, D.L.; Miceli, R. Economical incentives and systems of certification for the production of electrical energy from renewable energy resources. In Proceedings of the 2007 International Conference on Clean Electrical Power, Capri, Italy, 21–23 May 2007; pp. 277–282. [Google Scholar]
- Federal Ministry for Economic Affairs and Energy. Wikipedia. Available online: http://www.german-renewable-energy.com (accessed on 10 July 2023).
- International Energy Agency. Wikipedia. Available online: https://www.iea.org (accessed on 12 July 2023).
- German Advisory Council on Global Change. Wikipedia. Available online: https://www.wbgu.de/en (accessed on 12 July 2023).
- Krishnamoorthy, H.S.; Rana, D.; Garg, P.; Enjeti, P.N.; Pitel, I.J. Wind turbine generator-battery energy storage utility interface converter topology with medium-frequency transformer link. IEEE Trans. Power Electron. 2014, 29, 4146–4155. [Google Scholar] [CrossRef]
- He, J.; Li, Q.; Ma, J.; Zhang, W.; Zhao, Y. Research on capacity configuration method of concentrated reactive power compensator for wind farm LVRT capability. J. Eng. 2017, 13, 2428–2432. [Google Scholar] [CrossRef]
- Mahdianpoor, M.; Kiyoumarsi, A.; Ataei, M.; Hooshmand, R.-A. Robust Implementation of Distribution Static Compensator Along with Bridge Type Fault Current Limiter for Fault Ride through Enhancement of Fixed Speed Wind Turbines. IEEE Access 2017, 5, 14490–14501. [Google Scholar] [CrossRef]
- da Silveira, S.E.; Silva, S.M.; Filho, B.J.C. Fault ride-through enhancement in DFIG with control of stator flux using minimised series voltage compensator. IET Electr. Power App. 2018, 12, 1234–1240. [Google Scholar] [CrossRef]
- Mosaad, M.I. Model reference adaptive control of STATCOM for grid integration of wind energy systems. IET Electr. Power Appl. 2018, 12, 605–613. [Google Scholar] [CrossRef]
- Geng, H.; Liu, L.; Li, R. Synchronization and Reactive Current Support of PMSG-Based Wind Farm during Severe Grid Fault. IEEE Trans. Sustain. Energy 2018, 12, 1234–1240. [Google Scholar] [CrossRef]
- Zhu, X.; Zhou, Q.; Liu, J.; Yuan, Y.; Jin, M. SSO damping in DFIG-based wind farms integrated by a hybrid series compensator. J. Eng. 2017, 13, 1323–1326. [Google Scholar] [CrossRef]
- Darabian, M.; Jalilvand, A. Designing a wide area damping controller to coordinate FACTS devices in the presence of wind turbines with regard to time delay. IET Renew. Power Gener. 2018, 13, 1523–1534. [Google Scholar] [CrossRef]
- Wang, L.; Chang, C.-H.; Kuan, B.-L.; Prokhorov, A.V. Stability Improvement of a Two-Area Power System Connected with an Integrated Onshore and Offshore Wind Farm Using a STATCOM. IEEE Trans. Ind. Appl. 2017, 53, 867–877. [Google Scholar] [CrossRef]
- Hong, Y.Y.; Nguyen, M.T. Optimal design of IT2-FCS-based STATCOM controller applied to power system with wind farms using Taguchi method. IET Gener. Transm. Distrib. 2018, 12, 2145–2151. [Google Scholar] [CrossRef]
- Gupta, T.N.; Murshid, S.; Singh, B. Power quality improvement of single phase weak grid interfaced hybrid solar PV and wind system using double fundamental signal extracter-based control. IET Gener. Transm. Distrib. 2019, 13, 3988–3998. [Google Scholar] [CrossRef]
- Gao, B.; Hu, Y. Sub-synchronous resonance mitigation by a STATCOM in doubly fed induction generator-based wind farm connected to a series-compensated transmission network. J. Eng. 2020, 16, 812–815. [Google Scholar] [CrossRef]
- Kuang, H.; Zheng, L.; Li, S.; Ding, X. Voltage stability improvement of wind power grid-connected system using TCSC-STATCOM control. IET Renew. Power Gen. 2019, 13, 215–219. [Google Scholar] [CrossRef]
- Bai, X.; Qu, L.; Qiao, W.; Robust, A.C. Optimal Power Flow for Power Networks with Wind Power Generation. IEEE Trans. Power Syst. 2016, 31, 4163–4164. [Google Scholar] [CrossRef]
- Wang, R.; Xie, Y.; Zhang, H.; Li, C.; Li, W.; Terzija, V. Dynamic power flow algorithm considering frequency regulation of wind power generators. IET Renew. Power Gen. 2017, 11, 1218–1225. [Google Scholar] [CrossRef]
- Wafaa, M.B.; Dessaint, L.-A. Multi-objective stochastic optimal power flow considering voltage stability and demand response with significant wind penetration. IET Gener. Transm. Distrib. 2017, 11, 3499–3509. [Google Scholar] [CrossRef]
- Rahmani, S.; Amjady, N. Non-deterministic optimal power flow considering the uncertainties of wind power and load demand by multi-objective information gap decision theory and directed search domain method. IET Renew. Power Gen. 2018, 12, 1354–1365. [Google Scholar] [CrossRef]
- Xie, Z.Q.; Ji, T.Y.; Li, M.S.; Wu, Q.H. Quasi-Monte Carlo Based Probabilistic Optimal Power Flow Considering the Correlation of Wind Speeds Using Copula Function. IEEE Trans. Power Syst. 2018, 33, 2239–2247. [Google Scholar] [CrossRef]




























| Load | Load Value | Active Power Consumption | Reactive Power Consumption |
|---|---|---|---|
| (Case 1) RL_1 | 12 Ω + 20 mL | 723 W | 454 Var |
| (Case 2) RL_2 | 6 Ω + 10 mL | 1445 W | 908 Var |
| (Case 3) Rect_1 | 36 Ω/7 mH | 676 W | 48 Var |
| (Case 4) Rect_2 | 20 Ω/7 mH | 1216 W | 423 Var |
Disclaimer/Publisher’s Note: The statements, opinions and data contained in all publications are solely those of the individual author(s) and contributor(s) and not of MDPI and/or the editor(s). MDPI and/or the editor(s) disclaim responsibility for any injury to people or property resulting from any ideas, methods, instructions or products referred to in the content. |
© 2023 by the authors. Licensee MDPI, Basel, Switzerland. This article is an open access article distributed under the terms and conditions of the Creative Commons Attribution (CC BY) license (https://creativecommons.org/licenses/by/4.0/).
Share and Cite
Ma, C.-T.; Zhou, F.-W. Design and Implementation of an Online Efficiency-Optimized Multi-Functional Compensator for Wind Turbine Generators. Micromachines 2023, 14, 1958. https://doi.org/10.3390/mi14101958
Ma C-T, Zhou F-W. Design and Implementation of an Online Efficiency-Optimized Multi-Functional Compensator for Wind Turbine Generators. Micromachines. 2023; 14(10):1958. https://doi.org/10.3390/mi14101958
Chicago/Turabian StyleMa, Chao-Tsung, and Feng-Wei Zhou. 2023. "Design and Implementation of an Online Efficiency-Optimized Multi-Functional Compensator for Wind Turbine Generators" Micromachines 14, no. 10: 1958. https://doi.org/10.3390/mi14101958
APA StyleMa, C.-T., & Zhou, F.-W. (2023). Design and Implementation of an Online Efficiency-Optimized Multi-Functional Compensator for Wind Turbine Generators. Micromachines, 14(10), 1958. https://doi.org/10.3390/mi14101958
