Abstract
This paper proposes a novel and cost-effective drive circuit for supplying a piezoelectric ceramic actuator, which combines a dual boost AC-DC converter with a coupled inductor and a half-bridge resonant DC-AC inverter into a single-stage architecture with power-factor-correction (PFC) and soft-switching characteristics. The coupled inductor of the dual boost AC-DC converter sub-circuit is designed to work in discontinuous conduction mode (DCM), so the PFC function can be realized in the proposed drive circuit. The resonant tank of the half-bridge resonant inverter sub-circuit is designed as an inductive load, so that the two power switches in the presented drive circuit can achieve zero-voltage switching (ZVS) characteristics. A 50 W-rated prototype drive circuit providing a piezoelectric ceramic actuator has been successfully implemented in this paper. From the experimental results at 110 V input utility-line voltage, the drive circuit has the characteristics of high power factor and low input current total-harmonic-distortion factor, and two power switches have ZVS characteristics. Therefore, satisfactory outcomes from measured results prove the function of the proposed drive circuit.
1. Introduction
Piezoelectric ceramic actuators generate vibrations with a frequency above 20 kHz through the piezoelectric effect and have the characteristics of high accuracy, fast response, low power consumption, miniaturization, and high-density configuration. Piezoelectric ceramic actuators are widely used in low-power ultrasonic energy conversion circuits (such as ultrasonic beauty equipment, dental scalers, and atomizers) and high-power ultrasonic energy conversion circuits (such as ultrasonic cleaning machines, ultrasonic processing machines, and ultrasonic welding machines) [1,2,3,4,5,6,7]. Figure 1 shows a photo of a piezoelectric ceramic actuator. The equivalent circuit model of the piezoelectric ceramic actuator is shown in Figure 2, where the voltage source vOUT is the voltage output from the driving circuit to the piezoelectric ceramic actuator; the capacitance Cp is the static capacitance of the piezoelectric ceramic actuator; the resistance Rm is the mechanical equivalent resistance; Lm is the mechanical equivalent inductance, and Cm is the mechanical equivalent capacitance [8,9,10,11].
Figure 1.
The photo of a piezoelectric ceramic actuator.
Figure 2.
The equivalent circuit model for a piezoelectric ceramic actuator.
Figure 3 shows the conventional two-stage drive circuit for supplying a piezoelectric ceramic actuator applied with a DC input voltage source VIN-DC [12], which consists of a front-stage DC-DC boost converter (including an inductor Lb, a power switch Sb, a diode Db along with a DC-linked capacitor Cb), and a rear-stage DC-AC full-bridge resonant converter (including four power switches S1, S2, S3, and S4 and a resonant inductor Lr) that provides rated power to the piezoelectric ceramic actuator.
Figure 3.
The conventional two-stage drive circuit for supplying a piezoelectric ceramic actuator applied with a DC input voltage source [12].
Figure 4 shows the conventional two-stage drive circuit for supplying a piezoelectric ceramic actuator applied with a AC input voltage source vAC and without power-factor-correction (PFC) [13,14], which consists of a front-stage AC-DC full-bridge rectifier (including four diodes DR1, DR2, DR3, and DR4 along with a DC-linked capacitor CDC) and a rear-stage DC-AC full-bridge resonant converter (including four power switches S1, S2, S3, and S4; four diodes D1, D2, D3, and D4; and a resonant inductor Lr) that provides rated power to the piezoelectric ceramic actuator.
Figure 4.
The conventional two-stage drive circuit for supplying a piezoelectric ceramic actuator applied with an AC input voltage source without PFC [13,14].
The traditional driving circuit that supplies power to the piezoelectric ceramic actuator requires more power switches, and the switching loss and conduction loss generated by the power switches are relatively large, which will affect the overall efficiency of the circuit. In response to these challenges, this paper presents a novel and cost-effective drive circuit for providing a piezoelectric ceramic actuator with PFC and soft-switching functions, which integrates a dual boost converter with a coupled inductor and a half-bridge resonant inverter. Descriptions of the operational modes and design equations along with experimental results of the proposed drive circuit are demonstrated in what follows.
2. The Proposed Drive Circuit for Supplying a Piezoelectric Ceramic Actuator
2.1. Introduction of Proposed Drive Circuit
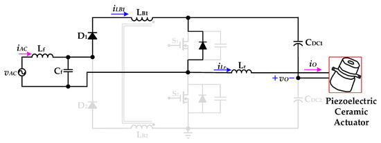
Figure 5 shows the proposed drive circuit with PFC, which integrates a dual boost converter with a coupled inductor and a half-bridge resonant inverter, for supplying a piezoelectric ceramic actuator. The dual boost converter with a coupled-inductor sub-circuit, which is followed by an input AC voltage vAC and a filter (Lf and Cf), consists of two diodes (D1 and D2), a coupled-inductor (LB1 and LB2), two power switches (S1 and S2), and two DC-linked capacitors (CDC1 and CDC2). The half-bridge resonant inverter sub-circuit includes two switches (S1 and S2), two DC-linked capacitors (CDC1 and CDC2), and a resonant inductor (Lr) along with the piezoelectric ceramic actuator. In addition, the coupled-inductor (LB1 and LB2) is designed to be operated in discontinuous-conduction mode (DCM) in order to accomplish input-current shaping.
Figure 5.
The proposed drive circuit for supplying a piezoelectric ceramic actuator with PFC.
Table 1 shows comparisons between the conventional two-stage drive circuits in References [12,13,14] and the proposed single-stage one for the piezoelectric ceramic actuator. It can be seen that the proposed drive circuit has the characteristics of power-factor-correction and soft switching and requires fewer power switches than in References [12,13,14], so it can be a cost-effective alternative version for supplying a piezoelectric ceramic actuator.
Table 1.
Comparisons between the conventional drive circuits and the proposed version for a piezoelectric ceramic actuator.
2.2. Analysis of Operational Modes
When analyzing the operational modes of the piezoelectric ceramic actuator drive circuit, the assumptions made for some circuit components are as follows:
- The control signals of the power switches S1 and S2 are in a complementary state, and the essential diodes and parasitic capacitances on the power switches are considered.
- The two coupled inductors LB1 and LB2 in the drive circuit are designed to operate in discontinuous-conduction Mode (DCM).
- The equivalent resistance of diodes D1 and D2 and the forward bias voltage drop are ignored in the analysis.
- The remaining circuit components are assumed to be ideal.
The operating modes and theoretical waveforms of the proposed piezoelectric ceramic driver drive circuit during the positive half-cycle of the utility-line voltage are shown in Figure 6, Figure 7, Figure 8, Figure 9, Figure 10, Figure 11 and Figure 12, respectively. The circuit analysis and operating modes of the drive circuit during the positive half-cycle of the utility-line voltage are described and discussed in detail below.
Figure 6.
Operation Mode 1 of the proposed drive circuit for the piezoelectric ceramic actuator.
Figure 7.
Operation Mode 2 of the proposed drive circuit for the piezoelectric ceramic actuator.
Figure 8.
Operation Mode 3 of the proposed drive circuit for the piezoelectric ceramic actuator.
Figure 9.
Operation Mode 4 of the proposed drive circuit for the piezoelectric ceramic actuator.
Figure 10.
Operation Mode 5 of the proposed drive circuit for the piezoelectric ceramic actuator.
Figure 11.
Operation Mode 6 of the proposed drive circuit for the piezoelectric ceramic actuator.
Figure 12.
Theoretical waveforms of the proposed drive circuit of the piezoelectric ceramic actuator during the positive half-cycle of the utility-line voltage.
2.2.1. Operational Mode 1 (t0 ≤ t < t1)
Figure 6 shows the operational Mode 1 of the new piezoelectric ceramic actuator drive circuit with PFC. In the previous operation mode, the essential diode of the power switch S1 is forward-biased conduction. When the resonant inductor current iLr drops to zero, the power switch S1 is driven on and has ZVS. The voltage source vAC provides energy to the coupled inductor LB1 through the inductance Lf and the capacitor Cf of the filter circuit, the diode D1 and the power switch S1, and the coupled inductor current iLB1 presents a linear increase. The DC-linked capacitor CDC1 charges the resonant inductor Lr through the power switch S1 and provides energy to the piezoelectric ceramic actuator. When the power switch S1 is turned off, the inductor current iLB1 rises to the maximum value. At time t1, Mode 1 ends.
2.2.2. Operational Mode 2 (t1 ≤ t < t2)
Figure 7 shows the operational Mode 2 of the new piezoelectric ceramic actuator drive circuit with PFC. The voltage source vAC provides energy to the parasitic capacitance of the power switch S1 through the inductance Lf and the capacitance Cf of the filter circuit, the diode D1, and the coupling inductor LB1, and the coupling inductor current iLB1 begins to decrease linearly. The DC-linked capacitor CDC1 and the resonant inductor Lr charge the parasitic capacitance of the power switch S1 and provide energy to the piezoelectric ceramic actuator. The parasitic capacitance of the power switch S2 and the resonant inductance Lr provide energy to the load and provide energy for the DC-linked capacitor CDC2. When the parasitic capacitance of the power switch S2 releases energy, the voltage vDS2 of the power switch S2 drops to zero, and the essential diode of the power switch S2 is forwardly biased and turned on. At time t2, Mode 2 ends.
2.2.3. Operational Mode 3 (t2 ≤ t < t3)
Figure 8 shows the operational Mode 3 of the new piezoelectric ceramic actuator drive circuit with PFC. The voltage source vAC and the coupled inductor LB1 charge the DC-linked capacitors CDC1 and CDC2 through the inductance Lf and capacitor Cf of the filter circuit, the diode D1, and the essential diode of the power switch S2. At this time, the coupled inductor current iLB1 shows a linear decrease. The resonant inductor Lr charges the DC-linked capacitor CDC2 through the essential diode of the power switch S2 and provides energy to the piezoelectric ceramic actuator. When the coupled inductor current iLB1 and the resonant inductor current iLr drop to zero, Mode 3 ends.
2.2.4. Operational Mode 4 (t3 ≤ t < t4)
Figure 9 shows the operational Mode 4 of the new piezoelectric ceramic actuator drive circuit with PFC. When the coupled inductor current iLB1 drops to zero, the power switch S2 is driven to turn on and has a ZVS characteristic. The DC-linked capacitor CDC2 charges the resonant inductor Lr through the power switch S2 and provides energy to the piezoelectric ceramic actuator. When the power switch S2 is turned off, Mode 4 ends.
2.2.5. Operational Mode 5 (t4 ≤ t < t5)
Figure 10 shows the operational Mode 5 of the new piezoelectric ceramic actuator drive circuit with PFC. The resonant inductor Lr and the parasitic capacitance of the power switch S1 charge the DC-linked capacitor CDC1 and provide energy to the piezoelectric ceramic actuator. At the same time, the resonant inductor Lr and the DC-linked capacitor CDC2 charge the parasitic capacitance of the power switch S2 and provide energy to the piezoelectric ceramic actuator. When the parasitic capacitance energy of the power switch S1 is released and the voltage vDS1 of the power switch S1 drops to zero, the essential diode of the power switch S1 is forwardly biased and turned on. At time t5, Mode 5 completes.
2.2.6. Operational Mode 6 (t5 ≤ t < t6)
Figure 11 shows the operational Mode 6 of the new piezoelectric ceramic actuator drive circuit with PFC. In the previous operational mode, the energy of the parasitic capacitance of the power switch S1 is released, the voltage vDS1 of the power switch S1 drops to zero, and the essential diode of the power switch S1 is turned on in a forward bias. The voltage source vAC provides energy to the coupled inductor LB1 through the inductance Lf and the capacitor Cf of the filter circuit and the diode D1, and the coupled inductor current iLB1 rises linearly from zero. In addition, through the essential diode of the power switch S1, the resonant inductor Lr and the voltage source vAC provide energy to the DC-linked capacitor CDC1 and the piezoelectric ceramic actuator. When the resonant inductor current iLr drops to zero and the power switch S1 is driven and turned on, Mode 6 ends and the circuit operation returns to Mode 1.
In addition, Table 2 shows states of the main power devices in each operational mode during the positive half-cycle of the utility-line voltage.
Table 2.
States of the main power devices in each operational mode during the positive half-cycle of the utility-line voltage.
2.3. Design Equations of Key Circuit Parameters
2.3.1. Design Equation of the Coupled Inductors LB1 and LB2
The design equation of the coupled inductors LB1 and LB2 can be represented by [15]:
where η is the estimated efficiency of the proposed drive circuit; vAC-rms is the root-mean-square (rms) value of the input utility-line voltage vAC; D and fS are the duty ratio and switching frequency of the power switches, respectively; PO is the output power. From the Formula (1), it can be drawn that Figure 13 shows the relationship between the coupled inductors LB1 and LB2 and the duty cycle D at different switching frequencies fS.
Figure 13.
The relationship between the coupled inductors LB1 and LB2 and the duty cycle D at different switching frequencies fS.
With a η of 0.8, a vAC-rms of 110 V, a D of 0.5, a PO of 50 W, and a switching frequency fS of 40 kHz, the inductances of the coupled inductors LB1 and LB2 are calculated as
In addition, the coupled inductors LB1 and LB2 in the prototype drive circuit are 500 μH.
2.3.2. Design Equation of the Resonant Inductor Lr
Figure 14 shows the equivalent circuit diagram of the resonant inductor combined with the piezoelectric ceramic actuator circuit model; vinv and iinv respectively represent the input voltage and current of the equivalent circuit; ZPCA represents the equivalent circuit model of the piezoelectric ceramic actuator; Zin represents the input impedance of the equivalent circuit. The output power PO of the piezoelectric ceramic actuator is provided by the fundamental component of the input current iinv of the resonant tank circuit, and the switching frequency fS of the power switch is designed to be equal to the resonant frequency fr of the piezoelectric ceramic actuator. In addition, at the resonance frequency of the piezoelectric ceramic actuator, the equivalent series impedance in the right branch of the ZPCT resonance tank circuit is reduced to only the resistance Rm. The rms value Iinv1-rms of the fundamental component of the current iinv can be expressed as [13]
Figure 14.
The equivalent circuit diagram of the resonant tank circuit combined with the piezoelectric ceramic actuator circuit model.
The input impedance Zin of the equivalent circuit is expressed as
where R1 and X1 are the equivalent resistance and reactance of the piezoelectric ceramic actuator impedance ZPCA, and they can be respectively expressed as [13]
After dividing the maximum value of the input voltage Vinv1-max by the maximum value of the input current √2Iinv1-rms of the equivalent circuit, the amplitue of the input impedance Zin can be expressed as
where Vinv1-max is the maximum level of the fundamental component Vinv1 of the input voltage vinv of the resonant tank circuit; VDC is the voltage level of the DC-linked capacitors CDC1 and CDC2.
By combining (3) with (6), the design formula of the resonant inductor Lr can be expressed as [13]
With a Rm of 25 Ω, a Cp of 4000 pF, a PO of 50 W, and a resonant frequency fr of 40 kHz, the parameter Iinv1-rms is calculated as
The parameters R1 and X1 are respectively calculated as
With a VDC of 700 V and a Irnv1-rms of 1.414 A, the parameter |Zin| is calculated as
Therefore, the parameter Lr is calculated as
In addition, the resonance inductor Lr in the prototype drive circuit is 3.95 mH.
2.3.3. Design of Input Low-Pass Filter
A low-pass filter is usually added to the AC input power terminal, which is composed of an inductor Lf and a capacitor Cf. The cut-off frequency fcut-off of the input low-pass filter is represented by
In order to filter high-frequency switching noise, the design consideration of the cut-off frequency fcut-off of the input low-pass filter is determined as one-tenth of the switching frequency fS. Rearranging (8), the design equation of the inductor Lf is given by
With a cut-off frequency fcut-off of 4 kHz and selecting a capacitor Cf of 470 nF, the inductor Lf is determined by
3. Experimental Results of the Proposed Drive Circuit
In this paper, a prototype of the proposed drive circuit for supplying a 50 W-rated piezoelectric ceramic actuator has already been implemented and testified. A photograph of the proposed prototype drive circuit for supplying a piezoelectric ceramic actuator is shown in Figure 15, and the key circuit components have been indicated in the photograph. The parameters of the utilized piezoelectric ceramic actuator are shown in Table 3. In addition, the components utilized in the prototype drive circuit for the piezoelectric ceramic actuator are shown in Table 4.
Figure 15.
A photograph of the proposed prototype drive circuit for supplying a piezoelectric ceramic actuator.
Table 3.
Parameters of the utilized piezoelectric ceramic actuator.
Table 4.
Components utilized in the prototype of the proposed drive circuit.
Figure 16a,b presents the simulated and measured inductor current iLB1, and it can be seen that the current iLB1 is operated in DCM. Figure 17a,b shows the simulated and measured switch voltage vDS2 and resonant inductor current iLr. It can be seen that the inductor current iLr lags with respect to voltage vDS2 so that the series resonant circuit is similar to an inductive load. Figure 18a,b presents the simulated and measured switch voltage vDS1 and switch current iDS1; thus, ZVS occurred on the power switch for lowering the switching losses. Figure 19a,b depicts the simulated and measured output voltage vO and output current iO. It can be seen from the waveform that the output voltage vO lags the output current iO, so the piezoelectric ceramic actuator has capacitive characteristics.
Figure 16.
(a) Simulated and (b) measured inductor current iLB1 (1 A/div); time scale: 10 μs/div.

Figure 17.
(a) Simulated and (b) measured switch voltage vDS2 (200 V/div) and resonant inductor current iLr (1 A/div); time scale: 10 μs/div.
Figure 18.
(a) Simulated and (b) measured switch voltage vDS1 (200 V/div) and switch current iDS1 (2 A/div); time scale: 10 μs/div.
Figure 19.
(a) Simulated and (b) measured output voltage vO (500 V/div) and current iO (0.5 A/div); time scale: 10 μs/div.
The simulated and measured waveforms of input utility-line voltage vAC and current iAC are respectively shown in Figure 20a,b, and it can be seen that PFC is achieved in the proposed drive circuit. Figure 21 shows the use of a power analyzer (Tektronix PA 4000) to measure the harmonic components of the AC input current and compare it with the IEC 61000-3-2 class C standard. From the figure, it is known that all current harmonics meet the requirements. Additionally, the measured power factor and the input utility-line current total-harmonic distortion (THD) of the proposed drive circuit are 0.8683 and 3.4927%, respectively.

Figure 20.
(a) Simulated and (b) measured input utility-line voltage vAC (50 V/div) and current iAC (1 A/div); time scale: 5 ms/div.
Figure 21.
Measured harmonics of the input utility-line current in comparison with the IEC 61000-3-2 class C standard.
4. Conclusions
This paper proposes a novel and cost-effective drive circuit, which combines a dual boost converter with a coupled inductor and a half-bridge resonant inverter, with PFC and soft-switching features for providing a piezoelectric ceramic actuator. A 50 W-rated prototype drive circuit has been implemented and tested with an input utility-line voltage of 110 V. From the experimental results at a 110 V input utility-line voltage, the driving circuit developed in this thesis has as characteristics a high power factor (>0.86) and a low input current total-harmonic-distortion factor (<4%), and two power switches possess the ZVS feature.
Author Contributions
C.-A.C. and H.-L.C. conceived and designed the circuit. C.-H.C. and E.-C.C. carried out the circuit simulations and designed the circuit parameters. C.-Y.T. and L.-F.L. carried out the prototype circuit, measured experimental results, and wrote original draft preparation with guidance from C.-A.C. E.-C.C. revised the manuscript for submission. All authors have read and agreed to the published version of the manuscript.
Funding
This research was funded by the Ministry of Science and Technology (MOST) of Taiwan under its grant with reference numbers MOST 109-2221-E-214-011 and MOST 110-2221-E-214-014.
Conflicts of Interest
The authors declare no conflict of interest.
References
- Lee, J.H.; Lee, H.C.; Choi, J.H.; Park, S.J.; Nam, H.G. 10kW Industrical Ultrasonic Welder Design. In Proceedings of the 31st International Telecommunications Energy Conference, Incheon, Korea, 18–22 October 2009; pp. 1–6. [Google Scholar]
- Tsujino, J.; Hongoh, M.; Yoshikuni, M.; Miura, H.; Ueoka, T. Welding Characteristics and Temperature Rises of Various Frequency Ultrasonic Plastic Welding. In Proceedings of the 2005 IEEE Ultrasonics Symposium, Rotterdam, The Netherlands, 18–21 September 2005; pp. 707–712. [Google Scholar]
- Kauczor, C.; Frohleke, N. Inverter Topologies for Ultrasonic Piezoelectric Transducers with High Mechanical Q-Factor. In Proceedings of the Annual IEEE Power Electronics Specialists Conference, Aachen, Germany, 20–25 June 2004; Volume 4, pp. 2736–2741. [Google Scholar]
- Yu, T.; Lee, H.; Lee, D.; Song, S.; Kim, D.; Park, S. Design of LC Resonant Inverter for Ultrasonic Metal Welding System. In Proceedings of the 2008 International Conference on Smart Manufacturing Application, Goyangi, Korea, 9–11 April 2008; pp. 543–548. [Google Scholar]
- Agbossou, K.; Dion, J.-L.; Carignan, S.; Abdelkrim, M.; Cheriti, A. Class D Amplifier for a Power Piezoelectric Load. In IEEE Transactions on Ultrasonics, Ferroelectrics, and Frequency Control; IEEE: Piscataway, NJ, USA, 2000; Volume 47, pp. 1036–1041. [Google Scholar]
- Ma, K.H.; Chang, W.C.; Lee, Y.C. A New Tracking Method with FPGA Chip for Ultrasonic Welding System. In Proceedings of the 2009 International Conference on Power Electronics and Drive Systems, Taipei, Taiwan, 2–5 November 2009; pp. 369–370. [Google Scholar]
- Volosencu, C. Control System for Ultrasonic Welding Devices. In Proceedings of the IEEE International Conference on Automation, Quality and Testing, Cluj-Napoca, Romania, 22–25 May 2008; Volume 2, pp. 135–140. [Google Scholar]
- Lian, Y.; Gao, C.; Liu, X. A hybrid driving strategy for piezoelectric actuator. In Proceedings of the 2013 International Conference on Mechatronic Sciences, Electric Engineering and Computer (MEC), Shenyang, China, 20–22 December 2013; pp. 3800–3804. [Google Scholar]
- Cheng, L.; Kang, Y.; Chen, C. A Resonance-Frequency-Tracing Method for a Current-Fed Piezoelectric Transducer. In IEEE Transactions on Industrial Electronics; IEEE: Piscataway, NJ, USA, 2014; Volume 61, pp. 6031–6040. [Google Scholar]
- Ghasemi, N.; Zare, F.; Davari, P.; Weber, P.; Langton, C.; Ghosh, A. Power electronic converters for high power ultrasound transducers. In Proceedings of the 2012 7th IEEE Conference on Industrial Electronics and Applications (ICIEA), Singapore, 18–20 July 2012; pp. 647–652. [Google Scholar]
- Zhou, Y.; Zhou, B.; Li, S. Driving Performance Analysis of a Novel Piezoelectric Actuator. In Proceedings of the 2010 International Conference on Measuring Technology and Mechatronics Automation, Washington, DC, USA, 13–14 March 2010; pp. 34–37. [Google Scholar]
- Lai, J.A. Two-Stage Driver for Piezoelectric Actuator. Master’s Thesis, Chung Yuan Christian University, Taoyuan City, Taiwan, 2004. Available online: https://hdl.handle.net/11296/qmkd88 (accessed on 9 October 2021).
- Jittakort, J.; Sangswang, A.; Naetiladdanon, S.; Koompai, C.; Chudjuarjeen, S. Full Bridge Resonant Inverter Using Asymmetrical Control with Resonant-frequency Tracking for Ultrasonic Cleaning Applications. J. Power Electron. 2017, 17, 1150–1159. [Google Scholar]
- Jittakort, J.; Sangswang, A.; Naetiladdanon, S.; Chudjuarjeen, S.; Koompai, C. LCCL Series Resonant Inverter for Ultrasonic Dispersion System with Resonant Frequency Tracking and Asymmetrical Voltage Cancellation Control. In Proceedings of the IECON 2015—41st Annual Conference of the IEEE Industrial Electronics Society, Yokohama, Japan, 9–12 November 2015. [Google Scholar]
- Cheng, C.A.; Chang, C.H.; Cheng, H.L.; Chung, T.Y. A single-stage high-PF driver for supplying a T8-type LED lamp. In Proceedings of the International Power Electronics Conference (IPEC-Hiroshima 2014—ECCE Asia), Hiroshima, Japan, 18–21 May 2014; pp. 2523–2528. [Google Scholar]
Publisher’s Note: MDPI stays neutral with regard to jurisdictional claims in published maps and institutional affiliations. |
© 2021 by the authors. Licensee MDPI, Basel, Switzerland. This article is an open access article distributed under the terms and conditions of the Creative Commons Attribution (CC BY) license (https://creativecommons.org/licenses/by/4.0/).






















