A Magnetic Reduced Graphene Oxide Nanocomposite: Synthesis, Characterization, and Application for High-Efficiency Detoxification of Aflatoxin B1
Abstract
1. Introduction
2. Results and Discussion
2.1. Optimization of Fe3O4@rGO Preparation Conditions
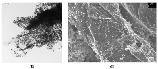
2.2. Characterization of Fe3O4@rGO
2.3. Effects of pH and Temperature on the Adsorption Capacity of Fe3O4@rGO
2.4. AFB1 Adsorption Isotherm
2.5. Adsorption Kinetics of AFB1 by Fe3O4@rGO Composites
2.6. Thermodynamics of AFB1 Adsorption by Fe3O4@rGO
2.7. Quality of Treated Foods
3. Conclusions
4. Materials and Methods
4.1. Materials
4.2. Preparation of Fe3O4@rGO
4.3. Optimization of Fe3O4@rGO Preparation Conditions
4.4. Characterization of Fe3O4@rGO
4.5. AFB1 Adsorption Experiments
4.6. Analysis of Active Substances
4.7. Statistical Analysis
Supplementary Materials
Author Contributions
Funding
Institutional Review Board Statement
Informed Consent Statement
Data Availability Statement
Conflicts of Interest
References
- Zhang, C.S.; Selvaraj, J.; Yang, Q.L.; Liu, Y. A survey of aflatoxin-producing Aspergillus sp. from peanut field soils in four agroecological zones of china. Toxins 2017, 9, 40. [Google Scholar] [CrossRef] [PubMed]
- Yunes, N.B.S.; Oliveira, R.C.; Reis, T.A.; Baquiao, A.C.; Rocha, L.O.; Correa, B. Effect of temperature on growth, gene expression, and aflatoxin production by Aspergillus nomius isolated from Brazil nuts. Mycotoxin Res. 2020, 36, 173–180. [Google Scholar] [CrossRef] [PubMed]
- Carvajal-Moreno, M. Aflatoxins, frequent mutagen and carcinogen of human and animal foods. Toxicol. Lett. 2016, 259S, S139. [Google Scholar] [CrossRef]
- Gichohi-Wainaina, W.N.; Kimanya, M.; Muzanila, Y.C.; Kumwenda, N.C.; Msere, H.; Rashidi, M.; Mponda, O.; Okori, P. Aflatoxin contamination, exposure among Rural Smallholder Farming Tanzanian Mothers and associations with growth among their children. Toxins 2023, 15, 257. [Google Scholar] [CrossRef] [PubMed]
- IARC. Some naturally occurring substances: Food items and constituents, heterocyclic aromatic amines and mycotoxins. IARC Monographs on the evaluation of carcinogenic risks to humans. Anal. Chim. Acta. 1993, 294, 341. [Google Scholar]
- Hu, L.L.; Chen, S.; Shen, M.Y.; Huang, Q.Y.; Li, H.G.; Sun, S.C.; Wang, J.; Luo, X.Q. Aflatoxin B1 impairs porcine oocyte quality via disturbing intracellular membrane system and ATP production. Ecotox. Environ. Safe. 2023, 263, 115263. [Google Scholar] [CrossRef] [PubMed]
- Shi, H.T.; Peng, J.; Hao, J.J.; Wang, X.; Xu, M.; Li, S.L. Growth performance, digestibility, and plasma metabolomic profiles of Saanen goats exposed to different doses of aflatoxin B1. J. Dairy Sci. 2022, 105, 9552–9563. [Google Scholar] [CrossRef] [PubMed]
- Jallow, A.; Xie, H.L.; Tang, X.Q.; Qi, Z.; Li, P.W. Worldwide aflatoxin contamination of agricultural products and foods: From occurrence to control. Compr. Rev. Food Sci. F. 2021, 20, 2332–2381. [Google Scholar] [CrossRef]
- Yang, J.W.; Ji, G.Z.; Gao, Y.; Fu, W.; Irfan, M.; Mu, L.; Zhang, Y.L.; Li, A. High-yield and high-performance porous biochar produced from pyrolysis of peanut shell with low-dose ammonium polyphosphate for chloramphenicol adsorption. J. Clean Prod. 2020, 264, 121516. [Google Scholar] [CrossRef]
- Foerster, C.; Monsalve, L.; Ríos-Gajardo, G. Occurrence of aflatoxin M1 in milk and exposure estimation for its consumption in the Chilean population. Food Control 2023, 148, 10967. [Google Scholar] [CrossRef]
- Eskola, M.; Kos, G.; Elliott, C.T.; Hajšlová, J.; Krska, R.; Mayar, S. Worldwide contamination of food-crops with mycotoxins: Validity of the widely cited ‘FAO estimate’ of 25%. Crit. Rev. Food Sci. 2019, 60, 2773–2789. [Google Scholar] [CrossRef] [PubMed]
- Stutt, R.O.J.H.; Castle, M.D.; Markwell, P.; Baker, R.; Gilligan, C.A. An integrated model for pre- and post-harvest aflatoxin contamination in maize. NPJ Sci. Food. 2023, 7, 60. [Google Scholar] [CrossRef] [PubMed]
- Focker, M.; Eupen, M.V.; Verweij, P.; Liu, C.; Haren, C.V.; Fels-Klerx, H.J.V.D. Effects of climate change on areas suitable for maize cultivation and aflatoxin contamination in Europe. Toxins 2023, 15, 599. [Google Scholar] [CrossRef] [PubMed]
- Li, C. Study on Ozone Treatment of Mycotoxins and Quality of Grain and Oil Products. Master’s Thesis, Jiangsu University of Science and Technology, Zhenjiang, China, 2020. [Google Scholar]
- Wang, L.; Huang, W.; Shen, Y.; Zhao, Y.W.; Wu, D.P.; Yin, H.C.; Yang, S.Y.; Yuan, Q.P. Enhancing the degradation of Aflatoxin B1 by co-cultivation of two fungi strains with the improved production of detoxifying enzymes. Food Chem. 2022, 371, 131092. [Google Scholar] [CrossRef] [PubMed]
- Xia, X.S.; Zhang, Y.; Li, M.Y.; Garba, B.; Zhang, Q.; Wang, Y.; Zhang, H.Y.; Li, P.W. Isolation and characterization of a Bacillus subtilis strain with aflatoxin B1 biodegradation capability. Food Control 2017, 75, 92–98. [Google Scholar] [CrossRef]
- Gavahian, M.; Cullen, P.J. Cold plasma as an emerging technique for mycotoxin-free food: Efficacy, mechanisms, and trends. Food Rev. Int. 2020, 36, 193–214. [Google Scholar] [CrossRef]
- Ghanghro, A.B.; Channa, M.J.; Sheikh, S.A.; Nizamani, M.S.; Ghanghro, I.H. Assessment of aflatoxin level in stored wheat of godowns of hyderabad division and decontamination by UV radiation. Int. J. Biosci. 2016, 8, 8–16. [Google Scholar]
- Shi, H.; Ileleji, K.; Stroshine, R.L.; Keener, K.; Jensen, J.L. Reduction of aflatoxin in corn by high voltage atmospheric cold plasma. Food Bioprocess Tech. 2017, 10, 1042–1052. [Google Scholar] [CrossRef]
- Maio, A.; Pibiri, I.; Morreale, M.; Mantia, F.P.L.; Scaffaro, R. An overview of functionalized graphene nanomaterials for advanced applications. Nanomaterials 2021, 11, 1717. [Google Scholar] [CrossRef]
- Sun, Z.W.; Huang, D.; Duan, X.H.; Hong, W.; Liang, J.S. Functionalized nanoflower-like hydroxyl magnesium silicate for effective adsorption of aflatoxin B1. J. Hazard Mater. 2020, 387, 121792. [Google Scholar] [CrossRef]
- Zhang, W.; Zhang, L.; Jiang, X.; Liu, X.; Li, Y.; Zhang, Y. Enhanced adsorption removal of aflatoxin B1, zearalenone and deoxynivalenol from dairy cow rumen fluid by modified nano-montmorillonite and evaluation of its mechanism. Anim. Feed Sci. Tech. 2020, 259, 114366. [Google Scholar] [CrossRef]
- Ye, S.Q.; Zhan, G.; Han, X.S. Influence of edible oils adsorption decolorant on the content of aflatoxin in vegetable oils. Fine Spec. Chem. 2013, 21, 20–22. [Google Scholar]
- Dong, X.Y.; Gao, X.; Song, J.G.; Zhao, L.S. A novel dispersive magnetic solid phase microextraction using ionic liquid-coated amino silanized magnetic graphene oxide nanocomposite for high efficient separation/preconcentration of toxic ions from shellfish samples. Food Chem. 2021, 360, 130023. [Google Scholar] [CrossRef] [PubMed]
- Zarenezhad, M.; Zarei, M.; Ebratkhahan, M.; Hosseinzadeh, M. Synthesis and study of functionalized magnetic graphene oxide for Pb2+ removal from wastewater. Environ. Technol. Inno. 2021, 22, 101384. [Google Scholar] [CrossRef]
- Joshi, S.; Bobade, H.; Sharma, R.; Sharma, S. Graphene derivatives: Properties and potential food applications. J. Ind. Eng. Chem. 2023, 123, 1–18. [Google Scholar] [CrossRef]
- Bajpai, V.K.; Shukla, S.; Khan, I.; Kang, S.M.; Haldorai, Y.; Tripathi, K.M.; Jung, S.; Chen, L.; Kim, T.; Huh, Y.S.; et al. A sustainable graphene aerogel capable of the adsorptive elimination of biogenic amines and bacteria from soy sauce and highly efficient cell proliferation. ACS Appl. Mater. Interfaces 2019, 11, 43949–43963. [Google Scholar] [CrossRef] [PubMed]
- Yang, K.; Feng, L.Z.; Shi, X.Z.; Liu, Z. Nano-graphene in biomedicine: Theranostic applications. Chem. Soc. Rev. 2013, 42, 530. [Google Scholar] [CrossRef]
- Morelos-Gomez, A.; Terashima, S.; Yamanaka, A.; Cruz-Silva, R.; Ortiz-Medina, J.; Sánchez-Salas, R.; Fajardo-Díaz, J.L.; Muñoz-Sandoval, E.; López-Urías, F.; Takeuchi, K.; et al. Graphene oxide membranes for lactose-free milk. Carbon 2021, 181, 118–129. [Google Scholar] [CrossRef]
- Barra, A.; Santos, J.D.C.; Silva, M.R.F.; Nunes, C.; Ruiz-Hitzky, E.; Gonçalves, I.; Yildirim, S.; Ferreira, P.; Marques, P.A.A.P. Graphene derivatives in biopolymer-based composites for food packaging applications. Nano 2020, 10, 2077. [Google Scholar] [CrossRef]
- Horky, P.; Venusova, E.; Aulichova, T.; Ridoskova, A.; Skladanka, J.; Skalickova, S. Usability of graphene oxide as a mycotoxin binder: In vitro study. PLoS ONE 2020, 15, e0239479. [Google Scholar] [CrossRef]
- Guo, Y.P.; Zhao, L.H.; Ma, Q.; Ji, C. Novel strategies for degradation of aflatoxins in food and feed: A review. Food Res. Int. 2020, 140, 109878. [Google Scholar] [CrossRef]
- Wang, H.P.; Huang, X.H.; Chen, J.N.; Dong, M.; Nie, C.Z.; Qin, L. Modified superhydrophobic magnetic Fe3O4 nanoparticles for removal of microplastics in liquid foods. Chem. Eng. J. 2023, 476, 146562. [Google Scholar] [CrossRef]
- Molaei, M.J. Magnetic graphene, synthesis, and applications: A review. Mater Sci. Eng. B. 2021, 272, 115325. [Google Scholar] [CrossRef]
- Mbayachi, V.B.; Ndayiragije, E.; Sammani, T.; Taj, S.; Mbuta, E.R.; Khan, A.U. Graphene synthesis, characterization and its applications. A review. Results Chem. 2021, 3, 100163. [Google Scholar] [CrossRef]
- Ji, J.M.; Xie, W.L. Detoxification of aflatoxin B1 by magnetic graphene composite adsorbents from contaminated oils. J. Hazard Mate. 2020, 381, 120915. [Google Scholar] [CrossRef]
- Huang, J.; Liu, X.Y.; Zhang, J.C.; Zhang, C.S.; Tang, Y.Y.; Wang, M.; Zhu, L.F. Adsorption of aflatoxin B1 by carbon nanomaterials. Jiangsu J. Agr. Sci. 2022, 38, 539–548. [Google Scholar]
- Joshi, D.J.; Koduru, J.R.; Malek, N.I.; Hussain, C.M.; Kailasa, S.K. Surface modifications and analytical applications of graphene oxide: A review. TrAC-Trend Anal. Chem. 2021, 144, 16448. [Google Scholar] [CrossRef]
- Coroset, M.; Socaci, C.; Pruneanu, S.; Pogacean, F.; Rosu, M.C.; Turza, L.A.; Magerusan, L. Thermally reduced graphene oxide as green and easily available adsorbent for Sunset yellow decontamination. Environ. Res. 2020, 182, 109047. [Google Scholar] [CrossRef] [PubMed]
- Cui, L.M.; Guo, X.Y.; Wei, Q.; Wang, Y.G.; Gao, L.; Yan, L.G.; Yan, T.; Du, B. Removal of mercury and methylene blue from aqueous solution by xanthate functionalized magnetic graphene oxide: Sorption kinetic and uptake mechanism. J. Colloid Interf. Sci. 2015, 439, 112–120. [Google Scholar] [CrossRef]
- Rebekah, A.; Dhandapani, N.; Govindan, B.; Viswanathan, C.; Nagamony, P. Removal of 1-napthylamine using magnetic graphene and magnetic graphene oxide functionalized with Chitosan. Environ. Nanotechnol. Monit. Manag. 2021, 15, 100450. [Google Scholar] [CrossRef]
- Ma, Z.Y.; Guan, Y.P.; Liu, H.Z. Synthesis and characterization of micron-sized monodisperse superparamagnetic polymer particles with amimo groups. J. Polym. Sci. Part A Polym. Chem. 2005, 43, 3433–3499. [Google Scholar] [CrossRef]
- Rakesh, K.; Sayan, B.; Prabhakar, S. Novel insights into adsorption of heavy metal ions using magnetic graphene composites. J. Environ. Chem. Eng. 2021, 9, 106212. [Google Scholar]
- Rasheed, U.; Ain, Q.U.; Yaseen, M.; Yao, X.H.; Liu, B. Synthesis and characterization of tannic acid pillared bentonite composite for the efficient adsorption of aflatoxins. Colloids Surface B. 2021, 202, 111679. [Google Scholar] [CrossRef] [PubMed]
- Zhang, X.R.; Guo, J.G.; Zhou, L.J. Experimental and theoretical investigation on the adsorption properties of benzene on graphene surface: Influence of pH and edge effects. Chem. Eng. J. 2022, 440, 135794. [Google Scholar] [CrossRef]
- Assaf, J.C.; Nahle, S.; Chokr, A.; Louka, N.; Atoui, A.; El Khoury, A. Assorted methods for decontamination of aflatoxin M1 in milk using microbial adsorbents. Toxins 2019, 11, 304. [Google Scholar] [CrossRef] [PubMed]
- Bameri, I.; Saffari, J.; Baniyaghoob, S.; Ekrami-Kakhki, M.S. Synthesis of magnetic nano-NiFe2O4 with the assistance of ultrasound and its application for photocatalytic degradation of titan yellow: Kinetic and isotherm studies. Colloid Interface Sci. 2022, 48, 100610. [Google Scholar] [CrossRef]
- Zhao, Z.Y.; Liu, N.; Yang, L.C.; Wang, J.H.; Song, S.Q.; Nie, D.X.; Yang, X.L.; Hou, J.F.; Wu, A.B. Cross-linked chitosan polymers as generic adsorbents for simultaneous adsorption of multiple mycotoxins. Food Control 2015, 57, 362–369. [Google Scholar] [CrossRef]
- Avantaggiato, G.; Greco, D.; Damascelli, A.; Solfrizzo, M.; Visconti, A. Assessment of multi-mycotoxin adsorption efficacy of grape pomace. J. Agric. Food Chem. 2014, 62, 497–507. [Google Scholar] [CrossRef]
- Pirouz, A.A.; Karjiban, R.A.; Bakar, F.A.; Selamat, J. A novel adsorbent magnetic graphene oxide modified with chitosan for the simultaneous reduction of mycotoxins. Toxins 2018, 10, 361. [Google Scholar] [CrossRef]
- Li, Y.; Tian, G.Y.; Chen, B.; Liang, J.S. Self-templating construction of flower-like mesoporous magnesium silicate composites from sepiolite for high-efficiency adsorption of aflatoxin B1. Sep. Purif. Technol. 2022, 291, 120953. [Google Scholar] [CrossRef]
- Wang, G.F.; Lian, C.; Xi, Y.F.; Sun, Z.M.; Zheng, S.L. Evaluation of nonionic surfactant modified montmorillonite as mycotoxins adsorbent for aflatoxin B1 and zearalenone. J. Colloid Interface Sci. 2018, 518, 48–56. [Google Scholar] [CrossRef] [PubMed]
- Nigar, S.; Wang, H.; Imtiaz, M.; Yu, J.S.; Zhou, Z.F. Adsorption mechanism of ferrocene molecule on pristine and functionalized graphene. Appl. Surf. Sci. 2019, 481, 1466–1473. [Google Scholar] [CrossRef]
- Li, J.; Wu, Y.L.; Bai, H.H.; Wen, X.L.; Zhou, Q.X.; Yuan, Y.Y.; Liu, Y.L.; Chen, C.M.; Guo, L.B. Highly efficient adsorption and mechanism of alkylphenols on magnetic reduced graphene. Chemosphere 2021, 283, 131232. [Google Scholar] [CrossRef] [PubMed]
- Aghaei, F.; Tangestaninejad, S.; Bahadori, M.; Moghadam, M.; Mirkhani, V.; Mohammadpoor-Baltork, I.; Khalaji, M.; Asadi, V. Green synthesize of nano-MOF-ethylcellulose composite fibers for efficient adsorption of Congo red from water. J. Colloid Interf. Sci. 2023, 648, 78–89. [Google Scholar] [CrossRef] [PubMed]
- Ain, Q.U.; Rasheed, U.; Yaseen, M.; Zhang, H.B.; He, R.N.; Tong, Z.F. Fabrication of magnetically separable 3-acrylamidopropyltrimethylammonium chloride intercalated bentonite composite for the efficient adsorption of cationic and anionic dyes. Appl. Surf. Sci. 2020, 514, 145929. [Google Scholar] [CrossRef]
- Kang, F.X.; Ge, Y.Y.; Hu, X.J.; Goikavi, C.; Waigi, M.G.; Gao, Y.Z.; Ling, W.T. Understanding the sorption mechanisms of aflatoxin B1 to kaolinite, illite, and smectite clays via a comparative computational study. J. Hazard Mater. 2016, 320, 80–87. [Google Scholar] [CrossRef] [PubMed]
- Sulaiman, N.S.; Amini, M.H.M.; Danish, M.; Sulaiman, O.; Hashim, R. Kinetics, Thermodynamics, and isotherms of methylene blue adsorption study onto cassava stem activated carbon. Water 2021, 13, 2936. [Google Scholar] [CrossRef]
- Li, Y.; Zhang, J.; Liu, H. Removal of Chloramphenicol from aqueous solution using low-cost activated carbon prepared from typha orientalis. Water 2018, 10, 315. [Google Scholar] [CrossRef]
- Dai, J.D.; Tian, S.J.; Jiang, Y.H.; Chang, Z.S.; Xie, A.; Zhang, R.L.; Yan, Y.S. Facile synthesis of porous carbon sheets from potassium acetate via in-situ template and self-activation for highly efficient chloramphenicol removal. J. Alloys Comp. 2018, 732, 222–232. [Google Scholar] [CrossRef]
- Chen, J.; Yao, B.W.; Li, C.; Shi, G.Q. An improved hummers method for eco-friendly synthesis of graphene oxide. Carbon 2013, 64, 225–229. [Google Scholar] [CrossRef]
- Li, S.H.; Liu, R.M.; Xia, S.; Wei, G.Q.; Ishfaq, M.; Zhang, Y.X.; Zhang, X.Y. Protective role of curcumin on aflatoxin B1-induced TLR4/RIPK pathway mediated-necroptosis and inflammation in chicken liver. Ecotox. Environ. Safe. 2022, 233, 113319. [Google Scholar] [CrossRef]
- Rashid, M.T.; Liu, K.L.; Hen, S.M.; Jatoi, M.A.; Sarpong, F. Nutritional composition and volatile compounds stability in dry-heat and extruded stabilised rice bran during storage. Int. J. Food Sci. Technol. 2023, 58, 3379–3391. [Google Scholar] [CrossRef]
- GB/T5537-2008. Inspection of Grain and Oils—Determination of Phosphatide Content. Standards Press of China: Beijing, China, 2009.
- Wang, Q.; Cheng, Z.; Liu, K.; Mao, D.M.; Liang, Z.W. Optimization of extraction process of proanthocyanidins from Zijuan tea (Camellia sinensis var. kitmaura) by response surface design. J. Food. Process. Preserv. 2022, 46, e16213. [Google Scholar]
- Xu, Y.Y.; Zhao, Y.J.; Gao, F.; Wang, E.; Lu, H.L.; Li, X.; Jiang, W.W.; Chen, Y. Analysis of Polyphenol Compounds in Different Parts of Ginseng (Panax ginseng C.A. Meyer) Produced in China by HPLC. Food Sci. 2021, 42, 240–246. [Google Scholar]









| Temperature (°C) | Time (h) | Adsorption Capacity for AFB1 (mg·g−1) * |
|---|---|---|
| 180 | 4 | 30.51 ± 0.65 d |
| 200 | 4 | 46.52 ± 0.60 b |
| 220 | 4 | 26.22 ± 0.75 f |
| 180 | 6 | 33.08 ± 0.45 c |
| 200 | 6 | 50.25 ± 0.71 a |
| 220 | 6 | 28.33 ± 0.62 e |
| 180 | 8 | 33.65 ± 0.48 c |
| 200 | 8 | 49.76 ± 0.08 a |
| 220 | 8 | 29.96 ± 0.62 d |
| 180 | 10 | 33.77 ± 0.26 c |
| 200 | 10 | 49.56 ± 0.06 a |
| 220 | 10 | 28.86 ± 0.59 d e |
| T (°C) | Langmuir Model | Freundlich Model | Temkin Model | ||||||
|---|---|---|---|---|---|---|---|---|---|
| Qmax (mg·g−1) | KL (L·mg−1) | R2 | n | KF (mg·g−1) | R2 | AT (L·mg−1) | BT (J·mol−1) | R2 | |
| 25 | 76.34 | 0.94 | 0.9970 | 1.74 | 20.63 | 0.9557 | 45.28 | 9.386 | 0.8708 |
| 35 | 78.74 | 1.02 | 0.9975 | 1.71 | 21.21 | 0.9599 | 51.39 | 9.532 | 0.8919 |
| 45 | 82.64 | 1.19 | 0.9968 | 0.57 | 28.23 | 0.9049 | 51.40 | 9.520 | 0.8696 |
| T (°C) | AFB1 C0 (mg·mL−1) | Qe,exp (mg·g−1) | Pseudo-First-Order Kinetic Model | Pseudo-Second-Order Kinetic Model | ||||
|---|---|---|---|---|---|---|---|---|
| K1 (min−1) | Qe1,cal (mg·g−1) | R2 | K2 (g·mg·min−1) | Qe2,cal (mg·g−1) | R2 | |||
| 25 | 20 | 19.66 | 0.8595 | 12.58 | 0.8252 | 0.2257 | 19.80 | 0.9998 |
| 40 | 38.17 | 0.2268 | 26.05 | 0.7256 | 0.0147 | 34.97 | 0.9858 | |
| 60 | 55.34 | 0.3723 | 48.91 | 0.9558 | 0.0148 | 53.48 | 0.9979 | |
| 35 | 20 | 19.76 | 0.4093 | 1.75 | 0.8516 | 1.2954 | 19.65 | 1.0000 |
| 40 | 39.07 | 0.4635 | 45.45 | 0.7455 | 0.0161 | 39.37 | 0.9948 | |
| 60 | 57.77 | 0.2140 | 49.86 | 0.6510 | 0.0107 | 48.78 | 0.9870 | |
| 45 | 20 | 19.84 | 0.5773 | 1.08 | 0.8609 | 3.6288 | 19.84 | 1.0000 |
| 40 | 39.58 | 0.8457 | 40.78 | 0.9216 | 0.0643 | 39.84 | 0.9998 | |
| 60 | 58.94 | 0.3019 | 46.10 | 0.9458 | 0.1380 | 54.95 | 0.9960 | |
| AFB1 C0 (mg·g−1) | T (°C) | ΔH0 (kJ·mol−1) | ΔS0 (J·mol −1) | ΔG0 (kJ·mol−1) | R2 |
|---|---|---|---|---|---|
| 20 | 25 | 29.41 | 132.38 | −10.04 | 0.9990 |
| 35 | −1.36 | ||||
| 45 | −12.68 | ||||
| 40 | 25 | 58.15 | 220.27 | −7.49 | 0.9991 |
| 35 | −9.70 | ||||
| 45 | −11.90 | ||||
| 60 | 25 | 59.49 | 220.27 | −6.15 | 0.9997 |
| 35 | −8.35 | ||||
| 45 | −10.56 |
| Treated Food | Food Quality | Fe3O4@rGO Dosage (mg·mL−1) | Activated Charcoal Dosage (mg·mL−1) | ||||||
|---|---|---|---|---|---|---|---|---|---|
| 0 | 1 | 2 | 4 | 0 | 40 | 80 | 160 | ||
| Vegetable oil | AFB1 adsorption rate (%) | 0 | 21.59 ± 1.31 | 80.87 ± 1.96 | 93.72 ± 1.48 | 0 | 23.34 ± 1.37 | 47.30 ± 2.55 | 55.63 ± 0.33 |
| Food loss rate (%) | 0 | 2.48 ± 0.52 | 3.72 ± 0.52 | 4.78 ± 0.94 | 0 | 12.90 ± 1.26 | 20.39 ± 0.39 | 28.54 ± 2.56 | |
| Oryzanol content (%) | 0.16 ± 0.012 | 0.13 ± 0.005 | 0.13 ± 0.002 | 0.13 ± 0.002 | 0.16 ± 0.012 | 0.13 ± 0.007 | 0.13 ± 0.005 | 0.13 ± 0.005 | |
| Phosphatidecontent (mg·g−1) | 2.84 ± 0.07 | 2.49 ± 0.03 | 2.28 ± 0.06 | 2.18 ± 0.03 | 2.84 ± 0.07 | 2.30 ± 0.04 | 2.14 ± 0.03 | 2.09 ± 0.03 | |
| Peanut milk | AFB1 adsorption rate (%) | 0 | 25.67 ± 1.55 | 79.79 ± 0.60 | 94.44 ± 1.18 | 0 | 14.74 ± 1.74 | 45.43 ± 1.72 | 52.73 ± 0.69 |
| Food loss rate (%) | 0 | 4.62 ± 0.06 | 6.16 ± 0.31 | 7.57 ± 0.26 | 0 | 12.82 ± 0.27 | 19.69 ± 1.81 | 27.80 ± 0.92 | |
| Proanthocyadin content (μg·mL−1) | 53.29 ± 1.22 | 52.73 ± 1.02 | 52.37 ± 0.60 | 52.11 ± 1.11 | 53.29 ± 1.22 | 48.41 ± 0.40 | 46.76 ± 0.52 | 46.39 ± 0.57 | |
| Resveratrol content (μg·mL−1) | 1.50 ± 0.03 | 1.43 ± 0.01 | 1.41 ± 0.01 | 1.41 ± 0.03 | 1.50 ± 0.03 | 1.38 ± 0.01 | 1.33 ± 0.02 | 1.28 ± 0.01 | |
Disclaimer/Publisher’s Note: The statements, opinions and data contained in all publications are solely those of the individual author(s) and contributor(s) and not of MDPI and/or the editor(s). MDPI and/or the editor(s) disclaim responsibility for any injury to people or property resulting from any ideas, methods, instructions or products referred to in the content. |
© 2024 by the authors. Licensee MDPI, Basel, Switzerland. This article is an open access article distributed under the terms and conditions of the Creative Commons Attribution (CC BY) license (https://creativecommons.org/licenses/by/4.0/).
Share and Cite
Zhang, C.; Zhou, H.; Cao, S.; Chen, J.; Qu, C.; Tang, Y.; Wang, M.; Zhu, L.; Liu, X.; Zhang, J. A Magnetic Reduced Graphene Oxide Nanocomposite: Synthesis, Characterization, and Application for High-Efficiency Detoxification of Aflatoxin B1. Toxins 2024, 16, 57. https://doi.org/10.3390/toxins16010057
Zhang C, Zhou H, Cao S, Chen J, Qu C, Tang Y, Wang M, Zhu L, Liu X, Zhang J. A Magnetic Reduced Graphene Oxide Nanocomposite: Synthesis, Characterization, and Application for High-Efficiency Detoxification of Aflatoxin B1. Toxins. 2024; 16(1):57. https://doi.org/10.3390/toxins16010057
Chicago/Turabian StyleZhang, Chushu, Haixiang Zhou, Shining Cao, Jing Chen, Chunjuan Qu, Yueyi Tang, Mian Wang, Lifei Zhu, Xiaoyue Liu, and Jiancheng Zhang. 2024. "A Magnetic Reduced Graphene Oxide Nanocomposite: Synthesis, Characterization, and Application for High-Efficiency Detoxification of Aflatoxin B1" Toxins 16, no. 1: 57. https://doi.org/10.3390/toxins16010057
APA StyleZhang, C., Zhou, H., Cao, S., Chen, J., Qu, C., Tang, Y., Wang, M., Zhu, L., Liu, X., & Zhang, J. (2024). A Magnetic Reduced Graphene Oxide Nanocomposite: Synthesis, Characterization, and Application for High-Efficiency Detoxification of Aflatoxin B1. Toxins, 16(1), 57. https://doi.org/10.3390/toxins16010057

