An Optimal Dispatch Model of Wind-Integrated Power System Considering Demand Response and Reliability
Abstract
:1. Introduction
2. Evaluation of EENS Considering Uncertainties
2.1. Uncertainty Model of Load and Wind Power
2.2. Formulation of EENS
2.2.1. Probability Calculation of the Forced Outage Unit
2.2.2. Discretization of Wind Power Forecast Error
2.2.3. Discretization of the Load Forecast Error
2.2.4. Calculation of the Power System EENS
2.3. Linearizationof EENS
3. Modeling of Demand Response
4. Problem Formulation
4.1. Objective Function
4.2. Constraints
- (1)
- Power balance constraint
- (2)
- Transmission flow constraintDC power flow is used to describe the transmission flow constraint as follows:where is the line flow per -th period of branch , and is the maximum limit. is the reactance of branch , and is the voltage angle of bus at period .
- (3)
- Power generation constraintwhere and are minimum and maximum generation capacity of unit , respectively.
- (4)
- On/off constraintOnce a unit is committed or shut down, it has to remain on/off for a minimum number of hours. These constraints are given aswhere / are number of hours for which unit has been on/off until period ; and / are minimum hours of unit has to remain on/off.
- (5)
- Ramping up/down constraintwhere is the ramping up limit of unit , and is the ramping down limit of unit .
- (6)
- Reliability constraintThe reliability constraint is to ensure EENS at each period within the security level. By limiting EENS, the spinning reserve will get configured automatically to guarantee the security of power system.where is the maximum value of EENS set by operators.
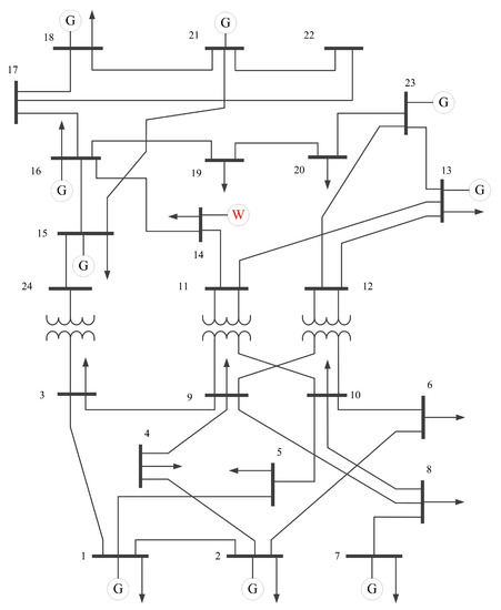
5. Case Studies and Discussion
5.1. Effect of DR on Operation without Reliability Measures
5.2. Effect of DR and Reliability Measures on Operation
5.3. Effect of EENSmax
5.4. Effect of VOLL
5.5. Effect of Possible Distributions of the Wind Power Forcast Error
6. Conclusions
Acknowledgments
Author Contributions
Conflicts of Interest
References
- Wei, W.; Liu, F.; Wang, J.; Chen, L.; Mei, S.; Yuan, T. Robust environmental-economic dispatch incorporating wind power generation and carbon capture plants. Appl. Energy 2016, 183, 674–684. [Google Scholar] [CrossRef]
- Shi, N.; Luo, Y. Energy Storage System Sizing Based on a Reliability Assessment of Power Systems Integrated with Wind Power. Sustainability 2017, 9, 395. [Google Scholar] [CrossRef]
- Zeng, A.; Xu, Q.; Ding, M.; Yukita, K.; Ichiyanagi, K. A classification control strategy for energy storage system in microgrid. IEEJ Trans. Electr. Electron. Eng. 2015, 10, 396–403. [Google Scholar] [CrossRef]
- Chen, H.; Zhang, R.; Li, G.; Bai, L. Economic dispatch of wind integrated power systems with energy storage considering composite operating costs. IET Generation. Tran. Dist. 2016, 10, 1294–1303. [Google Scholar] [CrossRef]
- Lei, J.; Qiao, H.; Qiu, J. Risk Assessment for Distribution Systems Using an Improved PEM-Based Method Considering Wind and Photovoltaic Power Distribution. Sustainability 2017, 9, 491. [Google Scholar]
- Osório, G.J.; Lujano-Rojas, J.M.; Matias, J.C.O.; Catalão, J.P.S. A probabilistic approach to solve the economic dispatch problem with intermittent renewable energy sources. Energy 2015, 82, 949–959. [Google Scholar] [CrossRef]
- Jiang, R.; Wang, J.; Guan, Y. Robust Unit Commitment with Wind Power and Pumped Storage Hydro. IEEE Trans. Power Syst. 2012, 27, 800–810. [Google Scholar] [CrossRef]
- Tuohy, A.; O’Malley, M. Pumped storage in systems with very high wind penetration. Energy Policy 2011, 39, 1965–1974. [Google Scholar] [CrossRef]
- Bao, Y.Q.; Li, Y.; Wang, B.; Hu, M.; Zhou, Y. Day-Ahead Scheduling Considering Demand Response as a Frequency Control Resource. Energies 2017, 10, 82. [Google Scholar] [CrossRef]
- Sekizaki, S.; Nishizaki, I.; Hayashida, T. Analysis of Electricity Market Model with Demand Response in Distribution Network. IEEJ Trans. Electr. Electron. Eng. 2015, 135, 292–303. [Google Scholar] [CrossRef]
- Siano, P. Demand response and smart grids—A survey. Renew. Sustain. Energy Rev. 2014, 30, 461–478. [Google Scholar] [CrossRef]
- Lou, S.; Lu, S.; Wu, Y.; Kirschen, D.S. Optimizing Spinning Reserve Requirement of Power System with Carbon Capture Plants. IEEE Trans. Power Syst. 2014, 30, 1056–1063. [Google Scholar] [CrossRef]
- Topić, D.; Šljivac, D.; Mandžukić, D. Influence of Different Wind Turbine Types Failures on Expected Energy Production. Available online: http://bib.irb.hr/datoteka/584067.50.pdf (accessed on 27 April 2017).
- Wang, B.; Wang, S.; Zhou, X.Z.; Watada, J. Two-stage multi-objective unit commitment optimization under hybrid uncertainties. IEEE Trans. Power Syst. 2016, 31, 2266–2277. [Google Scholar] [CrossRef]
- Koeppel, G.; Andersson, G. Reliability modeling of multi-carrier energy systems. Energy 2009, 34, 235–244. [Google Scholar] [CrossRef]
- Ramandi, M.Y.; Afshar, K.; Gazafroudi, A.S.; Bigdeli, N. Reliability and economic evaluation of demand side management programming in wind integrated power systems. Int. J. Electr. Power Energy Syst. 2016, 78, 258–268. [Google Scholar] [CrossRef]
- Yu, P.; Venkatesh, B. Fast security and risk constrained probabilistic unit commitment method using triangular approximate distribution model of wind generators. IET Gener. Tran. Dist. 2014, 8, 1778–1788. [Google Scholar] [CrossRef]
- Aghaei, J.; Amjady, N.; Baharvandi, A.; Akbari, M.A. Generation and Transmission Expansion Planning: MILP–Based Probabilistic Model. IEEE Trans. Power Syst. 2014, 29, 1592–1601. [Google Scholar] [CrossRef]
- Liu, G.; Tomsovic, K. Quantifying Spinning Reserve in Systems with Significant Wind Power Penetration. IEEE Trans. Power Syst. 2012, 27, 2385–2393. [Google Scholar] [CrossRef]
- Wang, Q.; Wang, J.; Guan, Y. Price-Based Unit Commitment with Wind Power Utilization Constraints. IEEE Trans. Power Syst. 2013, 28, 2718–2726. [Google Scholar] [CrossRef]
- Wang, Y.; Wang, B.; Chu, C.-C.; Pota, H.; Gadh, R. Energy management for a commercial building microgrid with stationary and mobile battery storage. Energy Build. 2016, 116, 141–150. [Google Scholar] [CrossRef]
- Wang, Q.; Wang, J.; Guan, Y. Stochastic Unit Commitment with Uncertain Demand Response. IEEE Trans. Power Syst. 2013, 28, 562–563. [Google Scholar] [CrossRef]
- Azizipanah-Abarghooee, R.; Golestaneh, F.; Gooi, H.B.; Lin, J.; Bavafa, F.; Terzija, V. Corrective economic dispatch and operational cycles for probabilistic unit commitment with demand response and high wind power. Appl. Energy 2016, 182, 634–651. [Google Scholar] [CrossRef]
- Çiçek, N.; Deliç, H. Demand Response Management for Smart Grids with Wind Power. IEEE Trans. Power Syst. 2015, 6, 625–634. [Google Scholar]
- Ortega-Vazquez, M.A.; Kirschen, D.S. Estimating the Spinning Reserve Requirements in Systems with Significant Wind Power Generation Penetration. IEEE Trans. Power Syst. 2009, 24, 114–124. [Google Scholar] [CrossRef]
- Kou, P.; Liang, D.; Gao, F.; Gao, L. Coordinated predictive control of dfig-based wind-battery hybrid systems: using non-gaussian wind power predictive distributions. IEEE Trans. Energy Convers 2015, 30, 681–695. [Google Scholar] [CrossRef]
- Zhang, Z.; Sun, Y.; Gao, D.; Lin, J.; Cheng, L. A Versatile Probability Distribution Model for Wind Power Forecast Errors and Its Application in Economic Dispatch. IEEE Trans. Power Syst. 2013, 28, 3114–3125. [Google Scholar] [CrossRef]
- Bludszuweit, H.; Dominguez-Navarro, J.A.; Llombart, A. Statistical analysis of wind power forecast error. IEEE Trans. Power Syst. 2008, 23, 983–991. [Google Scholar] [CrossRef]
- Bouffard, F.; Galiana, F.D. An electricity market with a probabilistic spinning reserve criterion. IEEE Trans. Power Syst. 2004, 19, 300–307. [Google Scholar] [CrossRef]
- Shu, H.; Yu, R.; Rahardja, S. Dynamic incentive strategy for voluntary demand response based on TDP scheme. In Proceedings of the Signal & Information Processing Association Summit and Conference, Hollywood, CA, USA, 3–6 December 2012; pp. 1–6. [Google Scholar]
- Lo, C.C.; Tsai, S.H.; Lin, B.S. Ice storage air-conditioning system simulation with dynamic electricity pricing: a demand response study. Energies 2016, 9, 113. [Google Scholar] [CrossRef]
- Dupont, B.; Jonghe, C.D.; Olmos, L.; Belmans, R. Demand response with locational dynamic pricing to support the integration of renewables. Energy Policy 2014, 67, 344–354. [Google Scholar] [CrossRef]
- Sahebi, M.M.; Duki, E.A.; Kia, M.; Soroudi, A.; Ehsan, M. Simultanous emergency demand response programming and unit commitment programming in comparison with interruptible load contracts. IET Gener. Trans. Dist. 2012, 6, 605–611. [Google Scholar] [CrossRef]
- Abdollahi, A.; Moghaddam, M.P.; Rashidinejad, M.; Sheikh-El-Eslami, M.K. Investigation of Economic and Environmental-Driven Demand Response Measures Incorporating UC. IEEE Trans. Smart Grid 2012, 3, 12–25. [Google Scholar] [CrossRef]
- Lee, C.; Liu, C.; Mehrotra, S.; Shahidehpour, M. Modeling Transmission Line Constraints in Two-Stage Robust Unit Commitment Problem. IEEE Trans. Power Syst. 2014, 29, 1221–1231. [Google Scholar] [CrossRef]
- Grigg, C.; Wong, P.; Albrecht, P.; Allan, R.; Bhavaraju, M.; Billinton, R.; Chen, Q.; Fong, C.; Haddad, S.; Kuruganty, S.; et al. The IEEE Reliability Test System-1996. A report prepared by the Reliability Test System Task Force of the Application of Probability Methods Subcommittee. IEEE Trans. Power Syst. 1999, 14, 1010–1020. [Google Scholar] [CrossRef]
- GUROBI 5.6, Gurobi Optimization, Inc., User’s Manual. Available online: http://gams.com/dd/docs/solvers/gurobi.pdf (accessed on 27 April 2017).












| Period | Load (MW) | Wind (pu) | Period | Load (MW) | Wind (pu) |
|---|---|---|---|---|---|
| 1 | 1901 | 0.845 | 13 | 2599 | 0.597 |
| 2 | 1951 | 0.928 | 14 | 2498 | 0.696 |
| 3 | 2050 | 0.923 | 15 | 2400 | 0.81 |
| 4 | 2153 | 0.853 | 16 | 2247 | 0.956 |
| 5 | 2198 | 0.82 | 17 | 2198 | 0.895 |
| 6 | 2301 | 0.715 | 18 | 2301 | 0.693 |
| 7 | 2350 | 0.498 | 19 | 2398 | 0.583 |
| 8 | 2402 | 0.424 | 20 | 2599 | 0.468 |
| 9 | 2498 | 0.338 | 21 | 2500 | 0.391 |
| 10 | 2599 | 0.37 | 22 | 2301 | 0.276 |
| 11 | 2649 | 0.193 | 23 | 2099 | 0.562 |
| 12 | 2702 | 0.386 | 24 | 2002 | 0.752 |
| Load | Periods | Price ($/MWh) |
|---|---|---|
| Valley | 23:00–4:00 | 46 |
| Off-peak | 5:00–8:00 14:00–18:00 | 96 |
| Peak | 9:00–13:00 19:00–22:00 | 154 |
| Elasticity | Valley | Off-Peak | Peak |
|---|---|---|---|
| Valley | −0.08 | 0.03 | 0.034 |
| Off-peak | 0.03 | −0.11 | 0.04 |
| Peak | 0.034 | 0.04 | −0.19 |
| Case | Incentive Price ($/MWh) | Cost of Generation ($) | Cost of Incentive ($) | Total Cost ($) |
|---|---|---|---|---|
| 1 | 0 | 638,919 | 0 | 638,919 |
| 2 | 10 | 633,531 | 1576 | 635,107 |
| 3 | 15 | 631,833 | 5318 | 637,151 |
| 4 | 20 | 629,133 | 12,605 | 641,738 |
| 5 | 25 | 626,405 | 24,620 | 651,025 |
| Case | Incentive Price ($/MWh) | Cost of Generation ($) | Cost of Incentive ($) | Cost of EENS ($) | Total Cost ($) |
|---|---|---|---|---|---|
| 1 | 0 | 638,919 | 0 | 0 | 638,919 |
| 6 | 0 | 640,531 | 0 | 24,012 | 664,334 |
| 2 | 10 | 633,531 | 1576 | 0 | 635,107 |
| 7 | 10 | 637,073 | 1576 | 23,703 | 662,151 |
| Case | 1 | 6 | 2 | 7 |
|---|---|---|---|---|
| max|EENSt| (MWh) | 0.465 | 0.32 | 0.349 | 0.32 |
| Interval | Mid-Value | Range | Probability |
|---|---|---|---|
| 1 | −4 | [−5, −3] | 0.0049 |
| 2 | −2.35 | [−3, −1.7] | 0.0401 |
| 3 | −1.1 | [−1.7, −0.5] | 0.2264 |
| 4 | 0 | [−0.5, 0.5] | 0.4572 |
| 5 | 1.1 | [0.5, 1.7] | 0.2264 |
| 6 | 2.35 | [1.7, 3] | 0.0401 |
| 7 | 4 | [3, 5] | 0.0049 |
© 2017 by the authors. Licensee MDPI, Basel, Switzerland. This article is an open access article distributed under the terms and conditions of the Creative Commons Attribution (CC BY) license (http://creativecommons.org/licenses/by/4.0/).
Share and Cite
Xu, Q.; Ding, Y.; Zheng, A. An Optimal Dispatch Model of Wind-Integrated Power System Considering Demand Response and Reliability. Sustainability 2017, 9, 758. https://doi.org/10.3390/su9050758
Xu Q, Ding Y, Zheng A. An Optimal Dispatch Model of Wind-Integrated Power System Considering Demand Response and Reliability. Sustainability. 2017; 9(5):758. https://doi.org/10.3390/su9050758
Chicago/Turabian StyleXu, Qingshan, Yifan Ding, and Aixia Zheng. 2017. "An Optimal Dispatch Model of Wind-Integrated Power System Considering Demand Response and Reliability" Sustainability 9, no. 5: 758. https://doi.org/10.3390/su9050758
APA StyleXu, Q., Ding, Y., & Zheng, A. (2017). An Optimal Dispatch Model of Wind-Integrated Power System Considering Demand Response and Reliability. Sustainability, 9(5), 758. https://doi.org/10.3390/su9050758

