Dynamic EROI Assessment of the IPCC 21st Century Electricity Production Scenario
Abstract
:1. Introduction
1.1. Background
1.2. EROI Definitions
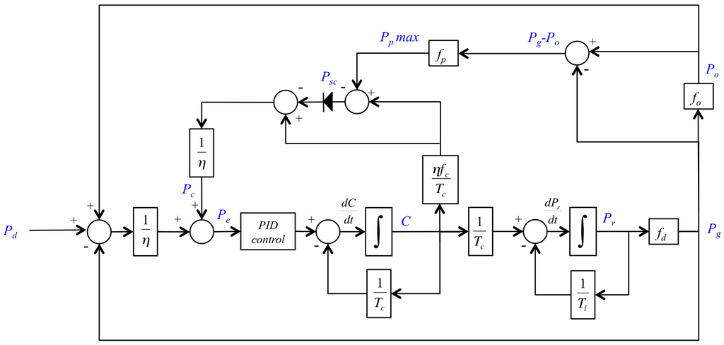
- Pr(t) is the total rated nameplate capacity
- fd is the duty cycle (capacity factor)
- TL is the individual plant lifetime
- η is the efficiency of conversion from primary thermal power to electrical power that is characteristic of the host electrical grid, which we assume equal to 0.333
- Ecd is the primary thermal equivalent energy for construction and decommissioning
- fo is the fraction of generated electrical power for operation and maintenance
2. Materials and Methods
2.1. Modeling
2.1.1. Simulation Model
- Pr(t) is the total rated nameplate capacity
- TL is the individual plant lifetime
- Tc is the individual plant construction time
- C(t) is the nameplate rated generating capacity under construction
- fo is the fraction of generated power required for operations and maintenance
- fd is the duty cycle (capacity factor)
- fp is the fraction of generated power that is plowed back to construct new plants
- fc is the primary thermal equivalent energy for construction per unit of nameplate rating
2.1.2. Simulation Input Data
2.1.3. Simulation Scenario
- It covers global electricity production, and the portfolio fractions may be markedly different in individual regions;
- Solar (117 EJ/year), Nuclear (70 EJ/year), Wind (68 EJ/year) and Biomass (47 EJ/year), become the dominant sources at end of century;
- Growth in solar over present levels is a prominent feature (Solar 580x, Biomass 75x, Wind 52x, Nuclear 7x);
- The fraction of intermittent sources (solar + wind) is ~50% at the end of the century on a global basis (presumably higher in some regions and lower in others but global distribution not provided with the data).
3. Results
- d = demand
- c = construction
- p = plowback
- g = generated
- o = operating
- n = net (generated – operating)
- r = nameplate rated
- s = supplemental
4. Discussion
Sensitivity Analysis
5. Conclusions
- The energy required to emplace and operate the infrastructure can be significant, especially at high rates of expansion, and has not been included explicitly in the overall IPCC scenario assessment;
- Due to significant uncertainty in the input energy (the denominator of the EROI ratio), there is a significant uncertainty in the results;
- The energy to emplace features necessary for integration (energy storage, transmission expansion, etc.) along with loss of efficiency due to energy storage, will tend to degrade the overall performance.
Acknowledgments
Author Contributions
Conflicts of Interest
References
- Kessides, I.N.; Wade, D. Deriving an Improved Dynamic EROI to Provide Better Information for Energy Planners. Sustainability 2011, 3, 2339–2357. [Google Scholar] [CrossRef]
- Weisbach, D.; Ruprechta, G.; Hukea, A.; Czerskia, K.; Gottlieba, S.; Hussein, A. Energy intensities, EROIs (energy returned on invested), and energy payback times of electricity generating power plants. Energy 2013, 52, 210–221. [Google Scholar] [CrossRef]
- Raugei, M.; Carbajales-Dale, M.; Barnhart, C.J.; Fthenakis, V. Rebuttal: “Comments on ‘Energy intensities, EROIs (energy returned on invested), and energy payback times of electricity generating power plants’—Making clear of quite some confusion”. Energy 2015, 82, 1088–1091. [Google Scholar] [CrossRef]
- US Energy Information Administration. Electric Power Monthly. Table 6.7.A and 6.7.B. Available online: http://www.eia.gov/electricity/monthly/pdf/epm.pdf (accessed on 27 March 2016).
- White, S.; Kulcinski, G. Birth to death analysis of the energy payback ratio and CO2 gas emission rates from coal, fission, wind, and DT-fusion electrical power plants. Fusion Eng. Design 2000, 48, 473–481. [Google Scholar] [CrossRef]
- Meier, P.; Kulcinski, G.L. Life-Cycle Energy Cost and Greenhouse Gas Emissions for Gas Turbine Power. Research Report 202-1 Prepared for Energy Center of Wisconsin. Available online: https://www.seventhwave.org/sites/default/files/202-1.pdf (accessed on 8 April 2016).
- Spath, P.; Mann, M. Life Cycle Assessment of a Natural Gas Combined-Cycle Power Generation System; Report NREL/TP-570-27715; National Renewable Energy Laboratory (NREL): Golden, CO, USA, 2000.
- Lenzen, M. Life cycle energy and greenhouse gas emissions of nuclear energy: A review. Energy Convers. Manag. 2008, 49, 2178–2199. [Google Scholar] [CrossRef]
- Schneider, E.; Carlsen, B.; Tavrides, E.; van der Hoeven, C.; Phathanapirom, U. Measures of the environmental footprint of the front end of the nuclear fuel cycle. Energy Econ. 2013, 40, 898–910. [Google Scholar] [CrossRef]
- Bhandari, K.P.; Collier, J.M.; Ellingson, R.J.; Apul, D.S. Energy paybacktime (EPBT) and energy return on energy invested (EROI) of solar photovoltaic systems: A systematic review and meta-analysis. Renew. Sustain. Energy Rev. 2015, 47, 133–141. [Google Scholar] [CrossRef]
- Jordan, D.; Kurtz, S. Photovoltaic Degradation Rates—An Analytical Review; Report NREL/JA-5200-51664; National Renewable Energy Laboratory (NREL): Golden, CO, USA, 2012.
- Hoogwijk, M. On the Global and Regional Potential of Renewable Energy Sources. Available online: http://dspace.library.uu.nl/handle/1874/782 (accessed on 14 January 2015).
- Hoogwijk, M.; de Vries, B.; Turkenburg, W.C. Assessment of the global and regional geographical, technical and economic potential of onshore wind. Energy Econ. 2004, 26, 889–919. [Google Scholar] [CrossRef]
- Carbajales-Dale, M.; Barnharta, C.; Benson, S. Can we afford storage? A dynamic net energy analysis of renewable electricity generation supported by energy storage. Energy Environ. Sci. 2014, 7, 1538–1544. [Google Scholar] [CrossRef]
- US Energy Information Administration. Electricity Market Module Table 8.2. Cost and Performance Characteristics of New Central Station Electricity Generating Technologies, September 2015. Available online: https://www.eia.gov/forecasts/aeo/assumptions/pdf/electricity.pdf (accessed on 24 September 2015).
- Luderer, G.; Krey, V.; Calvin, K.; Merrick, J.; Mima, S.; Pietzcker, R.; van Vliet, J.; Wada, K. The role of renewable energy in climate stabilization: results from the EMF27 scenarios. Clim. Chang. 2014, 123, 427–441. [Google Scholar] [CrossRef]















| Parameter | Coal | Gas | Hydro | Nuclear | Solar | Wind |
|---|---|---|---|---|---|---|
| fd | 0.55 | 0.56 | 0.36 | 0.92 | 0.17 | 0.23 |
| TL (years) | 40 | 40 | 70 | 40 | 25 | 25 |
| Tc (years) [15] | 6 | 6 | 4 | 6 | 2 | 3 |
| fo (TJ_e/TJ_e) | 0.022 | 0.117 | 0.000 | 0.010 | 0.007 | 0.003 |
| fc (MW-year_pte/MW_e) | 0.170 | 0.124 | 0.655 | 0.344 | 1.163 | 0.246 |
| EROI (Tj_e/Tj_pte) | 13 | 3 | 38 | 25 | 4 | 19 |
| EROI (Tj_pte/Tj_pte) | 40 | 8 | 115 | 74 | 11 | 58 |
| EPBT_pte (months) | 1.3 | 1.0 | 21.9 | 1.5 | 27.3 | 4.3 |
| Construction (TJ_pte/MW_e) | 5.0 | 3.9 | 20.0 | 6.6 | 35.7 | 7.6 |
| Decommissioning (TJ_pte/MW_e) | 0.3 | 0.0 | 0.7 | 4.3 | 0.9 | 0.2 |
| Operations (MJ_pte/MW-h_e) | 36 | 18 | 0 | 54 | 25 | 31 |
| Fuel Processing (MJ_pte/MW-h_e) | 205 | 1250 | 0 | 59 | 0 | 0 |
| Generated | Operations Consumption | Construction Consumption | Net to Loads | Dynamic EROI | Static EROI | |
|---|---|---|---|---|---|---|
| Coal | 6953 | 156 | 25 | 6771 | 38 | 40 |
| Gas | 7976 | 937 | 20 | 7019 | 8 | 8 |
| Nuclear | 10,747 | 112 | 60 | 10,574 | 62 | 74 |
| Hydro | 5535 | 0 | 98 | 5437 | 57 | 115 |
| Solar | 12,510 | 87 | 2066 | 10,358 | 6 | 11 |
| Wind | 9175 | 26 | 207 | 8942 | 39 | 58 |
| Total | 53,276 | 1326 | 2478 | 49,472 | 14 | - |
© 2016 by the authors; licensee MDPI, Basel, Switzerland. This article is an open access article distributed under the terms and conditions of the Creative Commons Attribution (CC-BY) license (http://creativecommons.org/licenses/by/4.0/).
Share and Cite
Neumeyer, C.; Goldston, R. Dynamic EROI Assessment of the IPCC 21st Century Electricity Production Scenario. Sustainability 2016, 8, 421. https://doi.org/10.3390/su8050421
Neumeyer C, Goldston R. Dynamic EROI Assessment of the IPCC 21st Century Electricity Production Scenario. Sustainability. 2016; 8(5):421. https://doi.org/10.3390/su8050421
Chicago/Turabian StyleNeumeyer, Charles, and Robert Goldston. 2016. "Dynamic EROI Assessment of the IPCC 21st Century Electricity Production Scenario" Sustainability 8, no. 5: 421. https://doi.org/10.3390/su8050421
APA StyleNeumeyer, C., & Goldston, R. (2016). Dynamic EROI Assessment of the IPCC 21st Century Electricity Production Scenario. Sustainability, 8(5), 421. https://doi.org/10.3390/su8050421

