Next Article in Journal
Consumption and Use of Non-Renewable Mineral and Energy Raw Materials from an Economic Geology Point of View
Next Article in Special Issue
Towards Adaptive Governance of Common-Pool Mountainous Agropastoral Systems
Previous Article in Journal
Governing for Sustainable Coasts: Complexity, Climate Change, and Coastal Ecosystem Protection
Previous Article in Special Issue
Science, Open Communication and Sustainable Development
 
 
Font Type:
Arial Georgia Verdana
Font Size:
Aa Aa Aa
Line Spacing:
Column Width:
Background:
Article

Some Sustainability Aspects of Energy Conversion in Urban Electric Trains

1
Faculty of Electromechanical and Environmental Engineering, University of Craiova, Romania
2
Faculty of Engineering and Applied Science, University of Ontario Institute of Technology, 2000 Simcoe Street North, Oshawa, Ontario, L1H 7K4, Canada
3
Electrical Vehicles Department, ROMDATA AQ, Craiova, Romania
*
Author to whom correspondence should be addressed.
Sustainability 2010, 2(5), 1389-1407; https://doi.org/10.3390/su2051389
Submission received: 1 April 2010 / Revised: 30 April 2010 / Accepted: 6 May 2010 / Published: 17 May 2010
(This article belongs to the Special Issue Advanced Forum for Sustainable Development)

Abstract

:
The paper illustrates some aspects of energy conversion processes during underground electric train operation. Energy conversion processes are explained using exergy, in order to support transport system sustainability. Loss of exergy reflects a loss of potential of energy to do work. Following the notion that life in Nature demonstrates sustainable energy conversion, we approach the sustainability of urban transportation systems according to the model of an ecosystem. The presentation steps based on an industrial ecosystem metabolism include describing the urban electric railway system as an industrial ecosystem with its limits and components, defining system operation regimes, and assessing the equilibrium points of the system for two reference frames. For an electric train, exergy losses can be related to the energy flows during dynamic processes, and exergy conversion in these processes provides a meaningful measure of the industrial (i.e., transportation) ecosystem efficiency. As a validation of the theoretical results, a case study is analyzed for three underground urban electric train types REU-U, REU-M, REU-G operating in the Bucharest Underground Railway System (METROREX). The main experimental results are presented and processed, and relevant diagrams are constructed. It is determined that there is great potential for improving the performance of rail systems and increasing their sustainability. For instance, power converters and efficient anti-skid systems can ensure optimum traction and minimum electricity use, and the recovered energy in electric braking can be used by other underground trains, increasing exergy efficiency, although caution must be exercised when doing so to avoid reducing the efficiency of the overall system.

1. Introduction

To address meaningfully many of the problems facing humanity today, conditions for the performance of sustainable technical systems must be formulated. Real processes involving energy and materials need to be linked to environmental impact as well as engineering design and operation. Correspondingly, exergy concepts can help understand the efficiencies of electromechanically driven systems and guide improvement efforts [1,2]. Here, the applicability of exergy methods to underground electrical railway transport systems is described.
The merit of an urban electric transportation system is based not only on technical performance, safety, energy efficiency, economics and societal acceptance, but also on environmental impact and exergy efficiency. Costs should reflect value, which is associated not with energy but rather with exergy and sustainability. While energy is a measure of quantity only, exergy is a measure of quantity and quality or usefulness [3]. This study of underground electric trains is based on the concept that the efficiency reduction from large exergy destructions and the corresponding long-term environmental degradation can be understood and improved by viewing the electric train as an industrial ecosystem. This research extends earlier work by the authors [4,5].
Much other research has been reported on the application of exergy in seeking sustainable transport. For instance, exergy has recently been used to assess the transport sectors in Greece [6] and the United Kingdom [7]. Some studies have focused on applying exergy to rail transport. For example, exergy has been used to investigate the Italian railway transport system [8] and electric transport devices using fuels like liquefied natural gas [9].
Increasing efforts are being expended to enhance the sustainability of transportation technologies and systems. For instance, approaches to and issues in sustainable transport systems have been explored [10,11], as have policy requirements to achieve sustainable urban transport [12]. Research to improve rail transport sustainability has also received increased focus, with initiatives reported on innovative lightweight transit technologies [13] and combining electric vehicles with intermodal transport [14]. Some of these efforts have focused on reducing the environmental impact of rail transport by reducing emissions of greenhouse gases and other pollutants [15].
Following the above context, this paper describes the electric design of urban rail transportation systems as well as their characteristics and performances, considering their drive systems with induction motors supplied at variable frequency with controlled stator flux. After modeling the main traction equipment, i.e., induction motors and variable voltage variable frequency (VVVF) inverter, the design of a structural diagram of the main electric circuits on urban electric trains is presented, together with the structural model of useful movement. Finally, on the basis of a particular case, the energy consumption is validated in this paper corresponding to a complete cycle (i.e., acceleration, constant running speed and deceleration) for the analyzed underground train.

2. Energy Conversion in Urban Electric Trains

At the start, we adopt a dualist view [16], in which the transportation system is taken to be surrounded by two environments: technical and ecological. The electric transportation system is closed within the technical surroundings, but open within the ecological environment.
Modern urban electric railway trains are supplied by a d.c. contact line and are equipped with three-phase induction motors and variable voltage variable frequency (VVVF) inverters [17]. Since electric drive systems are used with static converters and traction induction motors, with appropriate controls these machines can realize both traction and electric braking regimes of electric traction vehicles. Utilization in electric traction of an induction motor with a rotor squirrel cage is possible only in the conditions of a three-phase supply system with controlled variable frequency and r.m.s. voltages [18].
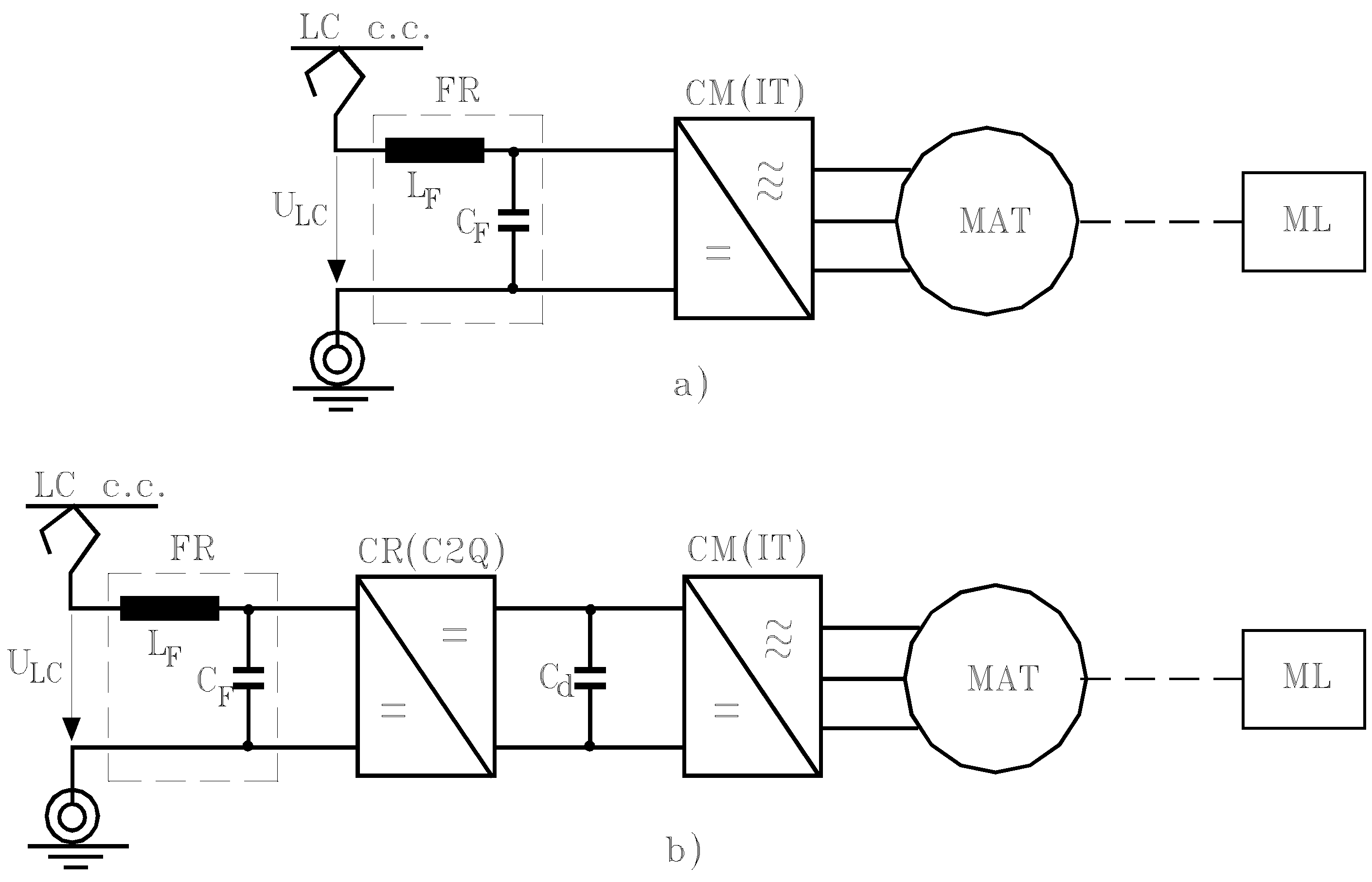
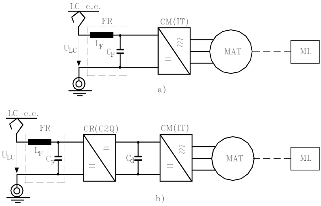
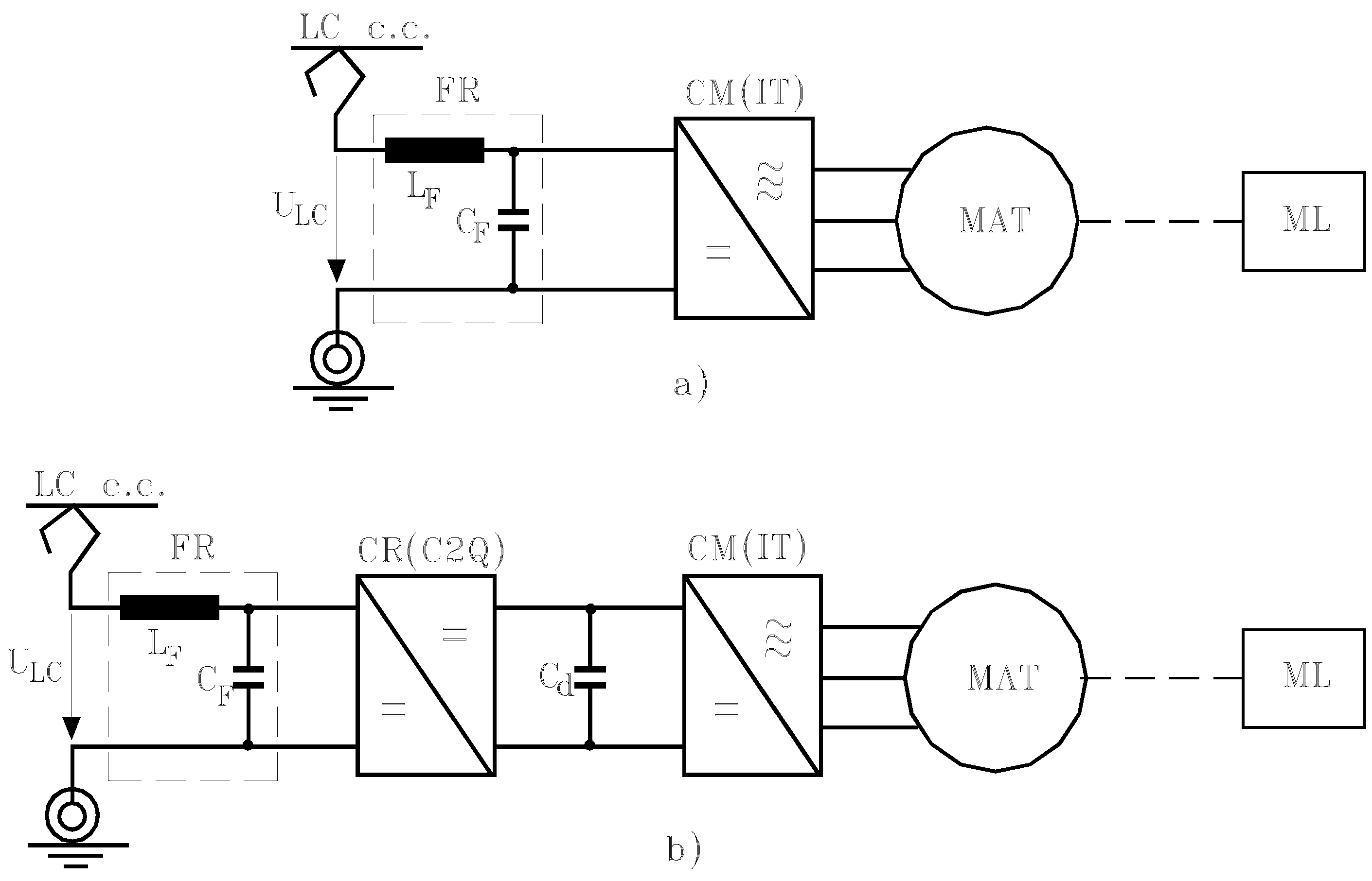
This supply type is achieved with a machine-side converter (CM), usually a VVVF inverter (IT) with two or three levels (Figure 1). The working mechanism (ML) represents the mechanical part of the motor electric vehicle that it is located between a movement transformer (reduction gear) and a movement converter (wheel + rail) which transforms rotation into translational movement.
But, to commence, we need to know in what way electric traction drive systems based on static converters lead to an improvement in electric train performance, regarding both optimum traction characteristics (in terms of energy use) and high exergy efficiency in train operation, particularly for electric braking with energy recovery.

2.1. Operation at Variable Frequency of Induction Machine

An industrial ecosystem does not have a single equilibrium point [19]. Rather, the system moves among multiple stable states [20]. The dynamic regimes in electric train operation, e.g., starting or braking processes, can be viewed as representing the industrial ecosystem movement among points of equilibrium.
Figure 1. Principal scheme of main electric circuits of urban electric trains fed by a d.c. contact line.
Figure 1. Principal scheme of main electric circuits of urban electric trains fed by a d.c. contact line.
Sustainability 02 01389 g001
Vehicle regulation speed is determined examining the static converter (VVVF) and electric machine as an assembly [21]. The traction motor speed regulation is based on stator voltage and frequency variation, so that to achieve high exergy efficiency, the first requirement of the train control system concerns passing of the motor operation equilibrium point from one mechanical characteristic to another.
In the range of frequencies lower than the rated frequency, fs < fN, in order to ensure a constant level of inductor machine stator flux Ψs = ΨsN, we have to simultaneously modify the frequency fs and the supply voltage magnitude Us so the supply r.m.s. voltage Us varies with the frequency fs according to Us(fs) = |RsIs + j2πfsΨSn|, where Rs is the stator resistance and Ψs the stator flux.
In the case considered subsequently of an induction machine supplied by a variable frequency voltage source, when the rated speed is reached (i.e., the induction motor is supplied at UN and fN) a further increase in speed is possible only by increasing the stator frequency magnitude over the rated frequency fs > fN. Note that because of the voltage restriction on both converters and induction machine winding insulation considerations, the stator voltage is limited and maintained at a constant magnitude Us = UN for the entire high frequency domain, and the induction machine operates in weakened flux conditions [17]. From an exergetic viewpoint it is noted that, because the stator flux and pulsation exhibit an inverse proportionality relation Ψs = UNs, the machine torque capability is strongly affected, and the exergy destruction can not be avoided.
We conclude that the induction machine supplied from a variable frequency and voltage source operates with full field ψs = ψSn = const. in the low frequency range fs ≤ fN and with a weakened field (ψs < ψSn) in the increased frequency domain fs > fN (when the supply r.m.s. voltage remains constant (Us = UN = const.).

2.2. Electric Train with Induction Motors Operating at Variable Frequency and Controlled Flux

The operation at variable frequency with controlled flux is preceded for induction motors in drive systems with vectorial control [22]. The vectorial regulation and control method is based on space phasor theory, taking into consideration the control of both the flux and the induction machine electromagnetic torque M. In principle, the stator current space phasor is decomposed into two perpendicular components (a flux component and a torque component) which are separately controlled. In this paper we analyze the steady-state sinusoidal regime of variable frequency operation with controlled stator flux. Note that the theoretical developments presume an induction machine with constant parameters, without iron losses and without saturation of the magnetic core.
In the steady-state the following relations can be derived for the stator current components [23]:
I sx = ψ s L s + 1 σ σ L s ψ s R r ω r σ L r + ω r σ L r R r ω r σ L r R r I sy = 1 σ σ L s ψ s R r ω r σ L r   +   ω r σ L r R r
The absolute value of the stator current can be determined with the formula Is = (Isx2 + Isy2)1/2.
Within the ecological framework, the electromagnetic torque M is again related to the system output exergy. We can express M in complex coordinates axes system (oriented on ψs) as
M = 3 p · Im { I - s · ψ _ s * } = 3 p · Im { ( I sx + jI sy ) · ψ s } = 3 p · ψ s · I sy
Substituting Isy from (1), the torque relation becomes
M = 3 p · 1 σ σ L s · ψ s 2 R r ω r σ L r   +   ω r σ L r R r
If the stator flux ψs is constant, the electromagnetic torque magnitude depends on the rotor current pulsation ωr but not the stator supply frequency fs. The torque curve M = f(ωr) at ψs = const. is not linearly dependent on ωr, having two symmetrical extremes:
M ω r = 0 ;   ω rk ψ S = ±   R r σ · L r M s = M ( ω rk ψ s ) = ±   3 p 2 · 1 σ σ · L s · ψ s 2
The dependence of M = f(ωr) at ψs = const. is shown in Figure 2.
In a steady-state regime, a system stable operation (with ∂M/∂ωr > 0) is performed only on the ascendant zone of the characteristic M = f(ωr) in Figure 2 and corresponds at small rotor pulsations to the condition |ωr| ≤ ωrkψs. The mechanical characteristics family M = f(n) of the induction motor operating at ψs = const., for different stator frequencies fs are shown in Figure 3.
Figure 2. Torque characteristic M = f (ωr) at controlled stator flux.
Figure 2. Torque characteristic M = f (ωr) at controlled stator flux.
Sustainability 02 01389 g002
Figure 3. Mechanical characteristics M = f(n) at ψs = const. for different frequency values fs ≤ fN.
Figure 3. Mechanical characteristics M = f(n) at ψs = const. for different frequency values fs ≤ fN.
Sustainability 02 01389 g003
The constant stator flux magnitude ψs for any stator frequency fs and torque M (respectively, any rotor pulsation ωr) imposes an exact control of either the supply voltage Us or the supply current Is. We see again an analogy between this electrical system and an ecosystem. An appropriate technical system control must be achieved for reducing exergy destruction when the equilibrium point passes from one stable state (represented by the operation point on a certain mechanical characteristic) to another stable state (on another mechanical characteristic). This observation implies the system control needs to be assessed next.

2.3. Modeling of Electric Train

Observations of nature suggest we need to identify modalities for optimum train control to minimize energy consumption and maximize exergy efficiency. We know the shape of the ideal traction characteristic [17]. The real traction characteristic identifies if the train control is appropriate. To achieve vehicle control requires an analysis based on structural diagrams.
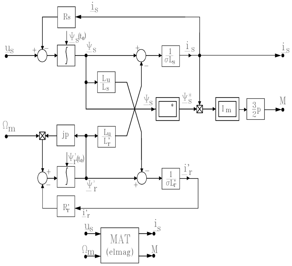
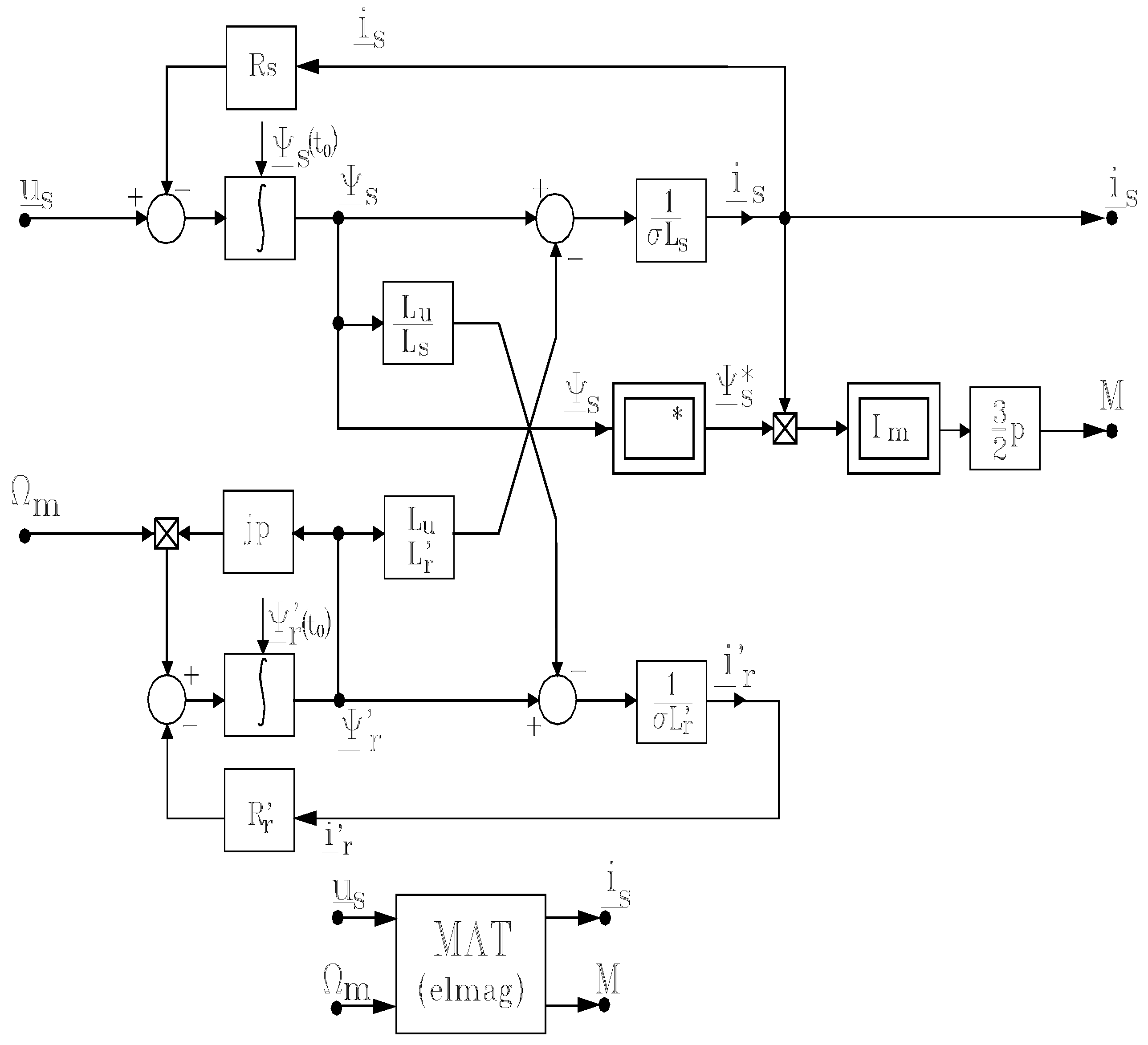
First, we model the traction induction motor, where electromechanical energy conversion occurs. As a complex electromechanical system, the induction motor can be conceptually decomposed into electromagnetic and mechanical subsystems. Between these functional parts, the electromagnetic torque M and the rotor mechanical speed Ωm interact as internal variables. The induction motor electromagnetic part can be described by the following equations [17]:
        d ψ _ s dt = u _ s R s · i - s d ψ _ r dt = j · p · Ω m · ψ _ r R r · i r         i _ s = ψ _ s Lu L r · ψ _ r σ L s ;   i _ r = ψ _ r Lu L s · ψ s _ σ L r       M = 3 2 · p · Im { i - s · ψ _ s * }
Here, us denotes the stator voltage vector; is the stator current vector; ir’ the rotor current vector; Ψs the stator flux vector; Ψr’ the rotor flux vector; Lu the magnetizing inductance; Ls the stator inductance; Lr’ the rotor inductance; p the number of pole pairs; Rs the stator resistance; Rr’ the rotor resistance and σ = 1 L u 2 L s · L r the motor leakage coefficient.
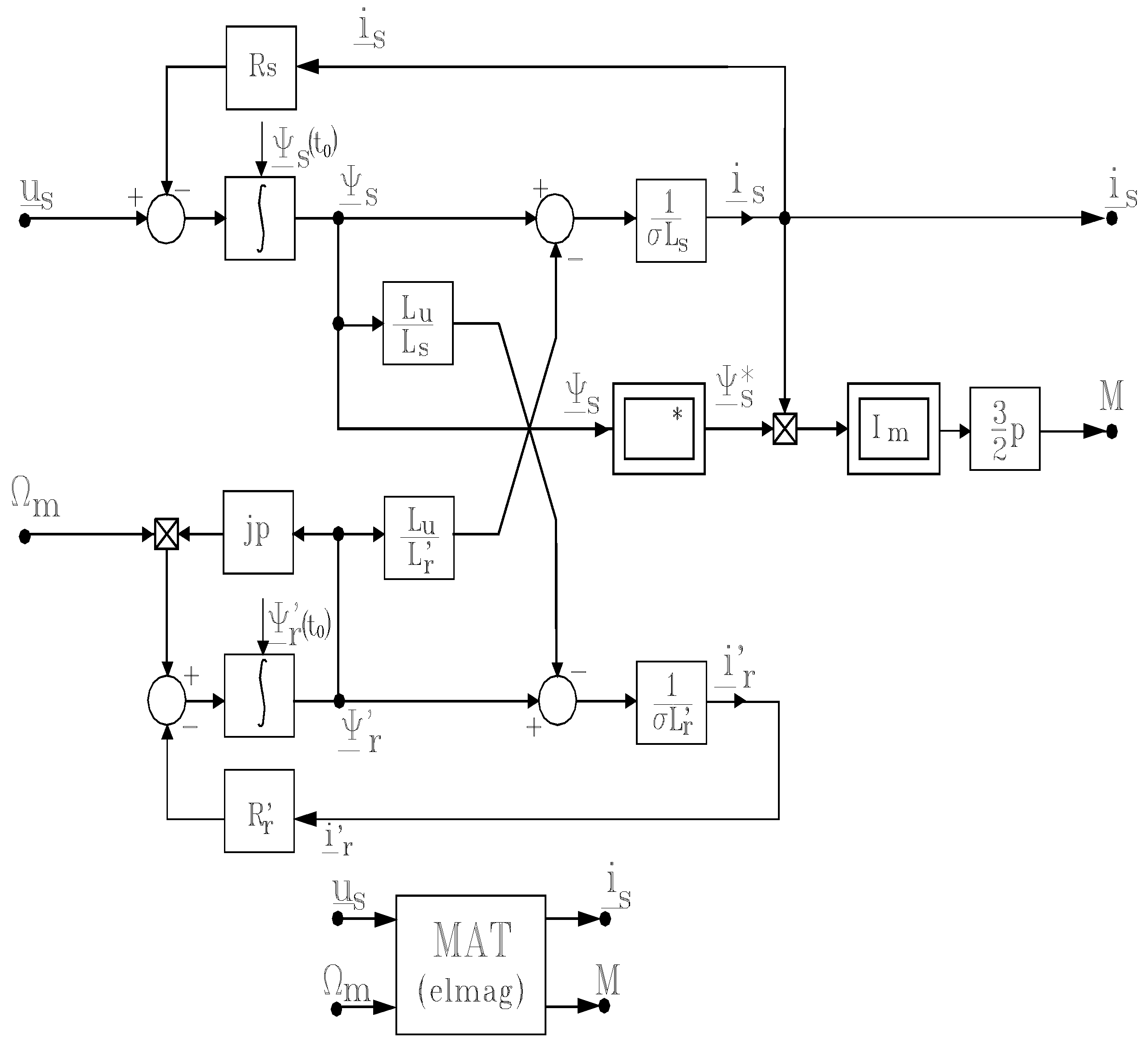
Using Equation (5), the structural diagram and the mask block of the induction motor electromagnetic part can be represented (Figure 4).
Figure 4. Structural diagram and mask block for induction motor electromagnetic part.
Figure 4. Structural diagram and mask block for induction motor electromagnetic part.
Sustainability 02 01389 g004
The structural diagram of the electromagnetic subsystem can be coupled both with the structural diagram of the VVVF inverter through the input variable us and output variable is and with the structural diagram of the mechanical subsystem via the input quantity Ωm and the output quantity M.
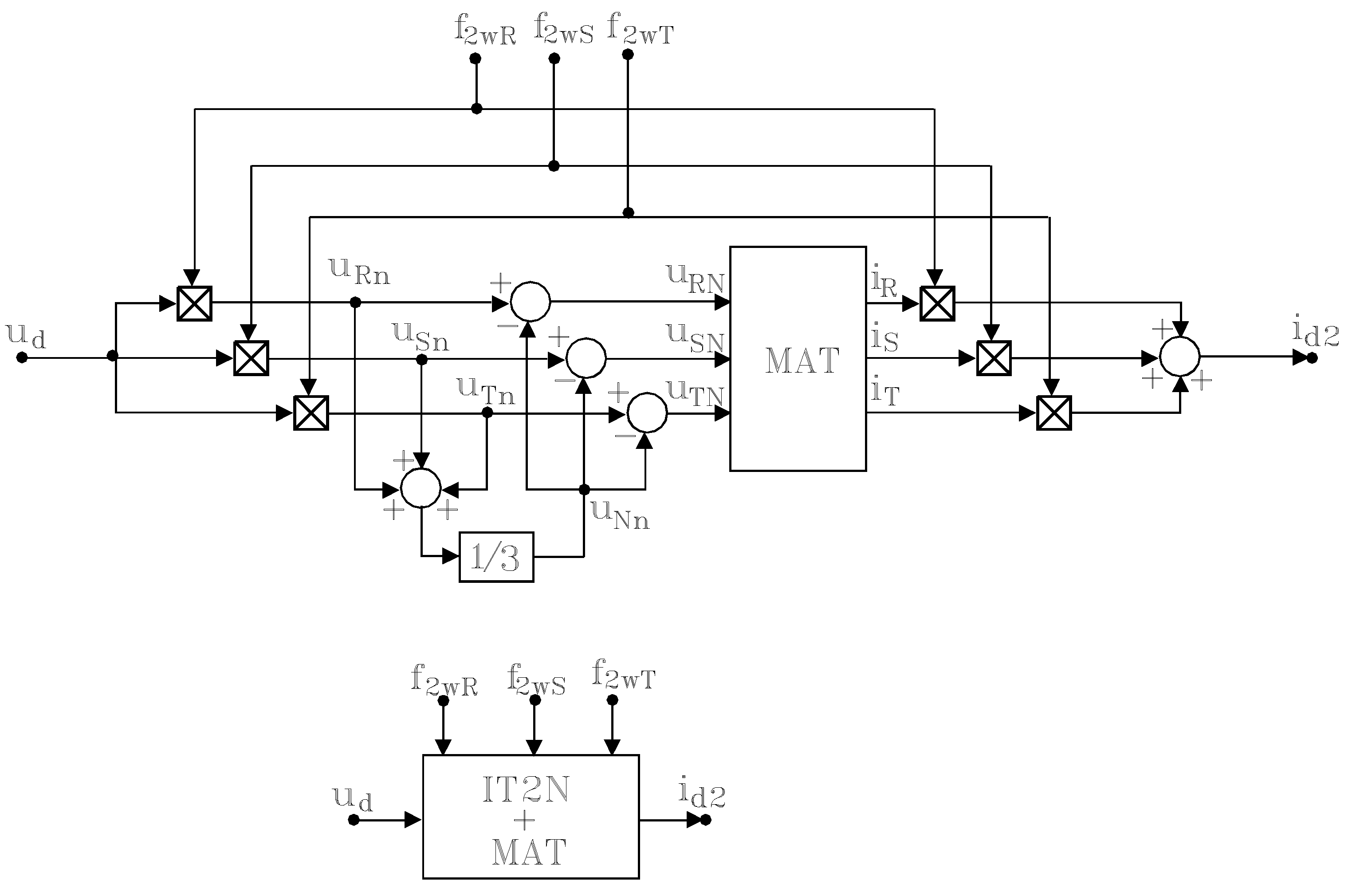
To model the machine-side converter, usually a voltage-source inverter, commutation functions are used in two or three levels, respectively [17,18]. A static converter can be viewed for modeling as a “black box” with input/output characteristics through the commutation functions. Analysing the topology of a three-phase voltage-source inverter with two levels and using the commutation function f2w (in two levels), f 2 w = {         1         0 , for each arm of converter, equations for the inverter model (without losses) can be written as:
u Rn = u d · f 2 wR ;   u Sn = u d · f 2 wS ;   u Tn = u d · f 2 wT i d 2 = i R · f 2 wR   +   i S · f 2 wS   +   i T · f 2 wT ; u RN = u Rn u Nn ;   u SN = u Sn u Nn ;   u TN = u Tn u Nn ; u Nn = u Rn   +   u Sn   +   u Tn 3 ;
With this system of equations, the structural diagram and mask block of the three-phase voltage-source inverter with two levels are obtained (Figure 5).
Figure 5. Structural diagram and mask block for three-phase voltage source inverter with two levels.
Figure 5. Structural diagram and mask block for three-phase voltage source inverter with two levels.
Sustainability 02 01389 g005
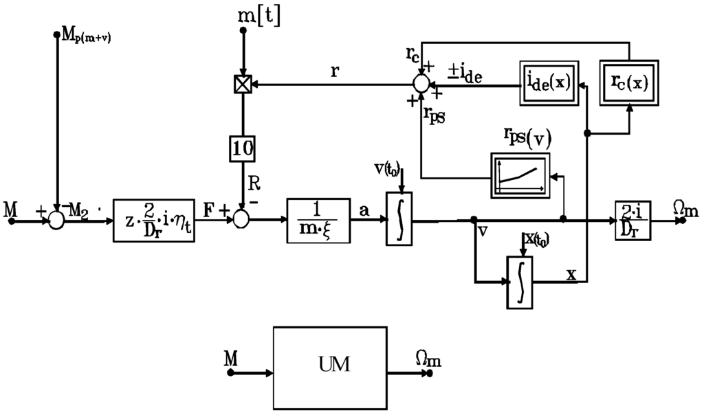
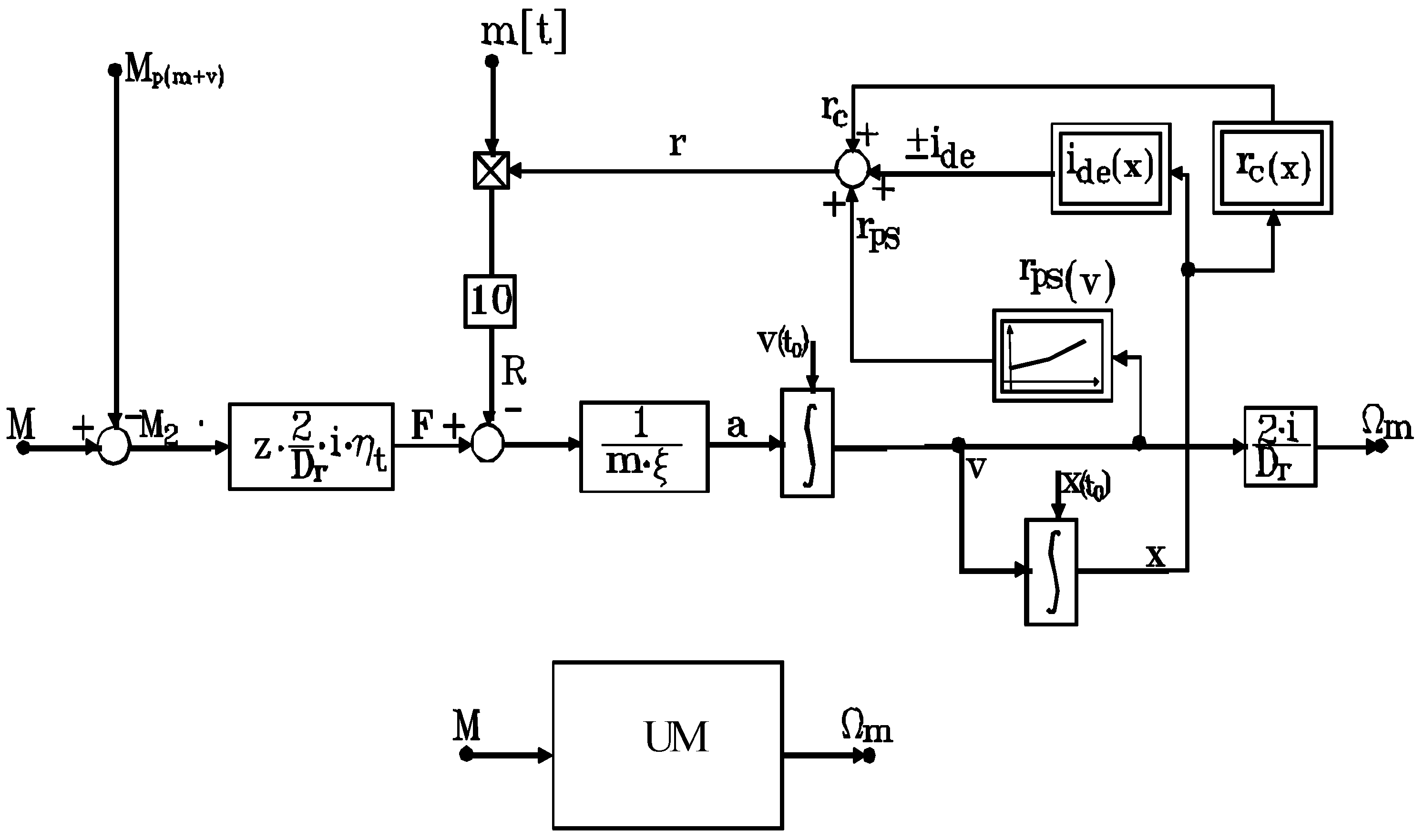
To highlight the exergetic dynamic approach of the system, a vehicle useful movement model is also necessary [17]. Here, we consider a motor electric vehicle with mass m[t] and inertia constant ξ having a specific train resistance r[daN/t]. If movement occurs due to the action of useful torques M2 (identical), developed by z vehicle traction motors of the motor electric, then the useful movement can be described as:
v = 1 m · ξ ( F R ) dt ;   Ω m = 2 · i D r ·   x = v · dt F = z · 2 D r · i · η t · M 2 R = ( r ps ( V ) ± i de ( X ) + r c ( X ) ) · m · 10
which allow the construction of the structural diagram of useful movement (Figure 6). For the mask block, we considered as an input quantity the torque M and as an output quantity the speed Ωm, i.e., the time-varying quantities during useful movement.
Figure 6. Structural diagram and mask block of useful movement.
Figure 6. Structural diagram and mask block of useful movement.
Sustainability 02 01389 g006
Subsequently, diagrams of train running speed v(t) and distance x(t) can be developed. Modifications to vehicle mass and dependences ide(x) or rc(x), specific to a vehicle or route, can be incorporated, yielding an exact model for all operating conditions.
Figure 7. Structural diagrams of main electric circuits.
Figure 7. Structural diagrams of main electric circuits.
Sustainability 02 01389 g007
We began our study considering the main circuits of electric trains fed from a d.c. contact line (Figure 1) and have obtained its structural diagrams (Figure 7). This information supports the aim of optimizing vehicle control to obtain a high exergy efficiency.

3. Case Study

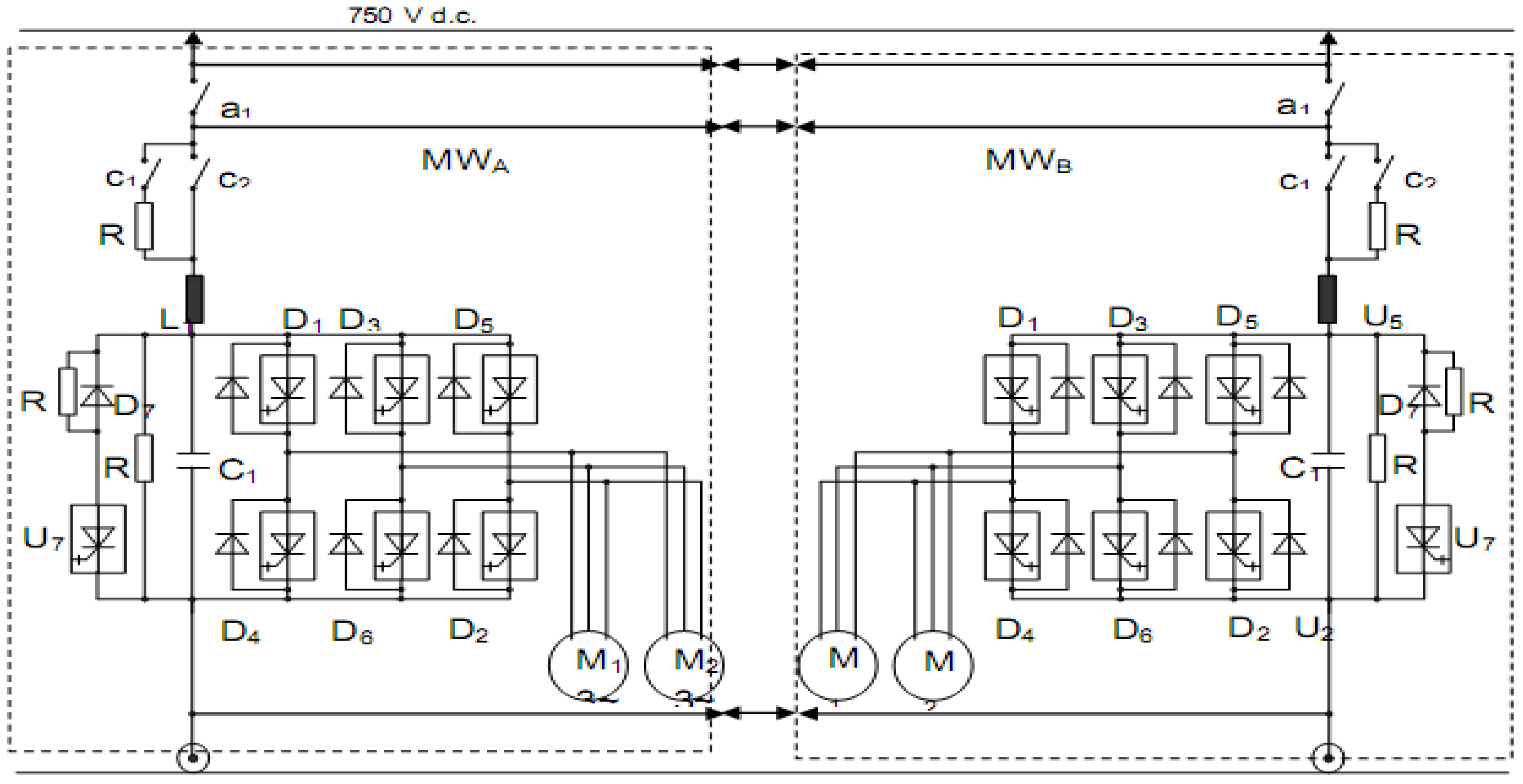
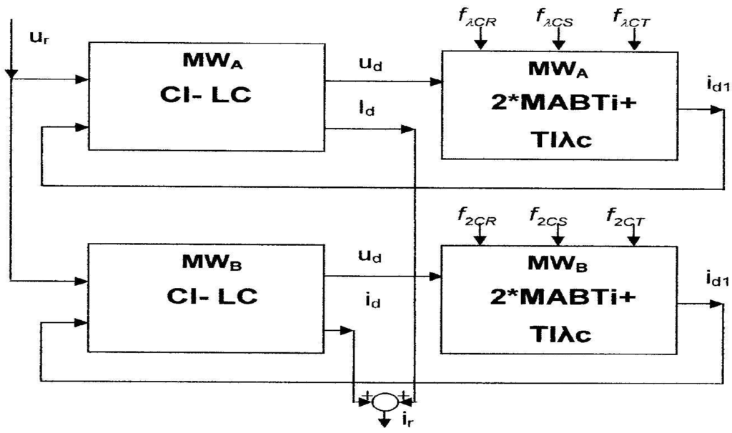
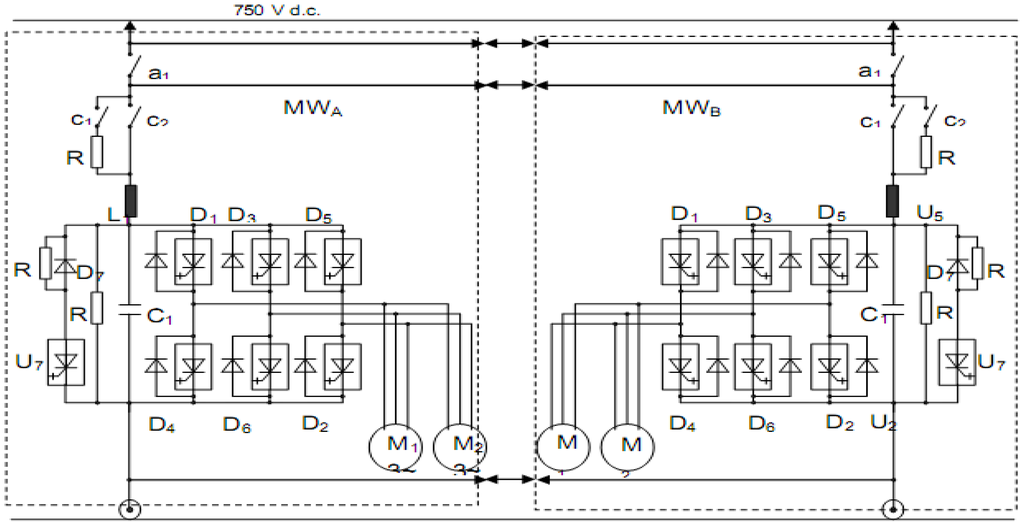
In this case study we consider an urban electric train with two motor wagons (MWs) which are elastic coupled and which are referred to as “MW + MW” [23]. The vehicle electric scheme (Figure 8) is in variant V2, which is defined by the coefficient K = 2/2, indicating two static converters, each supplying two traction bi-motors. On the basis of the previous structural diagrams, the structural diagram for the urban electric vehicle viewed as a system is assessed in Figure 9.
The electric traction scheme with a power supply from a d.c. network has the following elements [17,23]: a current connector to a third rail; a loading contactor and a loading resistor; a rapid automatic circuit breaker; an input circuit (known as a LC filter); a voltage and frequency converter; electric traction motors; a braking chopper and a braking resistor and a shunt; and electric couplings for the wagons.
From the technical point of view, the electric traction scheme presented here meets the criteria of vehicle operating safety and traction scheme reliability. An understanding of the sustainability of the electric transportation system can be obtained with an analysis of the exergy conversion chain within the electric transportation system operation regimes.
Figure 8. Electric traction diagram in variant K = 2/2.
Figure 8. Electric traction diagram in variant K = 2/2.
Sustainability 02 01389 g008
Figure 9. Structural diagram of urban electric vehicle MW + MW, with K = 2/2.
Figure 9. Structural diagram of urban electric vehicle MW + MW, with K = 2/2.
Sustainability 02 01389 g009
Here, the train operation is briefly described. After the connectors coupling, the circuit breakers and contactors switching, the control of the unit’s inverters is determined. The traction induction bi-motor groups are supplied from the three-phase VVVF inverters. Consequently, the urban electric train is able to operate. At the minimum adjusted frequency fmin = sfn. the traction motors M1 and M2 on the first unit MWA are immobile. Similarly M1 and M2 are placed on the second unit MWB.
When the frequency exceeds that value, the motors start to move, with the operation following the frequency mechanical characteristic corresponding to the minimum supply frequency. The electric train accelerates at a constant traction torque, with operation on the mechanical characteristics at up to fsn, when U1 = U1n and then, over fsn, at constant power.
The three-phase traction induction motors reverse their rotation via a simple supply commutation, by stator phases succession switching. The motors have identical characteristics for both rotation senses.
It is emphasized that exergy issues prefer the vehicle electric motors operate at the designed rating power for a running speed range as long as possible [17]. Hence, the active power at rim P0 is constant and the active force F depends on the speed according to
F [ k N ] = 3.6 · P 0 [ k W ] v [ k m / h ]
On basis of equation (8), a hyperbole form of the active force F results, as shown in Figure10.
Figure 10. Ideal mechanical characteristic.
Figure 10. Ideal mechanical characteristic.
Sustainability 02 01389 g010
From the viewpoint of exergy efficiency and environment issues, a special aspect in case of the non-autonomous vehicles with electric traction is represented by the braking regime, particularly electric braking. Since electric driving systems with static converters and traction induction motors are used, electric braking with the same motors can be realized with appropriate control for electric traction vehicles. For a specified running direction, passing from the traction regime to the electric brake regime corresponds to a sign change of the active force F. Clearly in the traction regime the vehicle speed v and the active force F have the same sign, while in the braking regime v and F have opposite signs.
To perform electric train braking, the traction induction motors pass into the electric generator regime, by decreasing control of the supply voltage frequency. The electric traction machines operate in the generator regime on the mechanical characteristics M = f(n) in quadrants II and IV (Figure 2 and Figure 3), respectively. In that situation, which is complex from the viewpoint of power circulation, the inverter provides the reactive energy for the traction machine in the generator regime using the capacitor battery from the LC circuit and through the recovery diodes group, and the electrical machine supplies power like an induction generator into the d.c. network. This recovered energy is used by other operating trains. Thus the exergy efficiency is high. The d.c. network capacity to receive this electric energy is continuously checked by the vehicle control system. If the input circuit voltage exceeds 1.2Ud (i.e., over 1.2 × 750 = 900 V), braking choppers are automatically activated, which realize an electric rheostatic brake regime. The braking resistances allow energy dissipation (by the Joule effect) of the uncirculated electric energy. Then, a high energy efficiency of the brake resistances is obtained, but the system exergy efficiency is significantly decreased.
The environmental impacts from the electric braking regime, particularly with recovered energy, by shifting the traction machines to an electric generator regime, are considerably reduced.

4. Experimental Results

The Bucharest Underground Railway System (METROREX) has trains equipped with traction induction motors MAB T1, MAB T2 and MAB T3 produced by the Electroputere Factory in Craiova. The following railway vehicles types are considered:
  • urban electric train—heavy implementation REU-G with a weight of 36 t/wagon,
  • urban electric train—medium implementation REU-M, with a weight of 25 t/wagon, and
  • urban electric train—light implementation REU-U, with a weight of 15 t/wagon.
For REU-G, experimental traction characteristics are plotted in Figure 11, showing the variations of characteristics are similar, suggesting the goal of minimum energy consumption in the traction regime is accomplished. Data are provided in Table 1.
Figure 11. Variation of Rp, Po, Fo and v for REU-G.
Figure 11. Variation of Rp, Po, Fo and v for REU-G.
Sustainability 02 01389 g011
Table 1. Values of Rp, Po, Fo and v for REU-G.
Table 1. Values of Rp, Po, Fo and v for REU-G.
Rp [N]Po [kW]Fo [kN]V [km/h]Reading number
1,419079.2701
1,47411079.2752
1,53922079.27103
1,61733079.27154
1,70944079.27205
1,81255079.27256
1,92666179.27307
2,05376079.27358
2,19476068.37409
2,34476060.774510
2,50876054.705011
2,68476049.725512
2,87276045.606013
3,07076042.076514
3,28176039.077015
3,50676036.467516
3,74376034.188017
Experimental electric braking characteristics for three train types REU-U, REU-M, REU-G used by the Bucharest Underground Railway System are presented in Figure 12 and Table 2.
Figure 12. Variations of forces FF and speed v in electric braking regime for vehicles REU-U, REU-M, REU-G.
Figure 12. Variations of forces FF and speed v in electric braking regime for vehicles REU-U, REU-M, REU-G.
Sustainability 02 01389 g012
Table 2. Experimental electric braking characteristics for three train types.
Table 2. Experimental electric braking characteristics for three train types.
REU-U FF [kN]REU-M FF [kN]REU-G FF [kN]V [km/h]Reading number
0.000.000.0001
18.7833.5646.3652
36.3666.2492.71103
24.2444.1658.32154
18.1833.1243.74205
14.5526.5034.99256
12.1222.0829.16307
10.3918.9324.99358
9.0916.5621.87409
8.0814.7219.444510
7.2713.2517.495011
6.6112.0415.905512
6.0611.0414.586013
5.5910.1913.466514
5.199.4612.507015
4.858.8311.667516
4.558.2810.938017
The Urban Underground Railway Transportation System in Bucharest is a network of four lines (M1, M2, M3 and M4) with 49 train stations and a total length of 67 km. Trains travel between 5 a.m. and 11:30 p.m., with an average frequency of 10 minutes.
In our calculations we assume the following:
  • a 1,560 m length between consecutive stations,
  • a running time between consecutive stations of 96 s, with 20 s transient starting (10 s at constant force and 10 s at constant power), 60 s of constant speed running and 16 s electric braking, and
  • electric active energies as in Table 3, following the electric active power P values in Figure 13.
During deceleration (interval 80–96 s), the electric active power (3,000 kW) corresponds to recovered energy or heat, depending on electric brake type.
An analysis of the recovered energy indicates that on a railway segment at least three trains must be in operation (two at speeds higher than 10 m/s and one in a uniform electric brake regime). So, for high exergy efficiency, the number of trains operating on a rail segment should be n = [3,000/2,400] × 2.

5. Discussion

The train case study considered yields particularly useful results in the traction regime. Using structural diagrams and high-performance converters, appropriate vehicle control can be achieved so the train experimental dynamic characteristics follow the theoretical mechanical characteristic. Then, the energy and exergy efficiencies are equal. Power converters and efficient anti-skid systems ensure optimum traction and minimum energy use.
Table 3. Data for railway system.
Table 3. Data for railway system.
ParameterValue
Railway length1,560 m
Cycle time96 s
Train number1
Electric frames number3
Number of wagons3 × 2 = 6
Number of motors 6 × 4 = 24
Installed power, P2,400 kW
Running speed, vo20 m/s
Acceleration time, tac20 s
Uniform running time, tur60 s
Deceleration time, tdc16 s
Electric energy in acceleration regime, Eac36,000 kWs (10 kWh)
Electric energy in uniform running regime, Eur144,000 kWs (40 kWh)
Electric energy in deceleration regime, Edc48,000 kWs (13 kWh)
Figure 13. Variation with time of speed and supplied electric active power for a complete cycle: acceleration, constant speed running and deceleration.
Figure 13. Variation with time of speed and supplied electric active power for a complete cycle: acceleration, constant speed running and deceleration.
Sustainability 02 01389 g013
Concerning train electric braking, further research is needed on the transportation system internal exergy consumptions. Actual techniques allow driving systems to be implemented on the basis of variable voltage and frequency static converters and induction motors, which facilitate improved electric braking, even with energy recovery. In that operating regime, the vehicle provides energy to the d.c. network through an inverter. The recovered energy is used by other underground trains, increasing exergy efficiency.
Another result related to exergy efficiency improvement relates to the railway transportation system traffic intensity and may seem paradoxical. At present, the energy recovered from electric braking can be provided only to running trains in the transportation system. As the number of running trains in the system increases, the exergy efficiency is high if the recovered electric energy is properly used. But with few running trains, if the third rail voltage exceeds 900 V, the rheostatic brake regime is automatically controlled and the recovered electric energy is transformed by the Joule Effect to heat. This is an unfavorable situation, with adequate energy efficiency, but a low exergy efficiency.
Electric braking with energy recovery should be compulsory in the long run in electric transportation systems to improve their sustainability, and the elasticity of reversible traction sub-station equipment should be taken into account.
The results are expected to help make electrical transportation systems more sustainable.

6. Conclusions

Energy systems involving conversion chain processes often are highly irreversible and have low exergy efficiencies. Within an Industrial Ecology framework there is great potential for improving the performance of such technical systems and increasing their sustainability. For instance, power converters and efficient anti-skid systems can ensure optimum traction with minimum electricity use, while energy can be recovered effectively via electric braking for use in other underground trains, increasing exergy efficiency. Further research is needed on the transportation system internal exergy efficiencies and consumptions related to train electric braking. Care must be exercised when implementing exergy efficiency improvements due to potential negative effects related to railway transportation system traffic intensity, which can lead to an adequate energy efficiency but a low exergy efficiency. Electric braking with energy recovery should be compulsory in the long run in electric transportation systems to improve their sustainability, and the elasticity of reversible traction sub-station equipment should be taken into account. If applied, the results of this investigation can help make electrical transportation systems more sustainable.

Notation

fs (fN)
stator frequency (rated stator frequency) [Hz]
f2wR, f2wS, f2wT
commutation functions with two levels
i
transmission ratio of gear reducer
id2
input current of VVVF inverter [A]
iR, iS, iT
output currents of VVVF inverter [A]
m
railway vehicle mass [t]
n
rotor speed [rpm]
p
poles pair number of induction motor
r
specific train resistance [daN/t]
rps, idc , rc
specific main resistance, specific resistance caused by declivities and specific resistance caused by curves [daN/t]
ud
input voltage of VVVF inverter [V]
uNn
zero-sequence voltage [V]
us, is, ir
space-phasors of stator voltages, stator currents and rotor currents (reduced to stator)
uRn, uSn, uTn
output voltages of VVVF inverter [V]
z
traction motors number
2Q
two quadrants converter
Dr
wheel diameter [m]
F
total traction force [N]
F0
active motor force at rim [kN]
FF
braking force at rim [kN]
Gad = mad ·g
adherent weight of railway vehicle [N]
IT2N
two levels VVVF inverter
LFCF
input filter (network filter)
Ls, Lr’, Lu
stator, rotor and useful (magnetizing) cyclical inductances [H]
M (Mk, MN)
electromagnetic torque (maximum electromagnetic torque, rated electromagnetic torque) [Nm]
M2
useful torque of traction induction motor [Nm]
MAT
traction asynchronous motor
MW
motor wagon
P0
active power at rim [kW]
R
total resistance to train running [N]
Rs
phase stator winding resistance [Ω]
Rr
rotor resistance reduced to stator [Ω]
Ul, Il
supply line voltage and RMS current of induction motor [V], [A]
Us (UN)
RMS phase stator voltage (RMS rated stator voltage) [V]
VVVF
Variable voltage variable frequency
ξ = 1+g
inertia constant of railway vehicle
φ
adherence coefficient
ηt
transmission efficiency of gear reducer
ωm = 2πpn/60
mechanical angular frequency [elect.rad/s]
ωr = ωs−ωm
rotor angular frequency [elect.rad/s]
ωs = 2π fsN)
stator angular frequency (rated stator angular frequency) [elect.rad/s]
σ
leakage coefficient of induction machine (Blondel coefficient)
Ωm
mechanical angular speed of traction motor rotor [rad/s]
ΨssN)
stator total flux (rated stator total flux) [Wb.turn]
Ψs, Ψr
space-phasors of stator fluxes and rotor fluxes (reduced to stator)

Acknowledgements

Financial support was provided by the Natural Sciences and Engineering Research Council of Canada.

References and Notes

  1. Rosen, M.A. A Concise Review of Energy-Based Economic Methods. In Proceedings of the 3rd IASME/WSEAS International Conference on Energy & Environment, Cambridge, UK, 23–25 February 2008; pp. 136–142.
  2. Allenby, B.R. Industrial Ecology: Policy Framework and Implementation; Prentice-Hall: Old Tappan, NJ, USA, 1999. [Google Scholar]
  3. Dincer, I.; Rosen, M.A. Exergy: Energy, Environment and Sustainable Development; Elsevier: Oxford, UK, 2007. [Google Scholar]
  4. Rosen, M.A.; Bulucea, C.A. Assessing Electrical Systems via Exergy: A Dualist View Incorporating Technical and Environmental Dimensions. In Proceedings of the 6th WSEAS International Conference on Engineering Education (EE’09), Rhodes, Greece, 22–24 July 2009; pp. 116–123.
  5. Nicola, D.A.; Rosen, M.A.; Bulucea, C.A.; Brandusa, C. Sustainable Energy Conversion in Electrically Driven Transportation Systems. In Proceedings of the 6th WSEAS International Conference on Engineering Education (EE’09), Rhodes, Greece, 22–24 July 2009; pp. 124–132.
  6. Koroneos, C.J.; Nanaki, E.A. Energy and Exergy Utilization Assessment of the Greek Transport Sector. Resour. Conser. Recyc. 2008, 52, 700–706. [Google Scholar] [CrossRef]
  7. Gasparatos, A.; El-Haram, M.; Horner, M. A Longitudinal Analysis of the UK Transport Sector, 1970–2010. Energ. Policy 2009, 37, 623–632. [Google Scholar] [CrossRef]
  8. Federici, M.; Ulgiati, S.; Basosi, R. A Thermodynamic, Environmental and Material Flow Analysis of the Italian Highway and Railway Transport Systems. Energy 2008, 33, 760–775. [Google Scholar] [CrossRef]
  9. Dispenza, C.; Dispenza, G.; La Rocca, V.; Panno, G. Exergy Recovery during LNG Regasification: Electric Energy Production—Part One. Appl. Therm. Eng. 2009, 29, 380–387. [Google Scholar] [CrossRef]
  10. Potter, S. Exploring Approaches towards a Sustainable Transport System. Int. J. Sustain. Transp. 2007, 1, 115–131. [Google Scholar] [CrossRef]
  11. Litman, T.; Burwell, D. Issues in Sustainable Transportation. Int. J. Glob. Environ. Issues 2006, 6, 331–347. [Google Scholar] [CrossRef]
  12. Hull, A. Policy Integration: What Will It Take to Achieve More Sustainable Transport Solutions in Cities. Transport Policy 2008, 15, 94–103. [Google Scholar] [CrossRef]
  13. Siu, L.K. Innovative Lightweight Transit Technologies for Sustainable Transportation. J. Transp. Systems Eng. Inform. Technol. 2007, 7, 63–70. [Google Scholar] [CrossRef]
  14. MacHaris, C.; Van Mierlo, J.; Van Den Bossche, P. Combining Intermodal Transport with Electric Vehicles: Towards More Sustainable Solutions. Transp. Plan. Technol. 2007, 30, 311–323. [Google Scholar] [CrossRef]
  15. Graedel, T.E.; Allenby, B.R. Industrial Ecology; Pearson Education: Upper Saddle River, NJ, USA, 2003. [Google Scholar]
  16. Givoni, M.; Brand, C.; Watkiss, P. Are Railways “Climate Friendly”? Built Environ. 2009, 35, 70–86. [Google Scholar] [CrossRef]
  17. Nicola, D.A.; Cismaru, D.C. Tractiune Electrica: Fenomene, Modele, Solutii (Electric Traction: Phenomena, Models, Solutions); SITECH Publishing House: Craiova, Romania, 2006. [Google Scholar]
  18. Kaller, R.; Allenbach, J.M. Traction Electrique (Electrical Traction); PPUR: Lausanne, Switzerland, 1995; Volumes 1, 2. [Google Scholar]
  19. Ayres, R.U. Industrial Metabolism. In Technology and Environment; Ausubel, J.H., Sladovich, H.E., Eds.; National Academy Press: Washington, DC, USA, 1989; pp. 23–49. [Google Scholar]
  20. Holling, C.S.; Schindler, D.W.; Walker, B.W.; Roughgarden, J. Biodiversity in the Functioning of Ecosystems. In Biodiversity Loss; Perrings, C., Maler, K.G., Folke, C., Holling, C.S., Jansson, B.O., Eds.; Cambridge University Press: Cambridge, UK, 1995; pp. 44–83. [Google Scholar]
  21. Bulucea, C.A.; Nicola, D.A.; Brandusa, A.; Brandusa, C. Drive Systems in Underground Metro Saving Energy. In Proceedings of the 3rd IASME/WSEAS International Conference on Energy & Environment, Cambridge, UK, 23–25 February 2008; pp. 433–439.
  22. Nicola, D.A.; Bulucea, C.A.; Cismaru, D.C.; Brandusa, C. Energy Saving in Electric Trains with Traction Induction Motors. In Proceedings of the 4th IASME/WSEAS International Conference on Energy & Environment, Cambridge, UK, 24–26 February 2009; pp. 226–232.
  23. Brandusa, C. Driving Systems with Static Converters and Induction Motors in Electric Urban Traction. Ph.D. Thesis (in Romanian), University of Petrosani, Petrosani, Romania, 2007. [Google Scholar]

Share and Cite

MDPI and ACS Style

Nicola, D.A.; Rosen, M.A.; Bulucea, C.A.; Brandusa, C. Some Sustainability Aspects of Energy Conversion in Urban Electric Trains. Sustainability 2010, 2, 1389-1407. https://doi.org/10.3390/su2051389

AMA Style

Nicola DA, Rosen MA, Bulucea CA, Brandusa C. Some Sustainability Aspects of Energy Conversion in Urban Electric Trains. Sustainability. 2010; 2(5):1389-1407. https://doi.org/10.3390/su2051389

Chicago/Turabian Style

Nicola, Doru A., Marc A. Rosen, Cornelia A. Bulucea, and Constantin Brandusa. 2010. "Some Sustainability Aspects of Energy Conversion in Urban Electric Trains" Sustainability 2, no. 5: 1389-1407. https://doi.org/10.3390/su2051389

APA Style

Nicola, D. A., Rosen, M. A., Bulucea, C. A., & Brandusa, C. (2010). Some Sustainability Aspects of Energy Conversion in Urban Electric Trains. Sustainability, 2(5), 1389-1407. https://doi.org/10.3390/su2051389

Article Metrics

Back to TopTop