Clean Water Production from Urban Sewage by Algae-Based Treatment Techniques, a Reflection of Case Studies
Abstract
1. Introduction
- ✓
- Environmental impact: Unlike conventional methods, algae absorb nutrients and pollutants without chemical additives, reducing ecological harm.
- ✓
- Resource efficiency: Algae grow using sewage-derived nutrients, recycling wastewater components and minimizing external inputs.
- ✓
- Energy savings: Photosynthesis-driven treatment reduces energy demands compared to traditional systems.
- ✓
- Biodiversity conservation: Algae ponds create habitats for aquatic organisms, enhancing ecosystem health.
- ✓
2. Materials and Methods
2.1. Algae-Based Wastewater Treatment Techniques for Zahedan
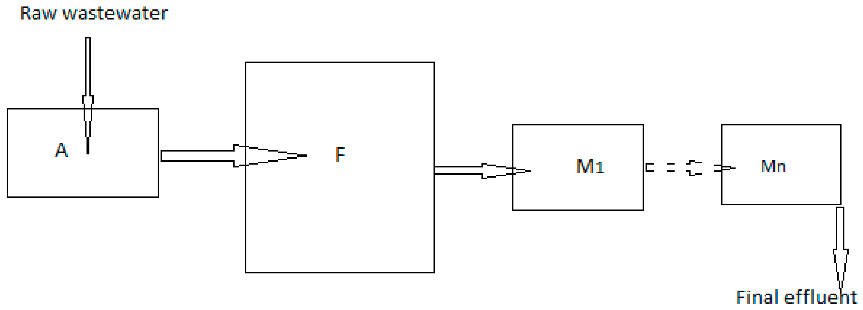
- Primary facultative ponds receive raw wastewater.
- Secondary ponds treat effluent from anaerobic pretreatment.
- -
- Effective removal of coliform bacteria, heavy metals, and organic pollutants (measured as BOD/COD).
- -
- -
- As shown in Figure 1, our proposed waste stabilization pond (WSP) system integrates
- -
- A: Anaerobic pond;
- -
- F: Facultative pond;
- -
- M1–Mn: Maturation ponds.

- ✓
- Climate compatibility: High solar irradiance (annual average: 20 °C, max 42 °C) supports year-round algal growth.
- ✓
- Resource constraints: Low operational costs compared to mechanized systems [23].
2.2. Study Area: Zahedan City
- Field analysis: Quantitative and qualitative characterization of wastewater sources, pathways, and discharge points.
- Material composition analysis: Identification of wastewater constituents.
- Technology selection: Evaluation of algae-based treatment options.
- Cost–benefit analysis: Comparative assessment of treatment alternatives.
2.3. Wastewater Sources and Conveyance Systems
- Industrial/Commercial Wastewater:
- ○
- Originates from the Galambor Street desalination plant (pink zone).
- ○
- Merges with effluent from the Mostafa Khomeini/Razmjoo Street plant (light red zone).
- ○
- Receives additional flows from car washes, workshops, and commercial centers.
- ○
- Characterized by elevated salinity (TDS: 1200–1800 mg/L) but lower organic loading compared to domestic sewage.
- Domestic Wastewater:
- ○
- Generated by residential buildings, hotels, and guesthouses.
- ○
- Contains household waste, plastics, and personal care products.
- ○
- Flows through natural watershed channels repurposed as sewage conduits.
- Origin: Shahid Qalanbar Street water plant (pink zone).
- Route: Military area discharge at Azadi Square → Razmjoo district (light red) → Kamposia village (north).
- Origin: Mehr Street (light red zone).
- Features: Historic riverbed with illegal construction.
- Pathway: Imam Khomeini/Molavi intersection → Saadi/Azadi streets (dark red) → Kamposia confluence.
- Origin: Kosar Square neighborhoods (dark red).
- Characteristics: Open channel wider than Taftan/Makran streets.
- Termination: Lar River (northern outskirts).
- Origin: Tabatabai Street (dark red).
- Historic seasonal watershed along Resalat Street.
- Joins Sistan Canal before terminating in Lar River.
2.4. Wastewater Composition Analysis
- Organic matter: Fecal sludge, food waste, personal care products.
- Particulates: Plastics, paper, vegetable matter (TSS: 150–400 mg/L).
- Pathogens: Enteric bacteria, viruses (including SARS-CoV-2 RNA).
- Chemical contaminants:
- ○
- Nitrogen compounds (NH4+: 25–40 mg/L).
- ○
- Phosphates (PO43−: 10–15 mg/L).
2.5. Sustainable Treatment Solutions
- Prohibitive costs of centralized infrastructure (USD 120–180 per capita).
- Limited public/private investment capacity.
- Advantages of modular systems:
2.5.1. Wastewater Stabilization Ponds
- Advantages:
- ○
- 99.9% pathogen removal efficiency.
- ○
- Biomass production (0.5–1.2 kg/m³/day).
- Operational parameters:
2.5.2. Constructed Wetlands
- Mechanism:
- Design:
- ○
- Surface flow configuration.
- ○
- Hydraulic loading: 50–100 mm/day.
2.5.3. Facultative Ponds
- Design equation:
- Key features:
3. Results
- Gravity-driven hydraulic cycles reduce energy demands.
- High treatment efficiency, with up to 90% waste separation, yielding clean water from wastewater.
- Microalgae proliferation (observed as dark-green biomass in all three systems) enhances nutrient removal.
- -
- The sewage exhibited high chlorophyll concentrations, confirming the presence of photoautotrophic algae.
- -
- In facultative and maturation ponds, oxygen produced by algae serves as a substrate for heterotrophic bacteria.
- -
- The BOD (biochemical oxygen demand) of facultative pond effluent was derived from Equation (3):where is the BOD of wastewater per mg/L and is the first-order rate for BOD deletion. The term is the unfiltered BOD of the algae in the facultative pond effluent. Algal biomass concentrations in facultative ponds are subjective to solar radiations, the BOD loading (), the un-ionized ammonia absorption, and the un-ionized application.
4. Discussions
- -
- BOD (biochemical oxygen demand);
- -
- COD (chemical oxygen demand);
- -
- TSS (total suspended solids);
- -
- TKN (total Kjeldahl nitrogen);
- -
- TP (total phosphorus);
- -
- FCB (fecal coliform bacteria).
5. Conclusions
- -
- BOD decreased from 200–600 mg/L to 10–30 mg/L;
- -
- COD declined from 300–800 mg/L to 30–150 mg/L;
- -
- TSS dropped from 150–400 mg/L to 20–60 mg/L;
- -
- TKN was reduced from 30–100 mg/L to 5–30 mg/L;
- -
- TP levels fell from 5–25 mg/100 mL to below 200 mg/100 mL in the effluent.
Funding
Institutional Review Board Statement
Informed Consent Statement
Data Availability Statement
Conflicts of Interest
References
- Gholami-Shabani, M.; Nematpour, K. Reuse of Wastewater as Non-Conventional Water: A Way to Reduce Water Scarcity Crisis. 2024. Available online: https://www.intechopen.com/chapters/1175702 (accessed on 20 March 2025). [CrossRef]
- Silva, J.A. Water Supply and Wastewater Treatment and Reuse in Future Cities: A Systematic Literature Review. Water 2023, 15, 3064. [Google Scholar] [CrossRef]
- Shahraki, A.A. Sustainable development in hydro-drought regions by improving hydro-indicators. In Resilient and Sustainable Cities; Elsevier: Amsterdam, The Netherlands, 2023; pp. 625–647. [Google Scholar]
- Owusu-Agyeman, I.; Plaza, E.; Elginöz, N.; Atasoy, M.; Khatami, K.; Perez-Zabaleta, M.; Cetecioglu, Z. Conceptual system for sustainable and next-generation wastewater resource recovery facilities. Sci. Total Environ. 2023, 885, 163758. [Google Scholar] [PubMed]
- Matebese, F.; Mosai, A.K.; Tutu, H.; Tshentu, Z.R. Mining wastewater treatment technologies and re-source recovery techniques: A review. Heliyon 2024, 10, e24730. [Google Scholar] [CrossRef] [PubMed]
- Abd-Elaty, I.; Kuriqi, A.; Shahawy, A.E. Environmental rethinking of wastewater drains to manage environmental pollution and alleviate water scarcity. Nat. Hazards 2022, 110, 2353–2380. [Google Scholar]
- Iyer, M.; Doshi, S.; Mishra, G.; Kumar, S. Smart Planning and Management of Urban Water Systems: The Case of Bhuj, India. In Smart Master Planning for Cities: Case Studies on Domain Innovations; Springer Nature Singapore: Singapore, 2022; pp. 133–176. [Google Scholar]
- Sha, C.; Shen, S.; Zhang, J.; Zhou, C.; Lu, X.; Zhang, H. A review of strategies and technologies for sustainable decentralized wastewater treatment. Water 2024, 16, 3003. [Google Scholar] [CrossRef]
- Rahman, K.Z.; Al Saadi, S.; Al Rawahi, M.; van Afferden, M.; Bernhard, K.; Friesen, J.; Müller, R.A. Small Decentralized Technologies for High-Strength Wastewater Treatment and Reuse in Arid and Semi-Arid Regions. Environments 2024, 11, 142. [Google Scholar] [CrossRef]
- Yang, H.; Hu, Z.; Wu, S.; Yan, J.; Cen, K.; Bo, Z.; Xiong, G. Directional-Thermal-Conductive Phase Change Composites Enabling Efficient and Durable Water-Electricity Co-Generation Beyond Daytime. Adv. Energy Mater. 2024, 14, 2402926. [Google Scholar]
- Bo, Z.; Huang, Z.; Xu, C.; Chen, Y.; Wu, E.; Yan, J.; Cen, K.; Yang, H.; Ostrikov, K.K. Anion-kinetics-selective graphene anode and cation-energy-selective MXene cathode for high-performance capacitive deionization. Energy Storage Mater. 2022, 50, 395–406. [Google Scholar]
- Rai, M.S.K. Principles and Practices in Water and Wastewater Engineering; Academic Guru Publishing House: Bhopal, India, 2024. [Google Scholar]
- Tella, T.A.; Festus, B.; Olaoluwa, T.D.; Oladapo, A.S. Water and wastewater treatment in developed and developing countries: Present experience and future plans. In Smart Nanomaterials for Environmental Applications; Elsevier: Amsterdam, The Netherlands, 2025; pp. 351–385. [Google Scholar]
- Rusiñol, M.; Martínez-Puchol, S.; Forés, E.; Itarte, M.; Girones, R.; Bofill-Mas, S. Concentration methods for the quantification of coronavirus and other potentially pandemic enveloped virus from wastewater. Curr. Opin. Environ. Sci. Health 2020, 17, 21–28. [Google Scholar] [CrossRef]
- Le, L.T.; Nguyen, P.T.; Nguyen, H.V.; Nguyen, T.T.; Nguyen, P.D.; Pan, S.Y.; Bui, X.T. Biological nutrient removal in wastewater treatment. In Low-Cost Water and Wastewater Treatment Systems: Conventional and Recent Advances; Elsevier: Amsterdam, The Netherlands, 2025; pp. 3–20. [Google Scholar]
- Wang, L.K.; Nagghappan, L.N.S.P.; Wang, M.-H.S.; Krofta, M. Treating Tannery Waste Using Stack Flue Gas Recycle, Sulfide Precipitation, Chromium Removal, Ferrous Sulfide Recycle, Ferrous Ion Recycle, Filtration, Flotation, Membrane, and Bioreactor. In Control of Heavy Metals in the Environment; CRC Press: Boca Raton, FL, USA, 2025; pp. 171–240. [Google Scholar]
- Mathew, M.M.; Khatana, K.; Vats, V.; Dhanker, R.; Kumar, R.; Dahms, H.-U.; Hwang, J.-S. Biological Approaches Integrating Algae and Bacteria for the Degradation of Wastewater Contaminants—A Review. Front. Microbiol. 2022, 12, 801051. [Google Scholar] [CrossRef]
- Samoraj, M.; Çalış, D.; Trzaska, K.; Mironiuk, M.; Chojnacka, K. Advancements in algal biorefineries for sustainable agriculture: Biofuels, high-value products, and environmental solutions. Biocatal. Agric. Biotechnol. 2024, 58, 103224. [Google Scholar] [CrossRef]
- Catone, C.; Ripa, M.; Geremia, E.; Ulgiati, S. Bio-products from algae-based biorefinery on wastewater: A review. J. Environ. Manag. 2021, 293, 112792. [Google Scholar] [CrossRef]
- Sátiro, J.; Neto, A.d.S.; Tavares, J.; Marinho, I.; Magnus, B.; Kato, M.; Albuquerque, A.; Florencio, L. Impact of inoculum on domestic wastewater treatment in high-rate ponds in pilot-scale: Assessment of organic matter and nutrients removal, biomass growth, and content. Algal Res. 2025, 86, 103923. [Google Scholar] [CrossRef]
- Panda, S.; Mishra, S.; Akcil, A.; Kucuker, M.A. Microalgal potential for nutrient-energy-wastewater nexus: Innovations, current trends and future directions. Energy Environ. 2021, 32, 604–634. [Google Scholar] [CrossRef]
- Ho, L.; Goethals, P.L. Municipal wastewater treatment with pond technology: Historical review and future outlook. Ecol. Eng. 2020, 148, 105791. [Google Scholar] [CrossRef]
- Iran map. png. Available online: https://en.wikivoyage.org/wiki/File:Iran_map.png (accessed on 20 March 2025).
- Masoumeh, Z.; Bozorg-Haddad, O.; Singh, V.P. Rights and international laws of transboundary water resources. In Economic, Political, and Social Issues in Water Resources; Elsevier: Amsterdam, The Netherlands, 2021; pp. 103–129. [Google Scholar]
- Castellar, J.A.; Torrens, A.; Buttiglieri, G.; Monclús, H.; Arias, C.A.; Carvalho, P.N.; Galvao, A.; Comas, J. Nature-based solutions coupled with advanced technologies: An opportunity for decentralized water reuse in cities. J. Clean. Prod. 2022, 340, 130660. [Google Scholar] [CrossRef]
- Al Kholif, M.; Arif, M.N.; Sutrisno, J.; Zhang, J.W.; Majid, D. Eco-Friendly Solutions for Urban Wastewater: Evaluating Constructed Wetlands and Filtration Methods. Adv. Environ. Technol. 2025. [CrossRef]
- Lema, M.W. Wastewater crisis in East African cities: Challenges and emerging opportunities. Discov. Environ. 2025, 3, 18. [Google Scholar] [CrossRef]
- Valibeigi, M.; Sharjerdi, R.; Bazoubandi, R. Systemic Equity in Wastewater Management: Preparedness Roadmaps for Health Justice. Civ. Eng. Infrastruct. J. 2025. [CrossRef]
- Janković, M.; Bartula, M.; Šekler, I.; Kosanović, N.; Milunović, I. Multi-criteria evaluation: A tool for selecting sustainable wastewater management options in rural areas. Environ. Eng. Manag. J. 2024, 23, 2267. [Google Scholar]
- Begede, M.K. Performance Evaluation of Waste Stabilization Ponds and Design of an Upgrade, a Case Study of Murebuka Farm, Seke, Zimbabwe. Ph.D. Dissertation, University of Zimbabwe, Harare, Zimbabwe, 2023. Available online: https://www.academia.edu/108018626/PERFORMANCE_EVALUATION_OF_WASTE_STABILIZATION_PONDS_AND_DESIGN_OF_AN_UPGRADE_A_CASE_STUDY_OF_MUREBUKA_FARM_SEKE_ZIMBABWE (accessed on 5 February 2025).
- Mwamlima, P.; Njau, K.N.; Rwiza, M.J. Efficacy of waste stabilization ponds and constructed wetlands adopted for treating faecal sludge in Africa: A review. Int. J. Environ. Health Res. 2025, 35, 410–423. [Google Scholar]
- Xu, S.; Li, Z.; Yu, S.; Chen, Z.; Xu, J.; Qiu, S.; Ge, S. Microalgal–Bacteria Biofilm in Wastewater Treatment: Advantages, Principles, and Establishment. Water 2024, 16, 2561. [Google Scholar] [CrossRef]
- Wu, B.; Ran, T.; Liu, S.; Li, Q.; Cui, X.; Zhou, Y. Biofilm bioactivity affects nitrogen metabolism in a push-flow microalgae-bacteria biofilm reactor during aeration-free greywater treatment. Water Res. 2023, 244, 120461. [Google Scholar] [CrossRef] [PubMed]
- Rajta, A.; Bhatia, R.; Setia, H.; Pathania, P. Role of heterotrophic aerobic denitrifying bacteria in nitrate removal from wastewater. J. Appl. Microbiol. 2020, 128, 1261–1278. [Google Scholar] [CrossRef]
- Coban, O.; Kuschk, P.; Kappelmeyer, U.; Spott, O.; Martienssen, M.; Jetten, M.S.; Knoeller, K. Nitrogen trans-forming community in a horizontal subsurface-flow constructed wetland. Water Res. 2015, 74, 203–212. [Google Scholar]
- Ramachandra, T.V.; Mahapatra, D.M.; Bhat, S.P.; Joshi, N.V. Biofuel production along with remediation of sewage water through algae. Algae Environ. Sustain. 2015, 33–51. [Google Scholar] [CrossRef]
- Nair, C.S.; Manoharan, R.; Nishanth, D.; Subramanian, R.; Neumann, E.; Jaleel, A. Recent advancements in aquaponics with special emphasis on its sustainability. J. World Aquac. Soc. 2025, 56, e13116. [Google Scholar] [CrossRef]
- Sheraz, N.; Shah, A.; Haleem, A.; Iftikhar, F.J. Comprehensive assessment of carbon-, biomaterial-and inorganic-based adsorbents for the removal of the most hazardous heavy metal ions from wastewater. RSC Adv. 2024, 14, 11284–11310. [Google Scholar]
- Käppalaförbundet. 2021. Available online: www.kappala.se (accessed on 25 March 2025).
- de Campos, S.X.; Soto, M. The use of constructed wetlands to treat effluents for water reuse. Environments 2024, 11, 35. [Google Scholar] [CrossRef]
- Ali, H.Q.; Üçüncü, O. Modeling and Optimizing Wastewater Stabilization Ponds for Domestic Wastewater Treatment. Civ. Eng. J. 2023, 9, 2834–2846. [Google Scholar] [CrossRef]
- Gratziou, M.; Tsalkatidou, M. Economic evaluation of small capacity domestic wastewater processing units in provincial or rural areas. WIT Trans. Ecol. Environ. 2025, 84. [Google Scholar] [CrossRef]



| Wastewater Treatment Technique | Käppala Plant in Stockholm | Waste Stabilization Pond in Zahedan | Constructed Wetland in Zahedan | Facultative Pond in Zahedan |
|---|---|---|---|---|
| Initial Investment | 30,000 | 600 | 750 | 800 |
| Construction cost | 10,000 | 400 | 550 | 700 |
| Operating and maintenance costs in 1 year | 7000 | 50 | 80 | 120 |
| Total costs | 47,000 | 1050 | 1380 | 1620 |
| Irrigation income in 1 year | 3000 | 200 | 250 | 300 |
| Income from fish farming in 1 year | 42,000 | 100 | 125 | 140 |
| Revenue from fertilizer sales in 1 year | 45,000 | 150 | 150 | 190 |
| Total revenue in 1 year | 90,000 | 450 | 525 | 630 |
| Estimated profit in 1 year | 43,000 | 60 | 755 | 990 |
| Land area/hectare | 30 | 46 | 50 | 30 |
| Name of Technique | Käppala Plant in Stockholm | Waste Stabilization Pond in Zahedan | Constructed Wetland in Zahedan | Facultative Pond in Zahedan |
|---|---|---|---|---|
| Required urban land area/hectare | 30 | 46 | 50 | 30 |
| Name of Technique | Waste Stabilization Pond | Constructed Wetland | Facultative Pond | |||
|---|---|---|---|---|---|---|
| Influent | Effluent | Influent | Effluent | Influent | Effluent | |
| BOD/mg | 200–600 | 10–30 | 200–600 | 10–40 | 200–600 | 10–30 |
| COD/mg | 300–800 | 30–150 | 300–800 | 20–200 | 300–800 | 30–150 |
| TSS/mg | 150–400 | 20–60 | 150–400 | 5–30 | 150–400 | 20–60 |
| TKN/mg | 30–100 | 5–30 | 30–100 | 5–25 | 30–100 | 5–30 |
| TP/mg | 5–25 | 1–5 | 5–30 | 1–15 | 5–25 | 1–15 |
| FCB/100 mL | to | to | to | |||
Disclaimer/Publisher’s Note: The statements, opinions and data contained in all publications are solely those of the individual author(s) and contributor(s) and not of MDPI and/or the editor(s). MDPI and/or the editor(s) disclaim responsibility for any injury to people or property resulting from any ideas, methods, instructions or products referred to in the content. |
© 2025 by the author. Licensee MDPI, Basel, Switzerland. This article is an open access article distributed under the terms and conditions of the Creative Commons Attribution (CC BY) license (https://creativecommons.org/licenses/by/4.0/).
Share and Cite
Shahraki, A.A. Clean Water Production from Urban Sewage by Algae-Based Treatment Techniques, a Reflection of Case Studies. Sustainability 2025, 17, 3107. https://doi.org/10.3390/su17073107
Shahraki AA. Clean Water Production from Urban Sewage by Algae-Based Treatment Techniques, a Reflection of Case Studies. Sustainability. 2025; 17(7):3107. https://doi.org/10.3390/su17073107
Chicago/Turabian StyleShahraki, Abdol Aziz. 2025. "Clean Water Production from Urban Sewage by Algae-Based Treatment Techniques, a Reflection of Case Studies" Sustainability 17, no. 7: 3107. https://doi.org/10.3390/su17073107
APA StyleShahraki, A. A. (2025). Clean Water Production from Urban Sewage by Algae-Based Treatment Techniques, a Reflection of Case Studies. Sustainability, 17(7), 3107. https://doi.org/10.3390/su17073107

