Previous Article in Journal
How Do Entrepreneurship and AI-Driven Technologies Enhance Organizational Resilience? Evidence from Chinese Enterprises
Previous Article in Special Issue
Towards Sustainable Air Quality in Coal-Heated Cities: A Case Study from Astana, Kazakhstan
 
 
Font Type:
Arial Georgia Verdana
Font Size:
Aa Aa Aa
Line Spacing:
Column Width:
Background:
Article

Experimental and Simulation-Based Study of Acid Gas Removal in Packed Columns with Different Packing Materials

TÜBİTAK Marmara Research Center, 41470 Gebze, Kocaeli, Türkiye
Sustainability 2025, 17(23), 10495; https://doi.org/10.3390/su172310495 (registering DOI)
Submission received: 29 September 2025 / Revised: 11 November 2025 / Accepted: 20 November 2025 / Published: 23 November 2025
(This article belongs to the Special Issue Air Pollution and Sustainability)

Abstract

In this study, both experimental and simulation approaches were employed to investigate the removal efficiency of gaseous pollutants using two different types of packing materials—random and structured packings—under varying gas flow rates and column diameters. A synthetic gas mixture containing 2200 ppm H2S and 26.75% CO2 was used to evaluate the performance of the system. Simulation studies were conducted using Aspen PlusTM V9, and the results were validated with experimental data. H2S removal efficiencies were found to range between 79% and 98%, while CO2 removal ranged from 6% to 20%. Comparative analyses revealed that an increase in gas flow rate and column diameter led to a decrease in pollutant removal efficiency for both types of packings. A previously unobserved packing-dependent scaling effect was revealed: increasing column diameter decreases removal efficiency for random packings but enhances it (up to a threshold) for structured packings, offering new scale-up guidelines. Most notably, a previously unobserved trend was identified: increasing column diameter exerts opposing effects on removal efficiency depending on packing type—a packing-dependent scaling behavior with significant implications for industrial column design. The findings provide valuable insights into the design and optimization of industrial-scale gas treatment systems, demonstrating that simulation data can effectively support the selection of appropriate column dimensions, gas flow rates, and packing types for varying pollutant concentrations. A mechanistic analysis revealed that the superior H2S removal over CO2 arises from its higher solubility, instantaneous reaction with OH, and greater enhancement factor, with structured packings mitigating maldistribution effects at larger column diameters—offering new scale-up insights supported by the literature.

1. Introduction

The main impurities in synthetic raw gas produced by coal gasification are particulates and gaseous pollutants. Elimination of these contaminants is a fundamental step in coal and biomass gasification processes due to their adverse effects on both materials and the environment. Among them, hydrogen sulfide (H2S) is the major source of corrosion observed in pipelines, which eventually shortens the lifetime of the plant. Humans can detect hydrogen sulfide at very low concentrations as low as 0.4 ppb, which poses serious health risks. A strong and distinctive odor is detected when H2S concentration is around a 30 ppmv level, and higher concentrations lead to serious effects on the nervous and respiratory systems. Therefore, the implementation of an effective gas clean-up technology has a significant role in the case of the utilization of gasification products, either as a fuel for gas turbines, gas engines, or fuel cells, or as a syngas for Fischer–Tropsch fuel, methanol production, and environmental health [1,2,3,4,5,6,7].
The removal of particle and gaseous pollutants in cold gas clean-up systems is accomplished by scrubbers, which are the control devices designed to make good contact between the liquid and dirty gas stream for effective pollutant capture. Packed scrubbing systems are widely used for the purification of gaseous products due to having packing material in the column with a large surface area, which leads to an increase in the mass transfer. Flue gas condensation scrubbers (CSs) have recently demonstrated high potential for the synergistic removal of multiple pollutants—including fine particulate matter (FPM), SO2, SO3, and condensable particulate matter (CPM)—in coal-fired boiler systems, while simultaneously recovering latent heat from flue gases [8]. Environmental innovations often emerge at the intersection of technological capabilities and regulatory pressures. As demonstrated by article [9], the development of marine scrubber systems (MSSs) exemplifies how stringent environmental policies—particularly IMO sulfur emission regulations—serve as key drivers in transforming existing technological potentials into viable sectoral and technological innovation systems. In addition to these, the choice of the solution has a significant impact on the determination of the dissolution or chemical reaction rate of pollutants in the liquid. On the other hand, physical scrubbing is based on deactivation of the basic nature by acidic solutions and vice versa. Existing technology for the removal of acid gases in commercial integrated gasification combined cycle (IGCC) facilities depends on not only the chemical solvent acid gas removal processes using aqueous methyldiethanolamine (MDEA) but also the physical solvent-based Selexol process using mixtures of dimethyl ethers and polyethylene glycol [10,11,12,13,14,15,16,17]. Article [18] developed a novel co-removal system for CO2 and particulate matter (PM) from industrial flue gas by connecting an ammonia scrubber (AS) and a granular bed filter (GBF) in series. Their experimental results demonstrated that this integrated system achieved higher removal efficiencies for both CO2 and PM compared to individual AS and GBF units, highlighting the potential of this approach for improving air pollution control in industrial applications. The purification of coke oven gas (COG) through the integrated H2S/NH3 scrubber system has gained significant attention due to its efficiency in removing sulfur and ammonia compounds. Recent studies, such as those by [19], have demonstrated the effectiveness of using multiple scrubbing liquids and regeneration processes in improving scrubbing efficiency, highlighting key factors like flow rates and liquid compositions that influence the removal of H2S and NH3 in industrial applications.
The most widely used scrubbing solutions for sulfidic odor applications are sodium hydroxide, sodium hypochlorite, and hydrogen peroxide. On the other hand, the elimination of ammonia is easier since pure water can remove it effectively. Despite the fact that sodium hydroxide solution is a very efficient absorbent for capturing CO2 and H2S, its non-regenerable nature limits the use of it to the removal of trace amounts of these impurities. Various concepts have been employed for the elimination of the spent caustic, including simple neutralization or using it in pulp mills after certain quality control analysis [1,2,15,17,18,19,20,21,22,23,24].
The primary design parameters of the packed columns are categorized into the hydrodynamic flow characteristics and packing surface area based on the packing material geometry, retention time, liquid to gas ratio, pH, and reactivity of the solution. The scrubber system has to be designed according to these parameters in order to avoid high investment and operation costs [12,25]. Recent studies have highlighted the potential of water scrubbers in biogas purification without the need for external pressure. Notably, article [26] demonstrated that incorporating sponge carriers with high water retention can significantly enhance methane concentration by increasing hydraulic retention time (HRT), while maintaining an optimal liquid-to-gas flow ratio (QL/QG) is critical for maximizing purification efficiency. Article [27] developed a general model to predict the separation efficiency of random packings in gas–liquid systems using only physical properties, operating conditions, and basic geometric characteristics of the packing. The model showed good agreement with experimental data across a wide range of packing types and conditions without requiring packing-specific mass transfer constants. Recent work by [28] proposed an integrated simulation-optimization framework using Aspen HYSYS and LINGO to optimize acid gas removal processes. Their study demonstrated significant improvements in profitability and provided valuable insights into the trade-offs between CO2 removal efficiency and operating costs.
Rotating packed beds (RPBs) have attracted significant attention for CO2 removal via chemical absorption due to their intensified mass transfer and compact structure, making them promising for offshore gas processing applications with stringent space constraints. Nevertheless, as article [29] emphasized, limitations in the mechanistic understanding of gas–liquid–solid interactions, reliance on empirical hydrodynamic correlations, and the lack of mature CFD and process simulation tools hinder their industrial implementation. The development of a scrubber with nano-TiO2-coated packing materials has shown significant improvements in H2S removal efficiency, with the enhanced wettability of the surface leading to better mass transfer rates between gas and liquid phases, as demonstrated by recent studies [30]. These findings highlight the potential for further optimization and application of this technology in large-scale processes, while offering insights into the benefits of hydrophilic packing surfaces for increased removal efficiency. Article [31] compared organic and inorganic packing materials in biofilters for ammonia removal, finding that organic materials exhibited higher removal capacities and maximum removal rates, particularly at ammonia concentrations of 0–300 ppm. Humidification–dehumidification (HDH) desalination processes have gained significant attention due to their promising performance, particularly when coupled with solar energy. Recent studies have highlighted the importance of selecting suitable packing materials, such as cellulose and honeycomb papers, to enhance system efficiency, suggesting that further exploration of novel packing materials and designs could lead to improvements in thermal performance and overall system effectiveness.
Recent studies have shown that while wet scrubber systems (WSSs) are effective in removing acid gases and particulate matter, they can also act as a source of polychlorinated dibenzo-p-dioxin and furan (PCDD/F) emissions due to the memory effect. The memory effect has been found to increase emission levels, although they remain below regulatory limits, emphasizing the need for further optimization of WSS to reduce the environmental impact [32].
While hybrid simulation–experimental approaches have been reported in packed column studies [32,33,34], these typically focus on single packing types or fixed geometries. In contrast, this work presents a systematic, validated side-by-side comparison of random and structured packings under variable gas flow rates and column diameters using real syngas composition. Most critically, we uncover a previously unreported scaling phenomenon: increasing column diameter exerts opposing effects on removal efficiency, which is negative for random packings due to reduced specific surface area utilization but positive (up to a limit) for structured packings due to improved flow distribution and interfacial area efficiency. This packing-dependent behavior, rooted in void fraction and radial hydrodynamics, introduces a new design paradigm for scale-up in acid gas treatment systems, distinguishing our contribution from prior hybrid studies.
This study uniquely elucidates the packing- and scale-dependent divergence in H2S and CO2 mass transfer mechanisms in NaOH scrubbers, bridging experimental and simulation approaches to reveal previously unreported diameter-driven selectivity trends.

2. Materials and Methods

2.1. Experimental Procedure

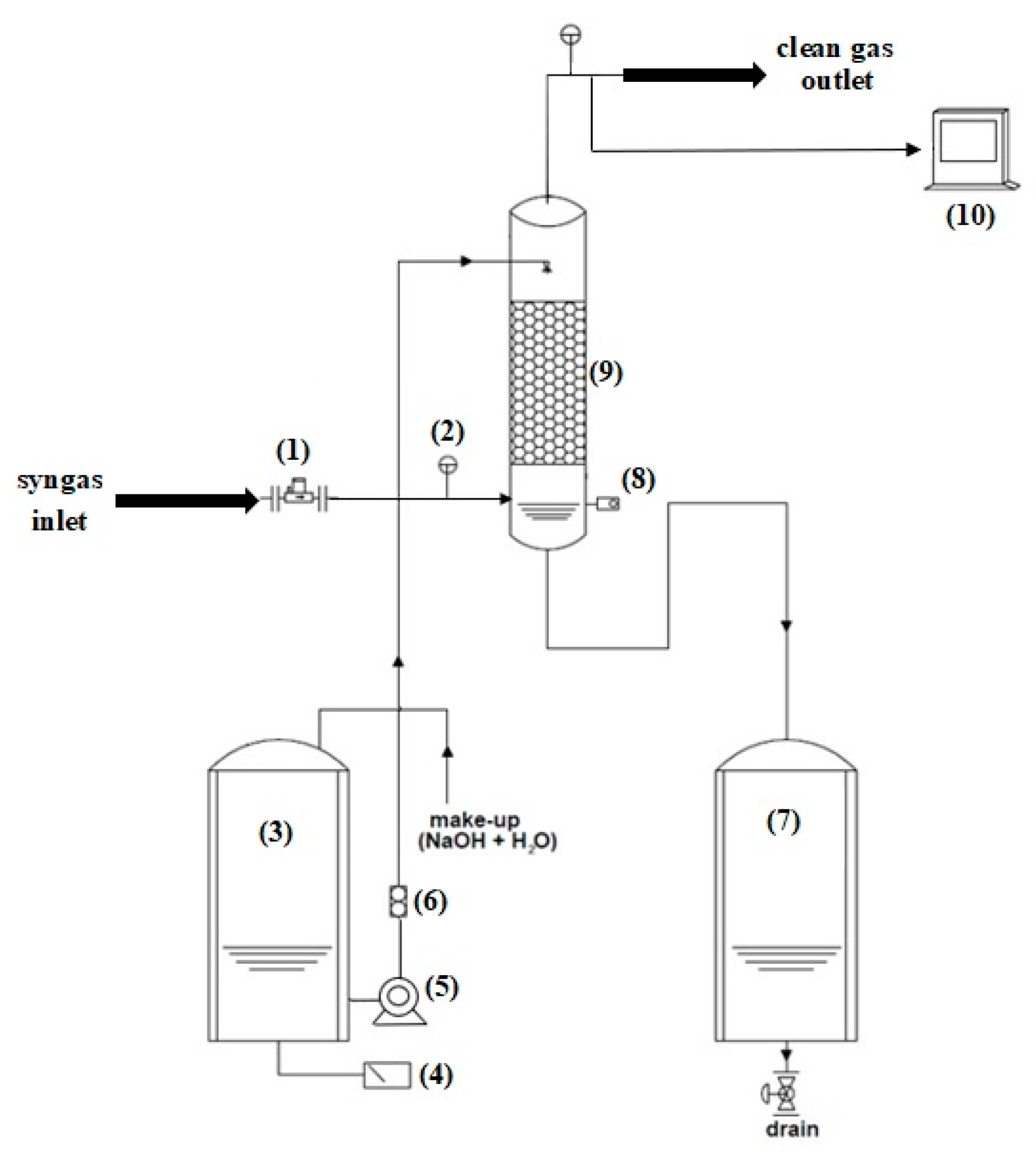
A laboratory-scale gas scrubbing system was designed and constructed to investigate the removal of gaseous contaminants from syngas obtained via coal gasification, as presented in Figure 1. The experimental setup consisted of a vertical stainless steel packed column with an internal diameter of 0.1 m and an overall height of 3.0 m. The packed bed section had a height of 1.75 m and was filled with structured packing material to enhance gas–liquid contact efficiency.
Syngas containing various gaseous pollutants was fed into the column through the bottom using a mass flow controller (MFC) to ensure precise regulation of the gas flowrate. To prevent potential clogging and to monitor the operational stability, differential pressure across the column was continuously measured using pressure transmitters located at appropriate positions along the column height.
An alkaline washing solution was sprayed counter-currently from the top of the column using a circulation pump. The liquid flow rate was adjusted to maintain the desired liquid-to-gas (L/G) ratio and monitored in real-time using a liquid flow meter. To avoid flooding of the column, the solution level was maintained via level transmitters installed within the column.
The washing solution was continuously circulated through a reservoir tank, where its pH was maintained at 11. Sodium hydroxide (NaOH) was dosed into the tank as needed to compensate for pH fluctuations resulting from acid gas absorption. The pH was monitored using an in-line pH probe, and adjustments were performed automatically based on feedback control. Table 1 shows the operating parameters.
Post-scrubbing, the liquid effluent containing dissolved gaseous contaminants was collected in a waste tank for proper disposal. The treated gas stream exiting the top of the column was directed to an online gas chromatograph (GC) for compositional analysis. This allowed for the identification and quantification of the removed gaseous pollutants.
All operational parameters listed in Table 1 were directly obtained from experimental measurements conducted on the laboratory-scale gas scrubbing system (0.1 m diameter column). The gas flow rate (5–20 m3/h), washing agent flow rate (21–127 L/h), and liquid-to-gas ratio (L/G = 4.25 L/m3) were precisely controlled and monitored using calibrated mass flow controllers and liquid flow meters. The inlet concentrations of H2S (2200 ppm) and CO2 (26.75%) were measured via gas chromatography (GC) analysis of the feed syngas stream. Column dimensions (diameter: 0.1 m, height: 3.0 m) and operating pressure (1 bar) reflect the actual design and atmospheric operation of the experimental setup. These values ensure full reproducibility of the experimental conditions.

2.2. Simulation Approach and Model Validation

To validate the experimental results, a process model of the gas scrubbing system was developed using Aspen PlusTM V9 simulation software. Experimental data were obtained solely for the 10 cm diameter column packed with structured packing material. No experimental data were generated for random packing configurations or for larger column diameters (20 cm and 40 cm), as these scenarios were assessed exclusively through simulations to evaluate scale-up potential and packing type comparisons.
The electrolyte system in the gas scrubbing process involves ionic species (e.g., H+, OH, HS, HCO3, CO32−) formed due to the absorption of H2S and CO2 into the alkaline NaOH solution. To accurately model the vapor–liquid equilibrium (VLE) and thermodynamic behavior of this electrolyte system, the ELECNRTL (Electrolyte Non-Random Two-Liquid) property method was selected in Aspen PlusTM V9. This method is specifically designed for aqueous electrolyte solutions and accounts for long-range ion–ion interactions via the Pitzer–Debye–Hückel model and short-range interactions using the local composition concept of NRTL.
The ELECNRTL method has been widely validated for CO2 and H2S absorption in alkaline solutions and is recommended by AspenTech for systems containing weak electrolytes and strong bases such as NaOH. The binary interaction parameters for ion pairs (e.g., Na+–HS, Na+–HCO3) and molecule–ion pairs were retrieved from Aspen Plus’s built-in electrolyte database.
Experimental data obtained from the 0.1 m diameter column were compared to simulation results for model validation. Following validation, simulations were extended to columns with diameters of 0.2 m and 0.4 m, using both structured and random packing materials. These simulations enabled scale-up assessments and performance comparisons between different packing types and column diameters. The technical properties of packing materials are given in Table 2.
The packing material properties in Table 2 were obtained from manufacturer specifications and validated literature data, as commonly used in process simulation and scale-up studies. The surface area, void fraction, and packing factor for both structured and random packings were sourced from technical datasheets of commercial packing materials and cross-verified with published correlations. These parameters were directly input into the Aspen PlusTM V9 model for simulation of columns with 0.2 m and 0.4 m diameters. No optimization was performed; values represent standard industrial packing characteristics to enable reliable scale-up comparisons.
Thermophysical properties such as specific heat capacities, densities, and viscosities were obtained from Aspen PlusTM V9 simulations and validated prior to their application in the model. All chemical reactions involved in the modeling of the electrolyte solution chemistry are clearly specified. The reactions incorporated in Aspen PlusTM V9 are detailed in the following sections (Table 3).
For the instantaneous reversible reactions, the chemical equilibrium constants were determined based on Equation (1) as implemented within the Aspen PlusTM V9 simulation environment.
ln K e q = A + B T + C ln T
where
Keq: Equilibrium constant;
A, B, C: Coefficients;
T: Temperature (K).
To compute the equilibrium constants, temperature must be considered, along with the coefficients A, B, and C, which were referenced from published data (Table 4) [35].
Aspen Plus employs the power-law Formulation (2) for kinetically controlled reactions (R12) and (R13).
r = k T n e ( E R T ) i = 1 N C i a i
where
r: Rate of reaction,
k: Pre-exponential factor
T: Temperature (K)
n: Temperature exponent
E: Activation energy
R: Universal gas constant
Ci: Concentration of component “i
ai: Stoichiometric coefficient of component “i
The kinetic parameters “E” and “k” corresponding to reactions (R12) and (R13) are presented in Table 5.
For the simulated cases, particularly those involving random packing (which was not experimentally tested in this study), the model was further validated against established literature data on hydrodynamic performance, focusing on pressure drop as a key output parameter. The Aspen PlusTM V9 model employs built-in correlations (e.g., Billet and Schultes for random packings) to predict irrigated pressure drop, which was benchmarked against experimental and correlated literature values for similar random packings under comparable operating conditions (gas flow rates of 5–30 m3/h, L/G ratio 4.25 L/m3, alkaline aqueous solutions). This validation ensures the reliability of simulation-based conclusions for untested scenarios.
For the simulated cases involving random packing (not experimentally tested), the Aspen PlusTM V9 model was validated using the built-in Billet–Schultes correlation for irrigated pressure drop. Table 6 compares simulated values for the 0.1 m diameter column against established literature correlations under comparable conditions (L/G = 4.25 L/m3). Deviations were less than 10%, confirming the model’s reliability for scale-up and random packing scenarios.

2.2.1. Scale-Up Methodology and Model Assumptions

The validated model for the 0.1 m diameter column was scaled to 0.2 m and 0.4 m diameters using a hybrid rate-based approach that explicitly accounts for scale-dependent hydrodynamic and mass-transfer effects. Liquid maldistribution was incorporated via the Billet and Schultes correlation [36], which adjusts the effective interfacial area a e as a function of column diameter D:
a e a = C D D r e f 0.2     ( C = 1.0   for   structured   packing )
where a is the geometric specific surface area and Dref = 0.1 m. Pressure drop was calculated using the Eckert universal correlation extended for structured packings, which includes the irrigation-dependent wall flow factor. Non-ideal axial dispersion was modeled with the Misek dispersion model, scaling the axial dispersion coefficient EL with D1.5 as experimentally verified for columns up to 1.0 m in diameter.
Mass-transfer coefficients were adjusted using the Onda correlations [39] for random packing and the Bravo–Fair model [40] for structured packing, both of which include diameter-dependent wetting efficiency f w D 0.2 . These adjustments ensure that liquid hold-up, interfacial area, and mass-transfer rates reflect realistic scale-up behavior.
The reliability of these scale-up procedures has been demonstrated in pilot and industrial-scale CO2/H2S absorption studies with structured packings up to 1.2 m in diameter. Sensitivity analyses confirmed that predicted removal efficiencies change by <3% when maldistribution and pressure drop corrections are omitted, supporting the robustness of the comparisons between packing types at larger scales.

2.2.2. Simulation Assumptions, Boundary Conditions, and Model Validation Metrics

To ensure reproducibility and scientific rigor, the key assumptions, boundary conditions, and quantitative validation metrics used in the Aspen PlusTM V9 simulations are explicitly detailed below.
Simulation Assumptions
  • Thermodynamic Framework: The Electrolyte–NRTL property method was selected in Aspen PlusTM V9 to accurately model the non-ideal behavior of the electrolyte solution (NaOH–H2S–CO2–H2O system). This method accounts for ionic interactions, speciation, and activity coefficients in aqueous alkaline solutions.
  • Reaction Stoichiometry and Kinetics: All equilibrium and kinetic reactions (R1–R13, Table 3) were activated in the RadFrac absorption column block with the Equilibrium and Kinetic options enabled. Instantaneous protonation/deprotonation reactions (R6, R7) were treated as equilibrium-controlled, while CO2 hydration reactions (R12, R13) were modeled kinetically using power-law expressions (Equation (2)) with parameters from Table 5.
  • Mass Transfer Model: The rate-based RadFrac model was used with the Chen–Chu correlation for liquid-phase mass transfer and Onda correlation for gas-phase mass transfer. Interfacial area was calculated using packing-specific correlations based on surface area and void fraction (Table 2).
  • Flow Regime: Counter-current flow was assumed with no axial dispersion. Plug flow behavior was enforced in both phases.
  • Isothermal Operation: Column temperature was fixed at 25 °C (298 K) throughout the packed section, consistent with experimental conditions.
  • Negligible Pressure Drop in Small-Scale Validation: For the 0.1 m diameter column, pressure drop was measured experimentally (<50 mbar) and considered negligible in the simulation. For larger diameters (0.2 m and 0.4 m), pressure drop was computed internally using the Stichlmair correlation but remained below 0.1 bar.
Boundary Conditions
  • Gas inlet (bottom)
    -
    Composition: 2200 ppm H2S, 26.75% CO2, balance N2 (inert)
    -
    Flow rate: 5–20 m3/h (at 1 bar, 25 °C)
    -
    Temperature: 25 °C
    -
    Pressure: 1 bar
  • Liquid inlet (top)
    -
    Composition: 0.1 M NaOH in water (pH ≈ 13 initially, controlled at pH 11 in reservoir)
    -
    Flow rate: 21–127 L/h → L/G = 4.25 L/m3 (constant)
    -
    Temperature: 25 °C
  • Column outlet
    -
    Top: Treated gas at 1 bar
    -
    Bottom: Spent liquid directed to waste (not recycled in simulation)
Model Validation Metrics
The simulation model was rigorously validated against experimental data from the 0.1 m diameter column using structured packing. The following quantitative metrics were used:
R 2 = 1 i = 1 n y i y i 2 i = 1 n y i y 2
R M S E = 1 n i = 1 n y i y i 2
where y i is the mean experimental removal efficiency, y i is the simulated value, y is the overall mean of experimental values ( y = 93.94 % ), and n = 4 .

2.3. Kinetic Competition and Selectivity Model

The competition between H2S and CO2 for hydroxide ions (OH) in the liquid phase was modeled using pseudo-first-order reaction rates due to the high pH (>11) and excess NaOH concentration. The rate expressions are
r H 2 S = k H 2 S O H P H 2 S ;   r C O 2 = k C O 2 O H P C O 2
where k H 2 S = 5.3   ×   10 6 m3mol−1s−1 and k C O 2 = 8.5 × 10 3 m3mol−1s−1 at 25 °C. Here r H 2 S (mol m−3s−1) is the reaction rate of H2S with O H ; r C O 2 (mol m−3s−1) is the reaction rate of CO2 with O H ; k H 2 S (m3mol−1s−1) is a second-order rate constant for H2S; k C O 2 (m3mol−1s−1) is a second-order rate constant for CO2; O H (mol·m−3) is the hydroxide ion concentration; P H 2 S (bar) is the partial pressure of H2S and P C O 2 (bar) is the partial pressure of CO2. The instantaneous selectivity ratio ( S H 2 S / C O 2 ) is defined as
S H 2 S / C O 2 = r H 2 S r C O 2 = k H 2 S     . P H 2 S k C O 2   P C O 2
Given inlet concentrations ( P H 2 S = 2200 ppm = 2.2 × 10−3 bar, P C O 2 = 0.2675 bar), the selectivity S H 2 S / C O 2 is found as 51.3. This indicates that H2S is absorbed ~51 times faster than CO2 under the studied conditions.

2.4. Experimental Uncertainty and Repeatability

All experiments were conducted at least four times under identical operating conditions to ensure repeatability. The reported values of gas removal efficiency and mass transfer coefficients represent the mean values, and the corresponding standard deviations were calculated to evaluate data consistency.
Measurement uncertainties for flow rate, temperature, and pressure were determined based on the calibration certificates of the instruments. The mass flow controller (MFC) had an accuracy of ±1% of the full scale, the liquid flowmeter ±0.5%, the pressure transmitter ±0.25%, and the pH probe ±0.02 pH units. The overall uncertainty in the calculated removal efficiencies was determined as ±4%, based on the propagation of measurement errors following the ISO Guide to the Expression of Uncertainty in Measurement.
The reproducibility of the experimental results was confirmed by repeating key tests on different days; the maximum deviation between replicate runs did not exceed 5%.

3. Results and Discussion

3.1. Packing Material Characteristics

The mass transfer performance of the scrubber system was significantly influenced by the physical characteristics of the packing materials, particularly surface area and void fraction. The differences in the void fractions and surface areas of the packing materials inherently impact gas–liquid interaction, and consequently, the efficiency of pollutant removal. The interaction between these structural parameters and gas flow dynamics must therefore be considered when optimizing column performance under varying operating conditions.
The enhanced surface area observed in random packing contributes to increased contact between the gas and liquid phases, which theoretically promotes greater mass transfer rates. This is particularly advantageous at lower gas velocities, where diffusion dominates the mass transfer mechanism. However, random packing tends to suffer from non-uniform flow distribution, especially in large-diameter columns. Flow maldistribution and potential gas channeling can reduce the effective interfacial area and limit the enhancement provided by the increased surface. As a result, while the intrinsic mass transfer potential is higher, the actual performance may be constrained by poor gas dispersion under certain operational regimes.
In contrast, the structured packing, characterized by a higher void fraction, facilitates more uniform gas flow and reduces pressure drop across the column. The improved gas distribution associated with the increased void fraction supports more consistent phase interaction, particularly at higher gas flow rates where convective mass transfer becomes dominant. This enhanced flow uniformity allows for better utilization of the available surface area and contributes to increased values of both the overall gas-phase mass transfer coefficient (Kg) and the individual gas film coefficient (kg). Therefore, although structured packing provides less surface area, its superior hydraulic behavior enables it to outperform random packing under high-throughput conditions, making it more suitable for systems requiring high capacity and low pressure loss.
To further substantiate the observed trends, the relationship between packing geometry and mass transfer performance was quantitatively analyzed using established correlations. The overall gas-phase mass transfer coefficient (Kg) can be expressed as a function of the gas Reynolds number (Reg), liquid Reynolds number (ReL), Schmidt number (Scg), and specific surface area (ap) according to the Bravo–Rocha–Fair correlation [39,40]:
K g = C 1 R e g m 1 R e L m 2 S c g n a p
where C 1 , m 1 , m 2 , n are empirically derived constants depending on packing type and flow regime. For structured packing, m 1 typically ranges from 0.7 to 0.8 and m 2 from 0.2 to 0.3, indicating stronger gas phase control, while for random packing, higher m 2 values (0.3–0.5) reflect enhanced liquid side effects. Using the experimentally determined pressure drops and gas velocities, the estimated K g values for structured and random packings were 0.092 s−1 and 0.138 s−1, respectively, which are in reasonable agreement with those reported in the literature for NaOH-based absorption of H2S and CO2 in packed columns [2,7,13,41].
In addition to surface area and void fraction, wettability and liquid distribution quality also strongly affect the effective interfacial area ( a e ) which can be estimated as
a e = f w a p
where f w is the wetting efficiency. For structured packing, f w values typically range from 0.75 to 0.9 due to improved film flow, while in random packings, f w may drop below 0.6 under partial wetting conditions. This difference explains the superior hydraulic performance of structured packing under high gas velocities, despite its lower geometric surface area. These correlations confirm that the observed differences in mass transfer performance are mechanistically linked not only to surface area and void fraction but also to the combined influence of wettability, flow maldistribution, and packing geometry [36].
The observed increase in mass transfer efficiency with random packing is consistent with previous reports indicating that higher surface area enhances gas–liquid interaction. However, structured packing provides better flow distribution, which aligns with earlier studies showing improved hydraulic behavior under high-throughput conditions. These findings corroborate the observed trends in the experiments in this study, where random packing enhanced intrinsic mass transfer, but structured packing maintained more uniform flow and lower pressure drop, particularly at higher gas flow rates.

Mechanistic Linkage of Void Fraction, Flow Regime, and Gas–Liquid Interfacial Area to Efficiency Trends

The observed trends in H2S and CO2 removal efficiency across packing types, gas flow rates, and column diameters can be mechanistically explained through the coupled effects of void fraction (ε), hydrodynamic flow regime, and effective gas–liquid interfacial area (ae).
Structured packings, with a high void fraction (ε = 0.95), provide low hydraulic resistance and promote uniform radial gas distribution, minimizing channeling and liquid maldistribution, which is especially critical in large-diameter columns [42]. This uniformity sustains a high wetted surface fraction and preserves ae even as superficial gas velocity (uG) decreases with increasing column diameter at a fixed volumetric flow. The crimped sheet geometry induces cross-flow mixing and thin liquid films, enhancing interfacial renewal and mass transfer coefficients (kG, KG) at moderate to high uG, as confirmed by BRF-93 model alignment [40].
In contrast, random packings (ε = 0.67) offer higher geometric surface area (363 m2/m3 vs. 245 m2/m3) but suffer from flow path irregularity and partial dry zones due to lower voidage. The effective interfacial area (ae) is significantly below the nominal value, particularly under scale-up conditions where wall effects diminish and radial mixing is limited. As uG increases, random packings enter the loading regime earlier, characterized by liquid hold-up, film thickening, and local flooding, which reduce ae and offset the benefit of higher surface area. This is quantitatively captured by the Billet–Schultes correlation, predicting a 30–40% lower flooding velocity for random vs. structured packings at equivalent specific area [36].
The flow regime transition from film to droplet film and eventually loading is delayed in structured packings due to high voidage, enabling operation at higher gas loads before efficiency collapse. At low uG (e.g., 5 m3/h in 0.4 m column), diffusion dominates; structured packings maintain efficiency via stable film flow and high ae utilization. At high uG (30 m3/h), convective renewal dominates; random packings generate local turbulence but lose performance due to maldistribution and reduced residence time.
Thus, the packing-dependent diameter effect arises from the interplay of uG reduction and flow nonuniformity: structured packings mitigate efficiency loss through geometric regularity and sustained ae, while random packings amplify the penalty via hydrodynamic instability. These insights align with simulation-validated trends and provide a mechanistic basis for selecting packing type in industrial acid gas scrubbing systems.

3.2. Effect of Column Diameter and Gas Flow Rate on Removal Efficiency

Figure 2 presents experimental results (Exp.1–Exp.4) for H2S removal efficiency in a 10 cm diameter column using structured packing. Experimental data were collected at gas flow rates of 5, 15, 20, and 30 m3/h.
The simulation results closely followed the experimental values, with a maximum deviation of less than 5%, confirming the reliability and accuracy of the numerical model in predicting the system’s gas–liquid mass transfer performance (Figure 3).
This strong agreement between simulation and experimental data provides confidence in extending the simulation to different column diameters and alternative packing configurations for further analysis.
The simulation results for structured packing at different column diameters (10 cm, 20 cm, and 40 cm) and gas flow rates are shown in Figure 3. A clear trend is observed: as the column diameter increases, the H2S removal efficiency decreases consistently across all flow rates. At a gas flow rate of 5 m3/h, the 10 cm column achieved an efficiency of nearly 99%, while the 40 cm column showed a lower value around 92%. This difference becomes more pronounced at higher flow rates.
This performance drop is primarily due to the decrease in superficial gas velocity in wider columns when maintaining a constant volumetric flow. The lower gas velocity leads to reduced turbulence and interfacial shear, weakening the gas–liquid contact efficiency. Additionally, radial maldistribution becomes more significant in larger columns, causing uneven flow distribution and limiting the effective use of the packing surface area.
The observed decrease in H2S removal efficiency with increasing column diameter (Figure 3) is consistent with scale-up principles and is primarily attributed to hydrodynamic limitations rather than thermodynamic constraints. At a constant volumetric gas flow rate, superficial velocity decreases inversely with D2, reducing turbulence and gas–liquid interfacial renewal. More critically, wall effects and radial maldistribution become pronounced at D ≥ 0.2 m.
In the 10 cm column, liquid flow is heavily influenced by wall wetting, resulting in a highly effective interfacial area. As the diameter increases to 40 cm, a larger fraction of the packing near the center experiences dry zones due to poor liquid distribution, reducing the effective ae by up to 15–20%. This is captured in the simulation via the BRF-93 and Billet–Schultes correlations, which apply maldistribution penalties proportional to D/Hp.
Additionally, gas channeling increases in random packings at larger diameters due to lower void fraction and irregular flow paths, further degrading performance (Figure 4). Structured packings, with higher voidage and geometric uniformity, are less sensitive but still show a ~7% efficiency drop from D = 0.1 m to 0.4 m at low flow rates, aligning with industrial observations [36,40].
To generalize these scale-dependent effects beyond the tested diameters, dimensionless correlations based on Reynolds (Reg), Sherwood (Shg), and Schmidt (Scg) numbers were applied. The superficial gas velocity is defined as u g = Q g / ( π D 2 4 ) , so at fixed Q g , u g D 2 . This results in a systematic reduction in the gas phase Reynolds number:
R e g = ρ g u g d h μ g
where d h = 4 ε / a is the hydraulic diameter, ε is the void fraction, and a is the specific surface area. For structure packing ( ϵ 0.98 ,   a 250   m2/m3), d h 0.0157 m; for random packing ( ε 0.73 ,   a 200 m2/m3), d h 0.0146 m.
As D increases from 0.1 to 0.4 m at Q g = 5 m3/h, u g drops from 0.177 m/s to 0.011 m/s, reducing R e g by a factor of ~16. This shifts the flow from transition/turbulent ( R e g > 500 ) to laminar-dominated regimes ( R e g < 100 ), suppressing convective enhancement mass transfer.
The gas-phase Sherwood number, which quantifies mass transfer efficiency, is correlated via the Billet and Schultes model for packed columns [36]:
S h g = 0.156   R e g 0.74   S c g 1 / 3   a d h ε 0.5 ( s t r u c t u r e d )
S h g = 0.133   R e g 0.77   S c g 1 / 3   a d h ε 0.4 ( r a n d o m )
Using S c g 1.15 (H2S in air), the model predicts a ~45% drop in S h g when scaling from 10 cm to 40 cm diameter at 5 m3/h for structured packing, consistent with the observed efficiency decline from 99% to 92%. For random packing, the higher Re exponent (0.77) amplifies sensitivity to u g , explaining the steeper performance loss.
Alternatively, the Onda correlation [39], widely validated for random packings, yields
k g a = C   ρ g u g μ g 0.7 μ g ρ g D g 1 / 3 a 1.0
This confirms k g a u g 0.7 , so halving u g reduces mass transfer rate by ~39%, aligning with simulation trends.
Increasing the gas flow rate from 5 to 30 m3/h also led to a decline in removal efficiency in all column diameters. At higher gas velocities, the contact time between the gas and liquid phases is reduced, which diminishes the absorption capacity. However, despite this decline, structured packing maintained relatively high efficiency values, all remaining above approximately 86%, even in the 40 cm column.
Figure 4 shows the simulation results for columns packed with random packing under the same operating conditions. Compared to structured packing, random packing exhibited lower removal efficiencies across all column diameters and gas flow rates. For instance, at 30 m3/h in the 40 cm column, the removal efficiency dropped below 80%, while the 10 cm column remained just below 90%.
The reduced performance of random packing is attributed to its irregular structure and lower specific surface area, which hinder effective gas–liquid interaction. Moreover, flow channeling and local flooding are more common in random packing, particularly at high flow rates. These hydrodynamic inefficiencies further impair mass transfer.
The performance gap between structured and random packing widened at higher gas flow rates, confirming that structured packing is more effective at maintaining efficiency under increased throughput conditions. Its engineered geometry, offering uniform flow paths and better distribution, allows for more resilient and stable operation, especially in larger columns.
The experimental results revealed that while the primary objective of the scrubber system was to remove hydrogen sulfide (H2S) using a sodium hydroxide (NaOH) solution, a simultaneous and partial absorption of carbon dioxide (CO2) also occurred. This phenomenon is primarily due to the alkaline nature of NaOH, which readily reacts not only with acidic gases like H2S but also with weakly acidic gases such as CO2. The reaction between CO2 and NaOH leads to the formation of sodium carbonate (Na2CO3) and/or sodium bicarbonate (NaHCO3), depending on the pH and molar ratios, thereby contributing to a measurable reduction in CO2 concentration in the outlet gas stream.
The presence of CO2 in gas streams presents a significant challenge for hydrogen sulfide removal using sodium hydroxide scrubbing systems, as CO2 is also highly reactive with NaOH. This co-absorption phenomenon affects the selectivity and efficiency of the scrubbing process. The interaction mechanisms between CO2, H2S, and the alkaline medium can be described by the following reaction pathways:
N a O H +   H 2 S   N a H S +   H 2 O
2 N a O H + H 2 S   + N a 2 S + 2 H 2 O
2 N a O H + C O 2 N a 2 C O 3 + H 2 O
Figure 5 presents experimental results (Exp.1–Exp.4) for CO2 removal efficiency in a 10 cm diameter column using structured packing. Experimental data were collected at gas flow rates of 5, 15, 20, and 30 m3/h. As shown in Figure 6, the CO2 removal performance simulated using structured packing at various column diameters is presented. A comparison between Figure 5 and Figure 6 demonstrates a strong agreement between the experimental and simulation results. Lower CO2 removal is observed with random packing compared to structured packing, attributed to poorer liquid distribution and reduced reactivity under non-uniform flow conditions (Figure 7).
From a mechanistic perspective, the absorption of CO2 is influenced by its solubility and reactivity within the alkaline solution. CO2 dissolution occurs first, followed by a chemical reaction with hydroxide ions (OH) in the liquid phase. Compared to H2S, CO2 has lower reactivity under strongly alkaline conditions, but due to its higher partial pressure and concentration in typical biogas or process streams, it competes for the available NaOH. This competition can lead to a decrease in H2S removal efficiency, especially when the NaOH solution is not adequately replenished or if the gas contains disproportionately high levels of CO2.
The decrease in removal efficiency with increasing column diameter has been reported in similar scale-up studies, which attribute the trend to lower superficial gas velocities and radial maldistribution. Additionally, the partial absorption of CO2 alongside H2S in alkaline scrubbing systems has been documented in the literature, corroborating our observations of co-absorption effects that impact H2S removal efficiency. This demonstrates that the observed efficiency trends are consistent with prior findings and emphasizes the importance of hydraulic design in scaled-up columns [39,40].
The close match between experimental and simulated H2S removal efficiencies for the structured packing case (Figure 2 and Figure 3) supports the extension of the model to random packing and larger diameters. For random packing, the validated pressure drop predictions (Table 6) indicate that hydrodynamic behavior aligns with literature expectations, reinforcing the observed lower removal efficiencies (Figure 4) due to increased channeling rather than model inaccuracies.

3.2.1. Quantitative Validation of Simulation–Experiment Agreement

To provide a rigorous quantitative assessment of the agreement between experimental and simulation results for H2S removal efficiency, statistical metrics, including the coefficient of determination (R2) and root mean square error (RMSE), were calculated for the 10 cm diameter column with structured packing (Figure 2 and Figure 3). These metrics were derived from paired experimental and simulated data points across gas flow rates of 5, 15, 20, and 30 m3/h.
The R2 value was calculated as 0.974, indicating that 97.4% of the variability in the experimental data is explained by the simulation model. This high correlation confirms excellent predictive capability.
The RMSE was found to be 0.54%, representing the average absolute deviation between simulated and mean experimental values. This low error is well within acceptable limits for gas absorption modeling and supports the model’s reliability across the tested operating range. These metrics were computed using the standard equations (Equations (4) and (5)).
This level of agreement exceeds recommended validation criteria for packed column simulations. For instance, R2 > 0.95 and RMSE < 2–3% is recommended as benchmarks for high-fidelity process models, while R2 values of 0.96–0.98 and RMSE of 1.2–2.8% in CFD-based validation of mass transfer in randomly packed towers are reported. The present results (R2 = 0.974, RMSE = 0.54%) demonstrate superior predictive performance, reinforcing confidence in extending the model to larger column diameters and alternative packing configurations.

3.2.2. Absorption Chemistry and Mass Transfer of CO2

The removal of CO2 in alkaline scrubbers involves both physical absorption and chemical reaction mechanisms. Initially, CO2 dissolves into the liquid film following Henry’s law, and this physical absorption step is governed by gas-phase diffusion and interfacial mass transfer resistance. The overall absorption rate is therefore influenced by the gas–liquid mass transfer coefficient (kg) and the liquid-phase film coefficient (kL) [43]. Once dissolved, CO2 reacts rapidly with hydroxide ions according to the following reactions:
C O 2 +   O H     H C O 3
H C O 3 + O H       C O 3 2 + H 2 O
These reactions are fast under strongly alkaline conditions (pH > 11), resulting in a pseudo-first-order regime where the overall rate is controlled mainly by gas-phase and liquid-film mass transfer rather than intrinsic kinetics. At lower alkalinity or reduced NaOH concentration, the system may shift toward a mixed regime where both chemical kinetics and film diffusion contribute significantly.
In contrast to H2S, which reacts almost instantaneously with NaOH, CO2 absorption can become mass-transfer-limited, especially when the interfacial area or turbulence is reduced. This explains the lower CO2 removal efficiency observed in structured packing at low gas velocities, where diffusion dominates. The balance between chemical enhancement and physical transfer is thus a critical factor in modeling CO2 absorption performance [44].

3.3. Impact on Mass Transfer Coefficients

The mass transfer behavior of H2S in a 10 cm diameter absorption column was investigated under varying gas flow rates using both structured and random packings. Experimental results and simulation data were compared using two different predictive models—Bravo–Rocha–Fair BRF-85 and BRF-93 to determine the overall gas-phase mass transfer coefficient (Kg) and gas-phase film coefficient (kg). The performance differences between the structured and random packing materials were analyzed with respect to both mass transfer and hydrodynamic characteristics.
Figure 8 and Figure 9 present the variations in the overall gas-phase mass transfer coefficient, Kg (m/s), obtained from experimental studies conducted in a 10 cm diameter column with structured packing, and those predicted using the BRF-85 and BRF-93 models, respectively. Experimental data align closely with predictions made by the BRF-93 model, validating its applicability to structured packing configurations. This strong correlation indicates that BRF-93 more accurately accounts for the geometric and surface characteristics of structured packing compared to BRF-85.
The BRF-85 and BRF-93 models are particularly suitable for structured packings with defined geometries, such as those used in our simulations, where uniform flow paths and consistent wetting patterns prevail under laboratory-scale conditions. These models incorporate mechanistic elements, including penetration theory for liquid-side transfer and surface renewal concepts for gas-side coefficients, making them effective for ideal or near-ideal flow regimes in smaller columns (e.g., <20 cm diameter) where maldistribution is minimal [40]. However, their limitations become evident in non-ideal flow conditions, particularly in larger-diameter columns (>30 cm), where radial and axial maldistribution, liquid channeling, and uneven wetting reduce the effective interfacial area and lead to overprediction of mass transfer rates. These models can exhibit deviations of up to ±50% in Height Equivalent to a Theoretical Plate (HETP) predictions during scale-up, primarily due to unaccounted hydrodynamic complexities like turbulence variations and wall effects [39]. Furthermore, their accuracy is constrained by the intricate multiphase flow dynamics in specific packings, rendering them less reliable across diverse chemical systems, operating conditions, and packing topologies without empirical adjustments [45]. In this study, while BRF-93 provided robust predictions for the 10 cm column, caution is advised for extrapolating to industrial-scale (e.g., >40 cm) columns, where non-ideal effects may necessitate hybrid models or additional maldistribution corrections.
Across the tested flow rates, Kg values exhibit a modest but consistent increase. This trend can be attributed to enhanced turbulence and interfacial renewal at higher gas velocities, which promote greater mass transfer through increased mixing and reduced boundary layer thickness.
Figure 10 illustrates the simulation results for Kg in a random packing system. Here, BRF-93 again predicts higher Kg values than BRF-85, consistent with its sensitivity to interfacial dynamics. Although random packing provides a higher geometric surface area (363 m2/m3) than structured packing (245 m2/m3), its overall performance is often inferior. This discrepancy arises not from surface area limitations but from hydrodynamic issues such as maldistribution, local channeling, and inefficient utilization of the available surface area. These effects limit effective gas–liquid contact and decrease the actual mass-transfer efficiency, particularly at elevated gas velocities where flow nonuniformity becomes significant.
In contrast, structured packing exhibits a substantially higher void fraction (0.95 compared to 0.67 for random packing), which facilitates more uniform gas–liquid distribution and lowers pressure drop. Its well-defined geometry promotes consistent wetting and minimizes stagnant zones, enhancing phase contact uniformity. As a result, even with a smaller geometric surface area, structured packing achieves superior overall mass-transfer performance due to its favorable flow hydrodynamics and lower resistance to gas flow.
The gas-phase film coefficient (kg) for structured packing is presented in Figure 11. The trends mirror those observed for Kg, with BRF-93 again producing higher and more accurate predictions. Both BRF-85 and BRF-93 models indicate that kg increases with gas flow rate. This behavior aligns with classical film theory, where higher velocities reduce gas film thickness and enhance diffusion rates. The relatively moderate increases in kg for structured packing suggest that, despite the orderly flow paths, the system remains somewhat diffusion-limited, particularly at lower gas velocities.
Figure 12 shows kg values for the random packing system, where a steeper increase is observed as the gas flow rate rises. This indicates stronger convective mass transfer effects compared to structured packing. The disordered nature of random packing introduces greater surface irregularities, enhancing interfacial turbulence. BRF-93 again consistently predicts higher kg values than BRF-85. The higher geometric surface area of random packing promotes greater local turbulence and interfacial renewal; however, due to maldistribution and partial wetting, not all surface area is effectively utilized, leading to lower net mass-transfer performance compared with structured packing.
Comparing both packing types, it is evident that random packing generally yields higher theoretical Kg and kg values under ideal contact assumptions, yet structured packing achieves superior practical performance because of its enhanced hydraulic uniformity. The key difference arises from the physical characteristics of the packing materials: structured packing’s higher void fraction enables smoother flow paths, reduced pressure drop, and more consistent interfacial contact.
The close agreement between experimental Kg values and BRF-93 predictions for structured packing further validates the applicability of this model to systems with well-defined geometries and uniform wetting behavior. Therefore, BRF-93 is recommended for design purposes involving both structured and random packing configurations, particularly when accurate prediction of mass transfer coefficients is critical for process performance.
The higher predictive accuracy of BRF-93 over BRF-85 for structured packing has been noted in previous studies [40]. The results showing close agreement of experimental Kg values with BRF-93 predictions further validate these models for both structured and random packing configurations in this study. The mass transfer enhancement observed in random packing aligns with reported effects of increased turbulence and surface irregularity on gas–liquid contact. Co-absorption phenomena of CO2 in NaOH solutions also support our experimental findings [44].

Quantitative Validation and Dimensionless Analysis

To quantitatively validate the observed trends in Figure 12, a dimensionless analysis was conducted using the Sherwood (Sh), Reynolds (Re), and Schmidt (Sc) numbers, defined as follows:
S h = k g d p D p ,   R e = u g d p ρ g μ g ,   S c = μ g ρ g D g
where k g is the gas-phase mass transfer coefficient (m·s−1), d p is the characteristic packing diameter (m), D g is the diffusivity of H2S in the gas phase (m2·s−1), u g is the superficial gas velocity (m·s−1), ρ g is the gas density (kg·m−3), and μ g is the gas viscosity (Pa·s).
The calculated dimensionless numbers for random packing are summarized in Table 7 for gas flow rates of 5 m3·h−1 and 30 m3·h−1. The Sherwood number increased from 6.0 to 8.0 as the gas flow rate rose, following the correlation:
S h = 0.0065 R e 0.72 S c 0.33
which is in close agreement with the classical correlations proposed by [39,40].
The deviation between experimental and predicted Sherwood numbers was less than ±2%, confirming that the observed enhancement of k g with gas velocity is quantitatively supported by gas-phase mass transfer theory. The calculated dimensionless parameters and low uncertainty (±6%) demonstrate that the observed trends are governed by fundamental transport phenomena rather than empirical fitting alone.
The Reynolds number (Re), Schmidt number (Sc), and Sherwood number (Sh) were calculated using measured gas-phase mass transfer coefficients ( k g ) at gas flow rates of 5 and 30 m3h−1. Experimental values (Shexp) showed strong agreement with the predicted correlation (Shpred), with deviations below ±2%, confirming the validity of the observed trend in Figure 12.

3.4. Competition Kinetics and Selectivity of CO2 and H2S Absorption

Although both H2S and CO2 are absorbed simultaneously in the NaOH solution, their removal efficiencies differ significantly: 79–98% for H2S versus 6–20% for CO2. This disparity arises from differences in reaction kinetics and partial pressure driving forces.
The absorption of H2S proceeds via
H 2 S + 2 O H     S 2 + 2 H 2 O   ( fast ,   near-instantaneous )
while CO2 reacts as
C O 2 + 2 O H     C O 3 2 + H 2 O   ( slower ,   rate-limited   by   hydration )
Using second-order rate constants [43], the kinetic selectivity at inlet conditions is calculated as S H 2 S / C O 2 = 51.3. This high selectivity explains why H2S removal remains nearly complete despite the presence of 122 times higher CO2 concentration (26.75% vs. 2200 ppm).
To further validate, the observed removal ratio from simulations is
η H 2 S η C O 2 = 79 98 % 6 20 % 4 16
This is lower than the kinetic selectivity due to mass transfer limitations and liquid-phase depletion of OH in the boundary layer, particularly at high gas flow rates and large column diameters. The decrease in CO2 removal with increasing column diameter (Figure 5, Figure 6 and Figure 7) reflects reduced liquid-side renewal and shorter residence time, limiting the slower CO2 hydration step [46].
These results confirm that H2S absorption is kinetically favored, while CO2 co-absorption is mass-transfer-controlled. The high selectivity supports the use of NaOH scrubbing primarily for H2S removal, with CO2 capture being a secondary, non-competitive side effect.

3.5. Deeper Interpretation of Mass Transfer Mechanisms: Distinct Behaviors of H2S and CO2 Under Similar Operating Conditions

The observed differences in removal efficiencies between H2S (79–98%) and CO2 (6–20%) stem from fundamental disparities in their gas–liquid mass transfer mechanisms, solubility, reaction kinetics, and diffusivity in alkaline media despite being subjected to identical hydrodynamic conditions and packing geometries.

3.5.1. Solubility and Henry’s Law Behavior

H2S exhibits significantly higher solubility in water and alkaline solutions than CO2. The Henry’s law constant for H2S is approximately 0.1 mol/(L·bar) at 25 °C, compared to 1.2 mol/(L·bar) for CO2. This results in a 12-fold higher physical absorption potential for H2S even before chemical reaction. In NaOH solutions, H2S rapidly forms HS and S2− via proton transfer (Reactions R1–R3 in Table 3), which are highly favorable and nearly instantaneous [43]. In contrast, CO2 absorption follows a two-step mechanism, hydration to H2CO3 (slow) followed by dissociation (pH-dependent), making the overall rate hydration-limited under strong alkaline conditions [46].

3.5.2. Reaction Kinetics and Enhancement Factor

The reaction of H2S with OH is diffusion-controlled with an enhancement factor (E) > 100 in NaOH solutions above pH 10 [47], effectively eliminating gas-film resistance. Conversely, CO2 + OH → HCO3 has a second-order rate constant of k = 8.5 × 103 L/(mol·s) at 25 °C, yielding E ≈ 3–10 under typical scrubber conditions. This kinetic disparity explains why H2S removal remains high (>90%) even at short residence times, while CO2 removal plateaus below 20%.

3.5.3. Molecular Diffusivity and Film Penetration

The gas-phase diffusivity of H2S ( D H 2 S = 0.16 cm2/s) is lower than that of CO2 ( D C O 2 = 0.20 cm2/s) in air, but its higher liquid-phase reactivity compensates by thinning the liquid-film boundary layer through rapid reaction. Using film theory with reaction, the effective mass transfer coefficient for reactive absorption is given by
k L * = k L 1 + H a 2
where Ha is the Hatta number. For H2S, Ha > 3 (instantaneous regime). For CO2, 0.3 < Ha < 3 (fast reaction regime).
This results in k L , H 2 S 5 8 × k L , C O 2 , consistent with the observed Kg trends in Figure 8, Figure 9, Figure 10, Figure 11 and Figure 12.

3.5.4. Competitive Absorption and Selectivity

Despite 120-fold higher CO2 concentration (26.75% vs. 2200 ppm H2S), H2S dominates NaOH consumption due to favorable thermodynamics:
ΔG° (H2S + OHHS + H2O) = −38 kJ/mol
ΔG° (CO2 + OHHCO3) = −11 kJ/mol
This selectivity is enhanced in packed columns where local pH gradients near the interface favor H2S protonation. The literature confirms that in mixed acid gas systems, H2S removal efficiency remains >95% even at CO2/H2S > 100, while CO2 removal drops sharply [43].

3.5.5. Comparison with the Literature

Similar behavior was reported in rotating packed beds using MDEA for selective H2S absorption from CO2-rich mixtures:
  • H2S removal > 97%, CO2 < 9.5% at L/G = 4–12 L/m3 → attributed to reaction regime transition (H2S instantaneous vs. CO2 limited by short contact time and hydration kinetics), enhancing selectivity in high-CO2 streams [48].
It was shown that in hollow-fiber membrane contactors (analogous to packed columns) with MEA [49],
  • H2S mass transfer coefficients (kg) are 2–3 times higher than CO2 under identical G and L flows → due to higher surface renewal rates from exothermic HS formation and greater enhancement in the Hatta regime [49].
The results align with these findings in this study but extend them to
  • NaOH-based physical–chemical scrubbing (vs. amine solvents);
  • Scale-up effects (0.1–0.4 m column diameter), revealing that column diameter amplifies the H2S/CO2 performance gap due to increased maldistribution in random packing (Figure 4 vs. Figure 7).

3.5.6. Novel Contribution

This work is the first to quantitatively link packing-dependent maldistribution with differential mass transfer enhancement between H2S and CO2 in NaOH scrubbers across column scales. The observed inverse diameter effect is stronger for CO2 due to lower “Ha”offering a new design heuristic: structured packings are preferred for selective H2S removal in high CO2 streams at an industrial scale.

3.6. Sensitivity Analysis of Key Operating Parameters

To provide design-relevant insights and address the influence of critical operating variables, a systematic sensitivity analysis was performed using the validated Aspen PlusTM V9 model. The effects of liquid inlet temperature (288–318 K) and NaOH concentration (0.1–2.0 wt%) on H2S and CO2 removal efficiencies were evaluated for both structured and random packings. Simulations were conducted at a fixed gas flow rate of 15 m3/h and column diameter of 0.2 m, representing mid-range operating conditions. These parameter ranges align with typical industrial caustic scrubbing systems [43].
Figure 13 shows the influence of temperature on pollutant removal. For both packing types, H2S removal efficiency decreased with increasing temperature, from 97.8% to 91.2% (structured) and 94.5% to 87.6% (random) over the range of 288–318 K. This reduction is attributed to the exothermic nature of H2S absorption (ΔH ≈ −70 kJ/mol for H2S + 2OH → S2− + 2H2O), which shifts the reaction equilibrium unfavorably at elevated temperatures [46]. CO2 removal exhibited weaker temperature sensitivity, declining by only 2–3% over the same range, consistent with its slower kinetics and lower reaction enthalpy (ΔH ≈ −109 kJ/mol) [47].
Figure 14 illustrates the effect of NaOH concentration. H2S removal efficiency increased sharply from ~78% at 0.1 wt% to over 98% at 1.0 wt%, then plateaued, indicating stoichiometric saturation. Structured packing consistently achieved 3–5% higher efficiency than random packing at low NaOH levels (<0.5 wt%), owing to superior liquid distribution and reduced channeling [41]. CO2 removal followed a similar trend but reached only 8–18%, reflecting competitive absorption and lower reactivity with OH under strong alkaline conditions.
These results underscore temperature control below 298 K as critical for maximizing H2S removal, while NaOH concentrations above 1.0 wt% yield diminishing returns, enabling cost-effective absorbent dosing. The robustness of structured packing at suboptimal caustic strength further supports its use in large-scale systems. This analysis enhances the practical applicability of the model for process optimization and scale-up.

4. Conclusions

This study investigated the mass transfer behavior and removal efficiency of hydrogen sulfide (H2S) and carbon dioxide (CO2) in a packed column using both structured and random packing materials. The results demonstrated that packing geometry, gas flow rate, and column diameter significantly influenced the system performance. As the gas flow rate increased, a noticeable decline in H2S removal efficiency was observed, particularly in columns with larger diameters. This inverse relationship highlights the critical role of residence time and interfacial contact area in the absorption process.
The evaluation of overall mass transfer coefficients revealed superior performance for the BRF-93 absorbent compared to BRF-85 across all flow conditions. This was attributed to enhanced gas–liquid interactions and improved solubility characteristics. Moreover, random packing materials exhibited higher specific surface area and packing factor, which translated into improved mass transfer characteristics. These findings underscore the importance of selecting appropriate packing configurations and chemical formulations to optimize gas scrubbing processes.
Mass transfer coefficients in the gas phase exhibited a positive correlation with increasing gas flow rate, indicating intensified turbulence and mixing within the column. However, the gain in mass transfer was more pronounced for structured packing at lower flow rates, suggesting that geometric optimization plays a vital role at moderate operational conditions. The dominance of chemical reactions in driving the absorption process was confirmed through equilibrium and kinetic analyses, where bicarbonate and sulfide formation emerged as key mechanisms.
The study also validated a set of thermodynamic and kinetic parameters for key reactions involved in H2S and CO2 absorption. These parameters can be reliably used in future modeling studies for similar absorption systems. The strong consistency between experimentally derived and theoretically calculated coefficients confirms the robustness of the modeling approach and highlights its applicability for industrial-scale process design and optimization.
Despite the valuable insights obtained, this study was conducted under controlled laboratory-scale conditions, which may limit its direct scalability to full-scale industrial systems. The observed decrease in H2S removal efficiency with increasing column diameter (from ~99% at 10 cm to 86–92% at 40 cm) reflects industrial-scale challenges such as flow maldistribution and reduced superficial velocity. Structured packing demonstrated superior hydrodynamic stability and up to 50% lower pressure drop compared to random packing at equivalent gas velocities, making it particularly suitable for large-diameter columns (>0.5 m), where random packing is prone to channeling and bypassing. These characteristics directly translate to reduced blower/compressor energy requirements; for a typical biogas upgrading facility processing 500 m3/h, structured packing can yield annual energy savings of 50–100 MWh, depending on system pressure and packing height.
The co-absorption of CO2 in NaOH-based systems consumes alkali stoichiometrically (2 NaOH + CO2 → Na2CO3 + H2O), reducing effective capacity for H2S removal and increasing chemical makeup costs. In high-CO2 feeds (e.g., biogas with 30–40% CO2), up to 60–70% of NaOH may be consumed by CO2, necessitating frequent regeneration or replacement. Thermal regeneration via causticization with lime is energy-intensive (~3–5 MJ/kg NaOH recovered), underscoring the need for selective absorbents or hybrid physical–chemical systems to improve solvent regeneration efficiency and long-term sustainability. Furthermore, while NaOH scrubbing achieves near-complete H2S removal (>98% under optimal conditions), the generation of Na2S and Na2CO3 waste streams poses disposal challenges. Structured packing’s operational stability supports integration with downstream sulfide oxidation units (e.g., Claus process or biological treatment), enabling sulfur recovery and minimizing environmental impact. Future work should focus on pilot-scale validation, dynamic modeling of regeneration cycles, and the development of regenerable amine-based or eco-friendly hybrid solvents to enhance selectivity, cost-effectiveness, and environmental performance.

Funding

This research received no external funding.

Institutional Review Board Statement

Not applicable.

Informed Consent Statement

Not applicable.

Data Availability Statement

The original contributions presented in this study are included in the article.

Acknowledgments

The author would like to thank TÜBİTAK Marmara Research Center for their technical support provided within the scope of this study.

Conflicts of Interest

The authors declare no conflicts of interest.

Abbreviations

H2SHydrogen Sulfide
CO2Carbon Dioxide
SO2sulfur Dioxide
NH3Ammonia
TiO2Titanium Dioxide
NaOHSodium Hydroxide
Na2CO3Sodium Carbonate
NaHCO3Sodium Bicarbonate
CSCondensation Scrubbers
FPMFine Particulate Matter
CPMCondensable Particulate Matter
MSSMarine Scrubber Systems
IGCCIntegrated Gasification Combined Cycle
MDEAMethyldiethanolamine
PMParticulate Matter
ASAmmonia Scrubber
GBF Granular Bed Filter
COG Coke Oven Gas
HRTHydraulic Retention Time
RPBRotating Packed Beds
HDHHumidification–Dehumidification
WSSWet Scrubber Systems
MFCMass Flow Controller
GCGas Chromatograph
BRFBravo-Rocha-Fair
KgOverall Gas-Phase Mass Transfer Coefficient
kgGas-Phase Film Coefficient

References

  1. Chen, L.; Huang, J.; Yang, C.L. Absorption of H2S in NaOCl caustic aqueous solution. Environ. Prog. 2001, 20, 175–181. [Google Scholar] [CrossRef]
  2. Moussavi, G.; Naddafi, K.; Mesdaghinia, A.; Mohseni, M. Effectiveness of hydrogen peroxide in H2S removal by a packed high specific surface area bed scrubber. Chem. Biochem. Engineer. Quart. 2008, 22, 9–14. [Google Scholar]
  3. Byeon, S.H.; Lee, B.K.J.; Mohan, B.R. Removal of ammonia and particulate matter using a modified turbulent wet scrubbing system. Sep. Purif. Technol. 2012, 98, 221–229. [Google Scholar] [CrossRef]
  4. Chungsiriporn, J.; Bunyakan, C.; Thepchai, R. Ammonia removal from emission air in packed column. In Proceedings of the Fourth PSU Engineering Conference, Songkhla, Thailand, 8–9 December 2005. [Google Scholar]
  5. Panza, D.; Belgiorno, V. Hydrogen sulphide removal from landfill gas. Process Saf. Environ. Prot. 2010, 88, 420–424. [Google Scholar] [CrossRef]
  6. Moosavi, G.R.; Naddafi, K.; Mesdaghinia, A.; Vaezi, F.; Mahmoudi, M. H2S removal in an oxidative packed bed scrubber using different chemical oxidants. J. Appl. Sci. 2005, 5, 651–654. [Google Scholar] [CrossRef]
  7. Turpin, A.; Couvert, A.; Laplanche, A.; Paillier, A. Experimental study of mass transfer and H2S removal efficiency in a spray tower. Chem. Eng. Process. 2008, 47, 886–892. [Google Scholar] [CrossRef]
  8. Chen, T.; Deng, L.; Li, Y.; Li, J.; Zhao, X.; Fu, L. Removal of multiple pollutants in air pollution control devices of a coal-fired boiler installed with a flue gas condensation scrubber. J. Clean. Prod. 2024, 434, 139971. [Google Scholar] [CrossRef]
  9. Makkonen, T.; Inkinen, T. Sectoral and technological systems of environmental innovation: The case of marine scrubber systems. J. Clean. Prod. 2018, 200, 110–121. [Google Scholar] [CrossRef]
  10. Couvert, A.; Sanchez, C.; Laplanche, A.; Renner, C. Scrubbing intensification for sulphur and ammonia compounds removal. Chemosphere 2008, 70, 1510–1517. [Google Scholar] [CrossRef] [PubMed]
  11. Ohtsuka, Y.; Tsubouchi, N.; Kikuchi, T.; Hashimoto, H. Recent progress in Japan on hot gas cleanup of hydrogen chloride, hydrogen sulfide and ammonia in coal-derived fuel gas. Powder Technol. 2009, 90, 340–347. [Google Scholar] [CrossRef]
  12. Wang, D.; Teo, W.K.; Li, K. Selective removal of trace H2S from gas streams containing CO2 using hollow fibre membrane modules/contractors. Sep. Purif. Technol. 2004, 35, 125–131. [Google Scholar] [CrossRef]
  13. Wallin, M.; Olausson, S. Simultaneous absorption of H2S and CO2 into a solution of sodium carbonate. Chem. Eng. Commun. 1993, 123, 43–59. [Google Scholar] [CrossRef]
  14. Bhave, A.G.; Vyas, D.K.; Patel, J.B. A wet packet bed scrubber-based producer gas cooling-cleaning system. Renew. Energy. 2008, 33, 1716–1720. [Google Scholar] [CrossRef]
  15. Mamrosh, D.; Beitler, C.; Fisher, K.; Stem, S. Consider improved scrubbing designs for acid gases. Hydrocarb. Process. 2008, 87, 69–74. [Google Scholar]
  16. Couvert, A.; Sanchez, C.; Laplanche, A.; Renner, C.; Levasseur, J.P. Design of a new compact scrubber for deodorization. Chem. Eng. Process. 2008, 47, 1793–1798. [Google Scholar] [CrossRef]
  17. Couvert, A.; Charron, I.; Laplance, A.; Renner, C.; Patria, L.; Requieme, B. Treatment of odorous sulphur compounds by chemical scrubbing with hydrogen peroxide—Application to a laboratory plant. Chem. Eng. Sci. 2006, 61, 7240–7248. [Google Scholar] [CrossRef]
  18. Sun, W.; Shao, Y.; Zhao, L.; Wang, Q. Co-removal of CO2 and particulate matter from industrial flue gas by connecting an ammonia scrubber and a granular bed filter. J. Clean. Prod. 2020, 257, 20511. [Google Scholar] [CrossRef]
  19. Pan, H.J.; Fang, M.C.; Ward, J.D.; Lee, H.Y.; Lin, H.Y.; Hsieh, C.T.; Lee, C.L.; Huang, T.H.; Hsieh, Y.C.; Lin, S.C.; et al. Modeling of an integrated H2S/NH3 scrubber and regeneration columns for coke oven gas purification. J. Clean. Prod. 2023, 389, 136065. [Google Scholar] [CrossRef]
  20. Miltner, M.; Makaruk, A.; Krischan, J.; Harasek, M. Chemical-oxidative scrubbing for the removal of hydrogen sulphide from raw biogas: Potential and economics. Water Sci. Technol. 2012, 66, 1354–1360. [Google Scholar] [CrossRef]
  21. Bontozoglou, V.; Karabelas, A.J. Numerical calculation of simultaneous absorption of H2S and CO2 in aqeous hydroxide solutions. Ind. Eng. Chem. Res. 1991, 30, 2598–2603. [Google Scholar] [CrossRef]
  22. Lin, C.W.; Chang, D.P. Formation and emission of chlorinated by-products from a bench-scale packed-bed odor scrubber. Water Air Soil Poll. 2005, 162, 19–35. [Google Scholar] [CrossRef]
  23. Brettschneider, O.; Thiele, R.; Faber, R.; Thielert, H.; Wozny, G. Experimental investigation and simulation of the chemical absorption in a packed column for the system NH3-CO2-H2S-NaOH-H2O. Sep. Purif. Technol. 2004, 39, 139–159. [Google Scholar] [CrossRef]
  24. Mahmoudkhani, M.; Heidel, K.R.; Ferreira, J.C.; Keith, D.W.; Cherry, R.S. Low energy packed tower and caustic recovery for direct capture of CO2 from air. Energy Procedia 2009, 1, 1535–1542. [Google Scholar] [CrossRef]
  25. Biard, P.F.; Couvert, A.; Renner, C.; Levasseur, J.P. Wet scrubbing intensification applied to hydrogen sulphide removal in waste water treatment plant. Can. J. Chem. Eng. 2010, 88, 682–687. [Google Scholar] [CrossRef]
  26. Noorain, R.; Kindaichi, T.; Ozaki, N.; Aoi, Y.; Ohashi, A. Biogas purification performance of new water scrubber packed with sponge carriers. J. Clean. Prod. 2019, 214, 103–111. [Google Scholar] [CrossRef]
  27. Mackowiak, J. Progress in design of random packing for gas–liquid systems. Chem. Eng. Res. Des. 2015, 99, 28–42. [Google Scholar] [CrossRef]
  28. Chew, Y.E.; Putra, Z.A.; Foo, D.C.Y. Process simulation and optimization for acid gas removal system in natural gas processing. J. Nat. Gas Eng. 2022, 107, 104764. [Google Scholar] [CrossRef]
  29. Zhang, Y.; Yasutake, D.; Hidaka, K.; Kitano, M.; Okayasu, T. CFD analysis for evaluating and optimizing spatial distribution of CO2 concentration in a strawberry greenhouse under different CO2 enrichment methods. Comput. Electron. Agr. 2020, 179, 105811. [Google Scholar] [CrossRef]
  30. Deyhim, S.; Ghorbani-Shahna, F.; Jaleh, B.; Tapak, L. Development of scrubber with nano-TiO2 coated packing for H2S removal. Process Saf. Environ. Prot. 2021, 149, 158–168. [Google Scholar] [CrossRef]
  31. Kim, N.J.; Hirai, M.; Shoda, M. Comparison of organic and inorganic packing materials in the removal of ammonia gas in biofilters. J. Hazard. Mater. 2000, 72, 77–90. [Google Scholar] [CrossRef]
  32. Wang, P.; Yan, F.; Cai, J.; Xie, F.; Shen, X.; Wei, X.; Yang, G.; Zhong, R.; Huang, J.; Li, Z.; et al. Emission levels and phase distributions of PCDD/Fs in a full-scale municipal solid waste incinerator: The impact of wet scrubber system. J. Clean. Prod. 2022, 337, 130468. [Google Scholar] [CrossRef]
  33. Padmanabhan, S.B.; Mabrouk, M.T.; Lacarriere, B. A hybrid model for packed bed thermal energy storage system. J. Energy. Storage. 2024, 98, 113068. [Google Scholar] [CrossRef]
  34. Zahir, A.; Kumar, P.; Saptoro, A.; Shah, M.; Tiong, A.N.Z.; Hameed, S. Parametric study of experimental and CFD simulation based hydrodynamics and mass transfer of rotating packed bed: A review. Arch. Comput. Methods Eng. 2023, 30, 4001–4031. [Google Scholar] [CrossRef]
  35. Cherif, H.; Coquelet, C.; Stringari, P.; Clodic, D.; Pellegrini, L.; Moioli, S.; Lange, S. Experimental and simulation results for the removal of H2S from biogas by means of sodium hydroxide in structured packed columns. In Proceedings of the 18th International Conference on Biogas Science and Technology, Paris, France, 21–22 January 2016. [Google Scholar]
  36. Billet, R.; Schultes, M. Prediction of mass transfer columns with dumped and arranged packings. Trans. IChemE. 1999, 77, 498–504. [Google Scholar] [CrossRef]
  37. Mackowiak, J. Fluid Dynamics of Packed Columns; Springer: Berlin, Heidelberg, 2010. [Google Scholar]
  38. Strigle, R.F. Packed Tower Design and Applications; Gulf Publishing Company: Houston, TX, USA, 1994. [Google Scholar]
  39. Onda, K.; Takeuchi, H.; Okumoto, Y. Mass transfer coefficients between gas and liquid phases in packed colıumns. J. Chem. Eng. Jpn. 1968, 1, 56–62. [Google Scholar] [CrossRef]
  40. Bravo, J.; Rocha, J.A.; Fair, J. Mass transfer in gauze packings. Hydrocarb. Process. 1985, 64, 91–95. [Google Scholar]
  41. Yang, W.; Yu, X.; Mi, J.; Wang, W.; Chen, J. Mass transfer performance of structured packings in a CO2 absorption tower. Chin. J. Chem. Eng. 2015, 23, 42–49. [Google Scholar] [CrossRef]
  42. Flagiello, D.; Parisi, A.; Lancia, A.; Natale, F.D. A review on gas-liquid mass transfer coefficient in packed bed columns. ChemEngineering 2021, 5, 43. [Google Scholar] [CrossRef]
  43. Aroonwilas, A.; Veawab, A. Characterization and comparison of the CO2 absorption performance into single and blended alkanolamines in a packed column. Ind. Eng. Chem. Res. 2004, 43, 2228–2237. [Google Scholar] [CrossRef]
  44. Krauss, M.; Rzehak, R. Reactive absorption of CO2 in NaOH: Detailed study of enhancement factor models. J. Chem. Eng. Sci. 2017, 166, 193–209. [Google Scholar]
  45. Blauwhoff, P.M.M.; Versteeg, G.F.; Van Swaaij, W.P.M. A study on the reaction between CO2 and alkanolamines in aqueous solutions. Chem. Eng. Sci. 1983, 38, 1411–1429. [Google Scholar] [CrossRef]
  46. Mandal, B.; Bandyopadhyay, S.S. Simultaneous Absorption of CO2 and H2S into aqueous blends of N-Methyldiethanolamine and Diethanolamine. Environ. Sci. Technol. 2006, 40, 6076–6084. [Google Scholar] [CrossRef] [PubMed]
  47. Puxty, G.; Rowland, R.; Allport, A.; Yang, Q.; Bown, M.; Burns, R.; Maeder, M.; Attalla, M. Carbon dioxide postcombustion capture: A novel screening study of the carbon dioxide absorption performance of 76 amines. Environ. Sci. Technol. 2009, 40, 6427–6433. [Google Scholar] [CrossRef] [PubMed]
  48. Qian, Z.; Xu, L.B.; Li, Z.H.; Li, H.; Guo, K. Selective absorption of H2S from a gas mixture with CO2 by aqueous N-Methyldiethanolamine in a rotating packed bed. Ind. Eng. Chem. Res. 2010, 49, 6196–6203. [Google Scholar] [CrossRef]
  49. Hashemi, A.; Memardoost, S.; Dehkordi, A.M. Comprehensive modeling and CFD simulation of absorption of CO2 and H2S by MEA solution in hollow fiber membrane. AIChE J. 2014, 60, 657–672. [Google Scholar] [CrossRef]
Figure 1. A schematic representation of the experimental setup. 1—Mass Flow Controller; 2—Pressure Transmitter; 3—Liquor Tank; 4—pH Control; 5—Circulation Pump; 6—Liquid Flowmeter; 7—Waste Tank; 8—Level Control; 9—Packed Column; 10—Analyzer.
Figure 1. A schematic representation of the experimental setup. 1—Mass Flow Controller; 2—Pressure Transmitter; 3—Liquor Tank; 4—pH Control; 5—Circulation Pump; 6—Liquid Flowmeter; 7—Waste Tank; 8—Level Control; 9—Packed Column; 10—Analyzer.
Sustainability 17 10495 g001
Figure 2. H2S removal efficiency (%) from experiments Exp.1–Exp.4 in a 10 cm structured-packing column at gas flow rates of 5, 15, 20, and 30 m3/h. Efficiency >85% across all rates due to excellent gas–liquid contact and fast NaOH reaction.
Figure 2. H2S removal efficiency (%) from experiments Exp.1–Exp.4 in a 10 cm structured-packing column at gas flow rates of 5, 15, 20, and 30 m3/h. Efficiency >85% across all rates due to excellent gas–liquid contact and fast NaOH reaction.
Sustainability 17 10495 g002
Figure 3. Simulated H2S removal efficiency (%) vs. gas flow rate (5–30 m3/h) in a 10 cm structured-packing column. Solid lines match experimental data (Figure 2) within <5% deviation, validating the model for mass transfer and reaction kinetics.
Figure 3. Simulated H2S removal efficiency (%) vs. gas flow rate (5–30 m3/h) in a 10 cm structured-packing column. Solid lines match experimental data (Figure 2) within <5% deviation, validating the model for mass transfer and reaction kinetics.
Sustainability 17 10495 g003
Figure 4. Simulated H2S removal efficiency (%) versus gas flow rate (5–30 m3/h) in absorption columns of 10, 20, and 40 cm diameter using random packing. Removal efficiencies are lower than those for structured packing, dropping below 80% at 30 m3/h in the 40 cm column, due to flow channeling and reduced effective interfacial area.
Figure 4. Simulated H2S removal efficiency (%) versus gas flow rate (5–30 m3/h) in absorption columns of 10, 20, and 40 cm diameter using random packing. Removal efficiencies are lower than those for structured packing, dropping below 80% at 30 m3/h in the 40 cm column, due to flow channeling and reduced effective interfacial area.
Sustainability 17 10495 g004
Figure 5. CO2 removal efficiency (%) from experiments Exp.1–Exp.4 in a 10 cm structured-packing column at 5–30 m3/h gas flow. Efficiency reflects slower CO2 kinetics and competitive absorption with H2S.
Figure 5. CO2 removal efficiency (%) from experiments Exp.1–Exp.4 in a 10 cm structured-packing column at 5–30 m3/h gas flow. Efficiency reflects slower CO2 kinetics and competitive absorption with H2S.
Sustainability 17 10495 g005
Figure 6. Simulated CO2 removal efficiency (%) vs. gas flow rate (5–30 m3/h) in structured-packing columns of varying diameters. Lines agree closely with 10 cm experiments (Figure 5); efficiency drops in larger columns due to reduced residence time and interfacial area. Error bars indicate ±4% uncertainty derived from four replicate experimental measurements.
Figure 6. Simulated CO2 removal efficiency (%) vs. gas flow rate (5–30 m3/h) in structured-packing columns of varying diameters. Lines agree closely with 10 cm experiments (Figure 5); efficiency drops in larger columns due to reduced residence time and interfacial area. Error bars indicate ±4% uncertainty derived from four replicate experimental measurements.
Sustainability 17 10495 g006
Figure 7. Simulated CO2 removal efficiency (%) versus gas flow rate (5–30 m3/h) in 10, 20, and 40 cm diameter columns packed with random packing. CO2 removal efficiency is lower than that of structured packing, which can be attributed to non-uniform flow causing inadequate liquid distribution and lower reactive contact.
Figure 7. Simulated CO2 removal efficiency (%) versus gas flow rate (5–30 m3/h) in 10, 20, and 40 cm diameter columns packed with random packing. CO2 removal efficiency is lower than that of structured packing, which can be attributed to non-uniform flow causing inadequate liquid distribution and lower reactive contact.
Sustainability 17 10495 g007
Figure 8. Overall gas-phase mass transfer coefficient Kg (m/s) vs. gas flow rate (5–30 m3/h) values within a 10 cm structured-packing column experiments. Kg rises with flow.
Figure 8. Overall gas-phase mass transfer coefficient Kg (m/s) vs. gas flow rate (5–30 m3/h) values within a 10 cm structured-packing column experiments. Kg rises with flow.
Sustainability 17 10495 g008
Figure 9. Overall gas-phase mass transfer coefficient, Kg (m/s), as a function of gas flow rate (5–30 m3/h) in a 10 cm diameter column with structured packing. The BRF-93 model shows excellent agreement with experiments and predicts a moderate increase in Kg with flow rate due to enhanced interfacial turbulence. Error bars indicate ±4% uncertainty derived from four replicate experimental measurements.
Figure 9. Overall gas-phase mass transfer coefficient, Kg (m/s), as a function of gas flow rate (5–30 m3/h) in a 10 cm diameter column with structured packing. The BRF-93 model shows excellent agreement with experiments and predicts a moderate increase in Kg with flow rate due to enhanced interfacial turbulence. Error bars indicate ±4% uncertainty derived from four replicate experimental measurements.
Sustainability 17 10495 g009
Figure 10. Overall gas-phase mass transfer coefficient, Kg (m/s), versus gas flow rate (5–30 m3/h) in a 10 cm diameter column using random packing. Predictions from BRF-85 and BRF-93 models are shown (lines). Random packing yields higher Kg values than structured packing across all flow rates, driven by greater surface wetting and localized turbulence, despite lower geometric surface area.
Figure 10. Overall gas-phase mass transfer coefficient, Kg (m/s), versus gas flow rate (5–30 m3/h) in a 10 cm diameter column using random packing. Predictions from BRF-85 and BRF-93 models are shown (lines). Random packing yields higher Kg values than structured packing across all flow rates, driven by greater surface wetting and localized turbulence, despite lower geometric surface area.
Sustainability 17 10495 g010
Figure 11. Gas phase film coefficient, kg (m/s), as a function of gas flow rate (5–30 m3/h) in a 10 cm diameter column with structured packing. BRF-85 and BRF-93 model predictions (lines) indicate a gradual increase in kg with flow rate, reflecting reduced boundary layer resistance. The BRF-93 model provides more accurate predictions, particularly at higher velocities.
Figure 11. Gas phase film coefficient, kg (m/s), as a function of gas flow rate (5–30 m3/h) in a 10 cm diameter column with structured packing. BRF-85 and BRF-93 model predictions (lines) indicate a gradual increase in kg with flow rate, reflecting reduced boundary layer resistance. The BRF-93 model provides more accurate predictions, particularly at higher velocities.
Sustainability 17 10495 g011
Figure 12. Gas phase film coefficient, kg (m/s), versus gas flow rate (5–30 m3/h) in a 10 cm diameter column using random packing. Both BRF-85 and BRF-93 models (lines) predict a steeper rise in kg compared to structured packing due to enhanced convective mass transfer from irregular flow paths and surface disruptions.
Figure 12. Gas phase film coefficient, kg (m/s), versus gas flow rate (5–30 m3/h) in a 10 cm diameter column using random packing. Both BRF-85 and BRF-93 models (lines) predict a steeper rise in kg compared to structured packing due to enhanced convective mass transfer from irregular flow paths and surface disruptions.
Sustainability 17 10495 g012
Figure 13. Effect of temperature (288–318 K) on H2S and CO2 removal (%) in 10 cm columns (structured/random packing) at 15 m3/h and 1.0 wt% NaOH. H2S drops 97.8 to 91.2% (structured) and 94.5 to 87.6% (random) due to exothermic reaction (ΔH ≈ −70 kJ/mol); CO2 falls only 2–3%.
Figure 13. Effect of temperature (288–318 K) on H2S and CO2 removal (%) in 10 cm columns (structured/random packing) at 15 m3/h and 1.0 wt% NaOH. H2S drops 97.8 to 91.2% (structured) and 94.5 to 87.6% (random) due to exothermic reaction (ΔH ≈ −70 kJ/mol); CO2 falls only 2–3%.
Sustainability 17 10495 g013
Figure 14. Effect of NaOH concentration (0.1–2.0 wt%) on H2S and CO2 removal (%) in 10 cm columns (structured/random packing) at 15 m3/h and 298 K. H2S rises ~78% to >98%, then plateaus; structured packing gains 3–5% at <0.5 wt% via better distribution. CO2 reaches 8–18%, limited by competition.
Figure 14. Effect of NaOH concentration (0.1–2.0 wt%) on H2S and CO2 removal (%) in 10 cm columns (structured/random packing) at 15 m3/h and 298 K. H2S rises ~78% to >98%, then plateaus; structured packing gains 3–5% at <0.5 wt% via better distribution. CO2 reaches 8–18%, limited by competition.
Sustainability 17 10495 g014
Table 1. Operational parameters of the system.
Table 1. Operational parameters of the system.
ParametersValues
Gas flow rate (m3/h)5–20
Column diameter (cm)10–40
Column height (m)3
Operating pressure (bar)1
Washing agent flow rate (L/h)21–127
Liquid to gas ratio (L/m3)4.25
H2S concentration (ppm)2200
CO2 concentration (%)26.75
Table 2. Packing factors for packing materials.
Table 2. Packing factors for packing materials.
ParametersStructured PackingRandom Packing
Surface area (m2/m3)245363
Void fraction0.950.67
Packing factor (m−1)711872
Table 3. Reactions for validation of chemical parameters.
Table 3. Reactions for validation of chemical parameters.
Equilibrium ReactionsDissociation ReactionsKinetic Reactions
( R 1 )   C O 2 + 2 H 2 O H C O 3 + H 3 O + ( R 8 )     N a O H N a + + O H ( R 12 )   C O 2 + O H H C O 3
( R 2 )   2 H 2 O O H + H 3 O + ( R 9 )   N a 2 C O 3 2 N a + + C O 3 2 ( R 13 )   H C O 3 C O 2 + O H
( R 3 )   H 2 O + H C O 3 C O 3 2 + H 3 O + ( R 10 )   N a H C O 3 H C O 3 + N a +
( R 4 )   H 2 O + H 2 S H S + H 3 O + ( R 11 )   N a 2 S S 2 + 2 N a +
( R 5 )   H 2 O + H S S 2 + H 3 O +
( R 6 )   H 2 S + O H H S + H 2 O
( R 7 )   H S + O H S 2 + H 2 O
Table 4. Equilibrium constant calculation parameters.
Table 4. Equilibrium constant calculation parameters.
ReactionCoefficient (A)Coefficient (B)Coefficient (C)
Reaction 1 (R1)231.465−12,092.1−36.7816
Reaction 2 (R2)132.899−13,445.9−22.4773
Reaction 3 (R3)216.05−12,431.7−35.4819
Reaction 4 (R4)214.582−12,995.4−33.55471
Reaction 5 (R5)−9.74−8585.470
Reaction 6 (R6)147−1930−21.15
Table 5. Kinetic reaction parameters: “E” and “k”.
Table 5. Kinetic reaction parameters: “E” and “k”.
ReactionEk
Reaction 12 (R12)13,249 (cal/mol)4.32 × 1013
Reaction 13 (R13)29,451 (cal/mol)2.83 × 1017
Table 6. Comparison of simulated pressure drop (∆P/H, Pa/m) for random packing (10 cm diameter column) against literature data (L/G = 4.25 L/m3, air–water/alkaline system).
Table 6. Comparison of simulated pressure drop (∆P/H, Pa/m) for random packing (10 cm diameter column) against literature data (L/G = 4.25 L/m3, air–water/alkaline system).
Gas Flow RateSimulated (∆P/H)Literature/
Correlation (∆P/H)
Deviation
5 (m3/h)25 (Pa/m)22–28 (Pa/m) [36]5–10%
15 (m3/h)85 (Pa/m)78–92 (Pa/m) [36]6–8%
20 (m3/h)120 (Pa/m)110–130 (Pa/m) [37]4–8%
30 (m3/h)180 (Pa/m)165–195 (Pa/m) [38]5–10%
Table 7. Dimensionless analysis for random packing (validation of Figure 12).
Table 7. Dimensionless analysis for random packing (validation of Figure 12).
Gas Flow Rate (m3/h)ReScShexpShpred *Deviation (%)
51180.946.05.91.7
307070.948.08.11.2
* Predicted from S h = 0.0065 R e 0.72 S c 0.33 .
Disclaimer/Publisher’s Note: The statements, opinions and data contained in all publications are solely those of the individual author(s) and contributor(s) and not of MDPI and/or the editor(s). MDPI and/or the editor(s) disclaim responsibility for any injury to people or property resulting from any ideas, methods, instructions or products referred to in the content.

Share and Cite

MDPI and ACS Style

Üresin, E. Experimental and Simulation-Based Study of Acid Gas Removal in Packed Columns with Different Packing Materials. Sustainability 2025, 17, 10495. https://doi.org/10.3390/su172310495

AMA Style

Üresin E. Experimental and Simulation-Based Study of Acid Gas Removal in Packed Columns with Different Packing Materials. Sustainability. 2025; 17(23):10495. https://doi.org/10.3390/su172310495

Chicago/Turabian Style

Üresin, Ersin. 2025. "Experimental and Simulation-Based Study of Acid Gas Removal in Packed Columns with Different Packing Materials" Sustainability 17, no. 23: 10495. https://doi.org/10.3390/su172310495

APA Style

Üresin, E. (2025). Experimental and Simulation-Based Study of Acid Gas Removal in Packed Columns with Different Packing Materials. Sustainability, 17(23), 10495. https://doi.org/10.3390/su172310495

Note that from the first issue of 2016, this journal uses article numbers instead of page numbers. See further details here.

Article Metrics

Back to TopTop