Application of Calcium Carbonate in the Pharmaceutical Removal Process
Abstract
1. Introduction
2. Materials and Methods
2.1. Materials
2.2. CaCO3 Production Method
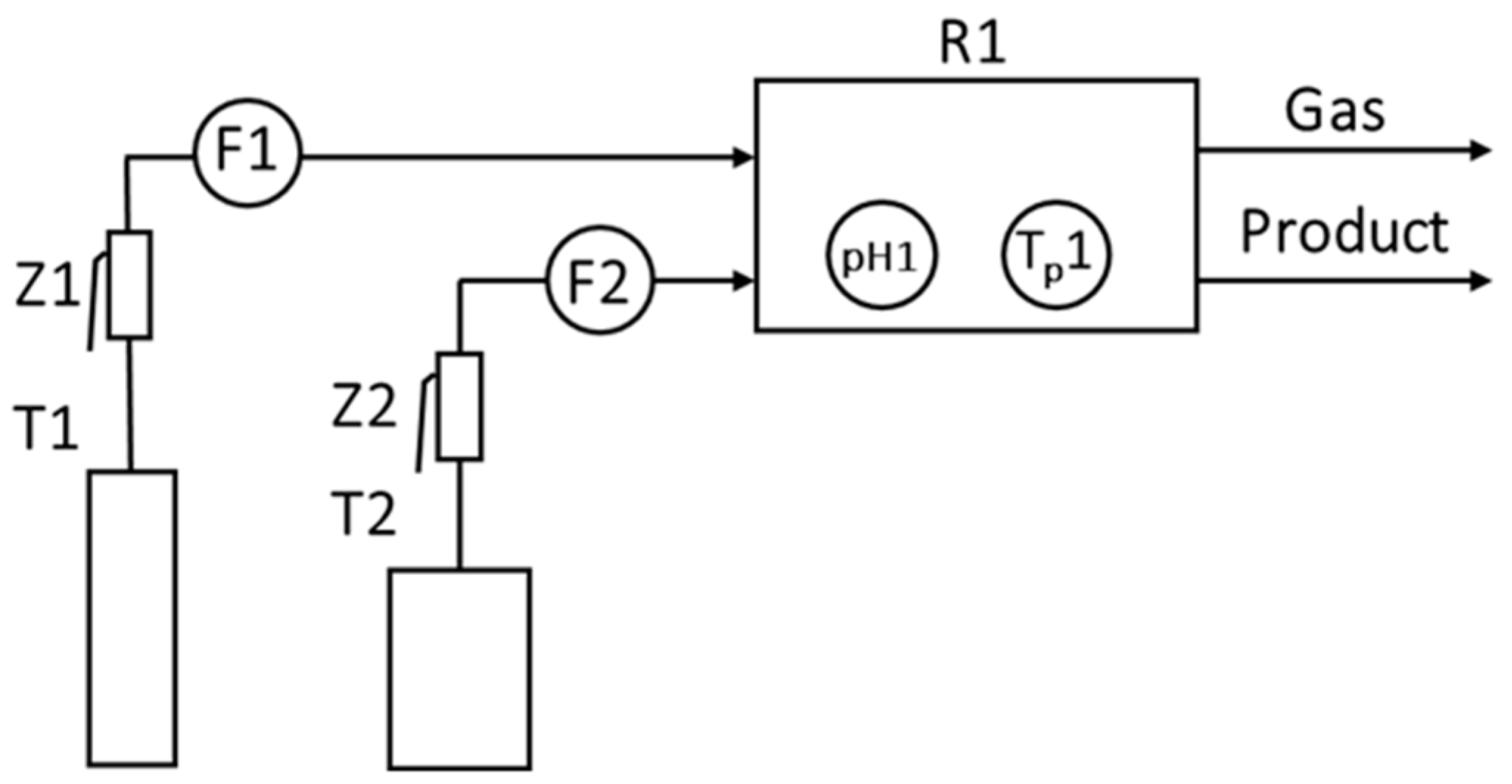
2.3. Method of Membrane Preparation
2.4. Testing of Materials Structure
2.5. Testing of CaCO3 Adsorption Properties
2.6. Testing of CaCO3 Antibacterial Properties
3. Results and Discussion
3.1. Analysis of the Materials’ Structure
3.2. Mechanisms of Pharmaceutical Substance Adsorption on CaCO3 Particles and Membrane Materials
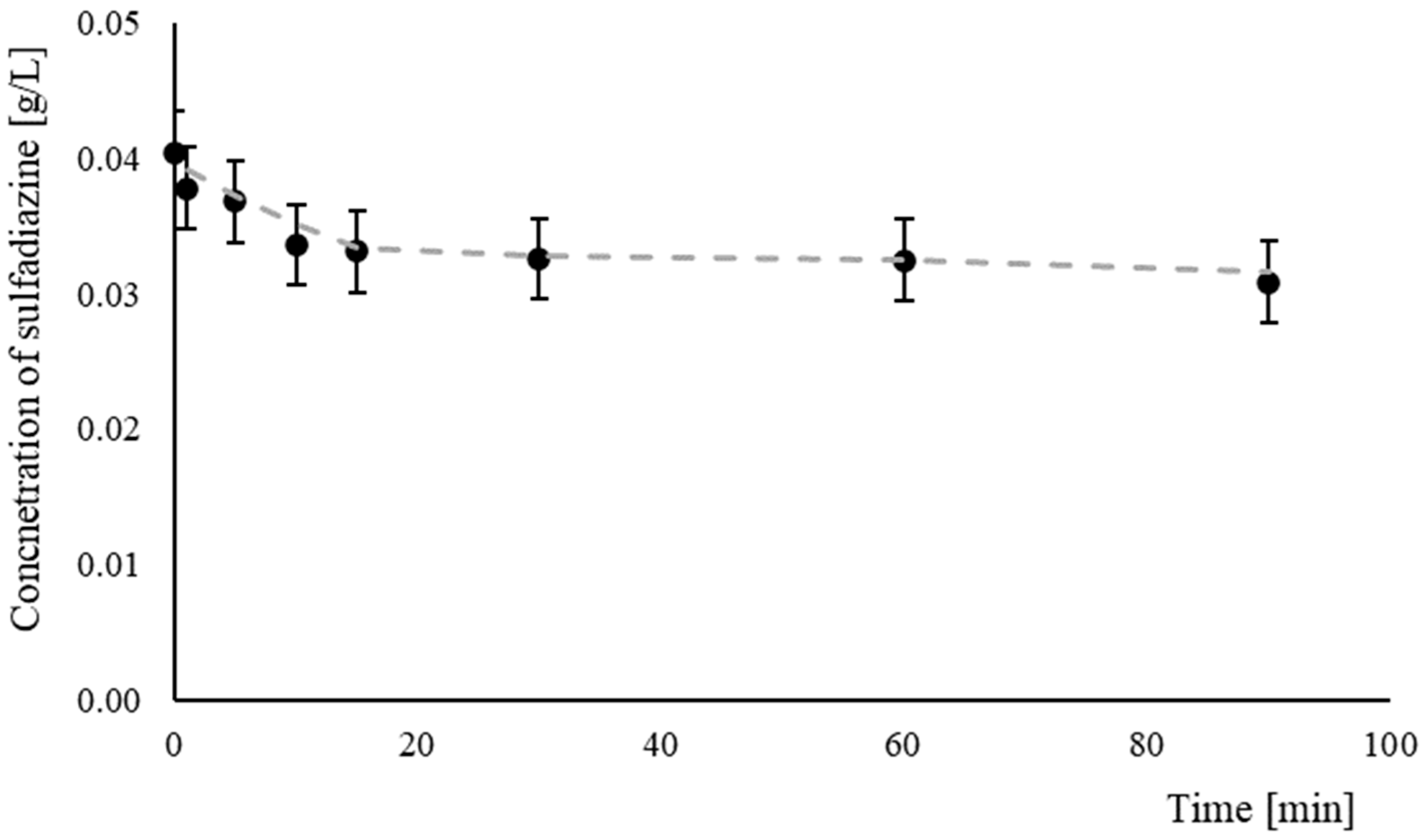
3.3. Adsorption Stationary System
3.4. Adsorption Flow System
3.5. Filtration-Adsorption System
- PZO
- PFO
- PSO
- PTO
3.6. Antibacterial Properties
3.7. Adsorbents Comparison
4. Conclusions
Author Contributions
Funding
Institutional Review Board Statement
Informed Consent Statement
Data Availability Statement
Acknowledgments
Conflicts of Interest
References
- Rodriguez-Narvaez, O.M.; Peralta-Hernandez, J.M.; Goonetilleke, A.; Bandala, E.R. Treatment technologies for emerging contaminants in water: A review. Chem. Eng. J. 2017, 323, 361–380. [Google Scholar] [CrossRef]
- O’Flynn, D.; Lawler, J.; Yusuf, A.; Parle-McDermott, A.; Harold, D.; Mc Cloughlin, T.; Holland, L.; Regan, F.; White, B. A review of pharmaceutical occurrence and pathways in the aquatic environment in the context of a changing climate and the COVID-19 pandemic. Anal. Methods 2021, 13, 575–594. [Google Scholar] [CrossRef]
- Xu, L.; Zhang, H.; Xiong, P.; Zhu, Q.; Liao, C.; Jiang, G. Occurrence, fate, and risk assessment of typical tetracycline antibiotics in the aquatic environment: A review. Sci. Total Environ. 2021, 753, 141975. [Google Scholar] [CrossRef]
- Angeles, L.F.; Mullen, R.A.; Huang, I.J.; Wilson, C.; Khunjar, W.; Sirotkin, H.I.; McElroy, A.E.; Aga, D.S. Assessing pharmaceutical removal and reduction in toxicity provided by advanced wastewater treatment systems. Environ. Sci. Water Res. Technol. 2020, 6, 62–77. [Google Scholar] [CrossRef]
- Dadgostar, P. Antimicrobial resistance: Implications and costs. Infect. Drug Resist. 2019, 12, 3903–3910. [Google Scholar] [CrossRef]
- Holmes, A.H.; Moore, L.S.; Sundsfjord, A.; Steinbakk, M.; Regmi, S.; Karkey, A. Understanding the mechanisms and drivers of antimicrobial resistance. Lancet 2015, 387, 176–187. [Google Scholar] [CrossRef]
- Salam, M.A.; Al-Amin, M.Y.; Salam, M.T.; Pawar, J.S.; Akhter, N.; Rabaan, A.A.; Alqumber, M.A. Antimicrobial resistance: A growing serious threat for global public health. Healthcare 2023, 11, 1946. [Google Scholar] [CrossRef]
- Mompelat, S.; Le Bot, B.; Thomas, O. Occurrence and fate of pharmaceutical products and by-products, from resource to drinking water. Environ. Int. 2019, 35, 803–814. [Google Scholar] [CrossRef]
- Nikolaou, A.; Meric, S.; Fatta, D. Occurrence patterns of pharmaceuticals in water and wastewater environments. Anal. Bioanal. Chem. 2017, 387, 1225–1234. [Google Scholar] [CrossRef]
- Bottoni, P.; Caroli, S.; Caracciolo, A.B. Pharmaceuticals as priority water contaminants. Toxicol. Environ. Chem. 2010, 92, 549–565. [Google Scholar] [CrossRef]
- Ranjan, N.; Singh, P.K.; Maurya, N.S. Pharmaceuticals in water as emerging pollutants for river health: A critical review under Indian conditions. Ecotoxicol. Environ. Saf. 2022, 247, 114220. [Google Scholar] [CrossRef]
- Grassi, M.; Kaykioglu, G.; Belgiorno, V.; Lofrano, G. Removal of Emerging Contaminants from Water and Wastewater by Adsorption Process. In Emerging Compounds Removal from Wastewater; SpringerBriefs in Molecular Science; Springer: Dordrecht, The Netherlands, 2012; pp. 15–37. [Google Scholar] [CrossRef]
- Gadipelly, C.; Pérez-González, A.; Yadav, G.D.; Ortiz, I.; Ibáñez, R.; Rathod, V.K.; Marathe, K.V. Pharmaceutical industry wastewater: Review of the technologies for water treatment and reuse. Ind. Eng. Chem. Res. 2014, 53, 11571–11592. [Google Scholar] [CrossRef]
- Homem, V.; Santos, L. Degradation and removal methods of antibiotics from aqueous matrices—A review. J. Environ. Manag. 2011, 92, 2304–2347. [Google Scholar] [CrossRef]
- N’diaye, A.D.; Kankou, M.S. Modeling of adsorption isotherms of pharmaceutical products onto various adsorbents: A Short Review. J. Mater. Environ. Sci. 2020, 11, 1264–1276. [Google Scholar]
- Al-Khateeb, L.A.; Almotiry, S.; Salam, M.A. Adsorption of pharmaceutical pollutants onto graphene nanoplatelets. Chem. Eng. J. 2014, 248, 191–199. [Google Scholar] [CrossRef]
- Zielinska, I.; Polak, D.; Szwast, M. Analysis of the adsorption of selected pharmaceuticals on a composite material PEBAX/GO. J. Water Process Eng. 2021, 44, 102272. [Google Scholar] [CrossRef]
- Kim, H.; Hwang, Y.S.; Sharma, V.K. Adsorption of antibiotics and iopromide onto single-walled and multi-walled carbon nanotubes. Chem. Eng. J. 2014, 255, 23–27. [Google Scholar] [CrossRef]
- Zhu, X.; He, M.; Sun, Y.; Xu, Z.; Wan, Z.; Hou, D.; Tsang, D.C. Insights into the adsorption of pharmaceuticals and personal care products (PPCPs) on biochar and activated carbon with the aid of machine learning. J. Hazard. Mater. 2022, 423, 127060. [Google Scholar] [CrossRef]
- Crini, G. Non-conventional low-cost adsorbents for dye removal: A review. Bioresour. Technol. 2006, 97, 1061–1085. [Google Scholar] [CrossRef]
- de Andrade, J.R.; Oliveira, M.F.; da Silva, M.G.C.; Vieira, M.G.A. Adsorption of Pharmaceuticals from Water and Wastewater Using Nonconventional Low-Cost Materials: A Review. Ind. Eng. Chem. Res. 2018, 57, 3103–3127. [Google Scholar] [CrossRef]
- Zhou, L.; Zhu, X.; Chi, T.; Liu, B.; Du, C.; Yu, G.; Chen, H. Reutilization of manganese enriched biochar derived from Phytolacca acinosa Roxb. residue after phytoremediation for lead and tetracycline removal. Bioresour. Technol. 2022, 345, 126546. [Google Scholar] [CrossRef]
- Song, X.; Cao, Y.; Bu, X.; Luo, X. Porous vaterite and cubic calcite aggregated calcium carbonate obtained from steamed ammonia liquid waste for Cu2+ heavy metal ions removal by adsorption process. Appl. Surf. Sci. 2021, 536, 147958. [Google Scholar] [CrossRef]
- Shamsuri, A.A.; Sumadin, Z.A. Influence of hydrophobic and hydrophilic mineral fillers on processing, tensile and impact properties of LDPE/KCF biocomposites. Compos. Commun. 2018, 9, 65–69. [Google Scholar] [CrossRef]
- Li, H.; Geng, W.; Qi, Z.; Ahmad, W.; Haruna, S.A.; Chen, Q. Stimuli-responsive SERS biosensor for ultrasensitive tetracycline sensing using EDTA-driven PEI@ CaCO3 microcapsule and CS@ FeMMs. Biosens. Bioelectron. 2023, 226, 115122. [Google Scholar] [CrossRef]
- Wszelaka-Rylik, M.; Piotrowska, K.; Gierycz, P. Simulation, aggregation and thermal analysis of nanostructured calcite obtained in a controlled multiphase process. J. Therm. Anal. Calorim. 2015, 119, 1323–1338. [Google Scholar] [CrossRef]
- Schlomach, J.; Quarch, K.; Kind, M. Investigation of precipitation of calcium carbonate at high supersaturations. Chem. Eng. Technol. 2006, 29, 215–220. [Google Scholar] [CrossRef]
- Rehage, H.; Orthey, J.; Kind, M. On the complete similitude of technical precipitation. Part II: Stirred-tank reactors. Chem. Eng. J. 2021, 426, 131788. [Google Scholar] [CrossRef]
- Jahani, D.; Nazari, A.; Ghourbanpour, J.; Ameli, A. Polyvinyl alcohol/calcium carbonate nanocomposites as efficient and cost-effective cationic dye adsorbents. Polymers 2020, 12, 2179. [Google Scholar] [CrossRef]
- Zhou, L.; Peng, T.; Sun, H.; Guo, X.; Fu, D. The characterization and amoxicillin adsorption activity of mesopore CaCO3 microparticles prepared using rape flower pollen. Minerals 2019, 9, 254. [Google Scholar] [CrossRef]
- Hui, T.S.; Ibrahim, N.A.; Zhi, L.L.; Zaini, M.A.A. Endocrine-disrupting chemical removal by carbon nanocomposites. In Handbook of Advanced Approaches Towards Pollution Prevention and Control; Elsevier: Amsterdam, The Netherlands, 2021; pp. 45–74. [Google Scholar] [CrossRef]
- Wang, C.; He, C.; Tong, Z.; Liu, X.; Ren, B.; Zeng, F. Combination of adsorption by porous CaCO3 microparticles and encapsulation by polyelectrolyte multilayer films for sustained drug delivery. Int. J. Pharm. 2006, 308, 160–167. [Google Scholar] [CrossRef]
- Blanco, J.F.; Sublet, J.; Nguyen, Q.T.; Schaetzel, P. Formation and morphology studies of different polysulfones-based membranes made by wet phase inversion process. J. Membr. Sci. 2006, 283, 27–37. [Google Scholar] [CrossRef]
- Kędra-Królik, K.; Gierycz, P. Obtaining calcium carbonate in a multiphase system by the use of new rotating disc precipitation reactor. J. Therm. Anal. Calorim. 2006, 83, 579–582. [Google Scholar] [CrossRef]
- Szwast, M.; Polak, D.; Perelshtein, I.; Gedanken, A.; Krasiński, A.R.; Stor, M.; Piątkiewicz, W.; Fabianowski, W. Research on structural and process properties of polysulfone membranes modified by CuO. Desalination Water Treat. 2023, 316, 574–582. [Google Scholar] [CrossRef]
- Tomul, F.; Arslan, Y.; Kabak, B.; Trak, D.; Tran, H.N. Adsorption process of naproxen onto peanut shell-derived biosorbent: Important role of n–π interaction and van der Waals force. J. Chem. Technol. Biotechnol. 2021, 96, 869–880. [Google Scholar] [CrossRef]
- Esquivel-Sirvent, R.; Schatz, G.C. Van der Waals torque coupling between slabs composed of planar arrays of nanoparticles. J. Phys. Chem. C 2013, 117, 5492–5496. [Google Scholar] [CrossRef]
- ASTM E2149-20; Standard Test Method for Determining the Antimicrobial Agents Under Dynamic Contact Conditions. American Society for Testing and Materials: West Conshohocken, PA, USA, 2020. [CrossRef]
- Prihandana, G.S.; Sriani, T.; Muthi’ah, A.D.; Machmudah, A.; Mahardika, M.; Miki, N. Study Effect of nAg Particle Size on the Properties and Antibacterial Characteristics of Polysulfone Membranes. Nanomaterials 2022, 12, 388. [Google Scholar] [CrossRef] [PubMed]
- Ghiasi, M.; Abdollahy, M.; Khalesi, M.R.; Ghiasi, E. Control of the morphology, specific surface area and agglomeration of precipitated calcium carbonate crystals through a multiphase carbonation process. CrystEngComm 2020, 22, 1970–1984. [Google Scholar] [CrossRef]
- Bang, J.H.; Jang, Y.N.; Kim, W.; Song, K.S.; Jeon, C.W.; Chae, S.C.; Lee, M.G. Specific surface area and particle size of calcium carbonate precipitated by carbon dioxide microbubbles. Chem. Eng. J. 2012, 198, 254–260. [Google Scholar] [CrossRef]
- Wszelaka-Rylik, M.; Piotrowska-Wolińska, K.; Gierycz, P. Covering of nanometric calcite with α-cyclodextrin. J. Therm. Anal. Calorim. 2019, 136, 957–966. [Google Scholar] [CrossRef]
- Rodriquez-Blanco, J.D.; Shaw, S.; Benning, L.G. The kinetics and mechanisms of amorphous calcium carbonate (ACC) crystallization to calcite, via vaterite. Nanoscale 2011, 3, 265–271. [Google Scholar] [CrossRef]
- dos Santos, V.H.J.M.; Pontin, D.; Ponzi, G.G.D.; e Stepanha, A.S.D.G.; Martel, R.B.; Schütz, M.K.; Dalla Vecchia, F. Application of Fourier Transform infrared spectroscopy (FTIR) coupled with multivariate regression for calcium carbonate (CaCO3) quantification in cement. Constr. Build. Mater. 2021, 313, 125413. [Google Scholar] [CrossRef]
- Ghosh, A.K.; Hoek, E.M. Impacts of support membrane structure and chemistry on polyamide–polysulfone interfacial composite membranes. J. Membr. Sci. 2009, 336, 140–148. [Google Scholar] [CrossRef]
- Akhtar, J.; Amin, N.A.S.; Shahzad, K. A review on removal of pharmaceuticals from water by adsorption. Desalination Water Treat. 2016, 57, 12842–12860. [Google Scholar] [CrossRef]
- Khan, A.; Wang, J.; Li, J.; Wang, X.; Chen, Z.; Alsaedi, A.; Hayat, T.; Chen, Y.; Wang, X. The role of graphene oxide and graphene oxide-based nanomaterials in the removal of pharmaceuticals from aqueous media: A review. Environ. Sci. Pollut. Res. 2017, 24, 7938–7958. [Google Scholar] [CrossRef] [PubMed]
- Karthik, R.M.; Philip, L. Sorption of pharmaceutical compounds and nutrients by various porous low cost adsorbents. J. Environ. Chem. Eng. 2021, 9, 104916. [Google Scholar] [CrossRef]
- Zielińska, I.; Polak, D.; Nurczyńska, H.; Szwast, M.; Gierycz, P. Analysis of the process of pharmaceutical substances removal from aquatic solution using membranes modified with calcium carbonate. Desalination Water Treat. 2023, 316, 520–531. [Google Scholar] [CrossRef]
- Ma, X.; Li, L.; Yang, L.; Su, C.; Wang, K.; Yuan, S.; Zhou, J. Adsorption of heavy metal ions using hierarchical CaCO3–maltose meso/macroporous hybrid materials: Adsorption isotherms and kinetic studies. J. Hazard. Mater. 2012, 209, 467–477. [Google Scholar] [CrossRef] [PubMed]
- Zhou, Y.; Liu, X.; Xiang, Y.; Wang, P.; Zhang, J.; Zhang, F.; Wei, J.; Luo, L.; Lei, M.; Tang, L. Modification of biochar derived from sawdust and its application in removal of tetracycline and copper from aqueous solution: Adsorption mechanism and modelling. Bioresour. Technol. 2017, 245, 266–273. [Google Scholar] [CrossRef]
- Hu, S.; Zhang, Y.; Shen, G.; Zhang, H.; Yuan, Z.; Zhang, W. Adsorption/desorption behaviour and mechanisms of sulfadiazine and sulfamethoxazole in agricultural soil systems. Soil Tillage Res. 2019, 186, 233–241. [Google Scholar] [CrossRef]
- Zhang, L.; Wang, Y.; Jin, S.; Lu, Q.; Ji, J. Adsorption isotherm, kinetic and mechanism of expanded graphite for sulfadiazine antibiotics removal from aqueous solutions. Environ. Technol. 2017, 38, 2629–2638. [Google Scholar] [CrossRef]
- Boxall, A.B.; Blackwell, P.; Cavallo, R.; Kay, P.; Tolls, J. The sorption and transport of a sulphonamide antibiotic in soil systems. Toxicol. Lett. 2002, 131, 19–28. [Google Scholar] [CrossRef] [PubMed]
- Ersan, G.; Apul, O.G.; Perreault, F.; Karanfil, T. Adsorption of organic contaminants by graphene nanosheets: A review. Water Res. 2017, 126, 385–398. [Google Scholar] [CrossRef]
- Gao, Y.; Li, Y.; Zhang, L.; Huang, H.; Hu, J.; Shah, S.M.; Su, X. Adsorption and removal of tetracycline antibiotics from aqueous solution by graphene oxide. J. Colloid Interface Sci. 2012, 368, 540–546. [Google Scholar] [CrossRef]
- Sekulic, M.T.; Boskovic, N.; Slavkovic, A.; Garunovic, J.; Kolakovic, S.; Pap, S. Surface functionalised adsorbent for emerging pharmaceutical removal: Adsorption performance and mechanisms. Process Saf. Environ. Prot. 2019, 125, 50–63. [Google Scholar] [CrossRef]
- Giammarco, J.; Mochalin, V.N.; Haeckel, J.; Gogotsi, Y. The adsorption of tetracycline and vancomycin onto nanodiamond with controlled release. J. Colloid Interface Sci. 2016, 468, 253–261. [Google Scholar] [CrossRef] [PubMed]
- Ayawei, N.; Ekubo, A.T.; Wankasi, D.; Dikio, E.D. Adsorption of congo red by Ni/Al-CO3: Equilibrium, thermodynamic and kinetic studies. Orient. J. Chem. 2015, 31, 1307. [Google Scholar] [CrossRef]
- Wüst, W.F.; Köber, R.; Schlicker, O.; Dahmke, A. Combined zero-and first-order kinetic model of the degradation of TCE and cis-DCE with commercial iron. Environ. Sci. Technol. 1999, 33, 4304–4309. [Google Scholar] [CrossRef]
- Wang, C.; Piao, C.; Zhai, X.; Hickman, F.N.; Li, J. Synthesis and characterization of hydrophobic calcium carbonate particles via a dodecanoic acid inducing process. Powder Technol. 2010, 198, 131–134. [Google Scholar] [CrossRef]
- Abedini, R.; Mousavi, S.M.; Aminzadeh, R. A novel cellulose acetate (CA) membrane using TiO2 nanoparticles: Preparation, characterization and permeation study. Desalination 2011, 277, 40–45. [Google Scholar] [CrossRef]
- Wang, S.; Wang, H. Adsorption behavior of antibiotic in soil environment: A critical review. Front. Environ. Sci. Eng. 2015, 9, 565–574. [Google Scholar] [CrossRef]
- Liu, S.; Xu, W.H.; Liu, Y.G.; Tan, X.F.; Zeng, G.M.; Li, X.; Cai, X.X. Facile synthesis of Cu (II) impregnated biochar with enhanced adsorption activity for the removal of doxycycline hydrochloride from water. Sci. Total Environ. 2017, 592, 546–553. [Google Scholar] [CrossRef] [PubMed]
- Schmitt, M.O.; Schneider, S. Spectroscopic investigation of complexation between various tetracyclines and Mg2+ or Ca2+. PhysChemComm 2000, 3, 42–55. [Google Scholar] [CrossRef]
- Lotfi, R.; Hayati, B.; Rahimi, S.; Shekarchi, A.A.; Mahmoodi, N.M.; Bagheri, A. Synthesis and characterization of PAMAM/SiO2 nanohybrid as a new promising adsorbent for pharmaceuticals. Microchem. J. 2019, 146, 1150–1159. [Google Scholar] [CrossRef]
- Balarak, D.; Baniasadi, M. Removal of Ciprofloxacin from of pharmaceutical wastewater by adsorption on SiO2 nanoparticle. J. Pharm. Res. Int. 2018, 25, 1–9. [Google Scholar]
- Nasrollahi, N.; Vatanpour, V.; Khataee, A. Removal of antibiotics from wastewaters by membrane technology: Limitations, successes, and future improvements. Sci. Total Environ. 2022, 838, 156010. [Google Scholar] [CrossRef] [PubMed]
- Ataee, R.A.; Derakhshanpour, J.; Mehrabi Tavana, A.; Eydi, A. Antibacterial effect of calcium carbonate nanoparticles on Agrobacterium tumefaciens. J. Mil. Med. 2011, 13, 65–70. [Google Scholar]
- Sabri, S.; Najjar, A.; Manawi, Y.; Eltai, N.M.; Al-Thani, A.; Atieh, M.A.; Kochkodan, V. Antibacterial Properties of Polysulfone Membranes Blended with Arabic Gum. Membranes 2019, 9, 29. [Google Scholar] [CrossRef] [PubMed]
- Shao, L.; Ren, Z.; Zhang, G.; Chen, L. Facile synthesis, characterization of a MnFe2O4/activated carbon magnetic composite and its effectiveness in tetracycline removal, Mater. Chem. Phys. 2012, 1, 16–24. [Google Scholar] [CrossRef]
- Yao, N.; Li, C.; Yu, J.; Xu, Q.; Wei, S.; Tian, Z.; Yang, Z.; Yang, W.; Shen, J. Insight into adsorption of combined antibiotic-heavy metal contaminants on graphene oxide in water. Sep. Purif. Technol. 2020, 236, 116278. [Google Scholar] [CrossRef]
- Chang, P.-H.; Li, Z.; Yu, T.-L.; Munkhbayer, S.; Kuo, T.-H.; Hunga, Y.-C.; Jeana, J.-S.; Linc, K.-H. Sorptive removal of tetracycline from water by palygorskite. J. Hazard. Mater. 2009, 165, 148–155. [Google Scholar] [CrossRef]
- Chang, P.-H.; Jean, J.-S.; Jiang, W.-T.; Li, Z. Mechanism of tetracycline sorption on rectorite. Colloids Surf. A Physicochem. Eng. Aspects 2009, 339, 94–99. [Google Scholar] [CrossRef]
- Brigante, M.; Schulz, P.C. Remotion of the antibiotic tetracycline by titania and titania-silica composed materials. J. Hazard. Mater. 2011, 192, 1597–1608. [Google Scholar] [CrossRef] [PubMed]
- Liu, X.; Liu, Y.; Lu, S.; Guo, W.; Xi, B. Performance and mechanism into TiO2/Zeolite composites for sulfadiazine adsorption and photodegradation. Chem. Eng. J. 2018, 350, 131–147. [Google Scholar] [CrossRef]
- Wu, Y.; Xi, B.; Hu, G.; Wang, D.; Li, A.; Zhang, W.; Ding, H. Adsorption of tetracycline and sulfonamide antibiotics on amorphous nano-carbon. Desalination Water Treat. 2016, 57, 22682–22694. [Google Scholar] [CrossRef]













| The concentration of calcium carbonate in suspension [%] | 0.05 | 0.1 | 0.5 | |
| Turbidity [NTU] | Initial | >1000 | >1000 | >1000 |
| After all stages | 2.97 | 3.31 | 4.16 | |
| Substance | Suspension Concentration [%] | Efficiency, η [%] | Adsorbed Mass, qI [mg/g] |
|---|---|---|---|
| Tetracycline | 0.05 0.10 0.50 | 1.07 ± 0.07 4.03 ± 0.03 10.01 ± 0.07 | 0.81 ± 0.01 1.52 ± 0.04 0.75 ± 0.04 |
| Sulfadiazine | 0.05 0.10 0.50 | 19.87 ± 0.21 17.66 ± 0.17 21.92 ± 0.19 | 15.40 ± 4.27 6.85 ± 1.96 1.69 ± 0.44 |
| Substance | Suspension Concentration [%] | Adsorbed Mass qII [mg/m2] |
|---|---|---|
| Tetracycline | 0.00 | 3477 ± 56 |
| 0.05 | 3742 ± 76 | |
| Sulfadiazine | 0.00 | 494 ± 61 |
| 0.05 | 954 ± 85 |
| Adsorbent | Adsorption Capacity [mg/g] | References | |
|---|---|---|---|
| Tetracycline | Sulfadiazine | ||
| PS membrane with CaCO3 | 109 | 97 | This work |
| Graphene oxide | 313 | - | [56] |
| Activated carbon | 208 | 30 | [71,72] |
| Palygorskite | 29 | - | [73] |
| Rectorite | 100 | - | [74] |
| Silicon dioxide | 0.86 | - | [75] |
| Zeolite | - | 1.06 | [76] |
| Graphite | - | 13.2 | [53] |
| Nano-carbon | 125 | 620 | [77] |
Disclaimer/Publisher’s Note: The statements, opinions and data contained in all publications are solely those of the individual author(s) and contributor(s) and not of MDPI and/or the editor(s). MDPI and/or the editor(s) disclaim responsibility for any injury to people or property resulting from any ideas, methods, instructions or products referred to in the content. |
© 2024 by the authors. Licensee MDPI, Basel, Switzerland. This article is an open access article distributed under the terms and conditions of the Creative Commons Attribution (CC BY) license (https://creativecommons.org/licenses/by/4.0/).
Share and Cite
Zielińska, I.; Polak, D.; Jurkiewicz, A.; Osełkowska, J.; Lorek, A.; Stor, M.; Krasiński, A.; Gierycz, P.; Szwast, M. Application of Calcium Carbonate in the Pharmaceutical Removal Process. Sustainability 2024, 16, 3794. https://doi.org/10.3390/su16093794
Zielińska I, Polak D, Jurkiewicz A, Osełkowska J, Lorek A, Stor M, Krasiński A, Gierycz P, Szwast M. Application of Calcium Carbonate in the Pharmaceutical Removal Process. Sustainability. 2024; 16(9):3794. https://doi.org/10.3390/su16093794
Chicago/Turabian StyleZielińska, Izabela, Daniel Polak, Aleksandra Jurkiewicz, Julia Osełkowska, Aleksandra Lorek, Michał Stor, Andrzej Krasiński, Paweł Gierycz, and Maciej Szwast. 2024. "Application of Calcium Carbonate in the Pharmaceutical Removal Process" Sustainability 16, no. 9: 3794. https://doi.org/10.3390/su16093794
APA StyleZielińska, I., Polak, D., Jurkiewicz, A., Osełkowska, J., Lorek, A., Stor, M., Krasiński, A., Gierycz, P., & Szwast, M. (2024). Application of Calcium Carbonate in the Pharmaceutical Removal Process. Sustainability, 16(9), 3794. https://doi.org/10.3390/su16093794

