Long-Term Energy Yield Analysis of the Rooftop PV System in Climate Conditions of Poland
Abstract
1. Introduction
2. Materials and Methods
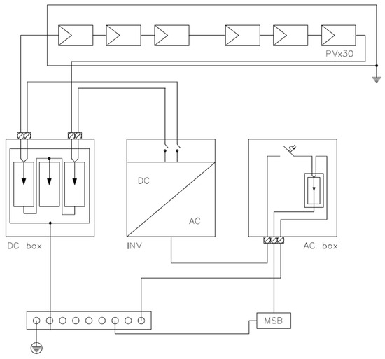
2.1. PV System Description
2.2. Performance Metrics
3. Results and Discussion
3.1. Weather Conditions
3.2. PV System Performance
3.3. Greenhouse Gas Emission Analysis
4. Conclusions
Author Contributions
Funding
Institutional Review Board Statement
Informed Consent Statement
Data Availability Statement
Acknowledgments
Conflicts of Interest
References
- DNV. Energy Transition Outlook 2022. In A Global and Regional Forecast to 2050; DNV: Oslo, Norway, 2023. [Google Scholar]
- Semshchikov, E.; Negnevitsky, M.; Hamilton, J.; Wang, X. Cost-Efficient Strategy for High Renewable Energy Penetration in Isolated Power Systems. IEEE Trans. Power Syst. 2020, 35, 3719–3728. [Google Scholar] [CrossRef]
- Regulation (EU) 2018/1999 of European Parliament and of the Council of 11 December 2018 on the Governance of the Energy Union and Climate Action, Amending Regulations (EC) No 663/2009 and (EC) No 715/2009 of the European Parliament and of the Council, Directives 94/22/EC, 98/70/EC, 2009/31/EC, 2009/73/EC, 2010/31/EU, 2012/27/EU and 2013/30/EU of the European Parliament and of the Council, Council Directives 2009/119/EC and (EU) 2015/652 and Repealing Regulation (EU) No 525/2013 of the European Parliament and of the Council 2018. Available online: https://eur-lex.europa.eu/legal-content/EN/TXT/?uri=uriserv%3AOJ.L_.2018.328.01.0001.01.ENG (accessed on 5 February 2024).
- Ministry of Climate and Environment. Poland’s National Energy and Climate Plan for the Years 2021–2030 (NECP PL); Ministry of Climate and Environment: Warsaw, Poland, 2021. [Google Scholar]
- Proposal for a Regulation of the European Parliament and of the Council Amending Regulation (EU) 2018/842 on Binding Annual Greenhouse Gas Emission Reductions by Member States from 2021 to 2030 Contributing to Climate Action to Meet Commitments under the Paris Agreement. 2021. Available online: https://www.eumonitor.eu/9353000/1/j9vvik7m1c3gyxp/vlki7cctu2z5 (accessed on 5 February 2024).
- Revision of the Renewable Energy Directive: Fit for 55 Package. In EU Legislation in Progress’ Briefings, 3rd ed.; European Parliament: Strasbourg, France, 2023.
- Gulkowski, S. Specific Yield Analysis of the Rooftop PV Systems Located in South-Eastern Poland. Energies 2022, 15, 3666. [Google Scholar] [CrossRef]
- Krawczak, E. A Comparative Analysis of Measured and Simulated Data of PV Rooftop Installations Located in Poland. Energies 2023, 16, 5975. [Google Scholar] [CrossRef]
- Igliński, B.; Piechota, G.; Kiełkowska, U.; Kujawski, W.; Pietrzak, M.B.; Skrzatek, M. The Assessment of Solar Photovoltaic in Poland: The Photovoltaics Potential, Perspectives and Development. Clean Technol. Environ. Policy 2023, 25, 281–298. [Google Scholar] [CrossRef] [PubMed]
- Institute for Renewable Energy. Report PV Market in Poland 2023; Institute for Renewable Energy: Warsaw, Poland, 2023. [Google Scholar]
- te Heesen, H.; Herbort, V.; Rumpler, M. Performance of Roof-Top PV Systems in Germany from 2012 to 2018. Sol. Energy 2019, 194, 128–135. [Google Scholar] [CrossRef]
- Schardt, J.; te Heesen, H. Performance of Roof-Top PV Systems in Selected European Countries from 2012 to 2019. Sol. Energy 2021, 217, 235–244. [Google Scholar] [CrossRef]
- Žnidarec, M.; Šljivac, D.; Došen, D.; Dumniŋ, B. Performance Assessment of Mono and Poly Crystalline Silicon Photovoltaic Arrays under Pannonian Climate Conditions. In Proceedings of the IEEE EUROCON 2019—18th International Conference on Smart Technologies, Novi Sad, Serbia, 1–4 July 2019; pp. 1–6. [Google Scholar]
- Atsu, D.; Seres, I.; Farkas, I. The State of Solar PV and Performance Analysis of Different PV Technologies Grid-Connected Installations in Hungary. Renew. Sustain. Energy Rev. 2021, 141, 110808. [Google Scholar] [CrossRef]
- Muñoz-Rodríguez, F.J.; Snytko, A.; de la Casa Hernández, J.; Rus-Casas, C.; Jiménez-Castillo, G. Rooftop Photovoltaic Systems. New Parameters for the Performance Analysis from Monitored Data Based on IEC 61724. Energy Build. 2023, 295, 113280. [Google Scholar] [CrossRef]
- Adaramola, M.S. Techno-Economic Analysis of a 2.1 kW Rooftop Photovoltaic-Grid-Tied System Based on Actual Performance. Energy Conv. Manag. 2015, 101, 85–93. [Google Scholar] [CrossRef]
- Adaramola, M.S.; Vågnes, E.E.T. Preliminary Assessment of a Small-Scale Rooftop PV-Grid Tied in Norwegian Climatic Conditions. Energy Conv. Manag. 2015, 90, 458–465. [Google Scholar] [CrossRef]
- Nguyen, T.H.; Dang, Q.V.; Ngo, X.C.; Do, N.Y. Long-Term Performance of Roof-Top GCPV Systems in Central Viet Nam. Int. J. Renew. Energy Dev. 2023, 12, 998–1007. [Google Scholar] [CrossRef]
- Alnaser, N.W. A Domestic Rooftop PV System: A Step towards Retrofitting the Built Environment to Combat Climate Change in Bahrain. Front. Built Environ. 2023, 9, 1178512. [Google Scholar] [CrossRef]
- Md Khairi, N.H.; Akimoto, Y.; Okajima, K. Suitability of Rooftop Solar Photovoltaic at Educational Building towards Energy Sustainability in Malaysia. Sustain. Horiz. 2022, 4, 100032. [Google Scholar] [CrossRef]
- Pietruszko, S.M.; Gradzki, M. Performance of a Grid Connected Small PV System in Poland. Appl. Energy 2003, 74, 177–184. [Google Scholar] [CrossRef]
- Zdyb, A.; Szałas, G. Rooftop Low Angle Tilted Photovoltaic Installation under Polish Climatic Conditions. J. Ecol. Eng. 2021, 22, 223–233. [Google Scholar] [CrossRef]
- Sarniak, M.T. Researches of the Impact of the Nominal Power Ratio and Environmental Conditions on the Efficiency of the Photovoltaic System: A Case Study for Poland in Central Europe. Sustainability 2020, 12, 6162. [Google Scholar] [CrossRef]
- Olczak, P.; Żelazna, A.; Stecuła, K.; Matuszewska, D.; Lelek, Ł. Environmental and Economic Analyses of Different Size Photovoltaic Installation in Poland. Energy Sustain. Dev. 2022, 70, 160–169. [Google Scholar] [CrossRef]
- Anang, N.; Syd Nur Azman, S.N.A.; Muda, W.M.W.; Dagang, A.N.; Daud, M.Z. Performance Analysis of a Grid-Connected Rooftop Solar PV System in Kuala Terengganu, Malaysia. Energy Build. 2021, 248, 111182. [Google Scholar] [CrossRef]
- Dane Publiczne. Instytut Meteorologii i Gospodarki Wodnej-Państwowy Instytut Badawczy. Available online: https://danepubliczne.imgw.pl/ (accessed on 19 March 2024).
- PN–EN 12831:2006; Instalacje Ogrzewcze w Budynkach. Metoda Obliczania Projektowego Obciążenia Cieplnego. Polish Committee for Standardization: Warsaw, Poland, 2006.
- Krawczak, E. Energy, Economical and Ecological Analysis of a Single-Family House Using Photovoltaic Installation. E3S Web Conf. 2018, 49, 00060. [Google Scholar] [CrossRef]
- Krawczak, E. BAPV system modeling for the single-family house: A case study. Inform. Autom. Pomiary Gospod. Ochr. Sr. 2020, 10, 44–47. [Google Scholar] [CrossRef]
- Grochecka, W. The Performance Assessment of the Photovoltaic System Located in Zawadówka. Master’s Thesis, Lublin University of Technology, Lublin, Poland, 2023. [Google Scholar]
- Instytut Meteorologii i Gospodarki Wodnej—Państwowy Instytut Badawczy. Available online: https://www.imgw.pl/ (accessed on 19 March 2024).
- Solís-Alemán, E.M.; de la Casa, J.; Romero-Fiances, I.; Silva, J.P.; Nofuentes, G. A Study on the Degradation Rates and the Linearity of the Performance Decline of Various Thin Film PV Technologies. Sol. Energy 2019, 188, 813–824. [Google Scholar] [CrossRef]
- Romero-Fiances, I.; Livera, A.; Theristis, M.; Makrides, G.; Stein, J.S.; Nofuentes, G.; de la Casa, J.; Georghiou, G.E. Impact of Duration and Missing Data on the Long-Term Photovoltaic Degradation Rate Estimation. Renew. Energy 2022, 181, 738–748. [Google Scholar] [CrossRef]
- Ameur, A.; Berrada, A.; Bouaichi, A.; Loudiyi, K. Long-Term Performance and Degradation Analysis of Different PV Modules under Temperate Climate. Renew. Energy 2022, 188, 37–51. [Google Scholar] [CrossRef]
- Malvoni, M.; Leggieri, A.; Maggiotto, G.; Congedo, P.M.; De Giorgi, M.G. Long Term Performance, Losses and Efficiency Analysis of a 960 kWP Photovoltaic System in the Mediterranean Climate. Energy Conv. Manag. 2017, 145, 169–181. [Google Scholar] [CrossRef]
- IEC 61724-1:2021 Photovoltaic System Performance—Part 1: Monitoring. Available online: https://webstore.iec.ch/publication/65561 (accessed on 19 March 2024).
- Malvoni, M.; Kumar, N.M.; Chopra, S.S.; Hatziargyriou, N. Performance and Degradation Assessment of Large-Scale Grid-Connected Solar Photovoltaic Power Plant in Tropical Semi-Arid Environment of India. Sol. Energy 2020, 203, 101–113. [Google Scholar] [CrossRef]
- Øgaard, M.B.; Riise, H.N.; Haug, H.; Sartori, S.; Selj, J.H. Photovoltaic System Monitoring for High Latitude Locations. Sol. Energy 2020, 207, 1045–1054. [Google Scholar] [CrossRef]
- Santhakumari, M.; Sagar, N. A Review of the Environmental Factors Degrading the Performance of Silicon Wafer-Based Photovoltaic Modules: Failure Detection Methods and Essential Mitigation Techniques. Renew. Sustain. Energy Rev. 2019, 110, 83–100. [Google Scholar] [CrossRef]
- Gulkowski, S. Modeling and Experimental Studies of the Photovoltaic System Performance in Climate Conditions of Poland. Energies 2023, 16, 7017. [Google Scholar] [CrossRef]
- Häberlin, H. Photovoltaics: System Design and Practice Introduction; John Wiley & Sons, Ltd.: Hoboken, NJ, USA, 2012; ISBN 978-1-119-97699-8. [Google Scholar]
- Vidal, H.; Rivera, M.; Wheeler, P.; Vicencio, N. The Analysis Performance of a Grid-Connected 8.2 kWp Photovoltaic System in the Patagonia Region. Sustainability 2020, 12, 9227. [Google Scholar] [CrossRef]
- Wskaźniki Emisyjności CO2, SO2, NOx, CO i Pyłu Całkowitego Dla Energii Elektrycznej Na Podstawie Informacji Zawartych w Krajowej Bazie o Emisjach Gazów Cieplarnianych i Innych Substancji Za 2020 Rok; Krajowy Ośrodek Zarządzania i Bilansowania Emisjami: Warszawa. 2021. Available online: https://www.kobize.pl/uploads/materialy/materialy_do_pobrania/wskazniki_emisyjnosci/Wskazniki_emisyjnosci_grudzien_2021.pdf (accessed on 19 March 2024).
- Wskaźniki Emisyjności CO2, SO2, NOx, CO i Pyłu Całkowitego Dla Energii Elektrycznej Na Podstawie Informacji Zawartych w Krajowej Bazie o Emisjach Gazów Cieplarnianych i Innych Substancji Za 2021 Rok; Krajowy Ośrodek Zarządzania i Bilansowania Emisjami: Warszawa. 2022. Available online: https://www.kobize.pl/uploads/materialy/materialy_do_pobrania/wskazniki_emisyjnosci/Wska%C5%BAniki_emisyjno%C5%9Bci_dla_energii_elektrycznej_grudzie%C5%84_2022.pdf (accessed on 19 March 2024).
- Wskaźniki Emisyjności CO2, SO2, NOx, CO i Pyłu Całkowitego Dla Energii Elektrycznej Na Podstawie Informacji Zawartych w Krajowej Bazie o Emisjach Gazów Cieplarnianych i Innych Substancji Za 2022 Rok; Krajowy Ośrodek Zarządzania i Bilansowania Emisjami: Warszawa. 2023. Available online: https://www.kobize.pl/uploads/materialy/materialy_do_pobrania/wskazniki_emisyjnosci/Wskazniki_emisyjnosci_2022.pdf (accessed on 19 March 2024).






| PV Modules | |
|---|---|
| Module’s manufacturer | Risen Energy RSM120-6-300M-320M (Ningbo, China) |
| Rated PV power (Wp) | 320 |
| Open circuit voltage (V) | 40.0 |
| Short circuit current (A) | 10.1 |
| Voltage at Maximum Power (V) | 33.7 |
| Current at Maximum Power (A) | 9.5 |
| Efficiency (%) | 19.1 |
| Inverter | |
| Manufacturer | Solar Edge SE 9K (Herzliya, Israel) |
| Rated AC power (W) | 9000 |
| Max. efficiency (%) | 98 |
| EU efficiency (%) | 97.5 |
| Year | Yr (h) | Yf (h) | PR |
|---|---|---|---|
| 2020 | 1240.6 | 1075.4 | 0.87 |
| 2021 | 1177.9 | 1013.8 | 0.86 |
| 2022 | 1279.9 | 1058.7 | 0.83 |
| Year | CO2 | SO2 | NOx | CO | Dust |
|---|---|---|---|---|---|
| (kg/MWh) | |||||
| 2020 | 698 | 0.509 | 0.522 | 0.203 | 0.026 |
| 2021 | 708 | 0.505 | 0.505 | 0.237 | 0.022 |
| 2022 | 685 | 0.436 | 0.456 | 0.261 | 0.018 |
| Year | CO2 | SO2 | NOx | CO | Dust |
|---|---|---|---|---|---|
| (kg) | |||||
| 2020 | 7206.04 | 5.25 | 5.39 | 2.10 | 0.27 |
| 2021 | 6890.60 | 4.91 | 4.91 | 2.31 | 0.21 |
| 2022 | 6962.01 | 4.43 | 4.63 | 2.65 | 0.18 |
Disclaimer/Publisher’s Note: The statements, opinions and data contained in all publications are solely those of the individual author(s) and contributor(s) and not of MDPI and/or the editor(s). MDPI and/or the editor(s) disclaim responsibility for any injury to people or property resulting from any ideas, methods, instructions or products referred to in the content. |
© 2024 by the authors. Licensee MDPI, Basel, Switzerland. This article is an open access article distributed under the terms and conditions of the Creative Commons Attribution (CC BY) license (https://creativecommons.org/licenses/by/4.0/).
Share and Cite
Gulkowski, S.; Krawczak, E. Long-Term Energy Yield Analysis of the Rooftop PV System in Climate Conditions of Poland. Sustainability 2024, 16, 3348. https://doi.org/10.3390/su16083348
Gulkowski S, Krawczak E. Long-Term Energy Yield Analysis of the Rooftop PV System in Climate Conditions of Poland. Sustainability. 2024; 16(8):3348. https://doi.org/10.3390/su16083348
Chicago/Turabian StyleGulkowski, Slawomir, and Ewelina Krawczak. 2024. "Long-Term Energy Yield Analysis of the Rooftop PV System in Climate Conditions of Poland" Sustainability 16, no. 8: 3348. https://doi.org/10.3390/su16083348
APA StyleGulkowski, S., & Krawczak, E. (2024). Long-Term Energy Yield Analysis of the Rooftop PV System in Climate Conditions of Poland. Sustainability, 16(8), 3348. https://doi.org/10.3390/su16083348

