Abstract
Floating solar renewable energy is of enormous potential in Indonesia. This paper presents a comprehensive study of the design of Floating Photovoltaic (FPV) systems with Battery Energy Storage Systems (BESS) for three islands in Indonesia. These islands represent three typical scenarios in Indonesia (a) using a national grid powered by fossil fuel generators, (b) using a local grid powered by diesel generators, and (c) no grid at all. In-person surveys were conducted at these islands to collect data, and then FPV and BESS were designed to meet the demands of each island. Subsequently, the systems’ energy simulations were conducted using the System Advisor Model, demonstrating daily energy demand and supply in hour variation. Based on the results, a series of sustainability analyses were created from the aspects of economics, society, and the environment. The economic analysis demonstrated cost savings by using FPV to replace contemporary energy methods. The social analysis provides valuable insights into the local community, forming a demographic profile and obtaining perceptions and opinions regarding the new energy approach. The environmental analysis quantifies the potential CO2 emissions. Overall, the work provides valuable insights into the roadmap for implementing floating solar technologies in Indonesia which can also inform global ocean-based solar energy developments.
1. Introduction
The global pursuit of reducing carbon-emitting fuel consumption has led to an escalating interest in harnessing Renewable Energy (RE) technologies. Solar energy is one of the most recognised renewable sources, especially solar photovoltaic (PV), which because of its high power installed worldwide, and its low price, has become the most popular technology, as well as having the potential to help some developing countries solve power shortage problems. Indonesia is one of the largest Asian countries, but its electrical consumption per capita is one of the lowest in Asia, being much lower than the global average. Around 20% of the population, 50 million people, do not have access to electricity. The reason why there are so many people lacking electricity is that the cost of installing electricity is very expensive [1]. Indonesia’s topography, characterised by its countless islands and diverse landscapes, is an excellent example of land scarcity. Installing the floating photovoltaic (FPV) modules offshore will solve the limitation of surface for onshore PV, making Indonesia a potential leader worldwide regarding PV because of the huge sea surface available. Nowadays, most of the floating PV plants are installed in lakes, with offshore floating PV being a considerably immature field. Offshore applications face several challenges that other floating PV plants do not. The ocean is a rough location, because of the loads induced by waves and strong winds, but also because of the sea salt, its harsh environment might cause corrosion and damage the equipment. The structures of offshore floating PV must be stronger than onshore ones to withstand the ocean’s extreme conditions. The mechanical requirements for the structure and the mooring system are the main affected parties of offshore FPV compared to the lake’s FPV [2].
In the past decades, PV technology has been widely developed. Oliveira-Pinto and Stokkermans [3] developed a general overview of floating PV. This paper identifies the main challenges of a growing technology as well as its potential and feasibility. An in-depth literature review was conducted for all the aspects of interest of the technology such as the floating structures available in the market, the effect of the water bodies in the solar modules, the environmental impact, and the economic viability compared with other technologies. Some of the key factors that differentiate FPV energy production from PV are the cooling effect, the effect of the waves and wind, and the module mismatch. Liu et al. [4], Oliveira-Pinto and Stokkermans [3], and El Hammoumi et al. [5] conducted an analysis regarding the improvement in the efficiency of the modules due to the natural cooling in FPV systems. It is stated that this effect can lead to an increase of 12% in the efficiency of the modules. Liu et al. [4] have also carried out an experimental analysis comparing the behaviour of a PV plant installed on a rooftop and an FPV plant. In the study carried out by Nisar et al. [6], the behaviour of monocrystalline and polycrystalline solar modules for onshore and floating applications was compared. This author states that the modules perform better in floating applications when installed at their optimal tilt angle, although their efficiency was better than onshore systems for a tilt of 0°. Lappalainen and Valkealahti [7] conducted a study to analyse the effect of partial shading because of the effects of the clouds on 3 different PV array configurations. It is stated that the effect of module mismatching had a minor effect on the overall performance of the site. For the FPV system, Yadav and Chandel [8], Kim and Kim [9], and El Hammoumi et al. [5] indicated that the load that the mooring system of an FPV plant must withstand is directly related to the price of the installation; the greater those loads, the more complex and expensive the platform and mooring system. The most affecting factor in those loads, apart from the location, is the tilt of the modules. Lower tilts lead to lower loads associated to the wind forces. Moreover, it has been demonstrated that the lower the tilts, the more stable the floating structure, reducing the balancing of the system and therefore reducing the loads associated with the waves. Reducing the balancing also means a more stable maximum power point (MPP) of the modules, thus more energy harnessed.
In addition to FPV systems, it is also very important to design energy storage facilities for the system. Campana et al. [10], Keiner et al. [11], and Liu et al. [4] have developed preliminary studies on the design and operation of different FPV plants, with and without energy storage, to see the impact of different parameters, especially in the economic field and autonomy of the systems. In particular, Keiner et al. [11] used different technologies such as floating PV, offshore wind, and tidal with energy storage systems for an island in the Maldives. The location’s latitude is very similar to the case of the islands in Indonesia, and it is stated that FPV and wave power emerge as the major energy sources. Campana et al. [10] conducted an assessment of FPV systems on and off grid with BESS. A floating PV system without energy storage has only reduced the reliability of diesel by 40%. Adding BESS, it can be obtained as a completely autonomous system; however, the price of the energy for an FPV and Battery Energy Storage System (BESS) system that faces the demand leads to very expensive energy.
There is also a series of research studies that show why Indonesia is suitable for developing FPV. Untoro et al. [12] presented an economic study of FPV systems in Indonesia, making this paper highly interesting for the current work. The paper assessed their viability within the nation’s technical and economic landscape. The findings suggest that FPV could contribute significantly to Indonesia’s electricity demand with tariffs under the BPP (Cost of the Electricity Supply in Indonesia). The recent publication by Silalahi and Blakers [13] analysed more than 40 years of wind, solar, and wave data to generate a wind–wave map; they present the best locations to install FPV and proposed that Indonesia holds for floating solar energy.
This study is based on the locations and ocean environment of 3 islands in Indonesia, which are named Gili Ketapang, Bungin, and Kalenan. The study aims to design 3 floating PV with BESS systems as an off-grid solution. In particular, an accurate curve of the hourly demand for each of the islands is obtained, for a proper sizing of the FPV and BESS. An optimal architecture is designed to minimise the electrical losses and the losses induced by the effect of the waves. An analysis is performed on the size jointly with PV and the BESS to optimise the behaviour of the system against the demand. These investigations are mainly aimed at devising a cost-effective system that is within the financial limit reach of the villagers, minimising the diesel dependence of the islands. Besides, we also studied the feasibility of FPV farms in Indonesia from four points of view: technical, economic, social, and environmental, which may be beneficial to solving relevant energy issues.
The paper is organized as follows. Following the introduction here, the scenarios of three islands in Indonesia are discussed in Section 2. The floating solar energy harnessing and storage design are developed in Section 3. The assessment of the techno-economic-socio-environmental impact is analysed in Section 4, followed by the conclusions in Section 5.
2. Scenarios of the Three Islands in Indonesia
The three scenarios are based on different communities and present distinct electrification contexts and energy-related challenges, so different ways of integrating FPV with other existing technologies and grids will be studied. By encompassing such a range of contexts, this research provides insight into the adaptability of FPV across Indonesia.
In Figure 1, a map of Indonesia with the three case study locations is marked, or three islands employed in this study. We also provided a zoomed-in figure for each of the island, in Figure 2.
Figure 1.
A map of Indonesia with the three case study locations marked (Source: Google, permission exempted for research purposes).
Figure 2.
Zoomed-in views of the three islands (Source: Google, permission exempted for research purposes).
The first location that will be reviewed is Bungin Island, located in the Flores Sea, off the coast of East Java. The island is already electrified by the National Grid. An extra electricity demand has been identified by the fishermen. Struggling to find ice to help preserve fishermen’s catch from the seas to the markets, currently up to 35% of seafood is lost pre-consumption in Indonesia [14]. This increase in demand arises from the necessity to produce their own ice cubes, a vital requirement for their business that right now takes up huge costs. Regarding the ice, in the survey it is stated that the ice consumed by the island for fishing is bought from another island. The ice is bought in 25 kg blocks, but by the time it arrives on the island, the blocks weigh 18 kg. With the number of boats on the island, the trips per month, and the ice used per trip, it has been calculated that the island consumes 430 kg of ice per day.
We may choose an oversized ice machine to make ice. This machine can produce up to 900 kg of ice per day in 6 kg blocks. Working at 67%, it will produce 640 kg per day, which will be used as the demand. Figure 3 shows the curve of the total demand of the island. With FPV, fishers can fetch ice from the floating solar station through the straightforward addition of an ice-making system.
Figure 3.
The hourly electricity demand of Bungin Island.
Secondly, situated in the Madura Strait, approximately 8 km from the north coast of Probolinggo, Gili Ketapang Island serves as a compelling second location. It shares a similar Perusahaan Listrik Negara (PLN) connection as Bungin Island but diverges in its energy generation approach. As this location is much larger than the other two, a diesel power plant fuels the small independent grid. In this scenario, a hybrid installation of FPV and diesel is considered, using FPV to reduce the cost of electricity and reduce CO2 emissions. The survey of this island had access to the average daily demand load per household and public services in a 3 h interval. With this information, the hourly energy consumption and the total energy consumption per month and per year were obtained. It has also been calculated as the average energy demanded per household. In the surveys, there was no information regarding the ice consumption for the fishing trips. This information was available for Bungin Island. Since the number of trips per boat and month was available in both cases, the ice demand of Gili Ketapang was obtained by extrapolating the data from Bungin, which will be explained later. The ice demand during the fishing months is 1030 kg of ice per day. These data have been obtained from the number of trips per month and kg of ice per trip. This means that the consumption may not be the same every day. This is the reason why it has been decided to select a bigger ice machine that could face the peaks in the ice demand. Using a similar method as for Bungin, we obtain the curve of the total demand of the island, as shown in Figure 4.
Figure 4.
The hourly electricity demand of Gili Ketapang.
Lastly, the Sub-village Kalenan in Tanimbar Island, in the Moluccas province, provides a distinctive backdrop to this analysis. Unlike the previous two case studies, this small village lacks access to a grid connection, relying instead on Kerosene lamps, wood burning, and limited diesel resources. This energy scarcity underscores the urgency of finding reliable and sustainable alternatives for both residential and fishing-related power needs. Figure 5 shows the curve of the demand for Kalenan. Its shape is considerably different from the other 2 islands, in this case, the valley during the daytime hours is much clearer. This is because it is such a small village with no public services, and during those hours, most of the villagers will not be at home.
Figure 5.
The hourly electricity demand of Sub-village Kalenan.
To achieve the previous objectives and to become familiar with the communities, several surveys and interviews were conducted, and three reports were redacted in close collaboration with the residents. These research initiatives have enabled the accumulation of critical data encompassing electricity consumption patterns and values, the demographic profile of the community, infrastructure state, meteorological data (solar hours, rain seasons, wind, and sea characteristics) of the location, and management information. This multidimensional dataset forms a magnificent base upon which the subsequent analyses are built. All in all, we also summarised the general information of each island, as shown in Table 1. The electricity demand is summarised in Table 2.
Table 1.
General information of the three islands studied.
Table 2.
Summary of the electricity on three islands.
3. Design of Floating PV Systems
To design the floating photovoltaic systems of three islands, we may use the same structure. Figure 6 shows the structure of the plants. The PV modules will be offshore, connected to the DC/DC converters with Maximum Power Point Tracking (MPPT) control integrated, to maximise the production. The combiner box will also be offshore, and from there, the electricity will be transported to the shore in DC to the battery system and the inverters.
Figure 6.
Sketch of the floating PV plants.
There is a short distance between the solar panels and the shore; in any of the three cases, it is larger than 600 m. The electrical losses in the transmission are directly dependent on the distance, so if an appropriate cable is installed, the losses will be low too.
In some cases, transformers are used to elevate the voltage and reduce these losses and the price of the cables, but then, the voltage should be reduced back before feeding the load, or the inverters in this case. For this architecture to be worthwhile, there must be a large distance between these two points; firstly, for the transmission losses to be higher than the losses in the transformers, and secondly, the savings in wiring the system must be higher than the costs of the transformers.
For this reason, the output voltage of the DC/DC converters with MPPT, the input voltage of the inverters, and the DC/DC charge controller must be the same. The inverter will be directly connected to the distribution line of the islands, which, according to the surveys, is a 230 V and 50 Hz grid. This is only available for Gili Ketapang and Bungin; in the case of Kalenan, there is no grid yet, but it is said that they are planning to install it in the coming years, so it has been assumed that it will have the same characteristics.
3.1. Layout of the PV Field
Next, we will discuss the layout of the PV field. For the optimal tilt angle of the panels, the location of the three islands was searched in the Global Solar Atlas. Since the latitude of the 3 islands is similar, the ideal tilt angle will be the same, which in this case is 10°.
Regarding the azimuth, or the orientation of the panels, for offshore floating PV applications, the effect of the waves must be considered. The floating structure that holds the modules has been designed to orientate the modules in the direction of the propagation of the waves, so that the wave breaker minimises the vertical displacement and tilt variation of the panels. Thanks to this effect, the variation in the irradiance affecting the modules will be softened, providing a more stable power output and maximising its production.
In the surveys, data on the rise of the waves were available for Gili Ketapang and Bungin islands, which included the predominant direction of the waves and their height. In the case of the first island, the direction was north–south, with a height smaller than 0.5 m for most of the time. In Bungin, the direction is east–west, with a height of 0.75 m maximum. For Kalenan, there was no information available, so it has been assumed that the height will be the same as for Bungin, and the direction of the waves will be heading toward the shore.
After checking with SAM which sense of each direction provided a larger output for the islands, it has been concluded that the azimuth will be 180° for Gili Ketapang, 90° for Bungin, and 45° for Kalenan.
Avoiding shadowing from the modules is key to reducing module mismatches and enhancing energy production, since leaving enough distance between each row of modules is vital. Although more surface is going to be covered, the system will work more efficiently. Equation (1) has been used to calculate that distance [15]:
where is the height of the module plus the height of the wave for what has been used for the maximum height that is 1 m. Since all the parameters are the same for the 3 islands, even if their latitude is almost the same, the distance will be the same for each of them, as shown in the sketch of the installation in Figure 7, where it can be seen which is the distance that is being obtained with Equation (1). Considering the length of the module, each row of panels will be separated by 3 m.
Figure 7.
Row separation sketch.
For sizing the PV and battery system, The System Advisor Model (SAM) software (version 2020.2.29) was used. We used the Typical Meteorological Year (TMY) from the last 5 years of each of the islands obtained from NREL. Using TMY as weather data will eliminate the risk of anomalies in the weather that could have happened in just 1 year, providing more accurate and suitable results about how the system would behave.
The fact of installing floating PV modules manifests a number of disparities from conventional PV parks regarding the electricity production of the modules. As the waves come through the modules, their tilt angle will be continuously changing, directly affecting the irradiance received by the system [16]. According to the tests at the wave tank at Cranfield University, the power output decreased by 8% when the prototype was tested with waves compared to a non-wave situation, which is known as module mismatch [3]. However, being installed in the water, which is colder than the shore, and the wind affecting offshore emplacements will cause a natural cooling effect by convection. Solar PV modules work more efficiently with lower temperatures, and this effect will cause an increase in the efficiency of the modules. From the literature, it has been obtained that this will cause a 5 °C decrease in the operational temperature of the modules. With the specifications of the module, and the temperature coefficients, it will mean an increase of 2% in the performance of the modules. These variations in the efficiency will be input directly into SAM [4,5].
For this project, the ST72M330 model from Sky Energy Indonesia was selected. For the battery, the LIP48100LF model from the brand Ica Solar was selected, which is the most powerful lithium model available in their catalogue. The losses that take part in the battery system were also considered, such as the DC/DC conversions, 3%, and the self-discharge of the batteries for the seasonal storage, which in this case is 3% per month. The general information of the PV module and battery are given in Table 3 and Table 4, respectively.
Table 3.
Specifications of the PV module.
Table 4.
Specifications of the battery (LIP48100LF).
3.2. Simulation Results of Converted Solar Energy versus Electricity Demand
The simulation of the converted solar energy and electricity demand are conducted based on the data in Table 1, Table 2, Table 3 and Table 4, as well as the energy requirements in Figure 3, Figure 4 and Figure 5. As inputs, the converted solar energy is calculated based on the weather conditions of the three islands. The electricity demands of the three islands were obtained from in-person surveys.
The simulation results of the electricity converted from solar energy versus the electricity demand of Gili Ketapang are given in Figure 8. There is a high peak in production in September, compared to the rest of the months, and in June there is a valley. The rest of the month’s generation is considerably stable. For this reason, the system will be designed in a way that all the demand in September is covered, and that, for the rest of the months, it is almost completely covered, except for June, when the lack of electricity will be higher. With this approach, although not all the demand will be covered, the battery system’s capacity will be optimised, which will lead to a low Levelised Cost of Electricity (LCOE) of the system. If the objective is to store all the surplus energy produced in September, the costs of the battery will rise, and its capacity will be far from being completely used anytime but in September, which will translate into a higher LCOE. This approach has been considered optimal considering the concerns of the villagers.
Figure 8.
Energy simulation results for Gili Ketapang.
In order to size the PV system, the goal was to attain a production slightly lower than the most productive month not considering September, which is November. In this case, during September, the PV production will surpass the demand. Once the number of modules has been determined with the production over the years, the batteries will be sized. For this case, the size of the battery system will be such that the demand of the peak month, September, can be covered, although some of the production will be lost. It has been seen that the maximum power of the battery system will happen while charging during the peak production hours, so its power will be the maximum difference between solar PV output and demand in September.
Similar simulations were conducted for Bungin, as given in Figure 9. It is seen that the difference between peak months and valley months was higher than for Gili Ketapang. There are 3 peak months, August, September, and October, with September being slightly higher and December the one with the smaller production. The approach for the sizing of the system has been slightly different compared to the previous case. A system was designed that covers almost all the energy demand of the peak month. Unlike for the first island, there will not be a month when the requirements from the diesel generator will be that high; however, it will be used every month. Moreover, there will not be any month when energy is wasted.
Figure 9.
Energy simulation results for Bungin Island.
For sizing the PV plant, production during the peak month slightly smaller than the demand was sought, avoiding the waste of energy produced. Whereas for the battery system, the power has been calculated as for Gili Ketapang, and for the capacity of the system, it must be able to store all the surplus energy during the peak month, although it will not be enough to cover all the demand.
Next is the simulation for Kalenan. This scenario is completely different compared to the 2 previous ones. The daily BESS loses a part of the production during peak months but is able to fulfil the demand during those months. In this case, during the valley months, some part of the load has not been covered. The second scenario has been designing a seasonal BESS, able to cover the demand during the year, storing surplus energy during the peak months. Both systems will share the FPV part. To determine the size of the PV plant, the simulations entailed the input of a scale factor of 1.1 to the load to ensure that the system can face the demand. For the characteristics of the battery system, the power will be calculated as in the other cases, the maximum difference between production and demand during the peak months. With this constraint, the system will also be able to respond to the daily demand and storage.
In Figure 10, the initial simulation for the last island is shown. As can be seen, the production during the peak 3 months is higher than the load. The batteries will be charged during this period and will be slowly discharged during the rest of the year for the seasonal BESS scenario.
Figure 10.
Energy simulation results for Kalenan.
3.3. Design of Other Components of Floating Photovoltaic Systems
Normally, in FPV plants, inverters are in the floating platform itself; however, in this project, it has been decided to install them onshore to reduce the power capacity of the inverters. For Gili Ketapang and Bungin, the inverter is selected from the brand Huawei, SUN2000 20KTL-M2. This inverter fits the grid requirements, as its output is 240 V AC. Its power output is 20 kW, so, to determine the number of inverters for each plant, we split the power of design mentioned in Table 1 by the power of each inverter. In the case of Kalenan, the SUN2000-3KTL-L1 model, from Huawei, was selected. The output is the same as for the other islands, but its rated power is 3 kW. Another model has been chosen because of the huge difference between the electric load of the islands. With this different model, all of the supply will not rely only on one inverter.
For the converter with the MPPT, it has been found that Siemens offers 3 different models of their range Sinamics. Their models have a rated power of 30, 125, and 150 kW, with a voltage from 0 to 1000 V. It has been decided to install the 30 kW output one because it will allow more flexibility regarding the layout of the panels. The same model has been used for the 3 islands, reducing the risk of module mismatch.
This converter with the control system is essential to ensure a long lifespan of the battery system. For Bungin, the same model as for the solar array will be used, without MPPT; for Gili Ketapang, the 120 kW model will be used. To calculate the number, we split the maximum power input to the battery system by the power of each converter. For Kalenan, there is no model that adjusts to such a low power, which is why a customised DC/DC converter from Tame-Power, with a rated power of 6 kW, will be used, as for the solar array, still with a rated voltage of 600 V.
3.4. Energy Production and Storage of the Battery
Based on Section 3.2 and Section 3.3, Table 5 collectively presents the calculated results for all the islands. In the table, “System” presents the summarised behaviour of the plants across a year, alongside the coefficient of performance.
Table 5.
Summary of the floating solar design for each island.
Based on the information in Table 5, the location and electrical draw for the FPV of each island will be subsequently designed. Efforts were made to separate it as far as possible from the port, to minimise the possible disturbances caused. It will also be close to the diesel plant, where the BESS and the inverters will be located, to reduce the electrical losses due to the transmission, a distance of 600 m.
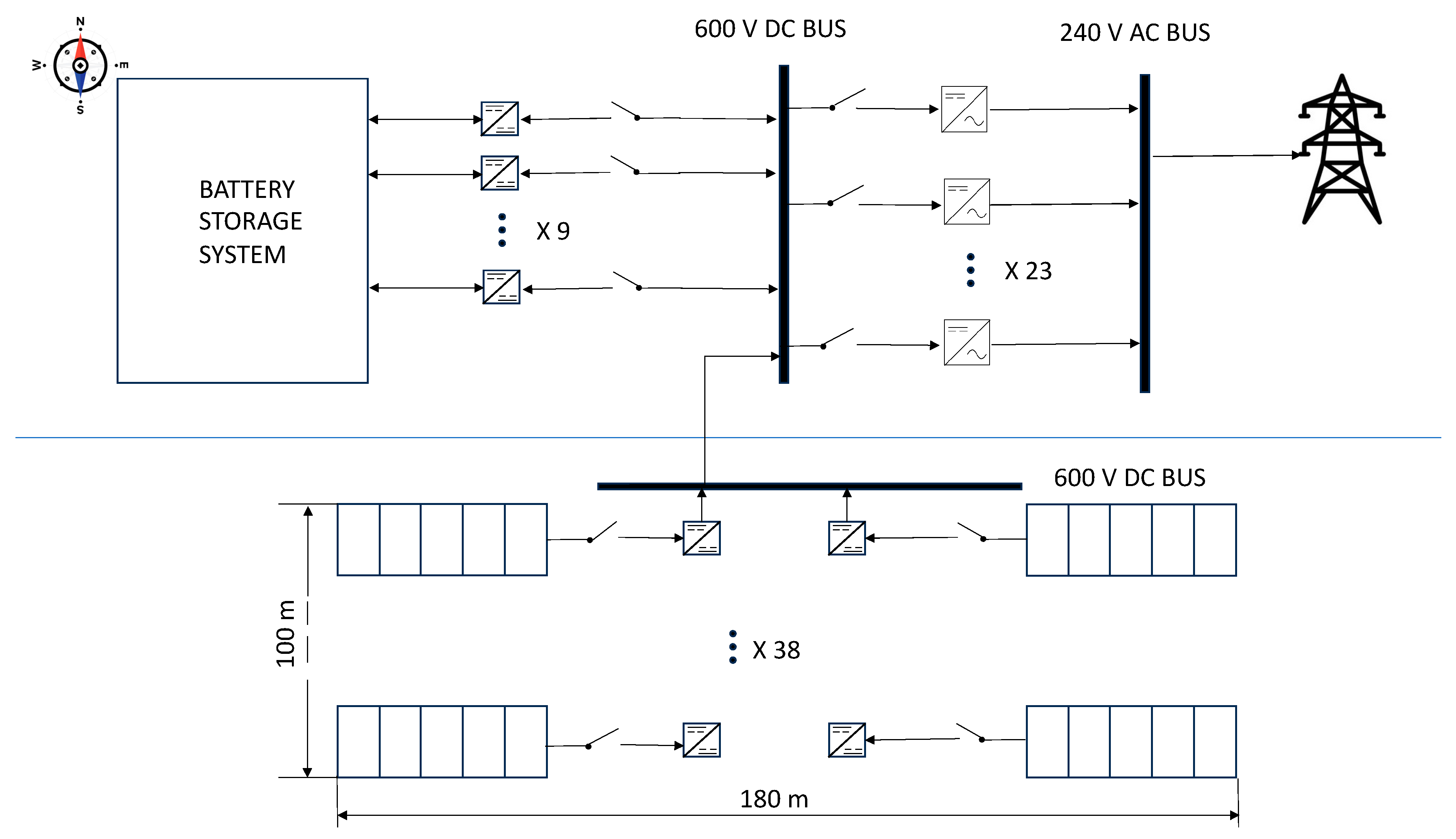
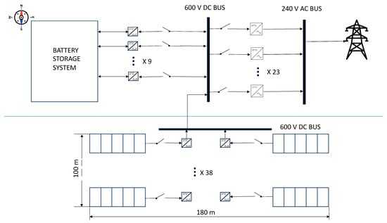
Figure 11 shows the electrical design of the system. Each of the squares that is connected to the DC/DC converter represents a subarray of 16 modules connected in series, achieving a voltage of 605 V under MPP circumstances, and 720 in case of an open circuit, both admissible according to the converter specifications. The 5 subarrays will be connected in parallel, achieving a current of 46 A in case of short circuit, lower than the maximum admissible current of the converter (50 A). The solar PV field with its respective DC/DC converters and the combiner box (DC Bus) will be the only elements located offshore. The produced energy will be translated by marine DC wires at 600 V from the sea to the shore.
Figure 11.
Gili Ketapang electrical drawing.
Figure 12 and Figure 13 show the behaviour of the system during the most and least favourable months of production. During June, which is the worst in terms of production, it is seen that the system is not able to meet all the demand. By the last 4 h of the night, the battery system will have already given all the stored energy, so the diesel generator will have to work to avoid blackouts. On average, the diesel generator will have to produce 1073 kWh. In September, which is the best month of production for the system, it will not be necessary for the diesel plant to fulfil the demand; during the daytime hours, the PV will be enough to cover the demand, and during the night hours, the batteries will be enough too. Although it is not shown, as it has been said, there will be a surplus of energy during this month, which the BESS will not be able to store. Moreover, 1800 kWh will be lost daily on average during this month, representing 19% of the total daily production during this month. That energy overproduction will only happen in September; however, there could be some days during other months when this also occurs. There will be 54,000 kWh lost during September, and all the year, representing 1.86% of the total yearly production of the system.
Figure 12.
Output of the system in Gili Ketapang during the valley month.
Figure 13.
Output of the system in Gili Ketapang during peak month.
Figure 14 shows the state of charge of the BESS for the same 2 scenarios commented on in the previous paragraphs. Looking at the curve of June, it is seen that, from 3 am, there is no energy left to feed the load, representing the hours when the diesel generator must be working. By the end of the sun hours, it attains a 70% charge on average, which means that there will never be energy losses, even if there is a peak in production for a day, because there is still a 10% margin. In that case, the requirements from the diesel generator will be reduced. During September, the battery achieves fully charged/discharge cycles, from the 20% to 80% recommended by the manufacturer, behaving as expected. It is seen that, from mid-day, it is completely charged, and those hours will be the hours when energy is lost.
Figure 14.
Hourly state of the battery in September in Gili Ketapang.
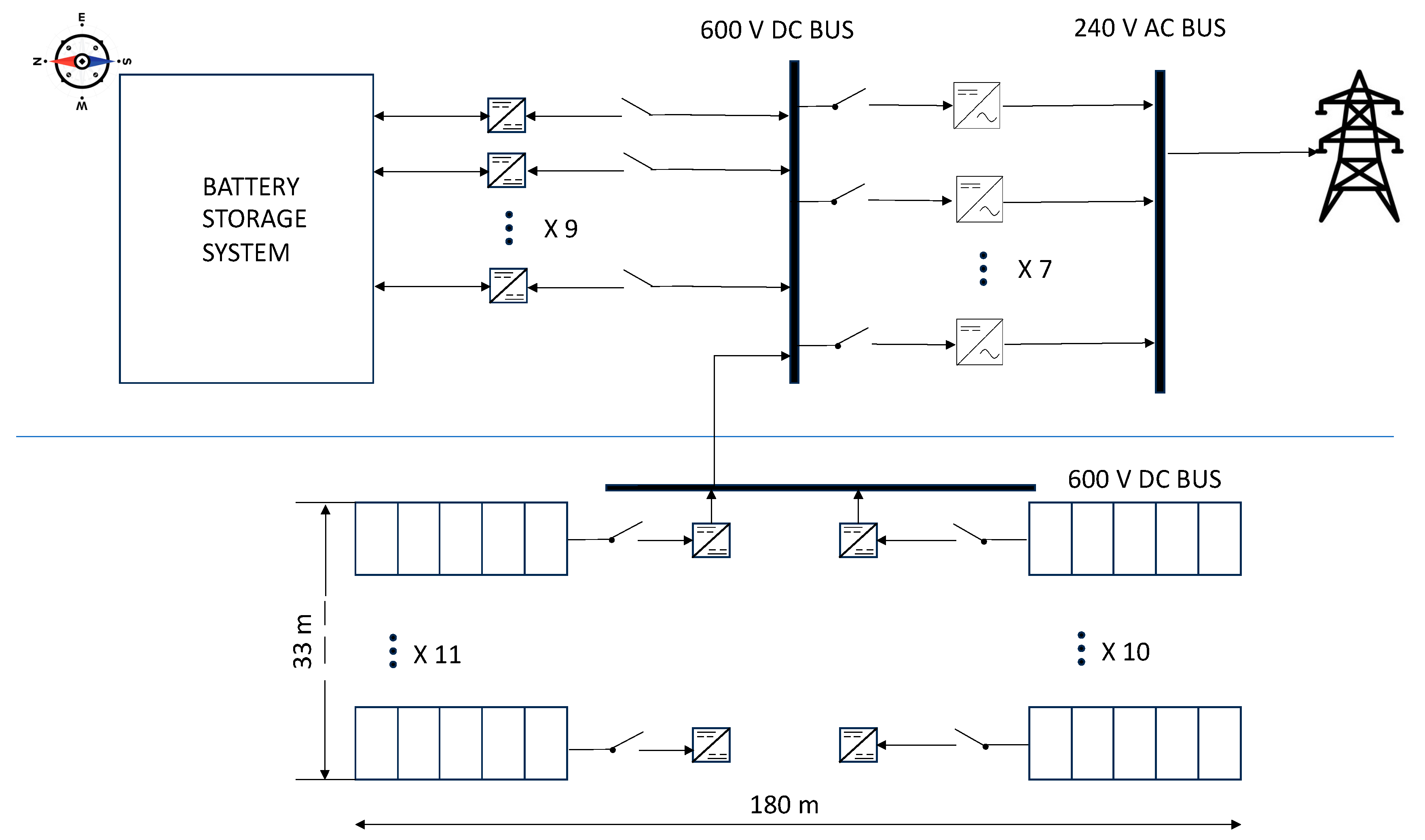
Figure 15 shows the electrical drawing of the plant in Bungin. Since the DC/DC converters of the solar field are the same as in the previous case, the solar arrays will have the same structure. Obviously, since the installed power is much smaller, the number of converters will be smaller, but keeping the same electric characteristics, affordable according to the specifications of the equipment. Since the voltage of the combiner box will be the same, but the power is about 4 times smaller, the current to be transported to the shore will be 4 times smaller, proportionally affecting the number of cables or their diameter. The number of DC/DC converters for the BESS is the same even though the power of the BESS of Gili Ketapang is 4 times larger. This is because the power of those converters on the other island is 120 kW, whereas in this case, they are the same as for the solar field, with a power of 30 kW.
Figure 15.
Bungin electrical drawing.
Figure 16 and Figure 17 show the response of the system in the worst and best scenarios of production, December and September, respectively. In this case, the support of the diesel generator will be needed throughout the year. In December, the BESS will only be able to provide energy until 10 pm, when the diesel generator should start working. During this month when there is a valley in the solar output, there will be 925 kWh from the diesel on average. During September, which in terms of production is a month very similar to August and October, there is still a need for the diesel generator. It will only be working during the last 2 h of the night, producing 200 kWh on average.
Figure 16.
Bungin output of the system during valley month.
Figure 17.
Bungin output of the system during peak month.
Figure 18 shows the cycles of the battery in the same 2 months. During December, it will only become charged slightly above 50% of its capacity on average, which means that the BESS is oversized for this period. Moreover, it stays at the minimum charge, of 20%, 7 h, 30% of the time of the day, which seems too much. However, for the peak months, it becomes charged up to 75% of its capacity on average, which means that, on a good day during this month, it can be completely charged (80%). It also becomes completely discharged, so it can be stated that, for this month, it is perfectly sized.
Figure 18.
Hourly state of the battery in September and December in Bungin.
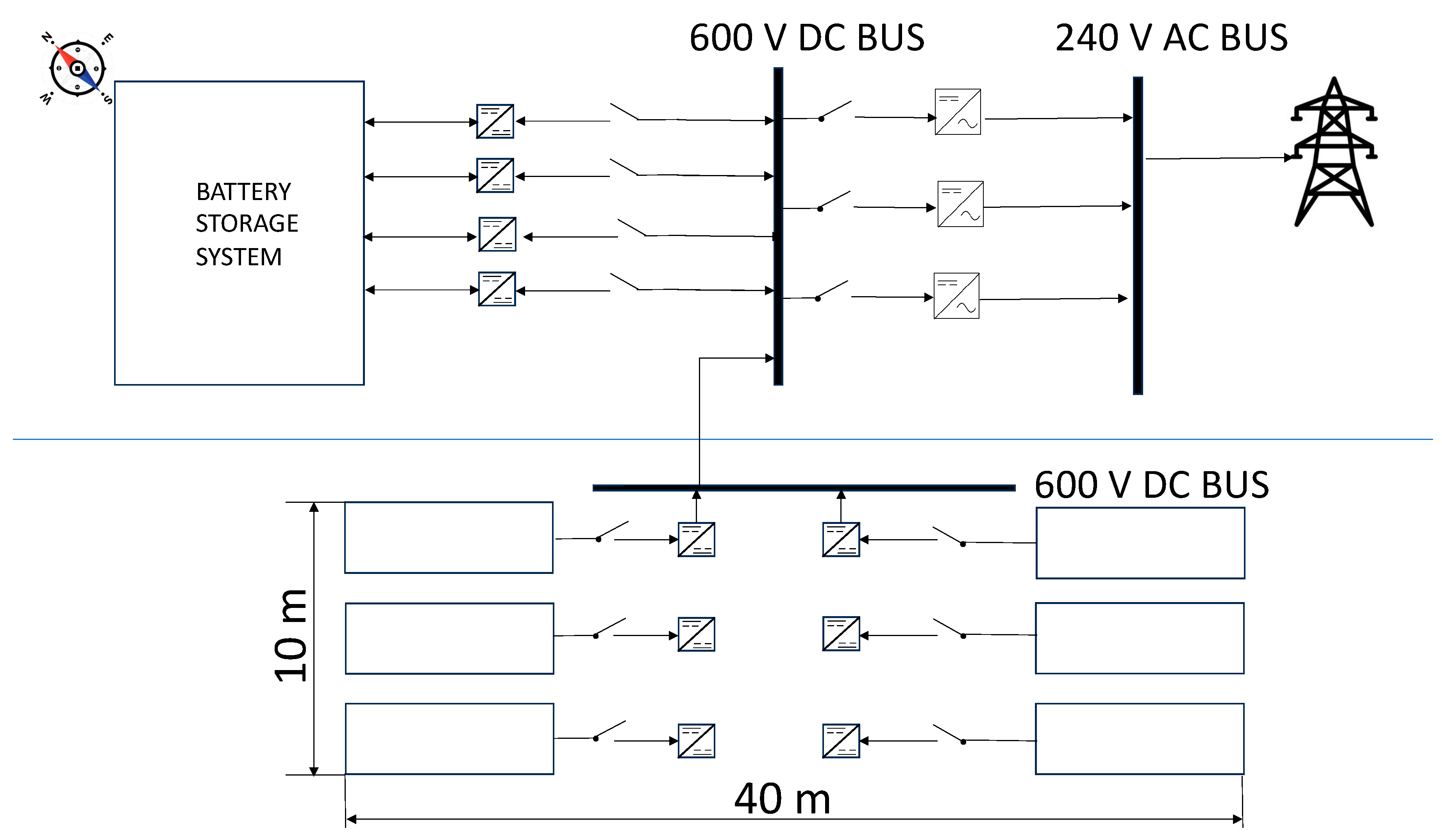
The electrical drawing of the system in Kalenan is given in Figure 19. Each of the rectangles connected to the DC/DC converters in the solar field consists of a solar array of 16 modules connected in series, achieving the same voltage levels as in the other cases, but a current 5 times smaller, 9.21 A in case of short circuit. There only are 6 DC/DC converters of 6 kW each.
Figure 19.
Kalenan electrical drawing.
Figure 20 shows that during the less productive months, the surplus energy produced during the sunny hours is not enough to fully charge the BESS, so, during the last 3 h of the night, there will be no electricity available. Figure 21 shows the response of the system during the peak month. The BESS provides all the required energy during the night hours, complying with its design specifications.
Figure 20.
Kalenan output of the system during valley month.
Figure 21.
Kalenan output of the system during peak month.
Figure 22 shows the state of charge of the BESS for the previous 2 months. The capacity of the BESS is optimised, since during the peak months it becomes completely charged by 11 in the morning; however, during the valley month, it can only be charged up to 70%.
Figure 22.
Kalenan daily storage BESS state of charge.
3.5. Overcoming Ocean Wave Impacts—A Technical Solution
Operating FPV farms in coastal regions faces a significant challenge due to ocean waves, which can damage floating solar panels or wash over the solar panels and leave salts, if contemporary designs of FPV for calm water (e.g., lakes) are used. Hence, the present work proposes a technical solution of an innovative FPV system that is suitable for operation in waves. The novel design is presented in Figure 23: a breakwater is integrated into the floating structure upstream of solar panels, attenuating the incoming wave to have <10% of its original wave height. The attenuated wave will travel through a buffer zone and become minimal when entering the FPV zone. Thus, the solar panels do not have significant interaction with waves.
Figure 23.
An innovative FPV farm integrated a breakwater to minimise ocean wave impacts.
4. Economic-Socio-Environmental Impact Assessment
4.1. Economic Analysis
The economic indicator that is used for energy systems is the LCOE. It is the cost of each kWh delivered by the energy system. This indicator considers the most important factors of an energy system, such as the capital costs of the system, the maintenance costs, and the energy produced during its lifespan. Normally, it also includes some financial parameters such as the discount rate, but to simplify the calculations, financial parameters will not be included. There is no information about the price of the components by the manufacturers, so average prices were searched for in the literature, although they might not be completely accurate. Hence, the LCOE to be obtained will not be exact.
LCOE can be calculated via Equation (2):
where the CAPEX is the total capital costs of the plant, O&M will be the operating and maintenance costs for the lifespan of the plant, and E is all the energy produced during the lifespan. The LCOE will be obtained in ($/kWh).
The average CAPEX for a utility-scale PV system in Indonesia is $1200/kW. These large plants are connected to the grid, and the inverters must be able to handle all the power output of the solar field. For the designed plants of this project, the rated power of the inverters is 4 times smaller than the output of the modules because the electric load will never reach such high energy requirements. However, DC/DC converters with MPPT input will be used. It has been found that the inverters represent 10% of the total CAPEX of a PV plant. It has been estimated that for this case, the CAPEX will be reduced by 7.5% because of the lower power design of the inverters and increased by 2.5% because of the DC/DC converters [17].
Considering these 2 variations from the usual onshore PV plant in Indonesia, the price per kW installed of the FPV will be 25% more expensive. Then, the CAPEX that will be used for the FPV plants is $1500/kW. Regarding lithium batteries, the capital cost of lithium batteries has been constantly dropping during the last years, and it is expected to continue during the coming years. It has been found that the cost of lithium phosphate batteries will be below $200/kWh installed by 2030, and even in some sites, it is stated that the costs are already below $190. For this study, a conservative price of $200/kWh has been set [17,18].
However, the difference in the lifespan between these 2 technologies must be considered. FPV systems are expected to work for 30 years, whereas the battery selected lifespan is 6000 cycles, approximately 16 years. So, the CAPEX of the system has been multiplied by 2 times the cost of the batteries, considering that they will be replaced after 15 years [19].
O&M costs are usually related to the CAPEX. It has been found that for FPV, they are 1% of the CAPEX, and for lithium batteries, 1.5%. These costs are expressed annually, which means that for the LCOE they must be multiplied by the expected lifespan [17,20].
Table 6 presents the results of the economic analysis. It must be highlighted that the LCOE of just the FPV has been calculated as the installed FPV as though all its energy could be given to the grid. As has been explained in previous sections, BESSs are the most expensive component. Large-duration systems have been designed to try to maximise the autonomy of the system and reduce emissions, which is why the CAPEX of the BESS is larger than that of the FPV. If a smaller BESS had been designed, its CAPEX would be smaller than FPV’s. Comparing the LCOE with and without BESS, energy storage has induced an increase in the LCOE of 107% in the best scenario and 125% in the worst. This confirms what has been said in previous sections regarding the high effect on the price of the batteries. It must be highlighted that this impact is so high because the BESS is very large and, in some cases, able to provide energy for 12 h without any backup generator. It is clearly seen that designing a seasonal BESS system is not worthwhile. The LCOE of the whole system is much higher for seasonal storage than for the daily storage design. However, with the daily storage design, the FPV system cannot provide 100% electricity required, thus it will still need support from fossil fuel systems. Looking at the LCOE of the FPV+BESS, Bungin’s is slightly smaller than the other 2 islands’ daily scenarios, even though the BESS is less optimised. This is because the weather conditions for this case are better than for the other 2, as is seen in the energy production per kW installed.
Table 6.
Summary of cost analysis results.
4.2. Social Analysis
In order to understand the social influence of the present floating photovoltaic systems, following some surveys, we found that the employment and sources of income primarily revolve around the fishing industry, which is a vital economic sector throughout Indonesia. In Bungin Island and Gili Ketapang, the main economic activities are centred around fishing, where men primarily engage in fishing operations, while women play important roles in post-activities such as cleaning, drying, preserving, and sometimes selling the fish. Women also have responsibilities in managing households and children’s education. In Kalenan, seagrass-related activities are prominent sources of income. Additionally, some individuals rely on inland activities such as animal husbandry, while others engage in private businesses like trading or market retail.
However, a common challenge across all three locations is the lack of electricity infrastructure, which hampers the development of businesses. The absence of a reliable power supply impacts the preservation of fish products, necessitating refrigeration and ice for proper storage. This limitation poses constraints on the growth and profitability of the fishing industry.
A special section of the social analysis was focused on environmental and climate change engagement and awareness. Results reveal that all three communities are aware of the urgency of adopting greener solutions, and combating climate change, and are open to adopting renewable technologies as a solution. However, even if the population is aware of climate change and pollution, their main interest in having an FPV plant as a source of electricity is saving money and having better electricity quality. The only place where the population was interested in reducing pollution was Bungin Island, and it was the second interest due to already having a good grid connection. This is nonetheless normal and makes sense, as for an underdeveloped community to be able to reach the developed lifestyle will always be more important.
What the reports did show is that in all three locations, they are familiar with Renewable Energy technologies and, more specifically, PV systems. In all the locations, they already have PV streetlights, and in Kalenan, the sub-village leader’s house has a small PV panel installed. In Bungin, a small installation can be found used for operating fridges, and some boats with solar systems are used. On the contrary, in Gili Ketapang, the fifty streetlights that were installed back in 2020 are no longer in operation due to battery problems and no maintenance. The concerns that did arise when talking about the environment and fauna were about how it would interfere with the fishing works. In particular, strong desires were expressed for FPV to power (a) ice-making machines to help reserve sea catches, (b) desalination units to provide clean drinking water, and (c) fishing equipment.
In this social analysis, participants demonstrated varying levels of understanding of energy generation and expressed their attitudes toward adopting FPV as a sustainable energy solution. In all three locations, a need for more electricity is clearly observed, not only because it affects the growth and profitability of the fishing industry, but also because it would facillitate social developments of the community. Working conditions would be improved by access to computers and the internet, enabling modern working models and allowing local businesses to increase cooperative business models. Overall knowledge enhancement would be facilitated by online learning and improved mobility to access higher education. Diverse businesses could be powered by FPV, creating jobs and boosting the local economy. Local industries will be driven, such as material trade and manufacturing. Overall, the FPV installation is well welcomed by the locals.
4.3. Environmental Analysis
As outlined in the methodology, the environmental analysis is founded on a comprehensive comparison of CO2 and GHG emissions, allowing for the precise calculation of the installation’s sustainability benefits. The findings clearly illustrate that while emissions cannot be eliminated, their integration of renewable technologies leads to significant reductions. The results of the CO2 emission analysis are thoughtfully presented in Table 7 and Table 8 (the emissions are always in kg of CO2), which closely resembles the format employed in the economic analysis for cohesive analysis and comparison.
Table 7.
Current CO2 emissions per household in study locations.
Table 8.
Summary of environmental analysis results.
From this current situation, before moving on to the FPV comparison, the high emission rate from Kalenan should be commented on. This community, despite being the smallest one, with less electricity usage, less stable demand and more remote, is the most pollutant out of the study. This is mostly due to the wood burning, which has a high carbon conversion factor. However, this high value could be discussed, as the wood comes from trees that have previously absorbed CO2, sometimes a source presented as a low pollutant. For this analysis, it was decided to take a high value from the founded range because the habitants do not chop their wood, but instead, they buy it in bundles and must transport it via diesel-powered vehicles. By taking a high value, the emission of transportation is accounted for.
The results and findings of the comparison between the current emissions and the FPV scenarios are found in Table 8. Through straightforward conversion calculations, the associated emissions for each FPV plant are obtained and presented. When expressed in percentages, RE technologies have a massive impact on emissions, as the average reduction with this project is 91%. The main reason for this huge reduction is that Indonesia’s grid is completely reliant on fossil fuels, so the carbon emission factor is high. In the US or European countries, this value is almost half, as RE is expanded and used in the electricity mix.
When floating photovoltaic systems cover the water surface, notably, they attenuate water evaporation, fostering water conservation—an especially valuable benefit in water-scarce regions—and simultaneously safeguarding water habitats. Moreover, FPV systems influence algae populations and their control of it, a phenomenon that can be both beneficial and detrimental. Reduced sunlight translates to diminished oxygen production, intricately balancing the beneficial curbing of excessive algae proliferation, with adverse impacts on water quality and ecosystem health.
Alterations in water dynamics and the seabed and substrate due to these structures are also noteworthy. Having big water areas covered can create static zones with staggered water that can negatively affect various species. Furthermore, the mooring and anchoring lines can agitate the water, resulting in turbidity, which can harm aquatic life.
Extending the research to marine environments reveals a lack of specific studies on FPV installations, primarily due to the early stage of development of the offshore version of the technology [21]. However, existing research is centred around broader marine energy development, as demonstrated in studies by [22,23]. These investigations collectively emphasise that common impacts, such as shading and sedimentation that impede seagrass growth, alterations to wave climates and flow patterns, amplified underwater noise, and collision with animals, could potentially endanger adverse effects on fish populations, disrupt fishing activities, and instigate habitat degradation. On a more positive note, the research also shows that marine structures could be used as artificial reefs, and by establishing a structure, the potential for installing sensors and sampling areas could aid in creating controlled zones.
In the context of this project, it is important to note that specific information regarding marine fauna within the chosen locations is relatively limited due to their remote nature. However, certain references, such as [24,25,26], highlight key marine organisms in these areas, including corals, seagrass, and bivalve molluscs. These species’ possess high sensitivity to water quality, temperature, and light levels [27,28].
It can be concluded that the overall consequences of FPV installations, both inland and offshore, are mixed and present a complex balance of benefits and challenges. Covering water bodies with FPV panels contributes to water conservation and algae control, and introducing new structures allows reef formation but also poses obstacles for fish and other animals. Due to all this, further research on site selection, maintenance strategies, and ways of integrating the installations is needed.
5. Conclusions
To study the practicality of FPV in Indonesia and the world, the environmental conditions and hourly electricity demands of three Indonesian islands were obtained, representing typical scenarios of fossil fuel power usage. To replace the electricity generated by fossil fuels, the present work designed an FPV system including battery storages. Computational simulations were used to estimate the FPV power generation versus the actual electricity demands, and it was found that FPV can provide around 90% of the electricity required for all three islands, without using a too expensive battery system.
Following the design and simulations, a series of analyses were also conducted from the aspects of economics, society and environments, demonstrating a strong suitability of FPV in the investigated scenarios. Regarding the economic analysis, the LCOE of FPV including BESS can be no more than $0.1/kWh. This signifies an evident cost saving against using diesel generators that are dominating in off-grid islands but have an LCOE ranging from $0.3/kWh to $0.5/kWh [29]. A social analysis was presented based on interviews, surveys, and reports, which provided an understanding of the communities seeing the potential FPV installations. The overall finding is that habitants do support RE technologies and the installation of FPVs as they need extra energy and save costs. The environmental analysis studied both CO2 reduction and the impacts of FPV on the surrounding environment. The findings show an 88–97% potential decrease in emissions through an FPV installation, which is attributed to less reliance on the country’s carbon-intensive grid. Overall, the study shows that FPV is Indonesia is viable and the potential is phenomenal, which would lead to significant economic, social and environmental benefits.
Author Contributions
Conceptualization, L.H., C.B., W.H. and I.K.A.P.U.; Methodology, L.H. and Z.L.; Software, I.E. and Á.O.C.; Validation, C.B.; Formal analysis, I.E. and Á.O.C.; Investigation, L.H., C.B., S.R., W.H., R.H., D.S., I.K.A.P.U., T.W. and Z.L.; Resources, L.H., C.B., S.R., W.H., I.K.A.P.U., T.W. and Z.L.; Data curation, I.E., Á.O.C., C.B., S.R., W.H., R.H. and D.S.; Writing—original draft, I.E., Á.O.C., L.H. and Y.Y.; Writing—review & editing, L.H., I.K.A.P.U., T.W. and Z.L.; Visualization, I.E., Á.O.C., L.H. and Y.Y.; Supervision, L.H. and Z.L.; Project administration, L.H. and T.W.; Funding acquisition, L.H., C.B., S.R., W.H., I.K.A.P.U., T.W. and Z.L. All authors have read and agreed to the published version of the manuscript.
Funding
This work is part of a project that has received funding from Innovate UK’s Energy Catalyst programme under grant agreement No. 10048187—Solar2Wave: Design of Floating Solar Farms to Overcome Tough Ocean Waves.
Institutional Review Board Statement
Not applicable.
Informed Consent Statement
Not applicable.
Data Availability Statement
All data underlying the results are available as part of the article, and no additional source data are required.
Conflicts of Interest
Author C.B. was employed by the company Gerbang Multindo Nusantara PT. Author S.R. was employed by the company PT Orela Shipyard. Author T.W. was employed by the company Achelous Energy Limited. The remaining authors declare that the research was conducted in the absence of any commercial or financial relationships that could be construed as a potential conflict of interest.
References
- Statista. Electricity Sector in Indonesia: 2022. Available online: https://www.statista.com/topics/5781/energy-in-indonesia/#dossier-chapter6 (accessed on 10 January 2024).
- Essak, L.; Ghosh, A. Floating photovoltaics: A review. Clean Technol. 2022, 4, 752–769. [Google Scholar] [CrossRef]
- Oliveira-Pinto, S.; Stokkermans, J. Marine floating solar plants: An overview of potential, challenges and feasibility. In Proceedings of the Institution of Civil Engineers-Maritime Engineering; Thomas Telford Ltd.: London, UK, 2020; pp. 120–135. [Google Scholar]
- Liu, H.H.; Krishna, V.; Lun Leung, J.; Reindl, T.; Zhao, L. Field experience and performance analysis of floating PV technologies in the tropics. Prog. Photovolt. Res. Appl. 2018, 26, 957–967. [Google Scholar] [CrossRef]
- El Hammoumi, A.; Chtita, S.; Motahhir, S.; El Ghzizal, A. Solar PV energy: From material to use, and the most commonly used techniques to maximize the power output of PV systems: A focus on solar trackers and floating solar panels. Energy Rep. 2022, 8, 11992–12010. [Google Scholar] [CrossRef]
- Nisar, H.; Janjua, A.K.; Hafeez, H.; Shahzad, N.; Waqas, A. Thermal and electrical performance of solar floating PV system compared to on-ground PV system-an experimental investigation. Sol. Energy 2022, 241, 231–247. [Google Scholar] [CrossRef]
- Lappalainen, K.; Valkealahti, S. Effects of PV array layout, electrical configuration and geographic orientation on mismatch losses caused by moving clouds. Sol. Energy 2017, 144, 548–555. [Google Scholar] [CrossRef]
- Yadav, A.K.; Chandel, S. Tilt angle optimization to maximize incident solar radiation: A review. Renew. Sustain. Energy Rev. 2013, 23, 503–513. [Google Scholar] [CrossRef]
- Kim, D.J.; Kim, M.H. Wave-current interaction with a large three-dimensional body by THOBEM. J. Ship Res. 1997, 41, 273–285. [Google Scholar] [CrossRef]
- Campana, P.E.; Wästhage, L.; Nookuea, W.; Tan, Y.; Yan, J. Optimization and assessment of floating and floating-tracking PV systems integrated in on-and off-grid hybrid energy systems. Sol. Energy 2019, 177, 782–795. [Google Scholar] [CrossRef]
- Keiner, D.; Salcedo-Puerto, O.; Immonen, E.; van Sark, W.G.; Nizam, Y.; Shadiya, F.; Duval, J.; Delahaye, T.; Gulagi, A.; Breyer, C. Powering an island energy system by offshore floating technologies towards 100% renewables: A case for the Maldives. Appl. Energy 2022, 308, 118360. [Google Scholar] [CrossRef]
- Untoro, A.A.; Gunawan, T.; Hidayanto, B.D.; Perkasa, F.A.; Wijaya, A.A. Study of Economic Viability of Floating Photovoltaic Electric Power in Indonesia. In IOP Conference Series: Materials Science and Engineering; IOP Publishing: Bristol, UK, 2021; p. 012132. [Google Scholar]
- Silalahi, D.F.; Blakers, A. Global Atlas of Marine Floating Solar PV Potential. Solar 2023, 3, 416–433. [Google Scholar]
- International Fund for Agricultural Development (IFAD). Towards Zero Food Waste in Indonesia’s Fishing Communities. 2020. Available online: https://www.ifad.org/en/web/latest/-/story/towards-zero-food-waste-in-indonesia-s-fishing-communities (accessed on 10 January 2024).
- IDEA. Technical Specifications for Installations Connected to the Grid; IDEA Publishing: New York, NY, USA, 2018. [Google Scholar]
- Wei, Y.; Ou, B.; Wang, J.; Yang, L.; Luo, Z.; Jain, S.; Hetharia, W.; Riyadi, S.; Utama, I.K.A.P.; Huang, L. Simulation of a floating solar farm in waves with a novel sun-tracking system. In IOP Conference Series: Materials Science and Engineering; IOP Publishing: Bristol, UK, 2023; Volume 1288, p. 012041. [Google Scholar]
- IRENA. Renewable Power Generation Costs in 2021; IRENA: Abu Dhabi, United Arab Emirates, 2021. [Google Scholar]
- Systems, D.N. Electricidad y Almacenamiento de Energía. Available online: https://blogs.iadb.org/energia/es/sistemas-de-almacenamiento-de-energia-descarbonizacion/ (accessed on 5 January 2024).
- Clemons, S.K.C.; Salloum, C.R.; Herdegen, K.G.; Kamens, R.M.; Gheewala, S.H. Life cycle assessment of a floating photovoltaic system and feasibility for application in Thailand. Renew. Energy 2021, 168, 448–462. [Google Scholar] [CrossRef]
- Ramasamy, V.; Margolis, R. Floating Photovoltaic System cost Benchmark: Q1 2021 Installations on Artificial Water Bodies; National Renewable Energy Lab. (NREL): Golden, CO, USA, 2021. [Google Scholar]
- Hooper, T.; Armstrong, A.; Vlaswinkel, B. Environmental impacts and benefits of marine floating solar. Sol. Energy 2021, 219, 11–14. [Google Scholar] [CrossRef]
- Bonar, P.A.; Bryden, I.G.; Borthwick, A.G. Social and ecological impacts of marine energy development. Renew. Sustain. Energy Rev. 2015, 47, 486–495. [Google Scholar] [CrossRef]
- Wilson, B.; Batty, R.S.; Daunt, F.; Carter, C. Collision Risks between Marine Renewable Energy Devices and Mammals, Fish and Diving Birds: Report to the Scottish Executive; Centre for Ecology & Hydrology (CEH): Lancaster, UK, 2006. [Google Scholar]
- Asadi, M.A.; Iranawati, F.; Andini, A.W. Ecology of bivalves in the intertidal area of Gili Ketapang Island, East Java, Indonesia. Aquac. Aquar. Conserv. Legis. 2018, 11, 55–65. [Google Scholar]
- Auliadani, N.M.; Faradilla, F.; Chasani, A.R. Diversity of Macroalgae in the Intertidal Zone of Gili Ketapang Beach, Probolinggo, Jawa Timur, Indonesia. In Proceedings of the 7th International Conference on Biological Science (ICBS 2021), Online, 14–15 October 2021; Atlantis Press: Paris, France, 2022; pp. 98–101. [Google Scholar]
- Lloyd Neubauer, I. An Island Built from Coral: How indonesia’s Bajau Made a Home. 2020. Available online: https://www.aljazeera.com/news/2020/10/24/bungin-the-unique-indonesian-coral-island-built-by-sea-gypsies (accessed on 5 January 2024).
- Benham, C.F.; Beavis, S.G.; Hendry, R.A.; Jackson, E.L. Growth effects of shading and sedimentation in two tropical seagrass species: Implications for port management and impact assessment. Mar. Pollut. Bull. 2016, 109, 461–470. [Google Scholar] [CrossRef] [PubMed]
- Schrameyer, V.; York, P.H.; Chartrand, K.; Ralph, P.J.; Kühl, M.; Brodersen, K.E.; Rasheed, M.A. Contrasting impacts of light reduction on sediment biogeochemistry in deep-and shallow-water tropical seagrass assemblages (Green Island, Great Barrier Reef). Mar. Environ. Res. 2018, 136, 38–47. [Google Scholar] [CrossRef] [PubMed]
- Solano-Peralta, M.; Moner-Girona, M.; van Sark, W.G.; Vallvè, X. “Tropicalisation” of Feed-in Tariffs: A custom-made support scheme for hybrid PV/diesel systems in isolated regions. Renew. Sustain. Energy Rev. 2009, 13, 2279–2294. [Google Scholar] [CrossRef] [PubMed]
Disclaimer/Publisher’s Note: The statements, opinions and data contained in all publications are solely those of the individual author(s) and contributor(s) and not of MDPI and/or the editor(s). MDPI and/or the editor(s) disclaim responsibility for any injury to people or property resulting from any ideas, methods, instructions or products referred to in the content. |
© 2024 by the authors. Licensee MDPI, Basel, Switzerland. This article is an open access article distributed under the terms and conditions of the Creative Commons Attribution (CC BY) license (https://creativecommons.org/licenses/by/4.0/).






















