A Multi-Objective Approach for Optimal Sizing and Placement of Distributed Generators and Distribution Static Compensators in a Distribution Network Using the Black Widow Optimization Algorithm
Abstract
1. Introduction
Black Widow Optimization
2. Distribution Static Compensator (DSTATCOM)
3. Formulation of Problem
Load Flow Analysis
4. Optimization Method
Implementing BWO in Problem Resolving
- The RDS is analysed with the load flow method and the BWO algorithm simultaneously for reducing the distribution system losses.
- Power flow analysis is carried out in the IEEE RDS followed by the measurement of active and reactive power losses in the system.
- The algorithm is designed for the random generation of bus numbers apart from bus 1.
- Random placement takes place of DGs and DSTATCOMs at nodes with higher and lower values of energy capability, which relies on the load data. Through the implementation of the optimization, the active and reactive power loss is computed.
- Minimum power loss is found with numerous values of DG and DSTATCOM locations and sizes.
- The position of DGs and DSTATCOMs that provide the least power loss is selected and saved.
- The capacity of DGs and DSTATCOMs is evaluated with the system that offers the least power loss.
5. Simulation Results
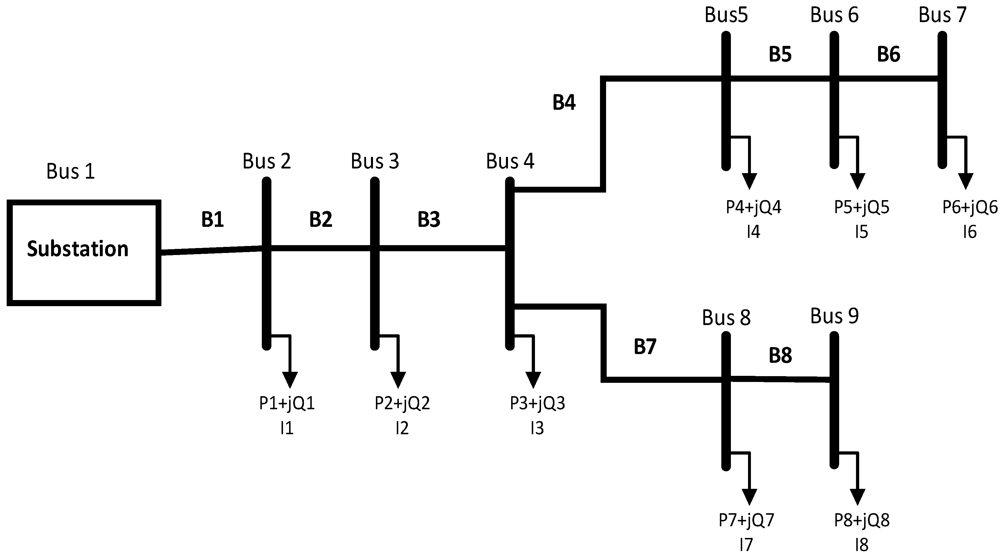
5.1. IEEE 12 Bus System
5.2. Test Case 1
5.3. Test Case 2
5.4. Test Case 3
5.5. Test Case 4
5.6. IEEE 33 Bus System
5.7. Test Case 1
5.8. Test Case 2
5.9. Test Case 3
5.10. Test Case 4
5.11. IEEE 69 Bus System
5.12. Test Case 1
5.13. Test Case 2
5.14. Test Case 3
5.15. Test Case 4
6. Conclusions
Author Contributions
Funding
Data Availability Statement
Conflicts of Interest
References
- Haes Alhelou, H.; Hamedani-Golshan, M.E.; Njenda, T.C.; Siano, P. A survey on power system blackout and cascading events: Research motivations and challenges. Energies 2019, 12, 682. [Google Scholar] [CrossRef]
- Sarkar, M.N.I.; Meegahapola, L.G.; Datta, M. Reactive power management in renewable rich power grids: A review of grid-codes, renewable generators, support devices, control strategies and optimization algorithms. IEEE Access 2018, 6, 41458–41489. [Google Scholar] [CrossRef]
- Dixon, J.; Moran, L.; Rodriguez, J.; Domke, R. Reactive power compensation technologies: State-of-the-art review. Proc. IEEE 2005, 93, 2144–2164. [Google Scholar] [CrossRef]
- Gayatri, M.T.L.; Parimi, A.M.; Kumar, A.V.P. Reactive power compensation in microgrids using custom power devices. In Proceedings of the 2015 IEEE IAS Joint Industrial and Commercial Power Systems/Petroleum and Chemical Industry Conference (ICPSPCIC), Hyderabad, India, 19–21 November 2015. [Google Scholar]
- Kargarian, A.; Raoofat, M.; Mohammadi, M. Reactive power market management considering voltage control area reserve and system security. Appl. Energy 2011, 88, 3832–3840. [Google Scholar] [CrossRef]
- Kotsampopoulos, P.; Georgilakis, P.; Lagos, D.T.; Kleftakis, V.; Hatziargyriou, N. FACTS providing grid services: Applications and testing. Energies 2019, 12, 2554. [Google Scholar] [CrossRef]
- Ali, M.S.; Haque, M.M.; Wolfs, P. A review of topological ordering based voltage rise mitigation methods for LV distribution networks with high levels of photovoltaic penetration. Renew. Sustain. Energy Rev. 2019, 103, 463–476. [Google Scholar] [CrossRef]
- Bayat, A.; Bagheri, A. Optimal active and reactive power allocation in distribution networks using a novel heuristic approach. Appl. Energy 2019, 233, 71–85. [Google Scholar] [CrossRef]
- Kazmi, S.A.A.; Ameer Khan, U.; Ahmad, H.W.; Ali, S.; Shin, D.R. A techno-economic centric integrated decision-making planning approach for optimal assets placement in meshed distribution network across the load growth. Energies 2020, 13, 1444. [Google Scholar] [CrossRef]
- Abbasi, A.-R.; Khoramini, R.; Dehghan, B.; Abbasi, M.; Karimi, E. A new intelligent method for optimal allocation of D-STATCOM with uncertainty. J. Intell. Fuzzy Syst. 2015, 29, 1881–1888. [Google Scholar] [CrossRef]
- Yuvaraj, T.; Ravi, K.; Devabalaji, K. DSTATCOM allocation in the radial distribution networks with different stability indices using bat algorithm. Gazi Univ. J. Sci. 2017, 30, 314–328. [Google Scholar]
- Arya, A.K.; Kumar, A.; Chanana, S. Analysis of distribution system with D-STATCOM by gravitational search algorithm (GSA). J. Inst. Eng. (India) Ser. B 2019, 100, 207–215. [Google Scholar] [CrossRef]
- Eid, A.; Kamel, S. Optimal allocation of shunt compensators in distribution systems using turbulent flow of waterbased optimization Algorithm. In Proceedings of the 2020 IEEE Electric Power and Energy Conference (EPEC), Edmonton, AB, Canada, 9–10 November 2020. [Google Scholar]
- Tejaswini, V.; Susitra, D. Dragonfly algorithm for optimal allocation of D-STATCOM in distribution systems. In Artificial Intelligence and Evolutionary Computations in Engineering Systems; Springer: Singapore, 2020; pp. 213–228. [Google Scholar]
- Zellagui, M.; Lasmari, A.; Settoul, S.; El-Bayeh, C.Z.; Chenni, R.; Belbachir, N. Arithmetic optimization algorithm for optimal installation of DSTATCOM into distribution system based on various voltage stability indices. In Proceedings of the 2021 9th International Conference on Modern Power Systems (MPS), Cluj-Napoca, Romania, 16–17 June 2021. [Google Scholar]
- Kaliaperumal Rukmani, D.; Thangaraj, Y.; Subramaniam, U.; Ramachandran, S.; Madurai Elavarasan, R.; Das, N.; Baringo, L.; Imran Abdul Rasheed, M. A new approach to optimal location and sizing of DSTATCOM in radial distribution networks using bio-inspired cuckoo search algorithm. Energies 2020, 13, 4615. [Google Scholar] [CrossRef]
- Bhat, M.V.; Manjappa, N. Flower pollination algorithm based sizing and placement of DG and D-STATCOM simultaneously in radial distribution systems. In Proceedings of the 2018 20th National Power Systems Conference (NPSC), Tiruchirappalli, India, 14–16 December 2018. [Google Scholar]
- Sanam, J.; Ganguly, S.; Panda, A.; Hemanth, C. Optimization of energy loss cost of distribution networks with the optimal placement and sizing of DSTATCOM using differential evolution algorithm. Arab. J. Sci. Eng. 2017, 42, 2851–2865. [Google Scholar] [CrossRef]
- Muslimin, Z. A new perspective in power loss reduction of ninety two buses integrated D-STATCOM. Przegląd Elektrotechniczny 2020, 96, 53–57. [Google Scholar] [CrossRef]
- Lasmari, A.; Zellagui, M.; Chenni, R.; Semaoui, S.; El-Bayeh, C.Z.; Hassan, H.A. Optimal energy management system for distribution systems using simultaneous integration of PV-based DG and DSTATCOM units. Energetika 2020, 66, 1–14. [Google Scholar] [CrossRef]
- Huynh, N.-T.; Nguyen, T.V.T.; Tam, N.T.; Nguyen, Q.-M. Optimizing magnification ratio for the flexible hinge displacement amplifier mechanism design. In Proceedings of the 2nd Annual International Conference on Material, Machines and Methods for Sustainable Development (MMMS2020), Nha Trang, Vietnam, 12–15 November 2021. [Google Scholar]
- Kler, R.; Gangurde, R.; Elmirzaev, S.; Hossain, M.S.; Vo, N.V.T.; Nguyen, T.V.T.; Kumar, P.N. Optimization of meat and poultry farm inventory stock using data analytics for green supply chain network. Discret. Dyn. Nat. Soc. 2022, 2022, 8970549. [Google Scholar] [CrossRef]
- Montoya, O.D.; Gil-González, W.; Hernández, J.C. Efficient operative cost reduction in distribution grids considering the optimal placement and sizing of D-STATCOMs using a discrete-continuous VSA. Appl. Sci. 2021, 11, 2175. [Google Scholar] [CrossRef]
- Prasad, P.S.; Sushama, M. Coordinated Planning of DG and D-STATCOM in Distribution System Considering Polynomial Load Models. In Proceedings of the International Conference on Electrical and Electronics Engineering, New Delhi, India, 8–9 January 2022. [Google Scholar]
- Yuvaraj, T.; Ravi, K. Multi-objective simultaneous DG and DSTATCOM allocation in radial distribution networks using cuckoo searching algorithm. Alex. Eng. J. 2018, 57, 2729–2742. [Google Scholar] [CrossRef]
- Devabalaji, K.; Ravi, K. Optimal size and siting of multiple DG and DSTATCOM in radial distribution system using bacterial foraging optimization algorithm. Ain Shams Eng. J. 2016, 7, 959–971. [Google Scholar] [CrossRef]
- Selim, A.; Kamel, S.; Jurado, F. Hybrid optimization technique for optimal placement of DG and D-STATCOM in distribution networks. In Proceedings of the 2018 Twentieth International Middle East Power Systems Conference (MEPCON), Cairo, Egypt, 18–20 December 2018. [Google Scholar]
- Devi, S.; Geethanjali, M. Optimal location and sizing determination of Distributed Generation and DSTATCOM using Particle Swarm Optimization algorithm. Int. J. Electr. Power Energy Syst. 2014, 62, 562–570. [Google Scholar] [CrossRef]
- Rincón-Miranda, A.; Gantiva-Mora, G.V.; Montoya, O.D. Simultaneous Integration of D-STATCOMs and PV Sources in Distribution Networks to Reduce Annual Investment and Operating Costs. Computation 2023, 11, 145. [Google Scholar] [CrossRef]
- Mohammedi, R.D.; Kouzou, A.; Mosbah, M.; Souli, A.; Rodriguez, J.; Abdelrahem, M. Allocation and Sizing of DSTATCOM with Renewable Energy Systems and Load Uncertainty Using Enhanced Gray Wolf Optimization. Appl. Sci. 2024, 14, 556. [Google Scholar] [CrossRef]
- Sujatha, B.; Usha, A.; Geetha, R.S. Optimal Planning of PV Sources and D-STATCOM Devices with Network Reconfiguration Employing Modified Ant Lion Optimizer. Energies 2024, 17, 2238. [Google Scholar] [CrossRef]
- Ray, P.; Ray, P.K.; Marzband, M. Reduced sensor based control of PV-DSTATCOM with switch current limiting scheme. Energies 2022, 15, 8727. [Google Scholar] [CrossRef]
- Kumar, A.; Kumar, P. Power quality improvement for grid-connected PV system based on distribution static compensator with fuzzy logic controller and UVT/ADALINE-based least mean square controller. J. Mod. Power Syst. Clean Energy 2021, 9, 1289–1299. [Google Scholar] [CrossRef]
- Sahoo, S.K.; Kumar, S.; Singh, B. Wiener variable step size with variance smoothening based adaptive neurons technique for utility integrated PV-DSTATCOM system. IEEE Trans. Ind. Electron. 2021, 69, 13384–13393. [Google Scholar] [CrossRef]
- Chawda, G.S.; Shaik, A.G. Enhancement of wind energy penetration levels in rural grid using ADALINE-LMS controlled distribution static compensator. IEEE Trans. Sustain. Energy 2021, 13, 135–145. [Google Scholar] [CrossRef]
- Hayyolalam, V.; Kazem, A.A.P. Black widow optimization algorithm: A novel meta-heuristic approach for solving engineering optimization problems. Eng. Appl. Artif. Intell. 2020, 87, 103249. [Google Scholar] [CrossRef]
- Ebeed, M.; Kamel, S.; Abdel Aleem, S.H.E.; Abdelaziz, A.Y. Optimal allocation of compensators. In Electric Distribution Network Planning; Springer: Singapore, 2018; pp. 321–353. [Google Scholar]
- Ahmad, A.A.; Sirjani, R. Optimal placement and sizing of multi-type FACTS devices in power systems using metaheuristic optimisation techniques: An updated review. Ain Shams Eng. J. 2020, 11, 611–628. [Google Scholar] [CrossRef]
- Hosseini, M.; Shayanfar, H.A.; Fotuhi-Firuzabad, M. Modeling of series and shunt distribution FACTS devices in distribution systems load flow. J. Electr. Syst. 2008, 4, 1–22. [Google Scholar]
- Teng, J.-H. A direct approach for distribution system load flow solutions. IEEE Trans. Power Deliv. 2003, 18, 882–887. [Google Scholar] [CrossRef]




















| Parameters | Base Case without DSTATCOM and DG | One DSTATCOM and DG | Two DSTATCOMs and DGs | Three DSTATCOMs and DGs | Four DSTATCOMs and DGs |
|---|---|---|---|---|---|
| Total system active power loss kW | 20.7136 | 6.7796 | 2.1735 | 1.0393 | 0.73594 |
| Active power loss reduction % | - | 67.27 | 89.5069 | 94.9826 | 96.4471 |
| Total system reactive power loss | 8.0409 | 2.6496 | 0.8594 | 0.38946 | 0.27216 |
| Reactive power loss reduction % | - | 67.0492 | 89.3121 | 95.1566 | 96.6153 |
| Voltage profile p.u. | 0.9431 | 0.9786 | 0.9892 | 0.995 | 0.9959 |
| DSTATCOM optimal location | - | 12 | 12-6 | 12-10-5 | 12-6-7-3 |
| DSTATCOM size kVAr | - | 100 | 39-99 | 16-49-31 | 15-23-46-17 |
| DG optimal location | - | 12 | 12-8 | 12-6-8 | 12-7-9-2 |
| DG size kW | - | 100 | 94-94 | 74-99-91 | 86-91-87-57 |
| Parameters | Base Case without DSTATCOM and DG | One DSTATCOM and DG | Two DSTATCOMs and DGs | Three DSTATCOMs and DGs | Four DSTATCOMs and DGs |
|---|---|---|---|---|---|
| Total system active power loss kW | 202.6771 | 83.0037 | 39.8037 | 25.415 | 10.6874 |
| Active power loss reduction % | - | 59.0464 | 80.361 | 87.4604 | 94.7268 |
| Total system reactive power loss | 135.141 | 62.2296 | 29.4247 | 19.2285 | 12.2306 |
| Reactive power loss reduction % | - | 53.9521 | 78.2267 | 85.7715 | 90.9498 |
| Voltage profile p.u. | 0.9131 | 0.95 | 0.9769 | 0.9788 | 0.9938 |
| DSTATCOM optimal location | - | 33 | 33-30 | 33-30-6 | 33-4-30-14 |
| DSTATCOM size kVAr | - | 991 | 133-952 | 259-847-774 | 162-407-793-409 |
| DG optimal location | - | 33 | 33-14 | 10-33-24 | 14-24-33-26 |
| DG size kW | - | 991 | 893-893 | 806-620-830 | 757-713-861-729 |
| Comparison of Optimization Techniques with Existing Techniques for IEEE 33 Radial Distribution System | |||||
|---|---|---|---|---|---|
| Parameters | Base Case | Proposed Method: Black Widow Optimization | IGWO [24] | Cuckoo Search Algorithm [25] | Bacterial Foraging Optimization [26] |
| Power loss kW | 202.67 | 10.6874 | 11.48 | 12 | 15.07 |
| DG size kW | 757-713-861-729 | 770-1070-1030 | 750-1100-1000 | 850-750-860 | |
| DG location | 14-24-33-26 | 14-24-30 | 14-24-30 | 400-350-850 | |
| DSTATCOM size (kVAr) | 162-407-793-409 | 360-515-1000 | 420-460-970 | ||
| DSTATCOM location | 33-4-30-14 | 11-24-30 | 11-24-30 | 12-25-30 | |
| Power loss reduction % | 94.72 | 94.30 | 94 | 92.56 | |
| Min: voltage p.u | 0.9938 | 0.992 | 0.9910 | 0.9862 | |
| Parameters | Base Case without DSTATCOM and DG | One DSTATCOM and DG | Two DSTATCOMs and DGs | Three DSTATCOMs and DGs | Four DSTATCOMs and DGs |
|---|---|---|---|---|---|
| Total system active power loss kW | 224.9606 | 117.1012 | 46.335 | 34.2295 | 12.9128 |
| Active power loss reduction % | - | 47.9459 | 79.4031 | 84.7842 | 94.26 |
| Total system reactive power loss | 102.147 | 57.3218 | 24.5611 | 18.9111 | 10.1273 |
| Reactive power loss reduction % | - | 43.8831 | 75.9551 | 81.4864 | 90.0855 |
| Voltage profile p.u. | 0.909 | 0.95 | 0.966 | 0.9709 | 0.9915 |
| DSTATCOM optimal location | - | 69 | 69-29 | 69-29-60 | 63-69-45-29 |
| DSTATCOM size kVAr | - | 36 | 597-740 | 14-271-723 | 137-58-73-183 |
| DG optimal location | - | 69 | 69-63 | 69-61-11 | 69-63-62-66 |
| DG size kW | - | 687 | 410-975 | 35-878-861 | 280-626-825-501 |
| Parameters | Comparison of Optimization Techniques with Existing Techniques for IEEE 69 Radial Distribution System | |||
|---|---|---|---|---|
| Base Case | Proposed Method: Black Widow Optimization | Hybrid SCA [27] | Particle Swarm Optimization [28] | |
| Power loss kW | 224.96 | 12.9128 | 23.22 | 38.6 |
| DG size kW | 280-626-825-501 | 1873 | 108 | |
| DG location | 69-63-62-66 | 61 | 62 | |
| DSTATCOM size (kVAr) | 137-58-73-183 | 1301.13 | 903.9 | |
| DSTATCOM location | 63-69-45-29 | 61 | 61 | |
| Power loss reduction% | 94.26 | 89.67 | 82.9 | |
| Min: voltage p.u | 0.9915 | 0.9768 | 0.9562 | |
Disclaimer/Publisher’s Note: The statements, opinions and data contained in all publications are solely those of the individual author(s) and contributor(s) and not of MDPI and/or the editor(s). MDPI and/or the editor(s) disclaim responsibility for any injury to people or property resulting from any ideas, methods, instructions or products referred to in the content. |
© 2024 by the authors. Licensee MDPI, Basel, Switzerland. This article is an open access article distributed under the terms and conditions of the Creative Commons Attribution (CC BY) license (https://creativecommons.org/licenses/by/4.0/).
Share and Cite
Shaikh, R.; Stojcevski, A.; Seyedmahmoudian, M.; Chandran, J. A Multi-Objective Approach for Optimal Sizing and Placement of Distributed Generators and Distribution Static Compensators in a Distribution Network Using the Black Widow Optimization Algorithm. Sustainability 2024, 16, 4577. https://doi.org/10.3390/su16114577
Shaikh R, Stojcevski A, Seyedmahmoudian M, Chandran J. A Multi-Objective Approach for Optimal Sizing and Placement of Distributed Generators and Distribution Static Compensators in a Distribution Network Using the Black Widow Optimization Algorithm. Sustainability. 2024; 16(11):4577. https://doi.org/10.3390/su16114577
Chicago/Turabian StyleShaikh, Rameez, Alex Stojcevski, Mehdi Seyedmahmoudian, and Jaideep Chandran. 2024. "A Multi-Objective Approach for Optimal Sizing and Placement of Distributed Generators and Distribution Static Compensators in a Distribution Network Using the Black Widow Optimization Algorithm" Sustainability 16, no. 11: 4577. https://doi.org/10.3390/su16114577
APA StyleShaikh, R., Stojcevski, A., Seyedmahmoudian, M., & Chandran, J. (2024). A Multi-Objective Approach for Optimal Sizing and Placement of Distributed Generators and Distribution Static Compensators in a Distribution Network Using the Black Widow Optimization Algorithm. Sustainability, 16(11), 4577. https://doi.org/10.3390/su16114577

