Abstract
The paper investigates the mathematical modeling of anaerobic fermentation for the utilization of animal wastes. It analyzes various approaches to the mathematical modeling of anaerobic digestion processes. However, most of the models previously proposed do not take into account a number of key parameters such as the levels of micro and macronutrientls (such as K, Na, Ca, Mg, Mo, etc.), values of volatile fatty acids, C/N ratio, pH levels, extent of grinding, moisture, and others. This paper proposes a new mathematical model of anaerobic fermentation under industrial scale conditions. The model was developed on the basis of regression analysis and correlation. It found empirical relationships between biogas yield and 26 different parameters. These parameters are measured by appropriate biosensors in industrial production. Some of them have more significant influence on the fermentation process than others. Overall, the developed mathematical model has the potential to provide useful insights into biogas production and can be used to optimize anaerobic fermentation processes.
1. Introduction
The technology of converting organic waste into energy has gained significant attention due to the increasing environmental issues and high prices of energy resources. Furthermore, the shift of livestock and poultry production to an industrial scale and the presence of large numbers of animals on farms have resulted in a substantial rise in manure waste and effluent [1,2]. In animal production, manure is often collected and stored in lagoons or pits until it can be properly disposed of or used as fertilizer. When used as fertilizer, manure can provide valuable nutrients to crops, improving soil fertility and productivity. However, if not managed properly, manure can also have negative environmental impacts, such as contaminating water sources with excess nutrients or pathogens [3,4].
Anaerobic digestion is a process in which microorganisms break down organic matter in the absence of oxygen to produce biogas, a renewable energy source. One of the methods of rational use of organic waste from livestock farms is their anaerobic fermentation in biogas plants. This involves the decontamination of liquid manure and its transformation into fertilizer with the simultaneous production of an energy resource—biogas. Biogas is a type of renewable energy that is produced by the anaerobic digestion of organic matter, including manure. Biogas production from manure can provide several benefits, including energy production, waste management, and greenhouse gas reduction [5,6].
The proper utilization of agricultural waste is a crucial issue worldwide. Hence, the advancement of technology for managing cattle waste, which ensures environmental security and facilitates the establishment of enclosed energy-efficient facilities for producing mineralized organic fertilizer, feed additives, and biogas as an alternative source of energy, has become significant [7,8].
There has been a significant focus on researching the process of methane fermentation and designing biogas facilities [9,10,11,12,13]. Methanogenesis processes are very complex and unstable. This instability usually leads to such phenomena as a reduction of the methane production rate, a decrease in pH, and an increase in the concentration of volatile fatty acids (VFA), which lead to malfunctioning of bioreactors. This is due to factors such as overloading or underloading in the bioreactor supply, and insufficient temperature control [14,15].
There are various mathematical models that can be used to describe and predict the production of biogas from manure. These models typically take into account various factors that influence biogas production, such as the composition of the manure, the temperature, the pH, and the microbial populations involved [16]. One common approach is to use mathematical models based on the kinetics of anaerobic digestion. These models describe the rate of biogas production as a function of the concentrations of substrate (i.e., the organic matter in the manure), microbial biomass, and biogas. The models can also incorporate information on microbial kinetics, such as the specific growth rates, substrate utilization rates, and yields of biogas [17]. Another approach is to use process simulation models, which can be used to optimize and predict the performance of biogas production systems. These models can incorporate information on the physical and operational aspects of the system, such as the reactor configuration, mixing and heat transfer, and energy consumption and production [18,19].
In the study of biogas production and the development of biogas plants, empirical models are commonly employed. These models rely on the equations of microbial kinetics and chemostat theory. This approach has been widely adopted due to its practicality and effectiveness in predicting the performance of biogas systems. The use of empirical models has enabled the identification of key factors that impact biogas production and has helped to optimize the design and operation of biogas plants [20]. An appropriate and efficient mathematical model can enable an all-inclusive assessment of the anaerobic waste processing process, without conducting full-scale experiments and adhering to specified limitations. The primary objective of mathematical modeling in methanogenesis is to create a universal model that can account for all of the parameters and factors involved in the anaerobic fermentation of substrates. However, it is important to continue exploring new approaches and refining existing models to enhance our understanding of the biogas production process and improve the efficiency and sustainability of biogas production. The aim of this work is to create an intelligent system for predicting the yield of biogas in bioenergy units and to determine the energy capacity of these units.
2. Materials and Methods
Mathematical Modeling of Biogas Parameters in Anaerobic Fermentation
Mathematical modeling is a valuable tool used to predict and optimize the production of biogas from anaerobic digestion. Various mathematical models can be utilized to characterize the production of biogas through anaerobic digestion. These include the Monod model, which relates the rate of biogas production to the substrate concentration and the microorganisms involved in its breakdown [21], and the Modified Gompertz model, which presumes a maximum production rate and lag time [22]. The first-order kinetic model, based on the first-order kinetics of microbial activity, assumes a proportional relationship between substrate concentration and biogas production [23,24]. The ADM1 model is a more extensive model that considers different biological processes such as hydrolysis, acidogenesis, acetogenesis, and methanogenesis. Meanwhile, the ASM1 model focuses on biochemical reactions occurring in the liquid phase of the anaerobic digester and predicts biogas production. Although the ADM1 model demands a lot of input data, it provides a detailed description of biogas production [25,26].
Mathematical modeling of the anaerobic digestion process is considered in several directions. The first direction is based on the models of chemical reaction equations. These include the works of Buswell, Muller, Boyle, and others [27,28,29]. The Buswell and Mueller equation is a widely used mathematical model for the production of biogas from anaerobic digestion. The equation relates the production of biogas to the amount of volatile solids (VS) added to the reactor and the retention time of the material in the reactor. For example, Buswell and Muller take the model as a basis for determining the amount of biogas produced depending on the initial substrate, namely the chemical composition:
where —organic matter, —water, —carbon dioxide, —methane, a, b, n—non-dimensional coefficient.
The second direction consists of models based on empirical dependencies. However, these models do not take into account parameters that affect the final yield of biogas, and therefore do not reveal in detail the process of decomposition of organic matter. The works of Safely and Westerman offer an empirical dependence of methane yield on the temperature of anaerobic digestion of waste in psychrophilic mode [30,31]:
where CH4—methane yield, m3/kg, T—digestion temperature, °C.
The third direction includes models based on the kinetic dependences of the Monod and Conto models [32,33]. The Monod model describes the process of anaerobic destruction of the fermented substrate depending on the specific growth rate of the microorganisms:
where µM—highest specific growth rate of microorganisms, day−1; KS—Monod constant, at which the growth rate is 0.5 of the maximum.
On the basis of Monod’s model, Andrews, Moser and others developed their own models [34,35]. Their work also characterizes the biogas yield as a function of substrate concentration, but with the addition of an extra function in the formula as inhibition in Andrews’s, and with the addition of a sigmoidal factor in Moser’s. The above formulas are only a part that characterizes the biological phase:
where X0, X1—concentration of the microbial population at the inlet and outlet, respectively, kg/m3; F,V—substrate feed rate and substrate volume in the reactor, m3/s; µ—specific growth rate of microorganisms, day−1; kT—toxicity coefficient, day−1; Tx1—toxic substance concentration, kg/m3; S0, S1—concentration of acetate at the inlet and outlet, respectively, kg/m3; Yx/s—economic coefficient characterizing the growth of the microbial population as the consumption of the substrate; HS—acetic acid concentration, kg/m3; K1—microbial growth inhibition constant of acetic acid, kg/m3.
The Contois model describes the growth rate of microorganisms as a function of substrate and bacterial cell concentration [36]. A distinctive feature of the Monod model is the inhibition process:
where X—concentration of bacterial cells.
Based on the Contois model, the Chen and Hashimoto model was developed [37]. For determining the biogas yield rate in the mathematical model, the main parameters of the anaerobic fermentation process were imputed as separate functions:
where B0—the maximum methane yield per day from 1 kg of organic matter, m3 CH4/kg; S—substrate concentration, kg/m3; τ—fermentation time, days; K—kinetic parameter. Here the parameter µM = 0.013 T—0.129.
All above mentioned models consider biogas yield (quality of anaerobic process) based on the chemical composition and mass of feedstock, number and growth rate of microorganisms or fermentation time.
There are also models proposed by V.P. Druzyanova [38], which describe the average rate of gas bubbles floating out of the bioreactor under psychrophilic mode:
The equation of biogas bubble floating velocity
Thus, by determining the rate of gas bubbles and their amount, and the precipitation formed, it is possible to determine the power of spontaneous mixing and further predict the volume of expected biomethane in the fermenter:
Spontaneous mixing capacity
—substrate mass, —bubble float speed, —drag coefficient, —solid particle density, —liquid density, d—bubble diameter, g—free fall acceleration.
The model of Egorova E.N. considers the dependence of metabolic product formation on the mass exchange rate of substrate and metabolic products rate, intensively influencing the process of effective degradation of organic manure [39]. Thus, biogas yield is determined by substrate mixing:
where NnepeM—mixing power in the reactor.
The mixing power Np, according to the Egorova E.N. mathematical model, required for mixing the substrate inside the reactor, is determined by the number of blades, the torque on the mixer shaft, the drag coefficient, the density of the substrate, etc.:
where Mkp—rotational torque occurring on the mixer shaft, N × m;
Cx—drag coefficient of the blades;
ρ—density of mixing medium, kg/m3;
—angular rotation speed of the mixer, s−1;
Zл—number of blades, units;
a—blade height, m;
b—blade length, m.
In the models of Druzyanova V.P. and Egorova E.N. are described generalizing models obtained in laboratory installations. In the first case to determine the biogas yield depending on the bioreactor capacity in the psychrophilic mode, and in the second case depending on the mixing power in the digester. However, all of these mathematical models are difficult to apply on an industrial scale to accurately predict the biogas yield considering various parameters [40].
3. Results
We analyzed an optimal mathematical model to improve the accuracy of predicting biogas yield during anaerobic fermentation in our research. To accomplish this, we utilized static data from the biogas station in Kurma village, located in the Karaganda region of the Republic of Kazakhstan. The mathematical model proposed by our team, for its wide industrial use and practical application, used from 20 to 26 different parameters significantly affecting the quality of anaerobic fermentation and, respectively, the high result of biogas yield (see Table 1).
Table 1.
Parametric data of the bioreactor, in anaerobic fermentation.
It is proposed to include such parameters into the mathematical model as indicators of macro- and microelements (K—potassium, Na—sodium, Ca—calcium, Mg—magnesium, Fe—iron, Cu—copper, Zn—zinc, Ni—nickel, Co—cobalt, Mo—molybdenum, Cr—chrome, Cd—cadmium), C—carbon, N—nitrogen indicators, P—phosphorus, C/N—ratio of carbon to nitrogen, L—concentration of nutrients, n—grinding ratio, VFA—content of fatty acids, τ—fermentation period, m—mass of substrate, t—temperature, pH—acidity index, φ—humidity, S—sulfur, H4N+—ammonium [41,42].
From the obtained statistical data (Table 1) we generated our own mathematical model, using the proposed parameters that affect anaerobic fermentation. Among all the studied models for anaerobic fermentation, we proposed a linear regression model. As experimental and mathematical studies have shown that this model is more practical and effective for the wide industrial production of biogas. There are several varieties of regressions: linear, hyperbolic, multiple, logarithmically linear, nonlinear, inverse, and pairwise. The experimental studies show that the influence of various parameters on biogas yield has a linear dependence [43,44,45,46].
The mathematical model is a linear differential equation of empirical relationships of each parameter, obtained by regression analysis. The linear regression model has the following form (Formula (13)):
y = a0 + a1x1 + a2x2 + …anxn
In the given equation:
y—variable, the effect on which is to be found;
x—factors affecting the variable;
a—regression coefficients, determining the significance of the factors;
n—total number of factors.
Using regression analysis, we obtained two models with 26 and 20 parameters, for which the coefficients of pairwise correlation with the volume of biogas yield are less by 0.6 modulo. Two variants were considered for each model: the one obtained by averaging private regression models (black parameters) and the one fitted by minimizing the sum of squares of deviations from the observed five points (red parameters). For each case we found the coefficient of determination (R2) and average relative deviation (A), and for the “fitted” variants R2 is almost one, and (A) is almost zero, which in reality is almost unachievable.
The first mathematical linear differential equation with 26 parameters:
V1 = 203145.2086 − 0.61753 × C − 5.63353 × N − 16.0435 × P − 6.37603 × K + 20.9404 × Na + 4.5912 × Ca + 6.58922 × Mg + 1.1836 × Fe + 504.861 × Cu + 1047.02 × Zn + 179.086 × Ni + 230.555 × Co + 50506.3 × Mo + 344.94 × Cr + 24104.7 × Cd + 92.6827 × φ + 612.663 × CN − 269.8313 × T − 33.4862 × L + 150.054 × n + 109.898 × VFA + 529.39 × τ − 10.23 × m − 269.83 × t − 93.6199 × pH − 0.24147 × S − 0.07918 × H4N+
Determining correlations of bioreactor parameters and empirical relationships between biogas yield and various parameters, we obtained a linear graphical dependence, which gives us a conclusion that the equation of biogas yield from the given parameters is linear: [47,48].
Considering correlation analysis and empirical relationships of bioreactor parameters, it is revealed that some parameters do not have a significant role in biogas yield and, accordingly, these parameters are not counted. At the same time, the determination of the R-square of static data showed that the differential equation with 9 parameters gives higher correlation points, thereby defining it more concrete and accurate (see Formula (15)).
The second mathematical linear differential equation with 9 parameters:
V2 = 184696.6 − 1.78398 × C − 16.2746 × N + 60.4944 × Na + 13.26345 × Ca + 19.03553 × Mg + 3.419289 × Fe + 1458.487 × Cu + 3024.72 × Zn + 517.3493 × Ni
Thus, the pairwise correlation at 9 parameters is less by 0.6 than at 26 parameters and the deviation from the ideal model, i.e., the inaccuracy at 20 parameters (red lines in the graphs, see Figure 1, Supplementary materials), is 6% and thus we suggest the use of an averaged model, taking into account constantly measured parameters as in other proposed models, such as t–temperature, pH (see Formula (16)):
Figure 1.
Results of correlation analysis.
Averaged mathematical linear differential equation for predicting biogas yield in anaerobic fermentation on an industrial scale (Formula (16)):
V2 = 184696.6 − 1.78398 × C − 16.2746 × N + 60.4944 × Na + 13.26345 × Ca + 19.03553 × Mg + 3.419289 × Fe + 1458.487 × Cu + 3024.72 × Zn + 517.3493 × Ni + 688.208 × τ − 269.83 × t − 93.62 × pH
4. Discussion
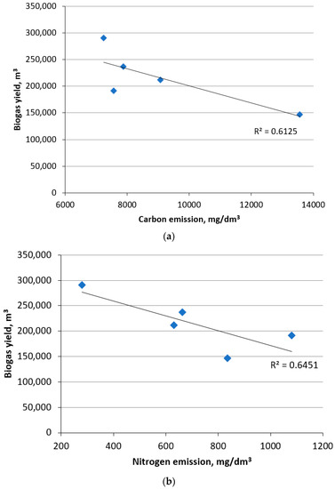
We determined empirical correlations between the volume of produced biogas V and other various parameters of anaerobic fermentation to calculate the accuracy of the linear regression between various parameters and biogas yield. Data from experimental calculations show that various parameters affecting biogas yield during anaerobic fermentation have a linear dependence. By correlation analysis of these parameters such as carbon emission, nitrogen emission, amount of volatile fatty acids, and degree of grinding, it was found that some of them have a more significant influence on biogas yield and some of them have little influence on the anaerobic fermentation process at all (Figure 2, Supplementary materials).

Figure 2.
Graph of the dependence between biogas yield and different parameters: (a) carbon emission; (b) nitrogen emission; (c) amount of volatile fatty acids; (d) degree of grinding.
Carbon emissions will depend on the specific source of emissions, as there are various factors that can influence carbon emissions. The results of the biogas production process showed that when the biogas yield was 146,499.8 V m3, there were 13,563.4 mg/dm3 of carbon emissions, 836.1 mg/dm3 of nitrogen emissions, and 3.02 mmol of VFA. These findings provide important data on the environmental impacts of biogas production and can inform strategies for optimizing the process to reduce emissions and improve overall efficiency. VFAs play an important role in the overall biogas production process, as they are a source of energy and carbon for the methanogenic bacteria that produce methane. However, if the concentration of VFAs in the reactor becomes too high, it can inhibit methanogenic bacteria and reduce the efficiency of the biogas production process [49,50,51].
The biogas output V, with 26 parameters, has an average approximation error of 4.49 and a coefficient of determination of 0.96, indicating that the model fits the data well. Specifically, in the analysis, an average approximation error less than 5% indicates excellent model accuracy in percentage terms, and a coefficient of determination closer to 1 indicates a higher quality model. In this study, the coefficient of determination was 0.96.
Empirical dependencies were analyzed for pairs of carbon–biogas, nitrogen–biogas, and others. The points represent the original data, and the lines represent sub-models that reflect the relationships between the two variables, from which a general model is subsequently formed.
Testing of this mathematical model is planned on the experimental biogas plant, designed for the climatic conditions of Eastern Kazakhstan. The climate in Kazakhstan is sharply continental, with the average temperature in January from minus 18 °C in the north to minus 3 °C in the south, and the average July temperature from +19 °C in the north to +29 °C in the south. Maximum low temperatures are up to minus 45 °C in the north, east and central parts, and up to minus 30 °C in the south. Daily variations can reach 20 °C.
In terms of energy efficiency, it is more beneficial to establish biogas facilities in the southern regions of Kazakhstan, as well as in other areas around the globe. However, for regions located in the north, east, and central parts of Kazakhstan, it is crucial to prioritize proper and meticulous thermal insulation of methane tanks or bioreactors, and to consider building biogas plants indoors or underground [52].
Additionally, in the Republic of Kazakhstan, it is more perspective in terms of manufacturing, energy efficiency, the convenience of use, maintenance, repair, and low price (in relation to what is offered on the market) to build biogas installations of domestic design from local materials. Construction of biogas plants can be with horizontal underground concrete or steel bioreactors with thermal insulation, with inexpensive, durable, and easy-to-maintain indicators of substrate level in the bioreactor, heating system embedded in the lower part of the concrete body (for concrete ones) or in the form of a heat jacket (for steel), with mobile submersible stirrers of corrosion-resistant materials with sealed drive, with a full set of domestic technological equipment [53]. The operating parameters of biogas plants and methods of their monitoring are presented in Table 2. This table presents various existing measurement methods and equipment designed to measure and calculate the parameters of a bioreactor.
Table 2.
Operating parameters of biogas units and methods of monitoring.
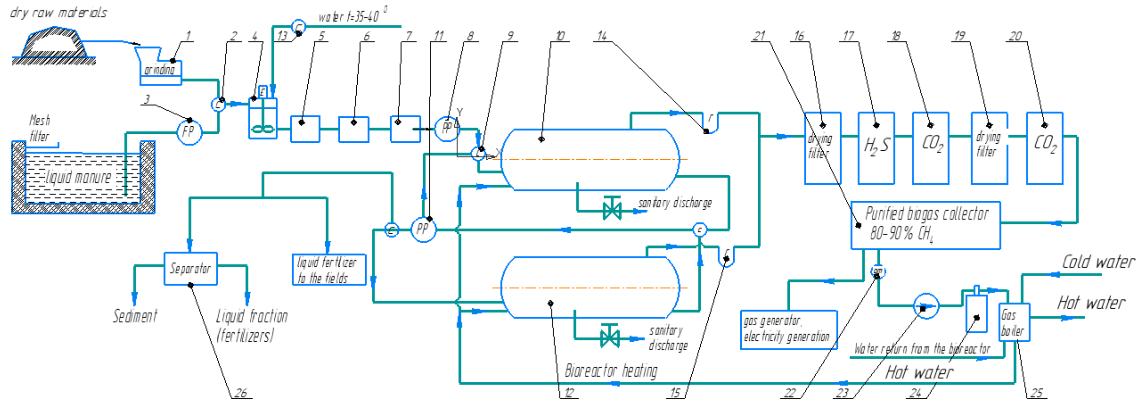
The drawing of the bioreactor of the ferroconcrete pilot biogas plant is shown in Figure 3. It is planned to place the bioreactor underground, using heat insulation. Reinforced concrete construction also allows bioreactors to better resist aggressive environment which is represented by animal wastes. At the moment, we are building it on the territory of a private partner, who is also the supplier of raw materials (animal waste). Completion of installation and installation of the necessary equipment and start-up of the biogas unit is planned for April 2023, at the same time it is planned to conduct experiments to test the mathematical model.
Figure 3.
Technological scheme of biogas unit operation. 1—Universal grinder; 2—collector; 3—fecal chopper pump; 4—mixer for substrate preparation (up to 90% moisture content); 5—macerator; 6—hydrodynamic cavitator; 7—emulsifier; 8—peristaltic pump (can be changed for fecal pump); 9—collector; 10—bioreactor # 1; 11—peristaltic pump; 12—bioreactor # 2; 13—water counter; 14, 15—odor trap; 16—biogas drying filter column; 17—hydrogen sulfide (HS) purification; 18—absorption column (CO); 19—biogas drying column; 20—absorption column (CO); 21—collector for treated biogas (80–90% CH); 22—gas counter; 23—low pressure compressor (up to 8 atm); 24—gas cylinder; 25—gas heating boiler; 26—biofertilizer separator.
5. Conclusions
A mathematical model was developed to predict the amount of biogas produced during anaerobic fermentation of animal waste. The model is based on two linear regression analyses with 26 and 9 parameters, respectively, and takes into account empirical correlations between the volume of produced biogas and various parameters of anaerobic fermentation. The model includes parameters such as carbon emission, nitrogen emission, amount of volatile fatty acids, and degree of grinding. The model’s accuracy was evaluated, with an average approximation error of 4.49 and a coefficient of determination of 0.96, indicating a good fit to the data. Overall, the developed mathematical model has the potential to provide useful insights into biogas production and can be used to optimize anaerobic fermentation processes. This model can be used not just for livestock farms, but also for poultry farms. Our proposed model differs from the international ADM1 model in terms of its accuracy, scalability, and flexibility. We can scale our model to accommodate different changing parameters. Additionally, our model fixes parameters that may significantly influence the biogas output, which is difficult to determine when using the ADM1 model.
Supplementary Materials
The following supporting information can be downloaded at: https://www.mdpi.com/article/10.3390/su15075707/s1. Table S1. Results of correlation analysis. Table S2. Biogas yield and carbon emission.
Author Contributions
Conceptualization, Y.A., V.M. and A.S.; data curation, K.S.; formal analysis, Y.S. and N.N.; methodology, K.S. and Y.S.; project administration, N.N.; software, K.S.; validation, N.N.; writing—original draft, Y.A.; writing—review and editing, V.M. and A.S. All authors have read and agreed to the published version of the manuscript.
Funding
This research was funded by the Science Committee of the Ministry of Education and Science of the Republic of Kazakhstan (Grant No. AP09259846).
Institutional Review Board Statement
Not applicable.
Informed Consent Statement
Not applicable.
Data Availability Statement
Not applicable.
Acknowledgments
We express our gratitude to the engineer Akimzhanov A. and inventor Anibaev S. for the development of a horizontal bioreactor. The research was conducted on the equipment of the Research Equipment Sharing Center of Kemerovo State University, agreement No. 075-15-2021-694 dated 5 August 2021, between the Ministry of Science and Higher Education of the Russian Federation (Minobrnauka) and Kemerovo State University (KemSU) (contract identifier RF—2296.61321X0032).
Conflicts of Interest
The authors declare no conflict of interest.
References
- Shakerkhan, K.O.; Meshechkin, V.V.; Sagindykov, K.M.; Konyrkhanova, A.A.; Abilmazhinov, E.T. Development of an industrial-scale bioreactor in the context of a global pandemic. IOP Conf. Ser. Earth Environ. Sci. 2021, 723, 042034. [Google Scholar] [CrossRef]
- Garcia, N.H.; Mattioli, A.; Gil, A.; Frison, N.; Battista, F.; Bolzonella, D. Evaluation of the methane potential of different agricultural and food processing substrates for improved biogas production in rural areas. Renew. Sustain. Energy Rev. 2019, 112, 1–10. [Google Scholar] [CrossRef]
- Bi, S.; Hong, X.; Yang, H.; Yu, X.; Fang, S.; Bai, Y.; Liu, J.; Gao, Y.; Yan, L.; Wang, W.; et al. Effect of hydraulic retention time on anaerobic co-digestion of cattle manure and food waste. Renew. Energy 2020, 150, 213–220. [Google Scholar] [CrossRef]
- Teixeira Franco, R.; Buffière, P.; Bayard, R. Cattle manure for biogas production. Does ensiling and wheat straw addition enhance preservation of biomass and methane potential? Biofuels 2020, 11, 671–682. [Google Scholar] [CrossRef]
- Pochwatka, P.; Kowalczyk-Juśko, A.; Sołowiej, P.; Wawrzyniak, A.; Dach, J. Biogas plant exploitation in a middle-sized dairy farm in Poland: Energetic and economic aspects. Energies 2020, 13, 6058. [Google Scholar] [CrossRef]
- Tsai, W.T. Regulatory promotion and benefit analysis of biogas-power and biogas-digestate from anaerobic digestion in Taiwan’s livestock industry. Fermentation 2018, 4, 57. [Google Scholar] [CrossRef]
- Bumbiere, K.; Gancone, A.; Pubule, J.; Kirsanovs, V.; Vasarevicius, S.; Blumberga, D. Ranking of bioresources for biogas production. Rīgas Teh. Univ. Zināt. Raksti 2020, 24, 368–377. [Google Scholar] [CrossRef]
- Dhanya, B.S.; Mishra, A.; Chandel, A.K.; Verma, M.L. Development of sustainable approaches for converting the organic waste to bioenergy. Sci. Total Environ. 2020, 723, 138109. [Google Scholar] [CrossRef] [PubMed]
- Abilmazhinov, E.T.; Shaiakhmetov, E.Y.; Anibaev, S.N.; Nurgaliyev, N.N.; Shakerkhan, K.O.; Sailauov, D.M. Development of the Biogas Industry and Prospects for the Implementation of Biogas Plants in Kazakhstan. Eurasian Phys. Tech. J. 2021, 18, 76–82. [Google Scholar] [CrossRef] [PubMed]
- Chorukova, E.; Hubenov, V.; Gocheva, Y.; Simeonov, I. Two-Phase Anaerobic Digestion of Corn Steep Liquor in Pilot Scale Biogas Plant with Automatic Control System with Simultaneous Hydrogen and Methane Production. Appl. Sci. 2022, 12, 6274. [Google Scholar] [CrossRef]
- Buivydas, E.; Navickas, K.; Venslauskas, K.; Žalys, B.; Župerka, V.; Rubežius, M. Biogas production enhancement through chicken manure co-digestion with pig fat. Appl. Sci. 2022, 12, 4652. [Google Scholar] [CrossRef]
- Lins, M.A.; Steinmetz, R.L.; Amaral, A.C.D.; Kunz, A. Biogas yield and productiveness of swine manure for different reactor configurations. Eng. Agric. 2020, 40, 664–673. [Google Scholar] [CrossRef]
- Weiland, P. Production and energetic use of biogas from energy crops and wastes in Germany. Appl. Biochem. Biotechnol. 2003, 109, 263–274. [Google Scholar] [CrossRef]
- Dalby, F.R.; Hafner, S.D.; Petersen, S.O.; VanderZaag, A.C.; Habtewold, J.; Dunfield, K.; Chantigny, M.H.; Sommer, S.G. Understanding methane emission from stored animal manure: A review to guide model development. J. Environ. Qual. 2021, 50, 817–835. [Google Scholar] [CrossRef]
- Niemiec, M.; Sikora, J.; Szeląg-Sikora, A.; Gródek-Szostak, Z.; Komorowska, M. Assessment of the possibilities for the use of selected waste in terms of biogas yield and further use of its digestate in agriculture. Materials 2022, 15, 988. [Google Scholar] [CrossRef]
- Norouzi, N.; Khajehpour, H. Simulation of methane gas production process from animal waste in a discontinuous bioreactor. Biointerface Res. Appl. Chem. 2021, 11, 13850–13859. [Google Scholar]
- Borisov, M.; Dimitrova, N.; Simeonov, I. Mathematical modeling and stability analysis of a two-phase biosystem. Processes 2020, 8, 791. [Google Scholar] [CrossRef]
- Alavi-Borazjani, S.A.; Capela, I.; Tarelho, L.A. Over-acidification control strategies for enhanced biogas production from anaerobic digestion: A review. Biomass Bioenergy 2020, 143, 105833. [Google Scholar] [CrossRef]
- Cestonaro, T.; de Mendonça Costa, M.S.S.; de Mendonça Costa, L.A.; Rozatti, M.A.T.; Pereira, D.C.; Lorin, H.E.F.; Carneiro, L.J. The anaerobic co-digestion of sheep bedding and ⩾50% cattle manure increases biogas production and improves biofertilizer quality. Waste Manag. 2015, 46, 612–618. [Google Scholar] [CrossRef] [PubMed]
- Kushchev, L.; Suslov, D.; Alifanova, A.; Nikulin, N. Mathematical modeling of the process of obtaining biogas in the processing of biowaste. Sci. Time 2014, 10, 258–261. [Google Scholar]
- Chezeau, B.; Vial, C. Modeling and Simulation of the Biohydrogen Production Processes. In Biohydrogen; Elsevier: Amsterdam, The Netherlands, 2019; pp. 445–483. [Google Scholar]
- Zhang, C.; Su, H.; Baeyens, J.; Tan, T.; Vandepitte, D. Mathematical modeling of anaerobic digestion of microalgae with modified Gompertz equation. Renew. Sustain. Energy Rev. 2013, 26, 238–246. [Google Scholar]
- López, I.; Benzo, M.; Passeggi, M.; Borzacconi, L. A simple kinetic model applied to anaerobic digestion of cow manure. Environ. Technol. 2021, 42, 3451–3462. [Google Scholar] [CrossRef]
- Pham Van, D.; Hoang, M.G.; Pham Phu, S.T.; Fujiwara, T. A new kinetic model for biogas production from co-digestion by batch mode. Glob. J. Environ. Sci. Manag. 2018, 4, 251–262. [Google Scholar]
- Dandikas, V.; Heuwinkel, H.; Lichti, F.; Eckl, T.; Drewes, J.E.; Koch, K. Correlation between hydrolysis rate constant and chemical composition of energy crops. Renew. Energy 2018, 118, 34–42. [Google Scholar] [CrossRef]
- Tetteh, E.; Amano, K.O.A.; Asante-Sackey, D.; Armah, E. Response surface optimisation of biogas potential in co-digestion of miscanthus fuscus and cow dung. Int. J. Technol. 2018, 9, 944–954. [Google Scholar]
- Boruff, C.S.; Buswell, A.M. The anaerobic fermentation of lignin. J. Am. Chem. Soc. 1934, 56, 886–888. [Google Scholar] [CrossRef]
- Buswell, A.M.; Mueller, H.F. Mechanism of methane fermentation. Ind. Eng. Chem. Res. 1952, 44, 550–552. [Google Scholar]
- Mao, C.; Feng, Y.; Wang, X.; Ren, G. Review on research achievements of biogas from anaerobic digestion. Renew. Sust. Energ. Rev. 2015, 45, 540–555. [Google Scholar] [CrossRef]
- Safely, L.M.; Westerman, P.W. Performance of a low temperature lagoon digester. Bioresour. Technol. 1992, 41, 167–175. [Google Scholar] [CrossRef]
- Raposo, F.; De la Rubia, M.A.; Fernández-Cegrí, V.; Borja, R. Anaerobic digestion of solid organic substrates in batch mode: An overview relating to methane yields and experimental procedures. Renew. Sust. Energ. Rev. 2012, 16, 861–877. [Google Scholar] [CrossRef]
- Liu, Y. A simple thermodynamic approach for derivation of a general Monod equation for microbial growth. Biochem. Eng. J. 2006, 31, 102–105. [Google Scholar] [CrossRef]
- Monod, J. The growth of bacterial cultures. Annu. Rev. Microbiol. 1949, 3, 371–394. [Google Scholar] [CrossRef]
- Andrews, J.F. Kinetic models of biological waste treatment processes. Biotechnol. Bioengng. Symp. 1971, 2, 5–33. [Google Scholar]
- Moser, H. The Dynamics of Bacterial Populations Maintained in the Chemostat; Carnegie Institution of Washington Publication: Washington, DC, USA, 1958. [Google Scholar]
- Contois, D.E. Kinetics of bacterial growth: Relationship between population density and specific growth rate of continuous cultures. Microbiology 1959, 21, 40–50. [Google Scholar] [CrossRef]
- Chen, Y.R.; Hashimoto, A.G. Kinetics of methane fermentation. In Biotechnology and Bioengineering Symposium; Scott, C.D., Ed.; John Wiley & Sons: New York, NY, USA, 1979; pp. 269–282. [Google Scholar]
- Druzyanova, V.P. Energy-Saving Technology for Processing Cattle Manure. Ph.D. Thesis, Irkutsk Publishing House, Ulan-Ude, Russia, 2016. [Google Scholar]
- Egorova, E.N. Substantiation of the Parameters of a Small-Volume Digester with a Stirring Device for the Conditions of the Republic of Sakha (Yakutia). Ph.D. Thesis, Northeastern Federal University Publishing House, Blagoveshchensk, Russia, 2017. [Google Scholar]
- Orazbayev, B.B.; Ospanov, Y.A.; Orazbayeva, K.N.; Mukataev, N.S.; Demyanenko, A.I. Mathematical modeling and decision-making on controlling modes of technological objects in the fuzzy environment. In Proceedings of the 12th World Congress on Intelligent Control and Automation, (WCICA), Guilin, China, 12–15 June 2016; pp. 103–109. [Google Scholar] [CrossRef]
- Nsair, A.; Onen Cinar, S.; Alassali, A.; Abu Qdais, H.; Kuchta, K. Operational parameters of biogas plants: A review and evaluation study. Energies 2020, 13, 3761. [Google Scholar] [CrossRef]
- Ahring, B.K.; Sandberg, M.; Angelidaki, I.J.A.M. Volatile fatty acids as indicators of process imbalance in anaerobic digestors. Appl. Microbiol. Biotechnol. 1995, 43, 559–565. [Google Scholar] [CrossRef]
- Ruzhinskaya, L.I.; Fomenkov, A.A. Mathematical modeling the processes of anaerobic fermentation of an organic substrate. A review. Sci. Rise 2014, 4, 63–69. [Google Scholar] [CrossRef]
- Lauwers, J.; Appels, L.; Thompson, I.P.; Degrève, J.; Van Impe, J.F.; Dewil, R. Mathematical modelling of anaerobic digestion of biomass and waste: Power and limitations. PECS 2013, 39, 383–402. [Google Scholar] [CrossRef]
- Wang, Y.; Liu, S.; Xue, W.; Guo, H.; Li, X.; Zou, G.; Zhao, T.; Dong, H. The characteristics of carbon, nitrogen and sulfur transformation during cattle manure composting—Based on different aeration strategies. Int. J. Environ. Res. Public Health 2019, 16, 3930. [Google Scholar] [CrossRef]
- Velázquez-Martí, B.; Meneses-Quelal, O.W.; Gaibor-Chavez, J.; Niño-Ruiz, Z. Review of mathematical models for the anaerobic digestion process. In Anaerobic Digestion; IntechOpen: London, UK, 2018. [Google Scholar]
- Camberos, S.A.; Gurubel, K.J.; Sanchez, E.N.; Aguirre, S.A.; Perez, R.G. Neuronal modeling of a two stages anaerobic digestion process for biofuels production. IFAC-Pap. OnLine 2018, 51, 408–413. [Google Scholar] [CrossRef]
- Karipzhanova, A.; Sagindykov, K.; Dimitrov, K. Justification of the method and algorithm of multidimensional parity control in distributed databases of information systems. In Proceedings of the 10th National Conference with International Participation, Electronica, Sofia, Bulgaria, 16–17 May 2019; p. 8825600. [Google Scholar]
- Nguyen, A.Q.; Nguyen, L.N.; Phan, H.V.; Galway, B.; Bustamante, H.; Nghiem, L.D. Effects of operational disturbance and subsequent recovery process on microbial community during a pilot-scale anaerobic co-digestion. Int. Biodeterior. Biodegrad. 2019, 138, 70–77. [Google Scholar] [CrossRef]
- Guo, Z.; Usman, M.; Alsareii, S.A.; Harraz, F.A.; Al-Assiri, M.S.; Jalalah, M.; Li, X.; Salama, E.S. Synergistic ammonia and fatty acids inhibition of microbial communities during slaughterhouse waste digestion for biogas production. Bioresour. Technol. 2021, 337, 125383. [Google Scholar] [CrossRef] [PubMed]
- Ameen, F.; Ranjitha, J.; Ahsan, N.; Shankar, V. Co-digestion of microbial biomass with animal manure in three-stage anaerobic digestion. Fuel 2021, 306, 121746. [Google Scholar] [CrossRef]
- Yerassyl, D.; Jin, Y.; Zhanar, S.; Aigul, K.; Saltanat, Y. The Current status and lost biogas production potential of kazakhstan from anaerobic digestion of livestock and poultry manure. Energies 2022, 15, 3270. [Google Scholar] [CrossRef]
- Anibayev, S.; Abilmazhinov, Y. Bioreactor. Patent for Invention #35077, Kazakhstan. 21 May 2021. Available online: https://gosreestr.kazpatent.kz/Invention/Details?docNumber=325045 (accessed on 16 February 2023).
Disclaimer/Publisher’s Note: The statements, opinions and data contained in all publications are solely those of the individual author(s) and contributor(s) and not of MDPI and/or the editor(s). MDPI and/or the editor(s) disclaim responsibility for any injury to people or property resulting from any ideas, methods, instructions or products referred to in the content. |
© 2023 by the authors. Licensee MDPI, Basel, Switzerland. This article is an open access article distributed under the terms and conditions of the Creative Commons Attribution (CC BY) license (https://creativecommons.org/licenses/by/4.0/).



