Quantifying Bus Accessibility and Mobility for Urban Branches: A Reliability Modeling Approach
Abstract
1. Introduction
1.1. Literature Review
1.2. Objectives and Contributions
- (1)
- A new quantitative reliability method for evaluating branch road functions based on bus mobility and accessibility is proposed in this paper, which can reflect the actual performance of branch road functions in the operational phase.
- (2)
- Factors influencing bus mobility and accessibility within branch road units are analyzed. Specific measures for enhancing bus mobility and accessibility within branch road units are also put forward.
2. Methodology
2.1. Definition of Research Object
2.2. Quantifying Model
2.2.1. Reliability Evaluation
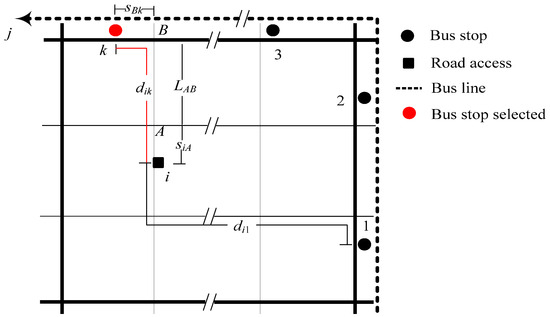
2.2.2. Walking Distance
| Algorithm 1 The pseudocode of Dijkstra algorithm |
| # N was adjacency matrix; List_N and List_UN were the list of marked points and unmarked points, respectively; m was the number of network nodes. Input: N, O, D, d0 = 0, P0 = None, Num = 1, List_N = [0], List_UN = [0:m]-List_N For Num in range(m): For i in List_N: For j in List_UN: dj = min [dj,di + lij] Return k # k was the number corresponding to the smallest value of dj. Select Pi # Pi was the point, which directly connects the point k, in List_N. List_N.append(k) Return List_N, LAB |
2.2.3. Bus Travel Time
| Algorithm 2 The pseudocode of Monte Carlo simulation method |
| Num = 0 For i in range (Times): #Times is a large integer greater than 1 × 105. = Generate M random numbers according to Equation (10) If Sum ≤ : Num + = 1 Return Num/Times |
2.2.4. Weightings and Thresholds
3. Case Study
3.1. Calculation and Comparison of Two Units
3.2. Sensitivity Analysis
3.2.1. Road Network Density and Connectivity
3.2.2. Bus Routes Layout
3.3. Discussion
- (1)
- Within reasonable limits, the consideration of appropriately increasing unit road network density is encouraged, as it forms the foundation for enhancing public transportation accessibility within the unit. However, it is emphasized that road network density should not be excessively high.
- (2)
- The improvement of the road network structure by optimizing challenging nodes such as a T-shape intersection within the unit’s road network is recommended, as this would contribute to the enhancement of road network connectivity.
- (3)
- In cases where conditions allow, the increase in the number of public transportation routes, the augmentation of bus stop density, and the allocation of more buses are suggested to maximize the supply of public transportation resources.
- (4)
- When faced with limitations in resources for public transportation, the optimization of the layout of public transportation routes is proposed to expand their service area within the unit.
- (5)
- The reasonable optimization of intersection signal configurations is recognized as an effective means to enhance the reliability of public transportation service functionality in the branch unit.
4. Conclusions
Author Contributions
Funding
Institutional Review Board Statement
Informed Consent Statement
Data Availability Statement
Conflicts of Interest
References
- Goto, A.; Nakamura, H.; Asano, M. Evaluation of the functionally hierarchical road network considering junction types. In Proceedings of the 92nd Transportation Research Board Annual Meeting, Washington, DC, USA, 13–17 January 2013. [Google Scholar]
- National Academies of Sciences, Engineering, and Medicine. Developing an Expanded Functional Classification System for More Flexibility in Geometric Design; The National Academies Press: Washington, DC, USA, 2018. [Google Scholar]
- AASHTO. A Policy on the Geometric Design of Highways and Streets, 6th ed.; AASHTO: Washington, DC, USA, 2018. [Google Scholar]
- Department for Transport of Britain. Guidance on Road Classification and the Primary Route Network; Department for Transport of Britain: London, UK, 2012. [Google Scholar]
- GB/T51328-2018; Standard for Urban Comprehensive Transport System Planning. Ministry of Housing and Urban-Rural Development of the People’s Republic of China, State Administration of Market Quality: Beijing, China, 2018.
- CJJ37-2012; Code for Design of Urban Road Engineering. Ministry of Housing and Urban-Rural Development of the People’s Republic of China: Beijing, China, 2012.
- Bhuyan, P.; Nayak, M. A review on level of service analysis of urban streets. Transp. Rev. 2013, 33, 219–238. [Google Scholar] [CrossRef]
- Transportation Research Board. Highway Capacity Manual; Transportation Research Board: Washington, DC, USA, 2016. [Google Scholar]
- Friedrich, M. Functional structuring of road networks. Transp. Res. Procedia 2017, 25, 568–581. [Google Scholar] [CrossRef]
- Diab, E.I.; Badami, M.G.; El-Geneidy, A.M. Bus transit service reliability and improvement strategies: Integrating the perspectives of passengers and transit agencies in North America. Transp. Rev. 2015, 35, 292–328. [Google Scholar] [CrossRef]
- Qian, D.; Wang, Y.; Zhang, X.; Zhao, D. Rationality Evaluation of Urban Road Network Plan Based on the EW-TOPSIS Method. In Proceedings of the 2021 13th International Conference on Measuring Technology and Mechatronics Automation (ICMTMA), Beihai, China, 16–17 January 2021. [Google Scholar]
- Mou, Z.; Guangming, H.; Dong, W. Classification System of Intersection Guide Sign Information Which Based on the Urban Road Classified by Function. Road Traffic Saf. 2007, 1, 15–19. [Google Scholar]
- Kawakami, Y.; Honda, Y.; Takeuchi, D.; Iwasaki, M. A Study on Macroscopic Mechanism of Traffic Accident Occurrence caused by Mismatch between Road Function and Roadside Land Use. Infrastruct. Plan. Rev. 1991, 9, 165–172. [Google Scholar] [CrossRef]
- Hu, S.; Gao, S.; Wu, L.; Xu, Y.; Zhang, Z.; Cui, H.; Gong, X. Urban function classification at road segment level using taxi trajectory data: A graph convolutional neural network approach. Comput. Environ. Urban Syst. 2021, 87, 101619. [Google Scholar] [CrossRef]
- Wei, R.; Weng, J.; Xu, J.; He, H. Evaluation of Urban Regional Road Network Topological Characteristics Considering Traffic Operating Parameters. In Proceedings of the 20th & 21th COTA International Conference of Transportation Professionals, Xi’an, China, 17 December 2021. [Google Scholar]
- Hu, Y. Study on Urban Road Capacity Evaluation Based on Multi-Level Fuzzy Comprehensive Evaluation Method. Adv. Appl. Math. 2021, 10, 1003–1015. [Google Scholar] [CrossRef]
- Yu, P.; Anna, M.; Wu, Z. The Fusion Evaluation of Urban Road Network and External Highway Network. Highw. Eng. 2018, 43, 57–60+76. [Google Scholar]
- Dong, J.X.; Cheng, T.; Xu, J.; Wu, J. Quantitative assessment of urban road network hierarchy planning. Town Plan. Rev. 2013, 84, 445–472. [Google Scholar] [CrossRef]
- Sahitya, K.; Prasad, C. GIS-Based Urban Road Network Accessibility Modeling Using MLR, ANN and ANFIS Methods. Transp. Telecommun. J. 2021, 22, 15–28. [Google Scholar] [CrossRef]
- Li, W.; Yang, A.; Wu, D. Research on evaluation and optimization method of urban road traffic management facilities effectiveness. J. Guangxi Univ. 2018, 43, 1200–1210. [Google Scholar]
- Farhan, B. Evaluation, Modeling and Policy Assessment for Park-and-Ride Services as a Component of Public Transportation; The Ohio State University: Columbus, OH, USA, 2003. [Google Scholar]
- Tong, W. Fuzzy Evaluation of General Public Transportation Service Level in Small and Medium-Sized Cities. Appl. Mech. Mater. 2012, 209–211, 856–860. [Google Scholar]
- Shi, Q.; Zhang, K.; Weng, J.; Dong, Y.; Ma, S.; Zhang, M. Evaluation model of bus routes optimization scheme based on multi-source bus data. Transp. Res. Interdiscip. Perspect. 2021, 10, 100342. [Google Scholar] [CrossRef]
- Li, J.; Chen, X.; Li, X.; Guo, X. Evaluation of Public Transportation Operation based on Data Envelopment Analysis. Procedia-Soc. Behav. Sci. 2013, 96, 148–155. [Google Scholar] [CrossRef][Green Version]
- Leurent, F. Curbing the computational difficulty of the logit equilibrium assignment model. Transp. Res. Part B Methodol. 1997, 31, 315–326. [Google Scholar] [CrossRef]
- Xu, X.; Chen, A.; Jansuwan, S.; Yang, C.; Ryu, S. Transportation network redundancy: Complementary measures and computational methods. Transp. Res. Part B Methodol. 2018, 114, 68–85. [Google Scholar] [CrossRef]
- Authority, L.T. Land Transport Masterplan. Singapore, 2008. Available online: https://www.lta.gov.sg/content/dam/ltagov/who_we_are/statistics_and_publications/master-plans/pdf/LTMP-Report.pdf (accessed on 14 September 2023).
- Tong, P.; Yan, Y.; Wang, D.; Qu, X. Optimal route design of electric transit networks considering travel reliability. Comput.-Aided Civ. Infrastruct. Eng. 2021, 36, 1229–1248. [Google Scholar] [CrossRef]









| Unit | Area (km2) | Road Network Density (km/km2) | Total Road Length (km) | Number of Bus Routes | Number of Bus Stops | Number of Road Access Points |
|---|---|---|---|---|---|---|
| e | 2.09 | 5.36 | 11.30 | 14 | 36 | 59 |
| f | 1.51 | 9.99 | 15.08 | 15 | 59 | 81 |
| j | Route | Running Time (h) | Bus Departure Frequency | Ij |
|---|---|---|---|---|
| 0 | B12 (upline) | 15 | 143 | 0.118 |
| 1 | B12 (downline) | 15 | 143 | 0.118 |
| 2 | B67 (upline) | 14.5 | 139 | 0.114 |
| 3 | B67 (downline) | 14.5 | 139 | 0.114 |
| 4 | 259 (upline) | 13 | 36 | 0.030 |
| 5 | 259 (downline) | 13 | 36 | 0.030 |
| 6 | 271 (downline) | 13 | 55 | 0.045 |
| 7 | 182 (downline) | 13.5 | 56 | 0.045 |
| 8 | B28 (upline) | 13 | 56 | 0.046 |
| 9 | B28 (downline) | 13 | 56 | 0.046 |
| 10 | S116 (upline) | 13.25 | 91 | 0.075 |
| 11 | S116 (downline) | 13.25 | 91 | 0.075 |
| 12 | 279 (upline) | 13.5 | 42 | 0.035 |
| 13 | 279 (downline) | 13.5 | 42 | 0.035 |
| 14 | 31 (downline) | 15 | 90 | 0.074 |
| Total | 206 | 1215 | 1 | |
| j | Route | Running Time (h) | Bus Departure Frequency | Ij |
|---|---|---|---|---|
| 0 | B12 (upline) | 15 | 143 | 0.088 |
| 1 | B12 (downline) | 15 | 143 | 0.088 |
| 2 | B67 (upline) | 14.5 | 139 | 0.086 |
| 3 | B67 (downline) | 14.5 | 139 | 0.086 |
| 4 | 31 (upline) | 15 | 90 | 0.056 |
| 5 | 31 (downline) | 15 | 90 | 0.056 |
| 6 | S116 (upline) | 13.25 | 91 | 0.056 |
| 7 | S116 (downline) | 13.25 | 91 | 0.056 |
| 8 | B27 (upline) | 13.5 | 56 | 0.035 |
| 9 | 183 (upline) | 14 | 80 | 0.049 |
| 10 | 183 (downline) | 14 | 80 | 0.049 |
| 11 | B2 (upline) | 15 | 171 | 0.106 |
| 12 | B2 (downline) | 15 | 171 | 0.106 |
| 13 | 259 (downline) | 13 | 36 | 0.022 |
| 14 | B28 (downline) | 13 | 56 | 0.035 |
| 15 | 279 (upline) | 13.5 | 42 | 0.026 |
| Total | 226.5 | 1618 | 1 | |
| Threshold of Walking Distance | Threshold of Bus Travel Time | Reliability of Public Transportation R | |
|---|---|---|---|
| Unit e | Unit f | ||
| 900 m | 1.6 | 0.416 | 0.574 |
| The Proportion of the Road Mileage of Different LOS in the Unit | ||||
|---|---|---|---|---|
| Level 1 | Level 2 | Level 3 | Level 4 | |
| Unit e | 0.74 | 0.15 | 0.08 | 0.03 |
| Unit f | 0.81 | 0.14 | 0.05 | 0.00 |
| 1. Keep the number of bus routes in the unit and only select one bus route to adjust. |
| 2. Keep two endpoints location of the bus route and only adjust the bus route alignment in the unit. |
| 3. Keep the total length of the adjusted line close to the original line and retain original bus stops as much as possible. |
| 4. Keep the number of stops in the area and ensure that the distance between the stops is close to the original line. |
| Routes | Bus Stops | Number of Stops | Line Length (km) | Average Spacing (m) | Service Area (km2) | |
|---|---|---|---|---|---|---|
| Before adjustment | 259 (upline) | 3-5-8-15-17 | 5 | 1.69 | 363.3 | 1.26 |
| 259 (downline) | 16-14-7-6-2 | 5 | 1.69 | 419.2 | 1.29 | |
| After adjustment | 259 (upline) | 3-8-39-15-17 | 5 | 1.68 | 363.3 | 1.39 |
| 259 (downline) | 16-40-14-41-2 | 5 | 1.68 | 419.2 | 1.41 | |
Disclaimer/Publisher’s Note: The statements, opinions and data contained in all publications are solely those of the individual author(s) and contributor(s) and not of MDPI and/or the editor(s). MDPI and/or the editor(s) disclaim responsibility for any injury to people or property resulting from any ideas, methods, instructions or products referred to in the content. |
© 2023 by the authors. Licensee MDPI, Basel, Switzerland. This article is an open access article distributed under the terms and conditions of the Creative Commons Attribution (CC BY) license (https://creativecommons.org/licenses/by/4.0/).
Share and Cite
Tong, P.; Du, W.; Yan, Y.; Li, J. Quantifying Bus Accessibility and Mobility for Urban Branches: A Reliability Modeling Approach. Sustainability 2023, 15, 15770. https://doi.org/10.3390/su152215770
Tong P, Du W, Yan Y, Li J. Quantifying Bus Accessibility and Mobility for Urban Branches: A Reliability Modeling Approach. Sustainability. 2023; 15(22):15770. https://doi.org/10.3390/su152215770
Chicago/Turabian StyleTong, Pei, Wenjing Du, Yadan Yan, and Junsheng Li. 2023. "Quantifying Bus Accessibility and Mobility for Urban Branches: A Reliability Modeling Approach" Sustainability 15, no. 22: 15770. https://doi.org/10.3390/su152215770
APA StyleTong, P., Du, W., Yan, Y., & Li, J. (2023). Quantifying Bus Accessibility and Mobility for Urban Branches: A Reliability Modeling Approach. Sustainability, 15(22), 15770. https://doi.org/10.3390/su152215770

