Optimized Power Pads for Charging Electric Vehicles Based on a New Rectangular Spiral Shape Design
Abstract
1. Introduction
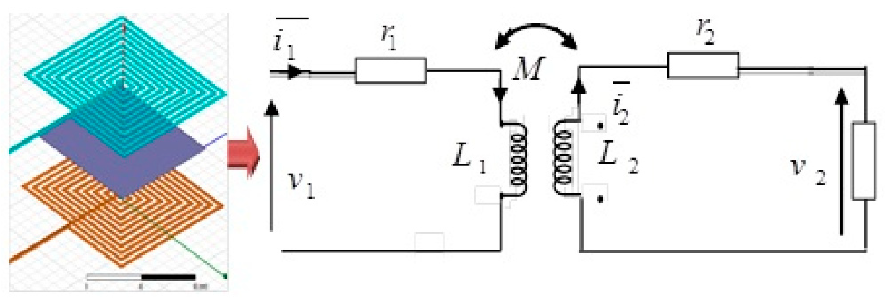
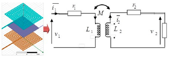
2. Description of WPT System
3. Description of Spiral Coils in 3D
4. Analysis and Simulation Results
4.1. Case One: Coils in Air Gap
4.1.1. Vertical Misalignment (vd)
4.1.2. Horizontal Misalignment (hd)
4.2. Case Two: Ferrite on Coils (Simple Shielding)
4.3. Model of Single Shield Using Ferrite Core
4.4. Case Three: Ferrite and Aluminum on Coils (Double Shielding)
5. Conclusions
Author Contributions
Funding
Institutional Review Board Statement
Informed Consent Statement
Data Availability Statement
Conflicts of Interest
References
- Brecher, A.; Arthur, D. Review and Evaluation of Wireless Power Transfer (WPT) for Electric Transit Applications; FTA Report No. 0060; Federal Transit Administration: Washington, DC, USA, 2014; pp. 1–61. [Google Scholar]
- Triviño-Cabrera, A.; González-González, J.M.; Aguado, J.A. Wireless Power Transfer for Electric Vehicles: Foundations and Design Approach; Springer: Cham, Switzerland, 2020. [Google Scholar] [CrossRef]
- Debbou, M.; Colet, F.; Kadem, K. Wireless inductive power transfer: Design and control for an optimal operation. In Proceedings of the 2018 20th European Conference on Power Electronics and Applications, Riga, Latvia, 17–21 September 2018; Volume 2018, pp. 1–8. [Google Scholar]
- Lassioui, A.; Fadil, H.E.; Belhaj, F.Z.; Rachid, A. Battery Charger for Electric Vehicles Based ICPT and CPT-A State of the Art. In Proceedings of the 2018 Renewable Energies, Power Systems Green Inclusive Economy (REPS-GIE), Casablanca, Morocco, 23–24 April 2018; pp. 1–6. [Google Scholar]
- Kim, J.; Kim, J.; Kong, S.; Kim, H.; Suh, I.-S.; Suh, N.P.; Cho, D.-H.; Kim, J.; Ahn, S. Coil Design and Shielding Methods for a Magnetic Resonant Wireless Power Transfer System. Proc. IEEE 2013, 101, 1332–1342. [Google Scholar] [CrossRef]
- Ongayo, D.; Hanif, M. Comparison of circular and rectangular coil transformer parameters for wireless Power Transfer based on Finite Element Analysis. In Proceedings of the 2015 IEEE 13th Brazilian Power Electronics Conference and 1st Southern Power Electronics Conference (COBEP/SPEC), Fortaleza, Brazil, 29 November–2 December 2015; pp. 1–6. [Google Scholar] [CrossRef]
- Mou, X.; Zhang, Y.; Jiang, J.; Sun, H. Achieving low carbon emission for dynamically charging electric vehicles through renewable energy integration. IEEE Access 2019, 7, 118876–118888. [Google Scholar] [CrossRef]
- Xiang, L.; Li, X.; Tian, J.; Tian, Y. A crossed DD geometry and its double-coil excitation method for electric vehicle dynamic wireless charging systems. IEEE Access 2018, 6, 45120–45128. [Google Scholar] [CrossRef]
- Mohammed, S.A.Q.; Jung, J.-W. A Comprehensive State-of-the-Art Review of Wired/Wireless Charging Technologies for Battery Electric Vehicles: Classification/Common Topologies/Future Research Issues. IEEE Access 2021, 9, 19572–19585. [Google Scholar] [CrossRef]
- Beretta, J. Report on User Centric EV Charging Infrastructure—INCIT-EV, 28 Sept, France. Available online: https://www.incit-ev.eu/report-on-user-centric-ev-charging-infrastructure/ (accessed on 15 September 2022).
- Cui, H.; Zhong, W.; Li, H.; He, F.; Chen, M.; Xu, D. A study on the shielding for wireless charging systems of electric vehicles. In Proceedings of the 2018 IEEE Applied Power Electronics Conference and Exposition (APEC), San Antonio, TX, USA, 4–8 March 2018; pp. 1336–1343. [Google Scholar]
- Campi, T.; Cruciani, S.; Feliziani, M.; Maradei, F. Magnetic field generated by a 22 kW–85 kHz wireless power transfer system for an EV. In Proceedings of the 2017 AEIT International Annual Conference, Cagliari, Italy, 20–22 September 2017. [Google Scholar]
- Wang, Q.; Li, W.; Kang, J.; Wang, Y. Electromagnetic safety of magnetic resonant wireless charging system in electric vehicles. In Proceedings of the 2017 IEEE PELS Workshop on Emerging Technologies: Wireless Power Transfer (WoW), Chongqing, China, 20–22 May 2017. [Google Scholar]
- Wang, Q.; Li, W.; Kang, J.; Wang, Y. Magnetic Field Distribution in a WPT System for Electric Vehicle Charging. In Proceedings of the Progress in Electromagnetic Research Symposium (PIERS), Shanghai, China, 8 August–11 September 2016; p. 5165. [Google Scholar]
- Sibakoti, M.J.; Hambleton, J. Wireless Power Transmission Using Magnetic Resonance; Cornell College PHY312: Mount Vernon, IA, USA, 2011. [Google Scholar]
- El-Shahat, A.; Ayisire, E. Novel Electrical Modeling, Designand Comparative Control Techniques for Wireless Electric Vehicle Battery Charging. Electronics 2021, 10, 2842. [Google Scholar] [CrossRef]
- De Santis, V.; Giaccone, L.; Freschi, F. Chassis Influence on the Exposure Assessment of a Compact EV during WPT Recharging Operations. Magnetochemistry 2021, 7, 25. [Google Scholar] [CrossRef]
- De Santis, V.; Giaccone, L.; Freschi, F. Influence of Posture and Coil Position on the Safety of a WPT System While Recharging a Compact EV. Energies 2021, 14, 7248. [Google Scholar] [CrossRef]
- Li, Y.; Zhang, S.; Cheng, Z. Double-Coil Dynamic Shielding Technology for Wireless Power Transmission in Electric Vehicles. Energies 2021, 14, 5271. [Google Scholar] [CrossRef]
- Xu, H.; Wang, C.; Xia, D.; Liu, Y. Design of Magnetic Coupler for Wireless Power Transfer. Energies 2019, 12, 3000. [Google Scholar] [CrossRef]
- International SAE J2954. Wireless Power Transfer for Light-Duty Plug-In/Electric Vehicles and Alignment Methodology; SAE International: Warrendale PA, USA, 2019. [Google Scholar]
- IEEE C95.1-2019. IEEE Standard for Safety Levels with Respect to Human Exposure to Electric, Magnetic, and Electromagnetic Fields, 0 Hz to 300 GHz; IEEE Press: Piscataway, NJ, USA, 2019. [Google Scholar]
- ICNIRP. Guidelines for Limiting Exposure to Time-Varying Electric and Magnetic Fields (1 Hz–100 kHz). Health Phys. 2010, 99, 818–836. [Google Scholar] [CrossRef] [PubMed]
- Park, S.W.; Wake, K.; Watanabe, S. Incident electric field effect and numerical dosimetry for a wireless power transfer system using magnetically coupled resonances. IEEE Trans. Microw. Theory Tech. 2013, 61, 3461–3469. [Google Scholar] [CrossRef]
- De Santis, V.; Campi, T.; Cruciani, S.; Laakso, I.; Feliziani, M. Assessment of the Induced Electric Fields in a Carbon-FiberElectrical Vehicle Equipped with a Wireless Power Transfer System. Energies 2018, 11, 684. [Google Scholar] [CrossRef]
- Arduino, A.; Bottauscio, O.; Chiampi, M.; Giaccone, L.; Liorni, I.; Kuster, N.; Zilberti, L.; Zucca, M. Accuracy Assessment of Numerical Dosimetry for the Evaluation of Human Exposure to Electric Vehicle Inductive Charging Systems. IEEE Trans. Electromag. Compat. 2020, 62, 1939–1950. [Google Scholar] [CrossRef]
- Kadem, K.; Bensetti, M.; LeBihan, Y.; Labouré, E.; Debbou, M. Optimal Coupler Topology for Dynamic Wireless Power Transfer for Electric Vehicle. Energies 2021, 14, 3983. [Google Scholar] [CrossRef]
- Mohameda, A.A.S.; Shaiera, A.A.; Metwallya, H.; Sameh, I.; Selem, S. A comprehensive overview of inductive pad in electric vehicles. Appl. Energy 2020, 262, 114584. [Google Scholar] [CrossRef]
- Yang, Y.; Cui, J.; Cui, X. Design and Analysis of Magnetic CoilsforOptimizingthe Coupling CoeffcientinanElectricVehicleWireless Power Transfer System. Energies 2020, 13, 4143. [Google Scholar] [CrossRef]
- Ahmad, A.; Alam, M.S.; Chabaan, R.; Mohamed, A. Comparative Analysis of Power Pad for Wireless Charging of Electric Vehicles; SAE Technical Paper 2019-01-0865; SAE: Sydney, Australia, 2019. [Google Scholar] [CrossRef]
- Benalia, N.; Kouider, L.; Benlaloui, I. Improvement of the Magnetic Coupler design for Wireless Inductive Power Transfer. In Proceedings of the 5th International Conference on Power Electronics and Their Applications ICPEA, Hail, Saudi Arabia, 29–31 March 2022. [Google Scholar] [CrossRef]
- Budhia, M.; Covic, G.A.; Boys, J.T. Design and Optimization of Circular Magnetic Structures for Lumped Inductive Power Transfer Systems. IEEE Trans. Power Electron. 2011, 26, 3096–3108. [Google Scholar] [CrossRef]
- Dolara, A.; Leva, M.S.; Longo, F.; Castelli-Dezza, M.M. Coil design and magnetic shielding of a resonant wireless power transfer system for electric vehicle battery charging. In Proceedings of the 2017 IEEE 6th International Conference on Renewable Energy Research and Applications (ICRERA), San Diego, CA, USA, 5–8 November 2017; pp. 200–205. [Google Scholar]
- Xu, D.; Zhang, Q.; Li, X. Implantable Magnetic Resonance Wireless Power Transfer System Based on 3D Flexible Coils. Sustainability 2020, 12, 4149. [Google Scholar] [CrossRef]
- Budhia, M.; Covic, G.; Boys, J. A New IPT Magnetic Coupler for Electric Vehicle Charging Systems. In Proceedings of the IECON 2010—36th Annual Conference on IEEE Industrial Electronics Society, Glendale, AZ, USA, 7–10 November 2010; pp. 2487–2492. [Google Scholar]
- Gao, Y.; Ginart, A.; Farley, K.B.; Tse, Z.T.H. Misalignment Effect on Efficiency of Wireless Power Transfer for Electric Vehicles. In Proceedings of the 2016 IEEE Applied Power Electronics Conference and Exposition (APEC), Long Beach, CA, USA, 20–24 March 2016; Volume 16, p. 24. [Google Scholar]
- Caillierez, A. Study and Implementation of the Transfer of Electrical Energy by Induction: Application to the Electric Road for Moving Vehicles. Master’s Thesis, University Paris-Saclay, Orsay, France, 2016. [Google Scholar]
- Razu, R.R.; Mahmud, S.; Uddin, M.J.; Islam, S.S.; Bais, B.; Misran, N.; Islam, M.T. Wireless Charging of Electric Vehicle While Driving. IEEE Access 2021, 9, 157973–157983. [Google Scholar] [CrossRef]
















| Name | Transmitter Coil | Receiver Coil |
|---|---|---|
| Number of turns | 10 | 10 |
| Width of the spiral coil | 3 mm | 3 mm |
| Thickness of the spiral coil | 0.0762 mm | 0.0762 mm |
| Distance between turns | 6 mm | 6 mm |
| Frequency | 85 kHz | |
| Apparent Power | 33.6 KVA | |
| Active Power | 14.8 KW | |
| Command | Coordinate System | Position | Axis | Y Size | Z Size |
|---|---|---|---|---|---|
| Rectangle | global | 50, 0.70 | Z | −70 mm | −70 mm |
| Name | Value | Unit | Evaluated Value |
|---|---|---|---|
| Command | Created box | ||
| Coordinate system | Global | ||
| Position | −500, −500, −500 | mm | −500, −500, −500 |
| Xsize | 1000 | mm | 1000 |
| Ysize | 1000 | mm | 1000 |
| Wsize | 1000 | mm | 1000 |
| Z Space [mm] | Mutual Inductance [nH] | |
|---|---|---|
| 1 | −40 | 692.976 |
| 2 | −30 | 819.490 |
| 3 | −20 | 922.116 |
| 4 | −10 | 989.814 |
| 5 | 0 | 1013.691 |
| 6 | 10 | 991.027 |
| 7 | 20 | 924.681 |
| 8 | 30 | 822.780 |
| 9 | 40 | 696.879 |
| Z Space [mm] | Coupling Coefficient | |
|---|---|---|
| 1 | −40 | 0.109618 |
| 2 | −30 | 0.129554 |
| 3 | −20 | 0.145936 |
| 4 | −10 | 0.156849 |
| 5 | 0 | 0.160521 |
| 6 | 10 | 0.156756 |
| 7 | 20 | 0.146528 |
| 8 | 30 | 0.130157 |
| 9 | 40 | 0.110225 |
Disclaimer/Publisher’s Note: The statements, opinions and data contained in all publications are solely those of the individual author(s) and contributor(s) and not of MDPI and/or the editor(s). MDPI and/or the editor(s) disclaim responsibility for any injury to people or property resulting from any ideas, methods, instructions or products referred to in the content. |
© 2023 by the authors. Licensee MDPI, Basel, Switzerland. This article is an open access article distributed under the terms and conditions of the Creative Commons Attribution (CC BY) license (https://creativecommons.org/licenses/by/4.0/).
Share and Cite
Benalia, N.; Laroussi, K.; Benlaloui, I.; Kouzou, A.; Bensalah, A.-D.; Kennel, R.; Abdelrahem, M. Optimized Power Pads for Charging Electric Vehicles Based on a New Rectangular Spiral Shape Design. Sustainability 2023, 15, 1230. https://doi.org/10.3390/su15021230
Benalia N, Laroussi K, Benlaloui I, Kouzou A, Bensalah A-D, Kennel R, Abdelrahem M. Optimized Power Pads for Charging Electric Vehicles Based on a New Rectangular Spiral Shape Design. Sustainability. 2023; 15(2):1230. https://doi.org/10.3390/su15021230
Chicago/Turabian StyleBenalia, Nadir, Kouider Laroussi, Idriss Benlaloui, Abdellah Kouzou, Abed-Djebar Bensalah, Ralph Kennel, and Mohamed Abdelrahem. 2023. "Optimized Power Pads for Charging Electric Vehicles Based on a New Rectangular Spiral Shape Design" Sustainability 15, no. 2: 1230. https://doi.org/10.3390/su15021230
APA StyleBenalia, N., Laroussi, K., Benlaloui, I., Kouzou, A., Bensalah, A.-D., Kennel, R., & Abdelrahem, M. (2023). Optimized Power Pads for Charging Electric Vehicles Based on a New Rectangular Spiral Shape Design. Sustainability, 15(2), 1230. https://doi.org/10.3390/su15021230

