MMC-HVDC High-Frequency Resonance Suppression Strategy Based on Multi-Band Band-Stop Filters
Abstract
:1. Introduction
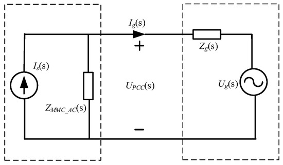
2. Impedance Model
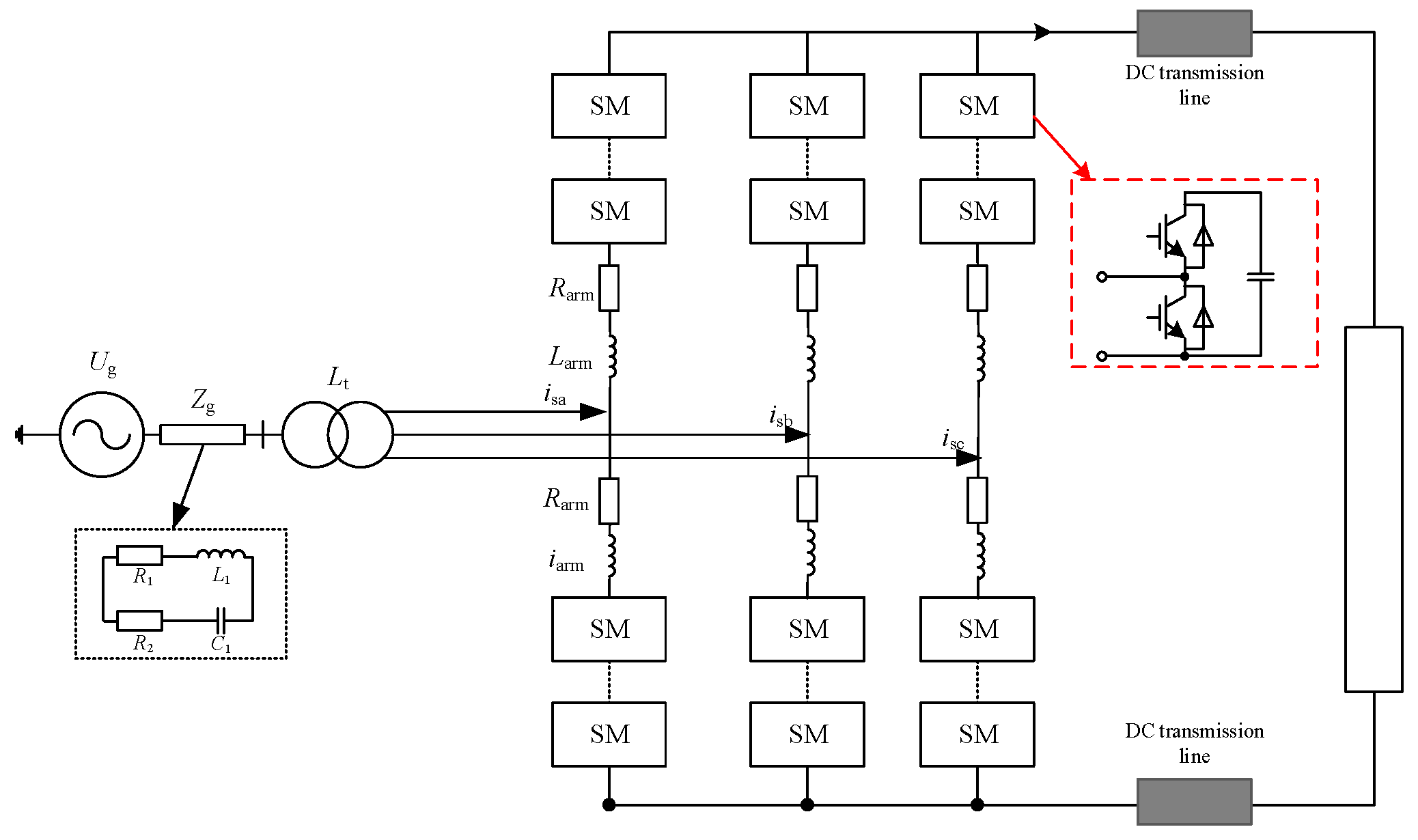
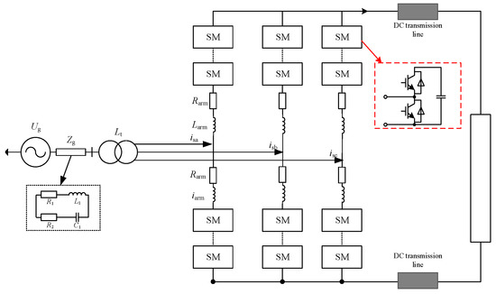
2.1. MMC-HVDC AC System
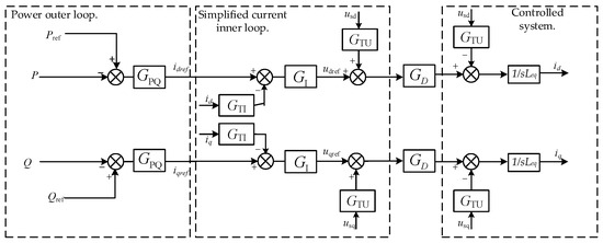
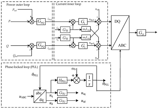
2.2. MMC-HVDC Control System
3. High-Frequency Resonance Mechanism and Stability Analysis in MMC-HVDC
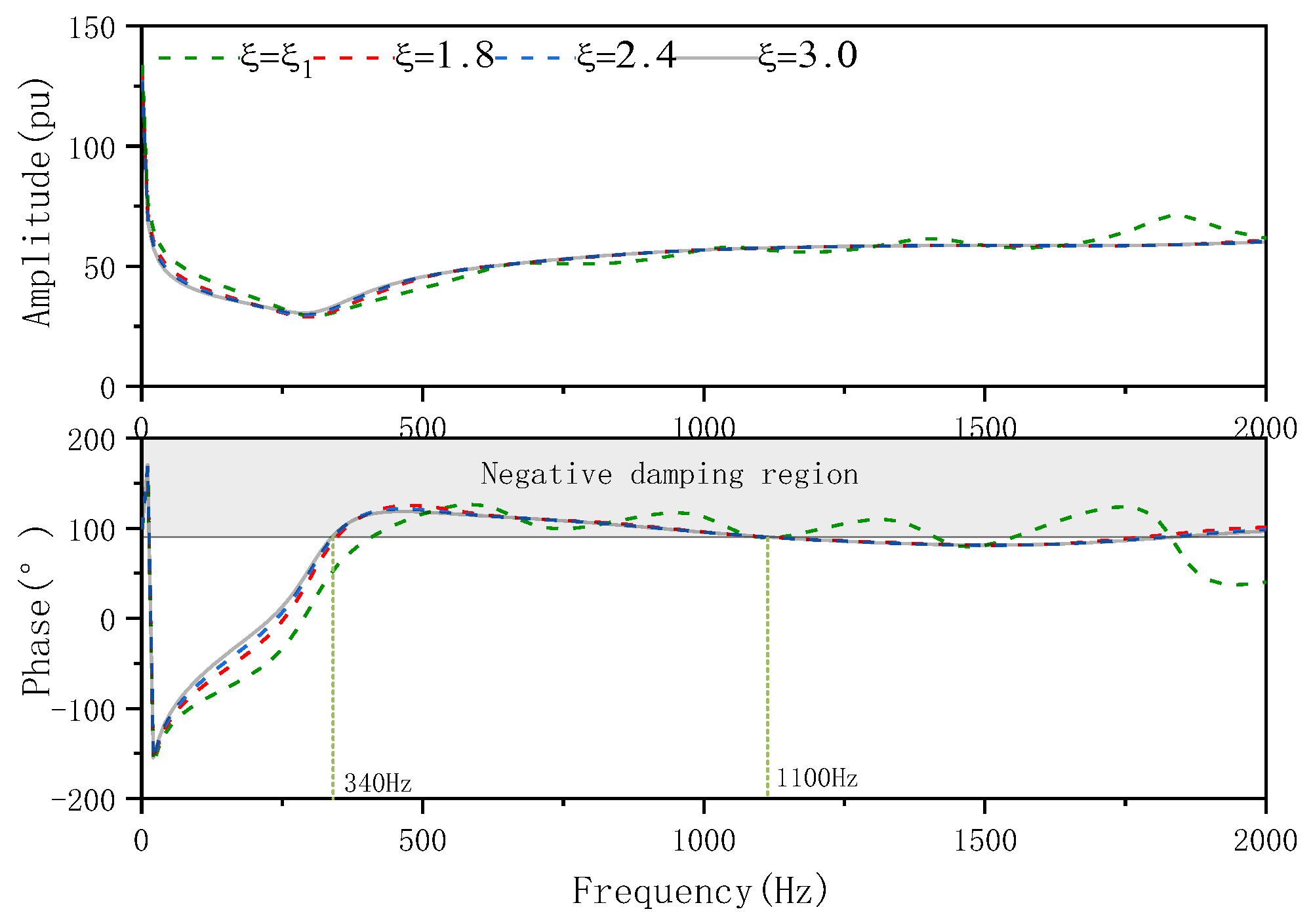
3.1. High-Frequency Stability Analysis Based on the Equivalent Impedance Model of MMC
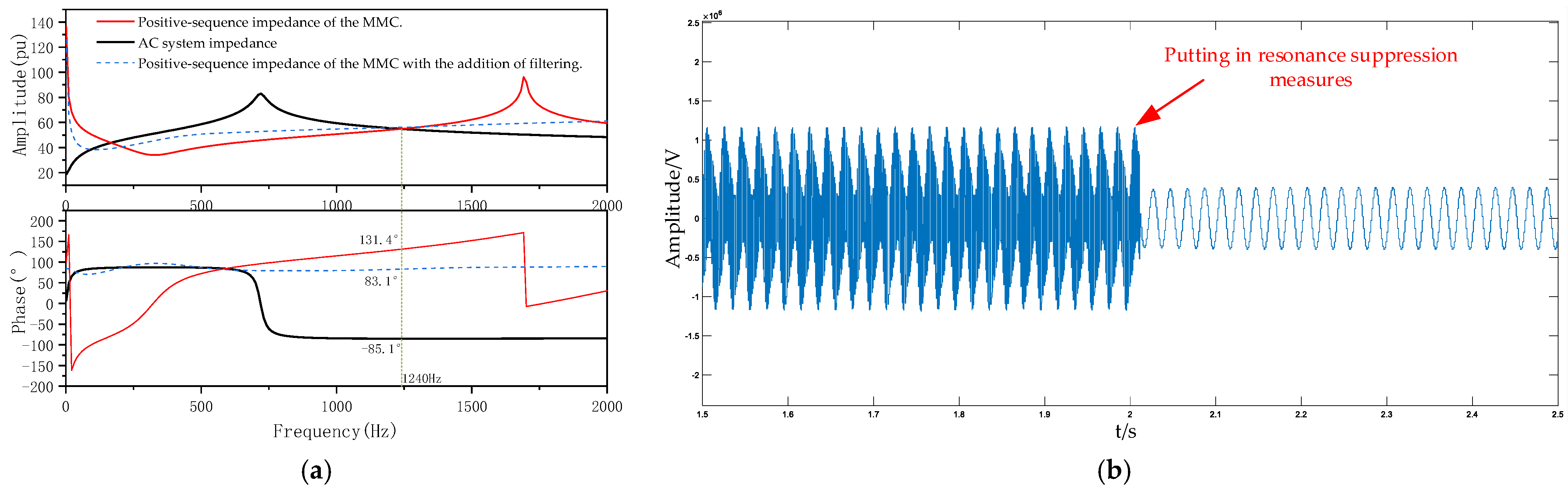
3.2. Analysis of High-Frequency Resonance Mechanism Based on the Equivalent Impedance Model of MMC
4. High-Frequency Resonance Suppression Strategy
4.1. Design of Parameters for Multi-Band Band-Stop Filters
4.1.1. Method for Selecting Multiple Frequency Bands
4.1.2. The Choice and Parameter Design of the Filter
- Optimization of controller parameters or improvement of control strategies.
- Addition of impedance adjustment components.
- Incorporation of filters at various stages.
4.2. Multi-Band Resonance Suppression Strategy
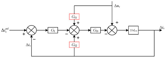
4.2.1. Voltage-Feedback-Based Active Suppression Strategy
4.2.2. Analysis of the High-Frequency Impedance Characteristics of the MMC with the Addition of a Multi-Band Filter
4.2.3. Addition of a Virtual Impedance Component in the Inner Loop of the MMC
5. Simulation Verification
5.1. The Control Loop Delay Is 540 μs
5.2. The Control Loop Delay Is 600 μs
5.3. The Control Loop Delay Is 660 μs
5.4. Simulation Analysis
6. Conclusions
- (1)
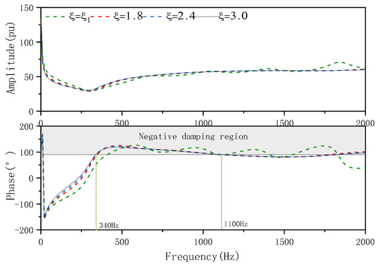
- The control delay, power outer loop, current inner loop, and voltage feedforward loop bear significance in the high-frequency impedance modeling of the MMC. Among these, the voltage feedforward loop and the associated control delay play a pivotal role as the primary factors contributing to the occurrence of periodic negative damping characteristics and resonance phenomena in a frequency range exceeding 400 Hz.
- (2)
- Building upon the framework of the China Luxi back-to-back Flexible DC Transmission Project, this paper introduces a strategy to mitigate the influence of delay components within the positive-sequence impedance of the Modular Multilevel Converter (MMC). In order to achieve this, the proposed approach involves the addition of a 3-channel band-stop filter within the voltage feedforward loop and the incorporation of virtual impedance within the current feedback loop. These enhancements are accompanied by meticulous parameter design.
- (3)
- Applying the parameter design method proposed in this paper, it is feasible to decrease the phase difference between the positive-sequence impedance of the Modular Multilevel Converter (MMC) and the impedance of the AC system at 1200 Hz from 222.7° to 174.7°. Furthermore, this enhancement ensures the stable operation of the power grid even under specific delay fluctuations.
Author Contributions
Funding
Institutional Review Board Statement
Informed Consent Statement
Data Availability Statement
Acknowledgments
Conflicts of Interest
References
- Chen, Q.; Li, Q.; Wu, J.; He, J.; Mao, C.; Li, Z.; Yang, B. State Monitoring and Fault Diagnosis of HVDC System via KNN Algorithm with Knowledge Graph: A Practical China Power Grid Case. Sustainability 2023, 15, 3717. [Google Scholar] [CrossRef]
- Mohamed, N.; Ahmed, E.; Tamou, N. Improving Low-Voltage Ride-Through Capability of a Multimegawatt DFIG Based Wind Turbine under Grid Faults. Prot. Control Mod. Power Syst. 2020, 5, 370–382. [Google Scholar]
- Srilakshmi, K.; Sujatha, C.N.; Balachandran, P.K.; Mihet-Popa, L.; Kumar, N.U. Optimal Design of an Artificial Intelligence Controller for Solar-Battery Integrated UPQC in Three Phase Distribution Networks. Sustainability 2022, 14, 13992. [Google Scholar] [CrossRef]
- Khemili, F.Z.; Bouhali, O.; Lefouili, M.; Chaib, L.; El-Fergany, A.A.; Agwa, A.M. Design of Cascaded Multilevel Inverter and Enhanced MPPT Method for Large-Scale Photovoltaic System Integration. Sustainability 2023, 15, 9633. [Google Scholar] [CrossRef]
- Khan, H.S.; Memon, A.Y. Active and Reactive Power Control of the Voltage Source Inverter in an AC Microgrid. Sustainability 2023, 15, 1621. [Google Scholar] [CrossRef]
- Mehdi, T.; Mehdi, N. Human Reliability Analysis in Maintenance Team of Power Transmission System Protection. Prot. Control Mod. Power Syst. 2020, 5, 270–282. [Google Scholar]
- Xu, Z.; Chen, H. Review and Applications of VSC HVDC. High Volt. Eng. 2007, 33, 1–10. [Google Scholar] [CrossRef]
- Li, Y. Research on Stability Analysis and Control Method of VSC-HVDC System Based on Impedance Method. Ph.D. Thesis, Wuhan University, Wuhan, China, 2020. [Google Scholar]
- Yao, L.; Wu, Q.; Wang, Z.; Li, Y.; Lu, Z. Pattern Analysis of Future HVDC Grid Development. Proc. CSEE 2014, 34, 6007–6020. [Google Scholar] [CrossRef]
- Guan, M. Control Strategies for Modular Multilevel Converter Based HVDC Transmission System. Ph.D. Thesis, Zhejiang University, Hangzhou, China, 2013. [Google Scholar]
- Tu, Q. Research on Several Issues in Modular Multilevel Converter Based HVDC. Ph.D. Thesis, Zhejiang University, Hangzhou, China, 2013. [Google Scholar]
- Yin, C.; Xie, X.; Liu, H.; Wang, X.; Wang, Z.; Chi, Y. Analysis and Control of the Oscillation Phenomenon in VSC-HVDC Transmission System. Power Syst. Technol. 2018, 42, 1117–1123. [Google Scholar] [CrossRef]
- Saad, H.; Fillion, Y.; Deschanvres, S.; Vernay, Y.; Dennetiere, S. On resonances and harmonics in HVDC-MMC station connected to AC Grid. IEEE Trans. Power Deliv. 2017, 32, 1565–1573. [Google Scholar] [CrossRef]
- Zou, C.; Rao, H.; Xu, S.; Li, Y.; Li, W.; Chen, J.; Zhao, X.; Yang, Y.; Lei, B. Analysis of Resonance Between a VSC-HVDC Converter and the AC Grid. IEEE Trans. Power Electron. 2018, 33, 10157–10168. [Google Scholar] [CrossRef]
- Guo, X.; Liu, B.; Mei, H.; Liu, J.; Yu, H.; Cao, F. Analysis and Suppression of Resonance Between AC and DC Systems in Chongqing-Hubei Back-to-Back HVDC Project of China. Autom. Electr. Power Syst. 2020, 44, 157–164. [Google Scholar]
- Yang, S.; Liu, K.; Qin, L.; Zhou, T.; Zhu, S.; Hong, C. Research Progress of High Frequency Oscillation in MMC-HVDC. High Volt. Eng. 2021, 47, 3485–3496. [Google Scholar] [CrossRef]
- Li, Y.; He, Z.; Pang, H.; Yang, Y.; Ji, K.; Huang, W. High Frequency Stability Analysis and Suppression Strategy of MMC-HVDC Systems (Part I): Stability Analysis. Proc. CSEE 2021, 41, 5842–5856. [Google Scholar] [CrossRef]
- Ruan, B.; Zheng, X.; Zhu, S.; Le, J. Small-signal stability analysis of modular multilevel converters based on Floquet theory. Power Syst. Prot. Control 2021, 49, 1–8. [Google Scholar] [CrossRef]
- Sun, J. Impedance-Based Stability Criterion for Grid-Connected Inverters. IEEE Trans. Power Electron. 2011, 26, 3075–3078. [Google Scholar] [CrossRef]
- Dai, F.; Zeng, D.; Liu, S.; Wang, G. A Practical Impedance Modeling Method of MMC-HVDC Transmission System for Medium- and High-Frequency Resonance Analysis. Electr. Power Syst. Res. 2022, 212, 108636. [Google Scholar] [CrossRef]
- Sun, W.; Xia, X.; Liu, G.; Lu, X.; Yang, R.; Ma, H.; Wang, Z. MMC-based cascaded converter impedance model and stability analysis. Power Syst. Prot. Control 2023, 51, 117–127. [Google Scholar] [CrossRef]
- Huang, T.; Yang, F.; Zhang, D.; Chen, X. High-Frequency Stability Analysis and Impedance Optimization for an MMC-HVDC Integrated System Considering Delay Effects. IEEE J. Emerg. Sel. Top. Circuits Syst. 2022, 12, 59–72. [Google Scholar] [CrossRef]
- Shi, J.; Liu, J.; Xu, J.; Pan, C.; Shi, S. Suppression strategy for an MMC grid-side background harmonic current based on a multi-channel signal separator. Power Syst. Prot. Control 2021, 49, 106–113. [Google Scholar] [CrossRef]
- Guo, Q.; Guo, H.; Huang, L. Effect of Grid Voltage Feedforward on VSC-HVDC Stability in Weak Power Grid. Autom. Electr. Power Syst. 2018, 42, 139–144. [Google Scholar]
- Du, D.; Guo, C.; Jia, X.; Zhao, C.; Hu, Y. Suppression Strategy for High Frequency Resonance of Modular Multilevel Converter Based on Additional Band-Stop Filter. Trans. China Electrotech. Soc. 2021, 36, 1516–1525. [Google Scholar] [CrossRef]
- Chen, W.; Wang, J.; Ye, Y.; Liu, Y.; Feng, J.; Fu, C. Additional Damping Suppression Measures for Medium- and High-frequency Resonance on AC Side of MMC-HVDC Transmission System. Autom. Electr. Power Syst. 2021, 45, 151–161. [Google Scholar]
- Li, Y.; An, T.; Zhang, D.; Pei, X.; Ji, K.; Tang, G. Analysis and Suppression Control of High Frequency Resonance for MMC-HVDC System. IEEE Trans. Power Deliv. 2021, 36, 3867–3881. [Google Scholar] [CrossRef]



















| Variable | Definition |
|---|---|
| Pref | The active power reference signal |
| Qref | The reactive power reference signal |
| U1 | AC voltage fundamental amplitude |
| I1 | AC current fundamental amplitude |
| GPQ | The power outer loop PI controller |
| GI | The current inner loop PI controller |
| GTU | The transfer function for voltage sampling delay |
| GTI | The transfer function for current sampling delay |
| GD | The transfer function for control loop delay |
| TS | The voltage and current sampling delay |
| TD | The control loop delay |
| HPLL | The open-loop transfer function of the PLL |
| GPLL | The closed-loop transfer function of the phase-locked loop (PLL) |
| ω0 | The reference angular velocity of the PLL |
| Parameters | Value | Parameters | Value |
|---|---|---|---|
| Rated DC voltage | 700 kV | Proportional gain of the power outer loop | 0.3 |
| Rated DC power | 1000 MW | Integral gain of the power outer loop | 50 |
| Rated capacity | 1125 MVA | Proportional gain of the current inner loop | 1 |
| Grid Voltage | 525 kV | Integral gain of the current inner loop | 150 |
| Converter Voltage | 375 kV | Control loop delay | 600 μs |
| Transformer leakage reactance | 0.14 | Voltage sampling delay | 50 μs |
| Submodule Capacitance | 12 mF | Current sampling delay | 50 μs |
| Arm inductor | 0.104 H | Number of submodules per arm | 350 |
Disclaimer/Publisher’s Note: The statements, opinions and data contained in all publications are solely those of the individual author(s) and contributor(s) and not of MDPI and/or the editor(s). MDPI and/or the editor(s) disclaim responsibility for any injury to people or property resulting from any ideas, methods, instructions or products referred to in the content. |
© 2023 by the authors. Licensee MDPI, Basel, Switzerland. This article is an open access article distributed under the terms and conditions of the Creative Commons Attribution (CC BY) license (https://creativecommons.org/licenses/by/4.0/).
Share and Cite
Cui, T.; Wang, W.; Wang, H. MMC-HVDC High-Frequency Resonance Suppression Strategy Based on Multi-Band Band-Stop Filters. Sustainability 2023, 15, 13309. https://doi.org/10.3390/su151813309
Cui T, Wang W, Wang H. MMC-HVDC High-Frequency Resonance Suppression Strategy Based on Multi-Band Band-Stop Filters. Sustainability. 2023; 15(18):13309. https://doi.org/10.3390/su151813309
Chicago/Turabian StyleCui, Tinghe, Weiqing Wang, and Haiyun Wang. 2023. "MMC-HVDC High-Frequency Resonance Suppression Strategy Based on Multi-Band Band-Stop Filters" Sustainability 15, no. 18: 13309. https://doi.org/10.3390/su151813309
APA StyleCui, T., Wang, W., & Wang, H. (2023). MMC-HVDC High-Frequency Resonance Suppression Strategy Based on Multi-Band Band-Stop Filters. Sustainability, 15(18), 13309. https://doi.org/10.3390/su151813309
