Sustainable Power Consumption for Variance-Based Integration Model in Cellular 6G-IoT System
Abstract
:1. Introduction
- A variance-based integration scheme is proposed for a 6G-IoT system by considering constraints like energy, computation, consumption and communication, separately.
- Here, the base station (BS) simultaneously charges numerous large IoT devices via WPT in the downlink. Then, in the uplink, IoT devices gathered the energy to carry out the communication task and the processing task in a same spectrum. In order to balance system performance, power consumption and computational complexity, the model is then integrated using IACO.
- At last, the IACO algorithm deals with the subproblem for optimization of transmit beams. The two subproblems are assigning a user to a beam and resources to beams.
2. Literature Review
2.1. Related Works
2.2. Overall Analysis
2.3. Research Gaps
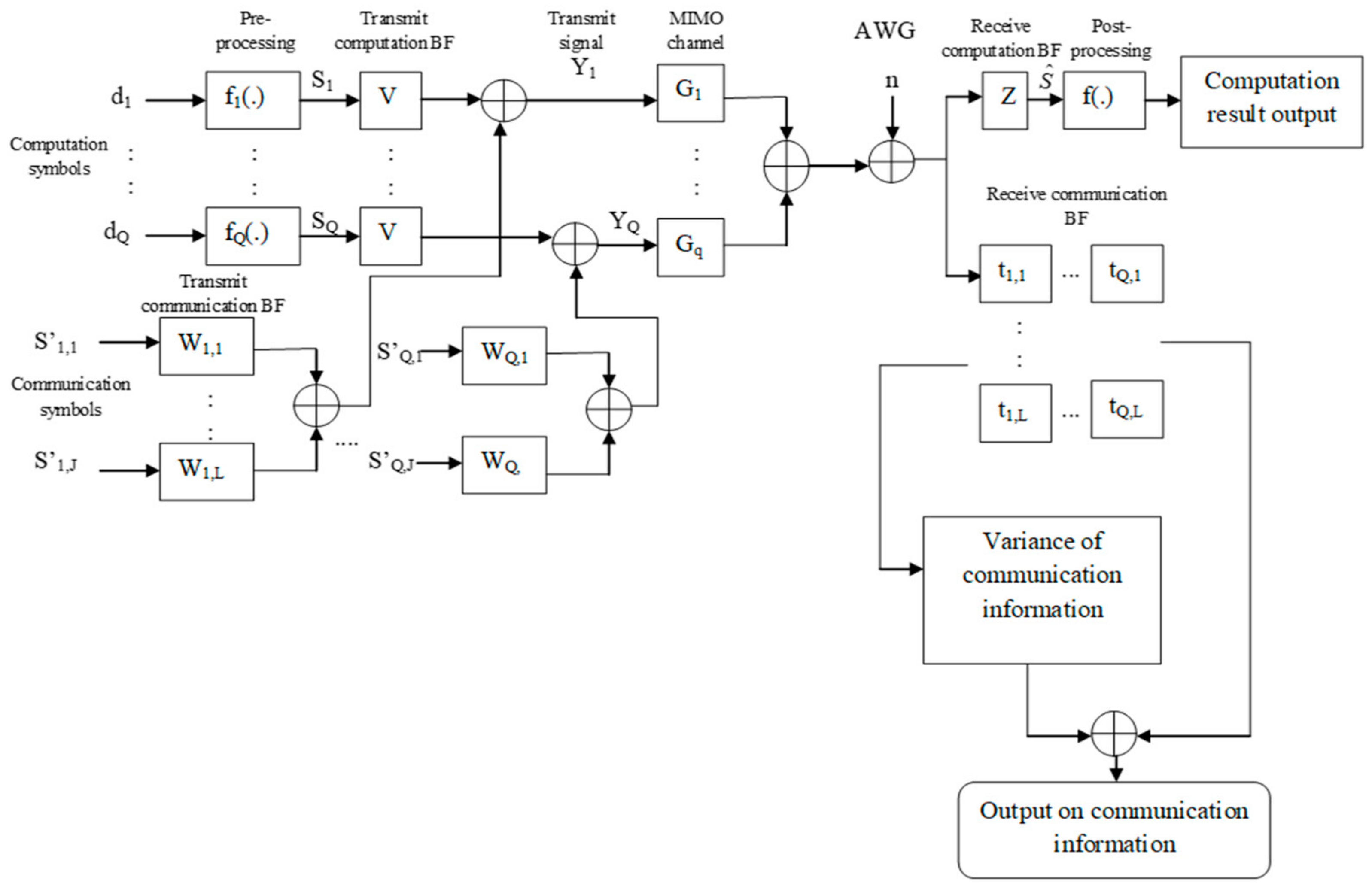
3. System Model
3.1. Model of Variance-Based Integration of 6G Cellular IoT
3.2. Improved ACO for 6G-IoT Error Minimization
| Algorithm 1: IACO Algorithm |
| Input: |
| Output: |
| Initializing algorithm constraints, count of ants |
| While do |
| For each ant do |
| While do |
| Compute the probability according to |
| If the ant is moved to a new node, update its path pheromone and modify the tabu list |
| When the ant discovers a possible path, trace the total length of the path |
| End While |
| Evaluate the fitness using |
| Pheromone is updated using with , adaptive reward coefficient |
| Randomly choose the ant position again |
| End for |
| End While |
4. Results and Discussion
4.1. Simulation Setup
4.2. Error Analysis
4.3. Analysis of Varying BS Antenna Count
4.4. Analysis of Power Consumption
4.5. Convergence Analysis
4.6. Comparative Analysis
5. Conclusions
Author Contributions
Funding
Institutional Review Board Statement
Informed Consent Statement
Data Availability Statement
Conflicts of Interest
Nomenclature
| Abbreviation | Description |
| AI | Artificial Intelligence |
| ANN | Artificial Neural Network |
| BackCom | Backscattering Communication |
| BU | Baseband Unit |
| BF | Beam Forming |
| BP | Back Propagation |
| BS | Base Station |
| CSI | Channel State Information |
| DL | Deep Learning |
| E2E | End To End |
| ECC | Energy, Computation and Communication |
| FPR | False Positive Rate |
| GA | Genetic Algorithms |
| IACO | Improved Ant Colony Optimization |
| IoT | Internet of Things |
| IRS | Intelligent Reflecting Surfaces |
| JBDA | Joint Beam forming Design Algorithm |
| K-NN | K-Nearest Neighbor |
| LDA | Latent Dirichlet Allocation |
| MAE | Mean Absolute Error |
| MAPE | Mean Absolute Percentage Error |
| MEC | Mobile Edge Computing |
| ML | Machine Learning |
| MMSE | Minimum MSE |
| ms | microseconds |
| MSD | Mean Squared Deviation |
| MSE | Mean Squared Error |
| NCE | Normalized Computation Error |
| RF | Radio Frequency |
| RRU | Remote Radio Units |
| SDP | Semi Definite Programming |
| TDD | Time Division Duplex |
| THz | Terahertz |
| UEs | User Equipment |
| UFBF | Uniform-Forcing Beam forming |
| uHDD | Ultrahigh Data Density |
| uHSLLC | Ultrahigh Speed with Low-Latency Communications |
| uMUB | Ubiquitous Mobile Ultra BroadBand |
| WPT | Wireless Power Transfer |
References
- Qi, Q.; Chen, X.; Zhong, C.; Zhang, Z. Integration of Energy, Computation and Communication in 6G Cellular Internet of Things. IEEE Commun. Lett. 2020, 24, 1333–1337. [Google Scholar] [CrossRef]
- Liu, C.; Feng, W.; Tao, X.; Ge, N. MEC-Empowered Non-Terrestrial Network for 6G Wide-Area Time-Sensitive Internet of Things. Engineering 2022, 8, 96–107. [Google Scholar] [CrossRef]
- Nazar, M.J.; Alhudhaif, A.; Qureshi, K.N.; Iqbal, S.; Jeon, G. Signature and flow statistics based anomaly detection system in software-defined networking for 6G internet of things network. Int. J. Syst. Assur. Eng. Manag. 2023, 14, 87–97. [Google Scholar] [CrossRef]
- Li, Q.; Xiao, R. The use of data mining technology in agricultural e-commerce under the background of 6G Internet of things communication. Int. J. Syst. Assur. Eng. Manag. 2021, 12, 813–823. [Google Scholar] [CrossRef]
- Qi, F.; Li, W.; Yu, P.; Feng, L.; Zhou, F. Deep learning-based BackCom multiple beamforming for 6G UAV IoT networks. EURASIP J. Wirel. Commun. Netw. 2021, 2021, 50. [Google Scholar] [CrossRef]
- Lyu, B.; He, M. The application of artificial intelligence technology of 6G internet of things communication combined with drama language art. Int. J. Syst. Assur. Eng. Manag. 2021, 12, 864–870. [Google Scholar] [CrossRef]
- Ye, Z.; Su, L. The use of data mining and artificial intelligence technology in art colors and graph and images of computer vision under 6G internet of things communication. Int. J. Syst. Assur. Eng. Manag. 2021, 12, 689–695. [Google Scholar] [CrossRef]
- Xu, L. Application of wearable devices in 6G internet of things communication environment using artificial intelligence. Int. J. Syst. Assur. Eng. Manag. 2021, 12, 741–747. [Google Scholar] [CrossRef]
- Taneja, A.; Saluja, N.; Taneja, N.; Alqahtani, A.; Elmagzoub, M.A.; Shaikh, A.; Koundal, D. Power optimization model for energy sustainability in 6G wireless networks. Sustainability 2022, 14, 7310. [Google Scholar] [CrossRef]
- Qadir, Z.; Le, K.N.; Saeed, N.; Munawar, H.S. Towards 6G Internet of Things: Recent advances, use cases, and open challenges. ICT Express 2022, 9, 296–312. [Google Scholar] [CrossRef]
- Mukherjee, A.; Dey, N.; Mondal, A.; De, D.; Crespo, R.G. iSocialDrone: QoS aware MQTT middleware for social internet of drone things in 6G-SDN slice. Soft Comput. 2023, 27, 5119–5135. [Google Scholar] [CrossRef]
- You, X.; Wang, C.-X.; Huang, J.; Gao, X.; Zhang, Z.; Wang, M.; Huang, Y.; Zhang, C.; Jiang, Y.; Wang, J.; et al. Towards 6G wireless communication networks: Vision, enabling technologies, and new paradigm shifts. Sci. China Inf. Sci. 2021, 64, 110301. [Google Scholar] [CrossRef]
- Iannacci, J. The WEAF Mnecosystem: A perspective of MEMS/NEMS technologies as pillars of future 6G, tactile internet and super-IoT. Microsyst. Technol. 2021, 27, 4193–4207. [Google Scholar] [CrossRef]
- Iannacci, J. The WEAF Mnecosystem (water, earth, air, fire micro/nano ecosystem): A perspective of micro/nanotechnologies as pillars of future 6G and tactile internet (with focus on MEMS). Microsyst. Technol. 2021, 27, 3943–3951. [Google Scholar] [CrossRef]
- Liang, Y.-C.; Chen, J.; Long, R.; He, Z.-Q.; Lin, X.; Huang, C.; Liu, S.; Shen, X.S.; Renzo, M.D. Reconfigurable intelligent surfaces for smart wireless environments: Channel estimation, system design and applications in 6G networks. Sci. China Inf. Sci. 2021, 64, 200301. [Google Scholar] [CrossRef]
- Iannacci, J.; Tagliapietra, G. Getting ready for beyond-5G, super-IoT and 6G at hardware passive components level: A multi-state RF-MEMS monolithic step attenuator analyzed up to 60 GHz. Microsyst. Technol. 2022, 28, 1235–1240. [Google Scholar] [CrossRef]
- Shakeel, P.M.; Baskar, S.; Fouad, H.; Manogaran, G.; Saravanan, V.; Xin, Q. Creating Collision-Free Communication in IoT with 6G Using Multiple Machine Access Learning Collision Avoidance Protocol. Mob. Netw. Appl. 2021, 26, 969–980. [Google Scholar] [CrossRef]
- Alam, T. Blockchain-Enabled Deep Reinforcement Learning Approach for Performance Optimization on the Internet of Things. Wirel. Pers. Commun. 2022, 126, 995–1011. [Google Scholar] [CrossRef]
- Lin, C.-C.; Su, N.-W.; Deng, D.-J.; Tsai, I.-H. Resource allocation of simultaneous wireless information and power transmission of multi-beam solar power satellites in space–terrestrial integrated networks for 6G wireless systems. Wirel. Netw. 2020, 26, 4095–4107. [Google Scholar] [CrossRef]
- Hao, X.; Zhao, R.; Yang, T.; Hu, Y.; Hu, B.; Qiu, Y. A risk-sensitive task offloading strategy for edge computing in industrial Internet of Things. EURASIP J. Wirel. Commun. Netw. 2021, 2021, 39. [Google Scholar] [CrossRef]
- Boas, E.C.V.; e Silva, J.D.S.; de Figueiredo, F.A.P.; Mendes, L.L.; de Souza, R.A.A. Artificial intelligence for channel estimation in multicarrier systems for B5G/6G communications: A survey. EURASIP J. Wirel. Commun. Netw. 2022, 2022, 116. [Google Scholar] [CrossRef]
- Gnanavel, V.K.; Srinivasan, A. Effective power allocation and distribution for 6G-network in a box enabled peer to peer wireless communication networks. Peer Peer Netw. Appl. 2021, 14, 2351–2360. [Google Scholar] [CrossRef]
- Zhai, M.; Locquet, A.; Citrin, D.S. Terahertz Dielectric Characterization of Low-Loss Thermoplastics for 6G Applications. Int. J. Wirel. Inf. Netw. 2022, 29, 269–274. [Google Scholar] [CrossRef]
- Peng, X.; Yuan, X.; Zhang, K. Clustered NOMA-based downlink adaptive relay coordinated transmission scheme for future 6G cell-free edge network. Peer Peer Netw. Appl. 2022, 15, 612–625. [Google Scholar] [CrossRef]
- Belattaf, S.; Mohammedi, M.; Omar, M.; Aoudjit, R. Reliable and Adaptive Distributed Public-Key Management Infrastructure for the Internet of Things. Wirel. Pers. Commun. 2021, 120, 113–137. [Google Scholar] [CrossRef]
- Verma, S.; Kaur, S.; Khan, M.A.; Sehdev, P.S. Toward Green Communication in 6G-Enabled Massive Internet of Things. IEEE Internet Things J. 2021, 8, 5408–5415. [Google Scholar] [CrossRef]
- Han, G.; Tu, J.; Liu, L.; Martinez-Garcia, M.; Peng, Y. Anomaly Detection Based on Multidimensional Data Processing for Protecting Vital Devices in 6G-Enabled Massive IIoT. IEEE Internet Things J. 2021, 8, 5219–5229. [Google Scholar] [CrossRef]
- Qin, P.; Zhu, Y.; Zhao, X.; Feng, X.; Liu, J.; Zhou, Z. Joint 3D-Location Planning and Resource Allocation for XAPS-Enabled C-NOMA in 6G Heterogeneous Internet of Things. IEEE Trans. Veh. Technol. 2021, 70, 10594–10609. [Google Scholar] [CrossRef]
- Zhang, Q.; Ma, W.; Feng, Z.; Han, Z. Backhaul-Capacity-Aware Interference Mitigation Framework in 6G Cellular Internet of Things. IEEE Internet Things J. 2021, 8, 10071–10084. [Google Scholar] [CrossRef]
- Zhang, Z.; Wang, S. Visible Thermal Person Reidentification via Mutual Learning Convolutional Neural Network in 6G-Enabled Visual Internet of Things. IEEE Internet Things J. 2021, 8, 15259–15266. [Google Scholar] [CrossRef]
- Liu, X.; Ding, H.; Hu, S. Uplink Resource Allocation for NOMA-Based Hybrid Spectrum Access in 6G-Enabled Cognitive Internet of Things. IEEE Internet Things J. 2021, 8, 15049–15058. [Google Scholar] [CrossRef]
- Wu, L.; Zhang, R.; Li, Q.; Ma, C.; Shi, X. A mobile edge computing-based applications execution framework for Internet of Vehicles. Front. Comput. Sci. 2022, 16, 165506. [Google Scholar] [CrossRef]
- Zhang, R.; Wu, L.; Cao, S.; Xiong, N.N.; Li, J.; Wu, D.; Ma, C. MPTO-MT: A multi-period vehicular task offloading method in 5G HetNets. J. Syst. Archit. 2022, 131, 102712. [Google Scholar] [CrossRef]
- Heidari, A.; Navimipour, N.J.; Jamali, M.A.J.; Akbarpour, S. A green, secure, and deep intelligent method for dynamic IoT-edge-cloud offloading scenarios. Sustain. Comput. Inform. Syst. 2023, 38, 100859. [Google Scholar] [CrossRef]
- Ansere, J.A.; Kamal, M.; Khan, I.A.; Aman, M.N. Dynamic Resource Optimization for Energy-Efficient 6G-IoT Ecosystems. Sensors 2023, 23, 4711. [Google Scholar] [CrossRef] [PubMed]
- Ogundokun, R.O.; Awotunde, J.B.; Imoize, A.L.; Li, C.-T.; Abdulahi, A.T.; Adelodun, A.B.; Sur, S.N.; Lee, C.-C. Non-Orthogonal Multiple Access Enabled Mobile Edge Computing in 6G Communications: A Systematic Literature Review. Sustainability 2023, 15, 7315. [Google Scholar] [CrossRef]
- Ouamri, M.A.; Barb, G.; Singh, D.; Adam, A.B.M.; Muthanna, M.S.A.; Li, X. Nonlinear Energy-Harvesting for D2D Networks Underlaying UAV with SWIPT Using MADQN. IEEE Commun. Lett. 2023, 27, 1804–1808. [Google Scholar] [CrossRef]
- Singh, D.; Ouamri, M.A.; Muthanna, M.S.A.; Adam, A.B.M.; Muthanna, A.; Koucheryavy, A.; El-Latif, A.A.A. A Generalized Approach on Outage Performance Analysis of Dual-Hop Decode and Forward Relaying for 5G and beyond Scenarios. Sustainability 2022, 14, 12870. [Google Scholar] [CrossRef]
- Singh, D.; Ouamri, M.A.; Alzaidi, M.S.; Alharbi, T.E.A.; Ghoneim, S.S.M. Ghoneim. Performance Analysis of Wireless Power Transfer Enabled Dual Hop Relay System Under Generalised Fading Scenarios. IEEE Access 2022, 10, 114364–114373. [Google Scholar] [CrossRef]
- Wei, X. Task scheduling optimization strategy using improved ant colony optimization algorithm in cloud computing. J. Ambient Intell. Hum. Comput. 2020. [Google Scholar] [CrossRef]









| Constraints | Values |
|---|---|
| Number of BS antennas | = 32, 34, 40, −50, −40, −30, −20, 64, 66 and 80 |
| IoT UEs | = 32; = 2; = 1; = 1 |
| Energy-conversion efficiency | = = 0.5 |
| Cell radius | = 500 m |
| Minimal needed SINR threshold | 0.1 dB |
| Noise power | = −50 dBm |
| Constraints | Values |
|---|---|
| Learning rate | 0.2 |
| Batch size | 90 |
| Maximum iterations | 150 |
| Evaporation rate | 0.05 |
| Population size | 100 |
| ZFBF | Fixed MMSE | UFBF | JBDA | ACO | IACO-C | IACO | ANN | KNN | |
|---|---|---|---|---|---|---|---|---|---|
| MSE | 0.021 | 0.028 | 0.015 | 0.012 | 0.023 | 0.052 | 0.011 | 0.037 | 0.044 |
| MAE | 0.091 | 0.093 | 0.093 | 0.090 | 0.084 | 0.074 | 0.086 | 0.079 | 0.076 |
| MALE | 0.009 | 0.005 | 0.006 | 0.006 | 0.006 | 0.005 | 0.005 | 0.005 | 0.005 |
| MAPE | 0.346 | 0.287 | 0.301 | 0.354 | 0.412 | 0.321 | 0.249 | 0.366 | 0.343 |
| Throughput (Kbps) | 10.236 | 9.625 | 9.124 | 9.351 | 12.301 | 12.945 | 13.601 | 9.358 | 9.847 |
| Latency (s) | 23.1 | 22.3 | 23.9 | 21.9 | 13.7 | 13.4 | 12.7 | 20.3 | 20.6 |
Disclaimer/Publisher’s Note: The statements, opinions and data contained in all publications are solely those of the individual author(s) and contributor(s) and not of MDPI and/or the editor(s). MDPI and/or the editor(s) disclaim responsibility for any injury to people or property resulting from any ideas, methods, instructions or products referred to in the content. |
© 2023 by the authors. Licensee MDPI, Basel, Switzerland. This article is an open access article distributed under the terms and conditions of the Creative Commons Attribution (CC BY) license (https://creativecommons.org/licenses/by/4.0/).
Share and Cite
Ramamoorthy, P.; Sanober, S.; Di Nunzio, L.; Cardarilli, G.C. Sustainable Power Consumption for Variance-Based Integration Model in Cellular 6G-IoT System. Sustainability 2023, 15, 12696. https://doi.org/10.3390/su151712696
Ramamoorthy P, Sanober S, Di Nunzio L, Cardarilli GC. Sustainable Power Consumption for Variance-Based Integration Model in Cellular 6G-IoT System. Sustainability. 2023; 15(17):12696. https://doi.org/10.3390/su151712696
Chicago/Turabian StyleRamamoorthy, Prabhu, Sumaya Sanober, Luca Di Nunzio, and Gian Carlo Cardarilli. 2023. "Sustainable Power Consumption for Variance-Based Integration Model in Cellular 6G-IoT System" Sustainability 15, no. 17: 12696. https://doi.org/10.3390/su151712696
APA StyleRamamoorthy, P., Sanober, S., Di Nunzio, L., & Cardarilli, G. C. (2023). Sustainable Power Consumption for Variance-Based Integration Model in Cellular 6G-IoT System. Sustainability, 15(17), 12696. https://doi.org/10.3390/su151712696

